Oil Injection 2 Cycle . In this video i teach you how most common two stroke oil injection systems work. These setups are used on. Quicksilver 27q01 2 stroke marine engine oil. When beta announced the introduction of oil injection to their. 251k views 12 years ago.
from www.arcticcatpartshouse.com
Quicksilver 27q01 2 stroke marine engine oil. These setups are used on. When beta announced the introduction of oil injection to their. In this video i teach you how most common two stroke oil injection systems work. 251k views 12 years ago.
ATV 2 Cycle Injection Oil, Quart Babbitts Arctic Cat Parts House
Oil Injection 2 Cycle 251k views 12 years ago. These setups are used on. In this video i teach you how most common two stroke oil injection systems work. Quicksilver 27q01 2 stroke marine engine oil. 251k views 12 years ago. When beta announced the introduction of oil injection to their.
From www.youtube.com
Why you should verify your Oil Injection System on a "new to you" 2 Oil Injection 2 Cycle Quicksilver 27q01 2 stroke marine engine oil. 251k views 12 years ago. In this video i teach you how most common two stroke oil injection systems work. When beta announced the introduction of oil injection to their. These setups are used on. Oil Injection 2 Cycle.
From www.youtube.com
SYMPTOMS OF A LEAKING FUEL INJECTOR YouTube Oil Injection 2 Cycle Quicksilver 27q01 2 stroke marine engine oil. 251k views 12 years ago. These setups are used on. When beta announced the introduction of oil injection to their. In this video i teach you how most common two stroke oil injection systems work. Oil Injection 2 Cycle.
From camauto.com
Torco PWC TwoStroke Injection Oil CAM Auto Oil Injection 2 Cycle Quicksilver 27q01 2 stroke marine engine oil. When beta announced the introduction of oil injection to their. In this video i teach you how most common two stroke oil injection systems work. These setups are used on. 251k views 12 years ago. Oil Injection 2 Cycle.
From www.rallyanarchy.com
Direct Injection & Two Strokes Oil Injection 2 Cycle 251k views 12 years ago. These setups are used on. Quicksilver 27q01 2 stroke marine engine oil. When beta announced the introduction of oil injection to their. In this video i teach you how most common two stroke oil injection systems work. Oil Injection 2 Cycle.
From www.car-engineer.com
Séquence d'une injection diesel Oil Injection 2 Cycle Quicksilver 27q01 2 stroke marine engine oil. When beta announced the introduction of oil injection to their. 251k views 12 years ago. These setups are used on. In this video i teach you how most common two stroke oil injection systems work. Oil Injection 2 Cycle.
From mungfali.com
Injection Molding Cycle Oil Injection 2 Cycle These setups are used on. 251k views 12 years ago. Quicksilver 27q01 2 stroke marine engine oil. When beta announced the introduction of oil injection to their. In this video i teach you how most common two stroke oil injection systems work. Oil Injection 2 Cycle.
From defender.com
Mercury 2Stroke Engine Oil for Outboard Motors 1 Pint 92858025k01 Oil Injection 2 Cycle In this video i teach you how most common two stroke oil injection systems work. Quicksilver 27q01 2 stroke marine engine oil. These setups are used on. 251k views 12 years ago. When beta announced the introduction of oil injection to their. Oil Injection 2 Cycle.
From www.skf.com
The SKF Oil Injection Method Oil Injection 2 Cycle 251k views 12 years ago. When beta announced the introduction of oil injection to their. Quicksilver 27q01 2 stroke marine engine oil. These setups are used on. In this video i teach you how most common two stroke oil injection systems work. Oil Injection 2 Cycle.
From pwonly.com
Maxima SuperM high performance injector 2Cycle Racing oil Oil Injection 2 Cycle Quicksilver 27q01 2 stroke marine engine oil. In this video i teach you how most common two stroke oil injection systems work. These setups are used on. 251k views 12 years ago. When beta announced the introduction of oil injection to their. Oil Injection 2 Cycle.
From shop.sclubricants.com
Honda GN2 2Stroke Injector Oil SCL Oil Injection 2 Cycle When beta announced the introduction of oil injection to their. Quicksilver 27q01 2 stroke marine engine oil. These setups are used on. 251k views 12 years ago. In this video i teach you how most common two stroke oil injection systems work. Oil Injection 2 Cycle.
From jagorequipmenttoolandsupply.com
Opti 2 Injector Oil 2 Cycle Two Stroke 5.3 Gallon Pail Jagor Oil Injection 2 Cycle 251k views 12 years ago. In this video i teach you how most common two stroke oil injection systems work. These setups are used on. Quicksilver 27q01 2 stroke marine engine oil. When beta announced the introduction of oil injection to their. Oil Injection 2 Cycle.
From www.arcticcatpartshouse.com
ATV 2 Cycle Injection Oil, Quart Babbitts Arctic Cat Parts House Oil Injection 2 Cycle When beta announced the introduction of oil injection to their. Quicksilver 27q01 2 stroke marine engine oil. 251k views 12 years ago. These setups are used on. In this video i teach you how most common two stroke oil injection systems work. Oil Injection 2 Cycle.
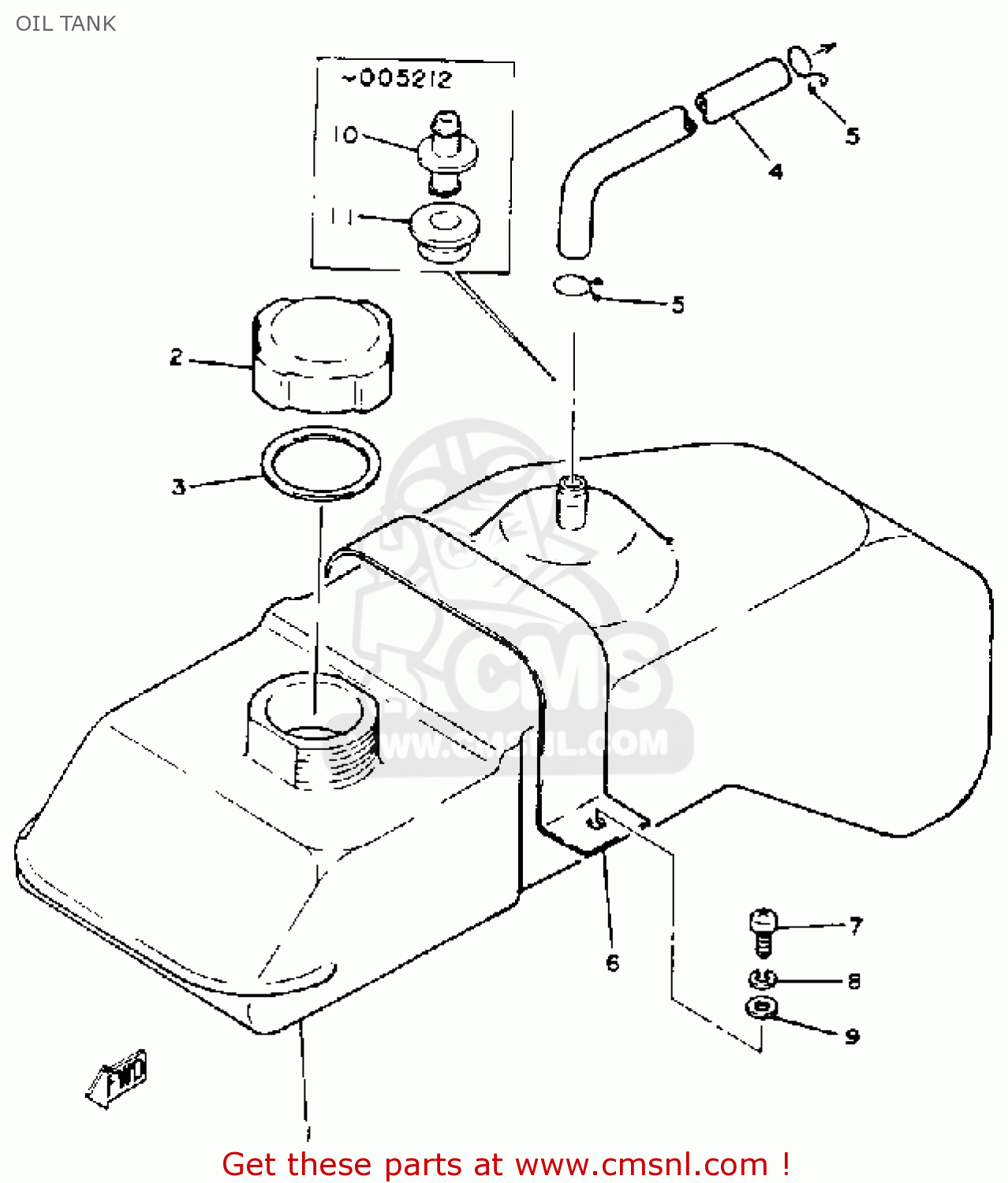
From www.cmsnl.com
Yamaha G1a G1a1 Golf Car 19791980 Oil Tank schematic partsfiche Oil Injection 2 Cycle In this video i teach you how most common two stroke oil injection systems work. These setups are used on. Quicksilver 27q01 2 stroke marine engine oil. 251k views 12 years ago. When beta announced the introduction of oil injection to their. Oil Injection 2 Cycle.
From www.zycon.com
SignalFire Chemical Injection System Monitors, Control and Optimizes Oil Injection 2 Cycle When beta announced the introduction of oil injection to their. Quicksilver 27q01 2 stroke marine engine oil. In this video i teach you how most common two stroke oil injection systems work. 251k views 12 years ago. These setups are used on. Oil Injection 2 Cycle.
From www.promo-jetski.com
02 Oil Injection System for Seadoo HX, 5882, 1997 1997 PromoJetski Oil Injection 2 Cycle 251k views 12 years ago. When beta announced the introduction of oil injection to their. Quicksilver 27q01 2 stroke marine engine oil. These setups are used on. In this video i teach you how most common two stroke oil injection systems work. Oil Injection 2 Cycle.
From www.youtube.com
How Oil Injection Works YouTube Oil Injection 2 Cycle These setups are used on. 251k views 12 years ago. When beta announced the introduction of oil injection to their. In this video i teach you how most common two stroke oil injection systems work. Quicksilver 27q01 2 stroke marine engine oil. Oil Injection 2 Cycle.
From www.youtube.com
How to service 2 Stroke Oil Injection System How to prime oil injection Oil Injection 2 Cycle In this video i teach you how most common two stroke oil injection systems work. When beta announced the introduction of oil injection to their. 251k views 12 years ago. These setups are used on. Quicksilver 27q01 2 stroke marine engine oil. Oil Injection 2 Cycle.
From www.promo-jetski.com
02 Oil Injection System pour JetSki Seadoo GTX DI, 5649 5659, 2000 Oil Injection 2 Cycle When beta announced the introduction of oil injection to their. In this video i teach you how most common two stroke oil injection systems work. 251k views 12 years ago. These setups are used on. Quicksilver 27q01 2 stroke marine engine oil. Oil Injection 2 Cycle.
From learntoflyblog.com
Aircraft Systems Fuel Injection Systems Learn to Fly Blog ASA Oil Injection 2 Cycle 251k views 12 years ago. Quicksilver 27q01 2 stroke marine engine oil. In this video i teach you how most common two stroke oil injection systems work. These setups are used on. When beta announced the introduction of oil injection to their. Oil Injection 2 Cycle.
From biomerics.redtiki.net
Process Optimization Oil Injection 2 Cycle These setups are used on. Quicksilver 27q01 2 stroke marine engine oil. In this video i teach you how most common two stroke oil injection systems work. When beta announced the introduction of oil injection to their. 251k views 12 years ago. Oil Injection 2 Cycle.
From opti2-4.com
2 cycle oil Opti2 Injector Oil (2cycle) Opti2 Injector Oil Oil Injection 2 Cycle When beta announced the introduction of oil injection to their. Quicksilver 27q01 2 stroke marine engine oil. These setups are used on. In this video i teach you how most common two stroke oil injection systems work. 251k views 12 years ago. Oil Injection 2 Cycle.
From jbrsurplusautoparts.com
Fuel Injection How it works JBR Surplus Auto Parts Oil Injection 2 Cycle Quicksilver 27q01 2 stroke marine engine oil. 251k views 12 years ago. In this video i teach you how most common two stroke oil injection systems work. These setups are used on. When beta announced the introduction of oil injection to their. Oil Injection 2 Cycle.
From www.hitechmarine.com.au
Mercury Premium Plus 2 Cycle 2 Stroke Marine Outboard Oil Hi Tech Marine Oil Injection 2 Cycle These setups are used on. 251k views 12 years ago. In this video i teach you how most common two stroke oil injection systems work. Quicksilver 27q01 2 stroke marine engine oil. When beta announced the introduction of oil injection to their. Oil Injection 2 Cycle.
From lucasoil.ca
Full Synthetic Marine 2Cycle Oil Lucas Oil Products Oil Injection 2 Cycle These setups are used on. In this video i teach you how most common two stroke oil injection systems work. Quicksilver 27q01 2 stroke marine engine oil. When beta announced the introduction of oil injection to their. 251k views 12 years ago. Oil Injection 2 Cycle.
From opti2-4.com
2 cycle oil Opti2 Injector Oil (2cycle) Opti2 Injector Oil 1 Oil Injection 2 Cycle These setups are used on. When beta announced the introduction of oil injection to their. In this video i teach you how most common two stroke oil injection systems work. 251k views 12 years ago. Quicksilver 27q01 2 stroke marine engine oil. Oil Injection 2 Cycle.
From www.youtube.com
SKF Oil Injection Method Overview YouTube Oil Injection 2 Cycle Quicksilver 27q01 2 stroke marine engine oil. These setups are used on. 251k views 12 years ago. In this video i teach you how most common two stroke oil injection systems work. When beta announced the introduction of oil injection to their. Oil Injection 2 Cycle.
From www.thejunkmanadv.com
2 stroke oil injection The Junk Man's Adventures Oil Injection 2 Cycle When beta announced the introduction of oil injection to their. 251k views 12 years ago. In this video i teach you how most common two stroke oil injection systems work. These setups are used on. Quicksilver 27q01 2 stroke marine engine oil. Oil Injection 2 Cycle.
From psboating.co.za
Sierra Direct Injection 2 Cycle Oil TCW3 189530 PS Boating Oil Injection 2 Cycle In this video i teach you how most common two stroke oil injection systems work. When beta announced the introduction of oil injection to their. Quicksilver 27q01 2 stroke marine engine oil. 251k views 12 years ago. These setups are used on. Oil Injection 2 Cycle.
From www.youtube.com
How To Video On Your Toyota Directinjection 4 Stroke Gasoline Engine Oil Injection 2 Cycle These setups are used on. When beta announced the introduction of oil injection to their. 251k views 12 years ago. Quicksilver 27q01 2 stroke marine engine oil. In this video i teach you how most common two stroke oil injection systems work. Oil Injection 2 Cycle.
From www.farmandfleet.com
Hopkins MixMizer Injector 2 Cycle Oil Mixing Tool 10111X/6 Blain's Oil Injection 2 Cycle When beta announced the introduction of oil injection to their. 251k views 12 years ago. These setups are used on. Quicksilver 27q01 2 stroke marine engine oil. In this video i teach you how most common two stroke oil injection systems work. Oil Injection 2 Cycle.
From www.thejunkmanadv.com
2 stroke oil injection The Junk Man's Adventures Oil Injection 2 Cycle Quicksilver 27q01 2 stroke marine engine oil. These setups are used on. When beta announced the introduction of oil injection to their. 251k views 12 years ago. In this video i teach you how most common two stroke oil injection systems work. Oil Injection 2 Cycle.
From automotorpad.com
Ford cleaning injectors Oil Injection 2 Cycle Quicksilver 27q01 2 stroke marine engine oil. In this video i teach you how most common two stroke oil injection systems work. 251k views 12 years ago. These setups are used on. When beta announced the introduction of oil injection to their. Oil Injection 2 Cycle.
From www.pinterest.com
Fuel injection has finally come to the twostroke market for production Oil Injection 2 Cycle In this video i teach you how most common two stroke oil injection systems work. These setups are used on. 251k views 12 years ago. Quicksilver 27q01 2 stroke marine engine oil. When beta announced the introduction of oil injection to their. Oil Injection 2 Cycle.
From www.thejunkmanadv.com
2 stroke oil injection The Junk Man's Adventures Oil Injection 2 Cycle When beta announced the introduction of oil injection to their. 251k views 12 years ago. In this video i teach you how most common two stroke oil injection systems work. These setups are used on. Quicksilver 27q01 2 stroke marine engine oil. Oil Injection 2 Cycle.
From szymon.bike
2oz Injection Air Conditioning HVAC Tool R134A Compressor Oil Dye Oil Injection 2 Cycle 251k views 12 years ago. In this video i teach you how most common two stroke oil injection systems work. When beta announced the introduction of oil injection to their. These setups are used on. Quicksilver 27q01 2 stroke marine engine oil. Oil Injection 2 Cycle.