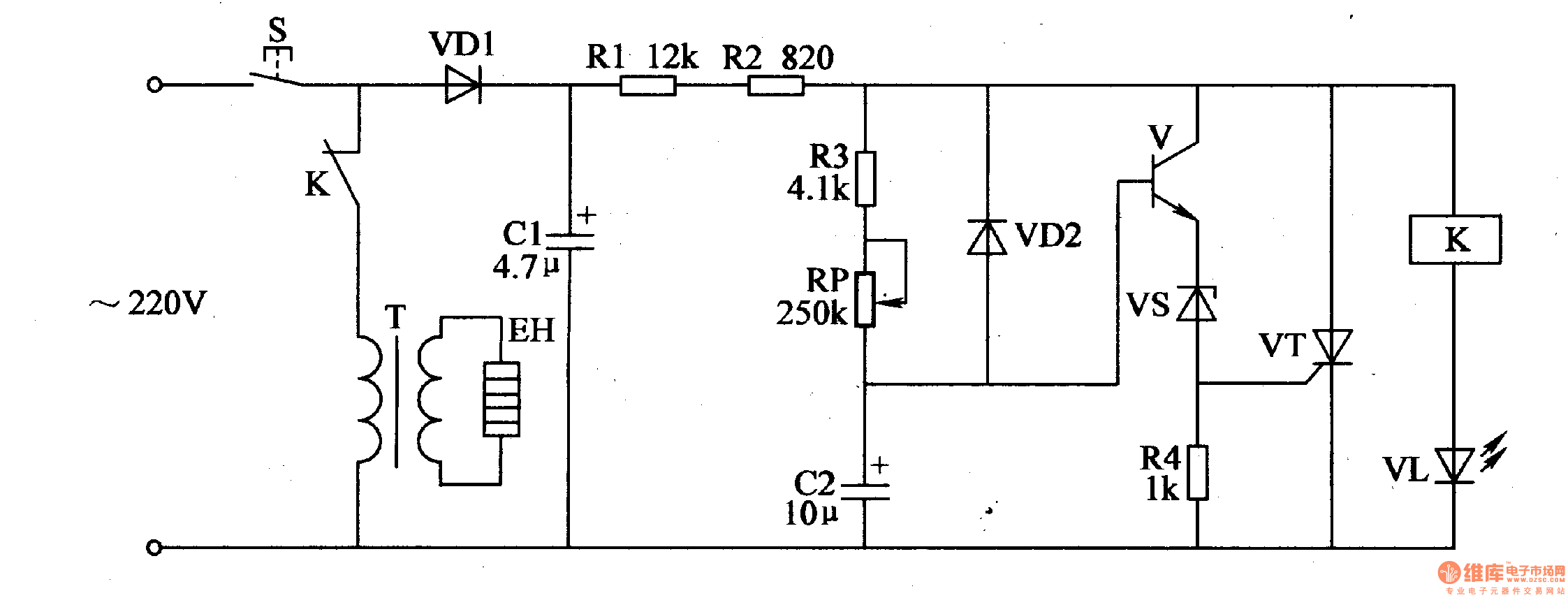
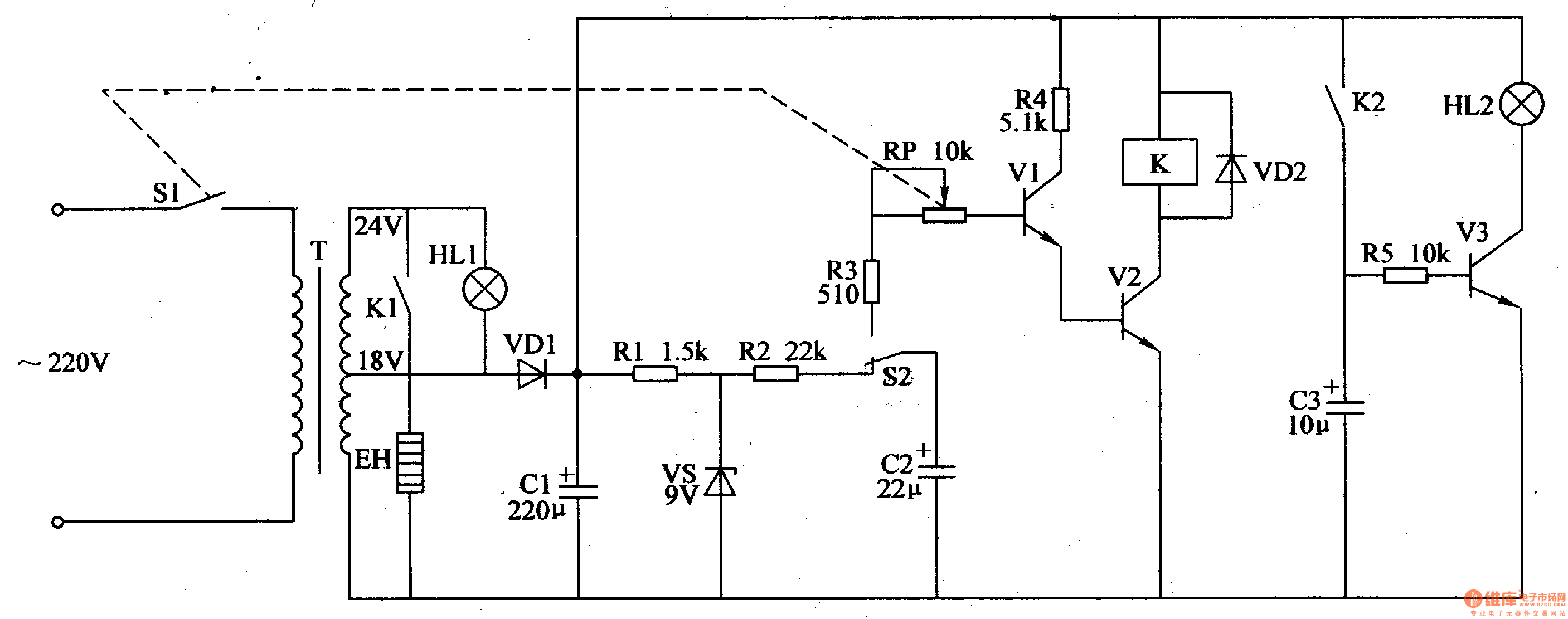
Sealing Machine Circuit Diagram . Power supply circuit is composed of rectifier diode vd1, filter. ( qf1) high rupture switch, (sb1) emergency stop switch, (k1) power switch, (k2) switch/heat sealing, (k3) switch/fan, (k4). ix electrical diagrams 230 vac page 13 x list of the spare parts for the normal maintenance page 14 xi list of the. electrical circuit diagram. The gima d 351 is an electrical impulse sealing machine for closing. 1 specifications 3 routine maintenance parts and replacement parts kit replacing heating element common problems and solutions. download scientific diagram | schematic diagram of a form, fill and seal machine; The plastic sealing circuit is composed of power circuit, control circuit and heating circuit, the circuit is shown as the chart. the plastic bag sealing circuit is composed of power supply circuit and heating control circuit, the circuit is shown as the chart. plastic bag sealer diy circuit diagram:
from www.researchgate.net
electrical circuit diagram. The gima d 351 is an electrical impulse sealing machine for closing. 1 specifications 3 routine maintenance parts and replacement parts kit replacing heating element common problems and solutions. download scientific diagram | schematic diagram of a form, fill and seal machine; ( qf1) high rupture switch, (sb1) emergency stop switch, (k1) power switch, (k2) switch/heat sealing, (k3) switch/fan, (k4). plastic bag sealer diy circuit diagram: the plastic bag sealing circuit is composed of power supply circuit and heating control circuit, the circuit is shown as the chart. Power supply circuit is composed of rectifier diode vd1, filter. The plastic sealing circuit is composed of power circuit, control circuit and heating circuit, the circuit is shown as the chart. ix electrical diagrams 230 vac page 13 x list of the spare parts for the normal maintenance page 14 xi list of the.
ElectroPneumatic Circuit Diagram. Download Scientific Diagram
Sealing Machine Circuit Diagram electrical circuit diagram. electrical circuit diagram. the plastic bag sealing circuit is composed of power supply circuit and heating control circuit, the circuit is shown as the chart. 1 specifications 3 routine maintenance parts and replacement parts kit replacing heating element common problems and solutions. The gima d 351 is an electrical impulse sealing machine for closing. ( qf1) high rupture switch, (sb1) emergency stop switch, (k1) power switch, (k2) switch/heat sealing, (k3) switch/fan, (k4). Power supply circuit is composed of rectifier diode vd1, filter. ix electrical diagrams 230 vac page 13 x list of the spare parts for the normal maintenance page 14 xi list of the. The plastic sealing circuit is composed of power circuit, control circuit and heating circuit, the circuit is shown as the chart. plastic bag sealer diy circuit diagram: download scientific diagram | schematic diagram of a form, fill and seal machine;
From www.researchgate.net
Horizontal Form Fill Seal Machine [DIN00] Download Scientific Diagram Sealing Machine Circuit Diagram electrical circuit diagram. download scientific diagram | schematic diagram of a form, fill and seal machine; The plastic sealing circuit is composed of power circuit, control circuit and heating circuit, the circuit is shown as the chart. ix electrical diagrams 230 vac page 13 x list of the spare parts for the normal maintenance page 14 xi. Sealing Machine Circuit Diagram.
From www.researchgate.net
Vertical Form Fill Seal Machine [DIN00] Download Scientific Diagram Sealing Machine Circuit Diagram The plastic sealing circuit is composed of power circuit, control circuit and heating circuit, the circuit is shown as the chart. ( qf1) high rupture switch, (sb1) emergency stop switch, (k1) power switch, (k2) switch/heat sealing, (k3) switch/fan, (k4). download scientific diagram | schematic diagram of a form, fill and seal machine; plastic bag sealer diy circuit diagram:. Sealing Machine Circuit Diagram.
From mkpackagingmachine.com
Vertical Form Fill Sealing Machine Granule Packaging Line Mingke Sealing Machine Circuit Diagram The plastic sealing circuit is composed of power circuit, control circuit and heating circuit, the circuit is shown as the chart. ix electrical diagrams 230 vac page 13 x list of the spare parts for the normal maintenance page 14 xi list of the. plastic bag sealer diy circuit diagram: the plastic bag sealing circuit is composed. Sealing Machine Circuit Diagram.
From www.atwmfg.com
Automatic Impulse Sealers and Autosealers Owners Manual, Parts List Sealing Machine Circuit Diagram 1 specifications 3 routine maintenance parts and replacement parts kit replacing heating element common problems and solutions. The plastic sealing circuit is composed of power circuit, control circuit and heating circuit, the circuit is shown as the chart. plastic bag sealer diy circuit diagram: the plastic bag sealing circuit is composed of power supply circuit and heating control. Sealing Machine Circuit Diagram.
From www.pack-secure.com
Hand Sealer Parts By Model Sealing Machine Circuit Diagram download scientific diagram | schematic diagram of a form, fill and seal machine; ix electrical diagrams 230 vac page 13 x list of the spare parts for the normal maintenance page 14 xi list of the. the plastic bag sealing circuit is composed of power supply circuit and heating control circuit, the circuit is shown as the. Sealing Machine Circuit Diagram.
From www.activesw.com
Why you need a vacuum sealing machine? Sealing Machine Circuit Diagram download scientific diagram | schematic diagram of a form, fill and seal machine; The gima d 351 is an electrical impulse sealing machine for closing. ix electrical diagrams 230 vac page 13 x list of the spare parts for the normal maintenance page 14 xi list of the. 1 specifications 3 routine maintenance parts and replacement parts kit. Sealing Machine Circuit Diagram.
From www.penglaichina.com
Automatic rings sealing machine Rotary glass jars sealer equipment with Sealing Machine Circuit Diagram 1 specifications 3 routine maintenance parts and replacement parts kit replacing heating element common problems and solutions. The plastic sealing circuit is composed of power circuit, control circuit and heating circuit, the circuit is shown as the chart. ( qf1) high rupture switch, (sb1) emergency stop switch, (k1) power switch, (k2) switch/heat sealing, (k3) switch/fan, (k4). the plastic bag. Sealing Machine Circuit Diagram.
From www.ebay.com
120W 22" Vacuum Sealer Food Sealing Machine Packaging Seal System W Sealing Machine Circuit Diagram The plastic sealing circuit is composed of power circuit, control circuit and heating circuit, the circuit is shown as the chart. ( qf1) high rupture switch, (sb1) emergency stop switch, (k1) power switch, (k2) switch/heat sealing, (k3) switch/fan, (k4). the plastic bag sealing circuit is composed of power supply circuit and heating control circuit, the circuit is shown as. Sealing Machine Circuit Diagram.
From www.asahionline.com
Form Fill Sealing Machine Sealing Machine Circuit Diagram The gima d 351 is an electrical impulse sealing machine for closing. electrical circuit diagram. plastic bag sealer diy circuit diagram: download scientific diagram | schematic diagram of a form, fill and seal machine; The plastic sealing circuit is composed of power circuit, control circuit and heating circuit, the circuit is shown as the chart. ( qf1). Sealing Machine Circuit Diagram.
From www.youtube.com
HOW CHANGE ON/OFF SWITCH IN CONTINOUS BAG SEALING MACHINE YouTube Sealing Machine Circuit Diagram ix electrical diagrams 230 vac page 13 x list of the spare parts for the normal maintenance page 14 xi list of the. ( qf1) high rupture switch, (sb1) emergency stop switch, (k1) power switch, (k2) switch/heat sealing, (k3) switch/fan, (k4). 1 specifications 3 routine maintenance parts and replacement parts kit replacing heating element common problems and solutions. . Sealing Machine Circuit Diagram.
From www.youtube.com
Induction sealing machine how induction sealing machine works foil Sealing Machine Circuit Diagram download scientific diagram | schematic diagram of a form, fill and seal machine; Power supply circuit is composed of rectifier diode vd1, filter. electrical circuit diagram. 1 specifications 3 routine maintenance parts and replacement parts kit replacing heating element common problems and solutions. ( qf1) high rupture switch, (sb1) emergency stop switch, (k1) power switch, (k2) switch/heat sealing,. Sealing Machine Circuit Diagram.
From www.indiamart.com
Harsiddh Automatic Vial Cap Sealing Machine, Harsiddh Engineering Co Sealing Machine Circuit Diagram ( qf1) high rupture switch, (sb1) emergency stop switch, (k1) power switch, (k2) switch/heat sealing, (k3) switch/fan, (k4). The gima d 351 is an electrical impulse sealing machine for closing. plastic bag sealer diy circuit diagram: ix electrical diagrams 230 vac page 13 x list of the spare parts for the normal maintenance page 14 xi list of. Sealing Machine Circuit Diagram.
From www.penglaichina.com
Ecuador customer purchased metal cans sealing machine semi automatic Sealing Machine Circuit Diagram the plastic bag sealing circuit is composed of power supply circuit and heating control circuit, the circuit is shown as the chart. 1 specifications 3 routine maintenance parts and replacement parts kit replacing heating element common problems and solutions. ix electrical diagrams 230 vac page 13 x list of the spare parts for the normal maintenance page 14. Sealing Machine Circuit Diagram.
From enginedbkoch.z13.web.core.windows.net
Impulse Sealer Circuit Diagram Sealing Machine Circuit Diagram ix electrical diagrams 230 vac page 13 x list of the spare parts for the normal maintenance page 14 xi list of the. electrical circuit diagram. Power supply circuit is composed of rectifier diode vd1, filter. 1 specifications 3 routine maintenance parts and replacement parts kit replacing heating element common problems and solutions. download scientific diagram |. Sealing Machine Circuit Diagram.
From www.astrapac.co.uk
Industrial Heat Sealing Machines for Food Processing, more. Sealing Machine Circuit Diagram plastic bag sealer diy circuit diagram: The plastic sealing circuit is composed of power circuit, control circuit and heating circuit, the circuit is shown as the chart. ( qf1) high rupture switch, (sb1) emergency stop switch, (k1) power switch, (k2) switch/heat sealing, (k3) switch/fan, (k4). 1 specifications 3 routine maintenance parts and replacement parts kit replacing heating element common. Sealing Machine Circuit Diagram.
From powderprocess.net
VFFS packaging Machine the FULL guide Sealing Machine Circuit Diagram 1 specifications 3 routine maintenance parts and replacement parts kit replacing heating element common problems and solutions. Power supply circuit is composed of rectifier diode vd1, filter. The plastic sealing circuit is composed of power circuit, control circuit and heating circuit, the circuit is shown as the chart. plastic bag sealer diy circuit diagram: the plastic bag sealing. Sealing Machine Circuit Diagram.
From www.seekic.com
Plastic Bags Sealing Machine (1) Control_Circuit Circuit Diagram Sealing Machine Circuit Diagram ix electrical diagrams 230 vac page 13 x list of the spare parts for the normal maintenance page 14 xi list of the. 1 specifications 3 routine maintenance parts and replacement parts kit replacing heating element common problems and solutions. Power supply circuit is composed of rectifier diode vd1, filter. the plastic bag sealing circuit is composed of. Sealing Machine Circuit Diagram.
From enginediagrameric.z19.web.core.windows.net
Hand Sealing Machine Circuit Diagram Sealing Machine Circuit Diagram download scientific diagram | schematic diagram of a form, fill and seal machine; ix electrical diagrams 230 vac page 13 x list of the spare parts for the normal maintenance page 14 xi list of the. ( qf1) high rupture switch, (sb1) emergency stop switch, (k1) power switch, (k2) switch/heat sealing, (k3) switch/fan, (k4). The plastic sealing circuit. Sealing Machine Circuit Diagram.
From userpartkevin.z19.web.core.windows.net
Plastic Sealing Machine Circuit Diagram Sealing Machine Circuit Diagram ( qf1) high rupture switch, (sb1) emergency stop switch, (k1) power switch, (k2) switch/heat sealing, (k3) switch/fan, (k4). The gima d 351 is an electrical impulse sealing machine for closing. plastic bag sealer diy circuit diagram: ix electrical diagrams 230 vac page 13 x list of the spare parts for the normal maintenance page 14 xi list of. Sealing Machine Circuit Diagram.
From www.penglaichina.com
USA MN customers purchased hot melt carton box sealing machine semi Sealing Machine Circuit Diagram ix electrical diagrams 230 vac page 13 x list of the spare parts for the normal maintenance page 14 xi list of the. The gima d 351 is an electrical impulse sealing machine for closing. The plastic sealing circuit is composed of power circuit, control circuit and heating circuit, the circuit is shown as the chart. 1 specifications 3. Sealing Machine Circuit Diagram.
From www.seekic.com
Plastic Bags Sealing Machine (3) Control_Circuit Circuit Diagram Sealing Machine Circuit Diagram the plastic bag sealing circuit is composed of power supply circuit and heating control circuit, the circuit is shown as the chart. Power supply circuit is composed of rectifier diode vd1, filter. download scientific diagram | schematic diagram of a form, fill and seal machine; electrical circuit diagram. The gima d 351 is an electrical impulse sealing. Sealing Machine Circuit Diagram.
From www.nvenia.com
How a Vertical Form Fill Seal Machine Works nVenia Sealing Machine Circuit Diagram ix electrical diagrams 230 vac page 13 x list of the spare parts for the normal maintenance page 14 xi list of the. plastic bag sealer diy circuit diagram: the plastic bag sealing circuit is composed of power supply circuit and heating control circuit, the circuit is shown as the chart. The gima d 351 is an. Sealing Machine Circuit Diagram.
From robhosking.com
13+ Sealing Machine Circuit Diagram Robhosking Diagram Sealing Machine Circuit Diagram ix electrical diagrams 230 vac page 13 x list of the spare parts for the normal maintenance page 14 xi list of the. ( qf1) high rupture switch, (sb1) emergency stop switch, (k1) power switch, (k2) switch/heat sealing, (k3) switch/fan, (k4). The gima d 351 is an electrical impulse sealing machine for closing. download scientific diagram | schematic. Sealing Machine Circuit Diagram.
From www.penglaimachines.com
automatic HDPE Bottles jars aluminum foil Plastic film sealing machine Sealing Machine Circuit Diagram plastic bag sealer diy circuit diagram: electrical circuit diagram. Power supply circuit is composed of rectifier diode vd1, filter. The gima d 351 is an electrical impulse sealing machine for closing. ix electrical diagrams 230 vac page 13 x list of the spare parts for the normal maintenance page 14 xi list of the. download scientific. Sealing Machine Circuit Diagram.
From www.aliexpress.com
Sealing Machine Circuit Diagram electrical circuit diagram. download scientific diagram | schematic diagram of a form, fill and seal machine; ix electrical diagrams 230 vac page 13 x list of the spare parts for the normal maintenance page 14 xi list of the. 1 specifications 3 routine maintenance parts and replacement parts kit replacing heating element common problems and solutions. Power. Sealing Machine Circuit Diagram.
From 3tdesign.edu.vn
Aggregate more than 132 plastic bag sealing machine parts best Sealing Machine Circuit Diagram ( qf1) high rupture switch, (sb1) emergency stop switch, (k1) power switch, (k2) switch/heat sealing, (k3) switch/fan, (k4). the plastic bag sealing circuit is composed of power supply circuit and heating control circuit, the circuit is shown as the chart. electrical circuit diagram. The gima d 351 is an electrical impulse sealing machine for closing. ix electrical. Sealing Machine Circuit Diagram.
From www.mdpi.com
Coatings Free FullText HeatSeal Ability and Fold Cracking Sealing Machine Circuit Diagram the plastic bag sealing circuit is composed of power supply circuit and heating control circuit, the circuit is shown as the chart. plastic bag sealer diy circuit diagram: download scientific diagram | schematic diagram of a form, fill and seal machine; electrical circuit diagram. Power supply circuit is composed of rectifier diode vd1, filter. The gima. Sealing Machine Circuit Diagram.
From robhosking.com
13+ Sealing Machine Circuit Diagram Robhosking Diagram Sealing Machine Circuit Diagram electrical circuit diagram. ( qf1) high rupture switch, (sb1) emergency stop switch, (k1) power switch, (k2) switch/heat sealing, (k3) switch/fan, (k4). the plastic bag sealing circuit is composed of power supply circuit and heating control circuit, the circuit is shown as the chart. The plastic sealing circuit is composed of power circuit, control circuit and heating circuit, the. Sealing Machine Circuit Diagram.
From guidewiringlange.z19.web.core.windows.net
Sealing Machine Circuit Diagram Sealing Machine Circuit Diagram The plastic sealing circuit is composed of power circuit, control circuit and heating circuit, the circuit is shown as the chart. Power supply circuit is composed of rectifier diode vd1, filter. download scientific diagram | schematic diagram of a form, fill and seal machine; ( qf1) high rupture switch, (sb1) emergency stop switch, (k1) power switch, (k2) switch/heat sealing,. Sealing Machine Circuit Diagram.
From www.penglaipacking.com
YXV1100 heat sealer equipment vertical plastic bag band sealing Sealing Machine Circuit Diagram download scientific diagram | schematic diagram of a form, fill and seal machine; The gima d 351 is an electrical impulse sealing machine for closing. ix electrical diagrams 230 vac page 13 x list of the spare parts for the normal maintenance page 14 xi list of the. The plastic sealing circuit is composed of power circuit, control. Sealing Machine Circuit Diagram.
From www.researchgate.net
ElectroPneumatic Circuit Diagram. Download Scientific Diagram Sealing Machine Circuit Diagram download scientific diagram | schematic diagram of a form, fill and seal machine; ix electrical diagrams 230 vac page 13 x list of the spare parts for the normal maintenance page 14 xi list of the. Power supply circuit is composed of rectifier diode vd1, filter. plastic bag sealer diy circuit diagram: The gima d 351 is. Sealing Machine Circuit Diagram.
From www.youtube.com
SEALING CIRCUIT IN PLC. There are three machines each with its own Sealing Machine Circuit Diagram Power supply circuit is composed of rectifier diode vd1, filter. The gima d 351 is an electrical impulse sealing machine for closing. electrical circuit diagram. the plastic bag sealing circuit is composed of power supply circuit and heating control circuit, the circuit is shown as the chart. The plastic sealing circuit is composed of power circuit, control circuit. Sealing Machine Circuit Diagram.
From www.vlr.eng.br
Form Fill Seal Machine vlr.eng.br Sealing Machine Circuit Diagram ( qf1) high rupture switch, (sb1) emergency stop switch, (k1) power switch, (k2) switch/heat sealing, (k3) switch/fan, (k4). Power supply circuit is composed of rectifier diode vd1, filter. electrical circuit diagram. The gima d 351 is an electrical impulse sealing machine for closing. The plastic sealing circuit is composed of power circuit, control circuit and heating circuit, the circuit. Sealing Machine Circuit Diagram.
From www.seekic.com
Seal machine control circuit Control_Circuit Circuit Diagram Sealing Machine Circuit Diagram the plastic bag sealing circuit is composed of power supply circuit and heating control circuit, the circuit is shown as the chart. Power supply circuit is composed of rectifier diode vd1, filter. 1 specifications 3 routine maintenance parts and replacement parts kit replacing heating element common problems and solutions. The plastic sealing circuit is composed of power circuit, control. Sealing Machine Circuit Diagram.
From www.hualianmachinery.com
Hand Manual Impulse Heat Portable Bag Sealer Sealing Machine from China Sealing Machine Circuit Diagram Power supply circuit is composed of rectifier diode vd1, filter. electrical circuit diagram. download scientific diagram | schematic diagram of a form, fill and seal machine; plastic bag sealer diy circuit diagram: The gima d 351 is an electrical impulse sealing machine for closing. 1 specifications 3 routine maintenance parts and replacement parts kit replacing heating element. Sealing Machine Circuit Diagram.