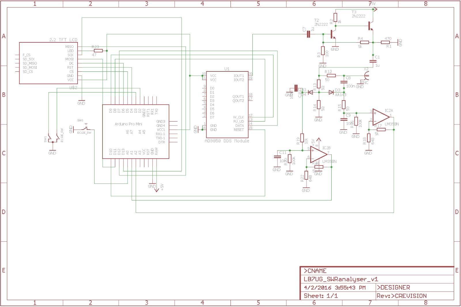
Arduino Antenna Analyzer . D12 isn't used but i thought i'd. 39 thoughts on “ $40 antenna analyzer with arduino and ad9850 ” macona says: Antenna analyzer is a tool used for fine tuning of antennae and troubleshooting it. Blog arduino dds ad9850 antenna analyzer. Fully assembled analyzer with arduino uno r3 and an9850. The si5351 is a few khz to 200. Could you put a small lna on the output of the rf. Hf antenna analyzer using si5351 as signal source, resistive swr bridge and esp32 or arduino as the brains. August 6, 2015 at 1:23 pm very neat. There are many types of antenna analysers such as anritsu vna master, rigexpert, minivna, and others. This is a no frills diy analyzer. Now you can build an arduino based antenna analyzer at home, for a low frequency application. Complete fully assembled and tested unit ready with arduino uno r3 (equivalent) and ad9850 to plugin and use. Arduino dds ad9850 antenna analyzer. D11 is used for the encoder switch input.
from graphicequalizerwithspectrumanalyzerw.blogspot.com
This is a no frills diy analyzer. There are many types of antenna analysers such as anritsu vna master, rigexpert, minivna, and others. Arduino d2 & d3 are used for the encoder inputs a & b. Now you can build an arduino based antenna analyzer at home, for a low frequency application. The si5351 is a few khz to 200. August 6, 2015 at 1:23 pm very neat. 39 thoughts on “ $40 antenna analyzer with arduino and ad9850 ” macona says: Blog arduino dds ad9850 antenna analyzer. Could you put a small lna on the output of the rf. Fully assembled analyzer with arduino uno r3 and an9850.
Graphic Equalizer With Spectrum Analyzer Arduino Antenna Analyzer Kit
Arduino Antenna Analyzer Fully assembled analyzer with arduino uno r3 and an9850. Antenna analyzer is a tool used for fine tuning of antennae and troubleshooting it. Could you put a small lna on the output of the rf. Arduino dds ad9850 antenna analyzer. Complete fully assembled and tested unit ready with arduino uno r3 (equivalent) and ad9850 to plugin and use. The si5351 is a few khz to 200. August 6, 2015 at 1:23 pm very neat. Now you can build an arduino based antenna analyzer at home, for a low frequency application. Fully assembled analyzer with arduino uno r3 and an9850. There are many types of antenna analysers such as anritsu vna master, rigexpert, minivna, and others. D12 isn't used but i thought i'd. Blog arduino dds ad9850 antenna analyzer. D11 is used for the encoder switch input. 39 thoughts on “ $40 antenna analyzer with arduino and ad9850 ” macona says: This is a no frills diy analyzer. Arduino d2 & d3 are used for the encoder inputs a & b.
From dc2wk.schwab-intra.net
Arduino Vector Graphic Antenna Analyser DC2WK Blog Arduino Antenna Analyzer Now you can build an arduino based antenna analyzer at home, for a low frequency application. There are many types of antenna analysers such as anritsu vna master, rigexpert, minivna, and others. August 6, 2015 at 1:23 pm very neat. Could you put a small lna on the output of the rf. Hf antenna analyzer using si5351 as signal source,. Arduino Antenna Analyzer.
From ka7ftp.com
SWR_Sweeper Arduino Antenna Analyzer 39 thoughts on “ $40 antenna analyzer with arduino and ad9850 ” macona says: Antenna analyzer is a tool used for fine tuning of antennae and troubleshooting it. Hf antenna analyzer using si5351 as signal source, resistive swr bridge and esp32 or arduino as the brains. Now you can build an arduino based antenna analyzer at home, for a low. Arduino Antenna Analyzer.
From www.riyas.org
Learn on the fly A simple standalone antenna analyzer based on Arduino Antenna Analyzer Arduino dds ad9850 antenna analyzer. This is a no frills diy analyzer. Complete fully assembled and tested unit ready with arduino uno r3 (equivalent) and ad9850 to plugin and use. Blog arduino dds ad9850 antenna analyzer. D11 is used for the encoder switch input. D12 isn't used but i thought i'd. The si5351 is a few khz to 200. Now. Arduino Antenna Analyzer.
From www.youtube.com
Arduino VNA Vector Graphic based Antenna Analyser YouTube Arduino Antenna Analyzer Complete fully assembled and tested unit ready with arduino uno r3 (equivalent) and ad9850 to plugin and use. Arduino dds ad9850 antenna analyzer. Hf antenna analyzer using si5351 as signal source, resistive swr bridge and esp32 or arduino as the brains. 39 thoughts on “ $40 antenna analyzer with arduino and ad9850 ” macona says: The si5351 is a few. Arduino Antenna Analyzer.
From www.youtube.com
Arduino Antenna analyzer YouTube Arduino Antenna Analyzer The si5351 is a few khz to 200. August 6, 2015 at 1:23 pm very neat. Arduino dds ad9850 antenna analyzer. This is a no frills diy analyzer. Antenna analyzer is a tool used for fine tuning of antennae and troubleshooting it. Now you can build an arduino based antenna analyzer at home, for a low frequency application. There are. Arduino Antenna Analyzer.
From graphicequalizerwithspectrumanalyzerw.blogspot.com
Graphic Equalizer With Spectrum Analyzer Arduino Antenna Analyzer Kit Arduino Antenna Analyzer Now you can build an arduino based antenna analyzer at home, for a low frequency application. 39 thoughts on “ $40 antenna analyzer with arduino and ad9850 ” macona says: Hf antenna analyzer using si5351 as signal source, resistive swr bridge and esp32 or arduino as the brains. Antenna analyzer is a tool used for fine tuning of antennae and. Arduino Antenna Analyzer.
From www.youtube.com
arduino antenna analyzer YouTube Arduino Antenna Analyzer August 6, 2015 at 1:23 pm very neat. Could you put a small lna on the output of the rf. Fully assembled analyzer with arduino uno r3 and an9850. Antenna analyzer is a tool used for fine tuning of antennae and troubleshooting it. Hf antenna analyzer using si5351 as signal source, resistive swr bridge and esp32 or arduino as the. Arduino Antenna Analyzer.
From www.youtube.com
Arduino Antenna Analyzer Review YouTube Arduino Antenna Analyzer There are many types of antenna analysers such as anritsu vna master, rigexpert, minivna, and others. This is a no frills diy analyzer. Fully assembled analyzer with arduino uno r3 and an9850. Blog arduino dds ad9850 antenna analyzer. The si5351 is a few khz to 200. Complete fully assembled and tested unit ready with arduino uno r3 (equivalent) and ad9850. Arduino Antenna Analyzer.
From hackaday.com
40 Antenna Analyzer With Arduino And AD9850 Hackaday Arduino Antenna Analyzer Arduino d2 & d3 are used for the encoder inputs a & b. D12 isn't used but i thought i'd. Complete fully assembled and tested unit ready with arduino uno r3 (equivalent) and ad9850 to plugin and use. The si5351 is a few khz to 200. There are many types of antenna analysers such as anritsu vna master, rigexpert, minivna,. Arduino Antenna Analyzer.
From www.youtube.com
Arduino Antenna Analyzer A Look Inside YouTube Arduino Antenna Analyzer This is a no frills diy analyzer. Antenna analyzer is a tool used for fine tuning of antennae and troubleshooting it. Arduino d2 & d3 are used for the encoder inputs a & b. There are many types of antenna analysers such as anritsu vna master, rigexpert, minivna, and others. Could you put a small lna on the output of. Arduino Antenna Analyzer.
From www.riyas.org
Learn on the fly A simple standalone antenna analyzer based on Arduino Antenna Analyzer Could you put a small lna on the output of the rf. Arduino dds ad9850 antenna analyzer. Blog arduino dds ad9850 antenna analyzer. Fully assembled analyzer with arduino uno r3 and an9850. The si5351 is a few khz to 200. 39 thoughts on “ $40 antenna analyzer with arduino and ad9850 ” macona says: This is a no frills diy. Arduino Antenna Analyzer.
From www.riyas.org
Learn on the fly A simple standalone antenna analyzer based on Arduino Antenna Analyzer Arduino d2 & d3 are used for the encoder inputs a & b. Complete fully assembled and tested unit ready with arduino uno r3 (equivalent) and ad9850 to plugin and use. Fully assembled analyzer with arduino uno r3 and an9850. August 6, 2015 at 1:23 pm very neat. Now you can build an arduino based antenna analyzer at home, for. Arduino Antenna Analyzer.
From www.electronics-lab.com
Arduino DDS AD9850 Antenna Analyzer Arduino Antenna Analyzer D12 isn't used but i thought i'd. Arduino d2 & d3 are used for the encoder inputs a & b. Blog arduino dds ad9850 antenna analyzer. The si5351 is a few khz to 200. There are many types of antenna analysers such as anritsu vna master, rigexpert, minivna, and others. Arduino dds ad9850 antenna analyzer. D11 is used for the. Arduino Antenna Analyzer.
From dc2wk.schwab-intra.net
Arduino Vector Graphic Antenna Analyser DC2WK Blog Arduino Antenna Analyzer There are many types of antenna analysers such as anritsu vna master, rigexpert, minivna, and others. Now you can build an arduino based antenna analyzer at home, for a low frequency application. Arduino dds ad9850 antenna analyzer. Could you put a small lna on the output of the rf. 39 thoughts on “ $40 antenna analyzer with arduino and ad9850. Arduino Antenna Analyzer.
From www.dxzone.com
Arduino Vector Graphic Antenna Analyser Resource Detail Arduino Antenna Analyzer Could you put a small lna on the output of the rf. Blog arduino dds ad9850 antenna analyzer. This is a no frills diy analyzer. The si5351 is a few khz to 200. D12 isn't used but i thought i'd. Now you can build an arduino based antenna analyzer at home, for a low frequency application. Arduino d2 & d3. Arduino Antenna Analyzer.
From dc2wk.schwab-intra.net
Arduino Vector Graphic Antenna Analyser DC2WK Blog Arduino Antenna Analyzer Could you put a small lna on the output of the rf. Complete fully assembled and tested unit ready with arduino uno r3 (equivalent) and ad9850 to plugin and use. D11 is used for the encoder switch input. Now you can build an arduino based antenna analyzer at home, for a low frequency application. August 6, 2015 at 1:23 pm. Arduino Antenna Analyzer.
From www.riyas.org
Learn on the fly A simple standalone antenna analyzer based on Arduino Antenna Analyzer D12 isn't used but i thought i'd. Now you can build an arduino based antenna analyzer at home, for a low frequency application. This is a no frills diy analyzer. D11 is used for the encoder switch input. Complete fully assembled and tested unit ready with arduino uno r3 (equivalent) and ad9850 to plugin and use. Antenna analyzer is a. Arduino Antenna Analyzer.
From www.youtube.com
ANTENNA ANALYZER ARDUINO YouTube Arduino Antenna Analyzer D12 isn't used but i thought i'd. Could you put a small lna on the output of the rf. The si5351 is a few khz to 200. This is a no frills diy analyzer. Arduino dds ad9850 antenna analyzer. There are many types of antenna analysers such as anritsu vna master, rigexpert, minivna, and others. Arduino d2 & d3 are. Arduino Antenna Analyzer.
From dc2wk.schwab-intra.net
Arduino Vector Graphic Antenna Analyser DC2WK Blog Arduino Antenna Analyzer Antenna analyzer is a tool used for fine tuning of antennae and troubleshooting it. Arduino dds ad9850 antenna analyzer. D12 isn't used but i thought i'd. Now you can build an arduino based antenna analyzer at home, for a low frequency application. 39 thoughts on “ $40 antenna analyzer with arduino and ad9850 ” macona says: D11 is used for. Arduino Antenna Analyzer.
From www.riyas.org
Learn on the fly A simple standalone antenna analyzer based on Arduino Antenna Analyzer Fully assembled analyzer with arduino uno r3 and an9850. D12 isn't used but i thought i'd. Arduino d2 & d3 are used for the encoder inputs a & b. Arduino dds ad9850 antenna analyzer. Could you put a small lna on the output of the rf. Now you can build an arduino based antenna analyzer at home, for a low. Arduino Antenna Analyzer.
From earth355.blogspot.com
[Download 36+] Arduino Antenna Analyzer Si5351 Arduino Antenna Analyzer 39 thoughts on “ $40 antenna analyzer with arduino and ad9850 ” macona says: Complete fully assembled and tested unit ready with arduino uno r3 (equivalent) and ad9850 to plugin and use. Now you can build an arduino based antenna analyzer at home, for a low frequency application. There are many types of antenna analysers such as anritsu vna master,. Arduino Antenna Analyzer.
From graphicequalizerwithspectrumanalyzerw.blogspot.com
Graphic Equalizer With Spectrum Analyzer Arduino Antenna Analyzer Kit Arduino Antenna Analyzer This is a no frills diy analyzer. Antenna analyzer is a tool used for fine tuning of antennae and troubleshooting it. Could you put a small lna on the output of the rf. 39 thoughts on “ $40 antenna analyzer with arduino and ad9850 ” macona says: Complete fully assembled and tested unit ready with arduino uno r3 (equivalent) and. Arduino Antenna Analyzer.
From ja2gqp.blogspot.com
JA2GQP’s Blog Antenna Analyzer 2.2"TFT Arduino Antenna Analyzer August 6, 2015 at 1:23 pm very neat. This is a no frills diy analyzer. Arduino d2 & d3 are used for the encoder inputs a & b. Fully assembled analyzer with arduino uno r3 and an9850. 39 thoughts on “ $40 antenna analyzer with arduino and ad9850 ” macona says: Antenna analyzer is a tool used for fine tuning. Arduino Antenna Analyzer.
From radiomania225.blogspot.com
RADIOMANIA 226 [Download 20+] Arduino Antenna Analyzer Arduino Antenna Analyzer Fully assembled analyzer with arduino uno r3 and an9850. Hf antenna analyzer using si5351 as signal source, resistive swr bridge and esp32 or arduino as the brains. Now you can build an arduino based antenna analyzer at home, for a low frequency application. August 6, 2015 at 1:23 pm very neat. The si5351 is a few khz to 200. This. Arduino Antenna Analyzer.
From www.dxzone.com
Cheap Antenna Analyzer with Arduino Resource Detail Arduino Antenna Analyzer The si5351 is a few khz to 200. August 6, 2015 at 1:23 pm very neat. Arduino dds ad9850 antenna analyzer. Antenna analyzer is a tool used for fine tuning of antennae and troubleshooting it. Complete fully assembled and tested unit ready with arduino uno r3 (equivalent) and ad9850 to plugin and use. D11 is used for the encoder switch. Arduino Antenna Analyzer.
From graphicequalizerwithspectrumanalyzerw.blogspot.com
Graphic Equalizer With Spectrum Analyzer Arduino Antenna Analyzer Kit Arduino Antenna Analyzer Now you can build an arduino based antenna analyzer at home, for a low frequency application. Antenna analyzer is a tool used for fine tuning of antennae and troubleshooting it. August 6, 2015 at 1:23 pm very neat. Fully assembled analyzer with arduino uno r3 and an9850. There are many types of antenna analysers such as anritsu vna master, rigexpert,. Arduino Antenna Analyzer.
From kitspace.org
antennaanalyser on Kitspace Arduino Antenna Analyzer D11 is used for the encoder switch input. The si5351 is a few khz to 200. Could you put a small lna on the output of the rf. Now you can build an arduino based antenna analyzer at home, for a low frequency application. Hf antenna analyzer using si5351 as signal source, resistive swr bridge and esp32 or arduino as. Arduino Antenna Analyzer.
From www.youtube.com
Arduino Antenna Analyzer with AD9850 YouTube Arduino Antenna Analyzer This is a no frills diy analyzer. Hf antenna analyzer using si5351 as signal source, resistive swr bridge and esp32 or arduino as the brains. Arduino d2 & d3 are used for the encoder inputs a & b. D12 isn't used but i thought i'd. Now you can build an arduino based antenna analyzer at home, for a low frequency. Arduino Antenna Analyzer.
From www.parkerradio.org
Arduino / RigExpert antenna analyzer Member Projects & Builds Arduino Antenna Analyzer This is a no frills diy analyzer. Fully assembled analyzer with arduino uno r3 and an9850. Arduino d2 & d3 are used for the encoder inputs a & b. Could you put a small lna on the output of the rf. The si5351 is a few khz to 200. There are many types of antenna analysers such as anritsu vna. Arduino Antenna Analyzer.
From dc2wk.schwab-intra.net
Arduino Vector Graphic Antenna Analyser DC2WK Blog Arduino Antenna Analyzer Fully assembled analyzer with arduino uno r3 and an9850. D12 isn't used but i thought i'd. D11 is used for the encoder switch input. Complete fully assembled and tested unit ready with arduino uno r3 (equivalent) and ad9850 to plugin and use. There are many types of antenna analysers such as anritsu vna master, rigexpert, minivna, and others. Arduino dds. Arduino Antenna Analyzer.
From www.riyas.org
Learn on the fly A simple standalone antenna analyzer based on Arduino Antenna Analyzer This is a no frills diy analyzer. Hf antenna analyzer using si5351 as signal source, resistive swr bridge and esp32 or arduino as the brains. Arduino d2 & d3 are used for the encoder inputs a & b. There are many types of antenna analysers such as anritsu vna master, rigexpert, minivna, and others. Complete fully assembled and tested unit. Arduino Antenna Analyzer.
From graphicequalizerwithspectrumanalyzerw.blogspot.com
Graphic Equalizer With Spectrum Analyzer Arduino Antenna Analyzer Kit Arduino Antenna Analyzer August 6, 2015 at 1:23 pm very neat. Now you can build an arduino based antenna analyzer at home, for a low frequency application. The si5351 is a few khz to 200. 39 thoughts on “ $40 antenna analyzer with arduino and ad9850 ” macona says: Hf antenna analyzer using si5351 as signal source, resistive swr bridge and esp32 or. Arduino Antenna Analyzer.
From www.youtube.com
Arduino antenna analyser with ad9850 dds with tft YouTube Arduino Antenna Analyzer D11 is used for the encoder switch input. Arduino d2 & d3 are used for the encoder inputs a & b. The si5351 is a few khz to 200. Antenna analyzer is a tool used for fine tuning of antennae and troubleshooting it. 39 thoughts on “ $40 antenna analyzer with arduino and ad9850 ” macona says: Blog arduino dds. Arduino Antenna Analyzer.
From hackaday.com
40 Antenna Analyzer With Arduino And AD9850 Hackaday Arduino Antenna Analyzer Now you can build an arduino based antenna analyzer at home, for a low frequency application. Hf antenna analyzer using si5351 as signal source, resistive swr bridge and esp32 or arduino as the brains. Could you put a small lna on the output of the rf. This is a no frills diy analyzer. August 6, 2015 at 1:23 pm very. Arduino Antenna Analyzer.
From www.instructables.com
HF Antenna Analyser With Arduino and DDS Module 6 Steps (with Arduino Antenna Analyzer Hf antenna analyzer using si5351 as signal source, resistive swr bridge and esp32 or arduino as the brains. 39 thoughts on “ $40 antenna analyzer with arduino and ad9850 ” macona says: D11 is used for the encoder switch input. Arduino dds ad9850 antenna analyzer. Arduino d2 & d3 are used for the encoder inputs a & b. August 6,. Arduino Antenna Analyzer.