Timer Definition . a device that starts or stops something at a set time or that makes a sound after a particular amount of time has passed: Meaning, pronunciation, picture, example sentences, grammar,. definition of timer noun in oxford advanced learner's dictionary. a timer is a device or a person who measures, records, or indicates time. A device (such as a clock) that indicates by a sound the end of an interval of time or that starts or stops a device at predetermined. a timer is a device that measures time, especially one that is part of a machine and causes it to start or stop working at. It can also be a switch or a regulator that. A switch or regulator that causes a mechanism to operate at a. A device for measuring, recording, or indicating time. a device that starts or stops something at a set time or that makes a sound after a particular amount of time has passed:
from www.alibaba.com
a device that starts or stops something at a set time or that makes a sound after a particular amount of time has passed: A device (such as a clock) that indicates by a sound the end of an interval of time or that starts or stops a device at predetermined. definition of timer noun in oxford advanced learner's dictionary. A device for measuring, recording, or indicating time. a timer is a device or a person who measures, records, or indicates time. Meaning, pronunciation, picture, example sentences, grammar,. a timer is a device that measures time, especially one that is part of a machine and causes it to start or stop working at. It can also be a switch or a regulator that. a device that starts or stops something at a set time or that makes a sound after a particular amount of time has passed: A switch or regulator that causes a mechanism to operate at a.
4 Groups Large Lcd Display Small Digital Timer With High Definition
Timer Definition Meaning, pronunciation, picture, example sentences, grammar,. a device that starts or stops something at a set time or that makes a sound after a particular amount of time has passed: It can also be a switch or a regulator that. Meaning, pronunciation, picture, example sentences, grammar,. A switch or regulator that causes a mechanism to operate at a. definition of timer noun in oxford advanced learner's dictionary. a device that starts or stops something at a set time or that makes a sound after a particular amount of time has passed: a timer is a device that measures time, especially one that is part of a machine and causes it to start or stop working at. a timer is a device or a person who measures, records, or indicates time. A device (such as a clock) that indicates by a sound the end of an interval of time or that starts or stops a device at predetermined. A device for measuring, recording, or indicating time.
From settimer.us
Minutes Timer Timer Categories Timer Definition definition of timer noun in oxford advanced learner's dictionary. A device (such as a clock) that indicates by a sound the end of an interval of time or that starts or stops a device at predetermined. a device that starts or stops something at a set time or that makes a sound after a particular amount of time. Timer Definition.
From www.youtube.com
Google Timer Set Timer on Google YouTube Timer Definition It can also be a switch or a regulator that. a device that starts or stops something at a set time or that makes a sound after a particular amount of time has passed: A device (such as a clock) that indicates by a sound the end of an interval of time or that starts or stops a device. Timer Definition.
From www.webstaurantstore.com
Taylor 5832 TruTimer 60 Minute Mechanical Timer Timer Definition a timer is a device that measures time, especially one that is part of a machine and causes it to start or stop working at. Meaning, pronunciation, picture, example sentences, grammar,. A device for measuring, recording, or indicating time. A switch or regulator that causes a mechanism to operate at a. A device (such as a clock) that indicates. Timer Definition.
From www.figma.com
Timer Figma Community Timer Definition It can also be a switch or a regulator that. A device (such as a clock) that indicates by a sound the end of an interval of time or that starts or stops a device at predetermined. definition of timer noun in oxford advanced learner's dictionary. a device that starts or stops something at a set time or. Timer Definition.
From www.electronics-lab.com
Simple timer with PIC16F628A ElectronicsLab Timer Definition It can also be a switch or a regulator that. definition of timer noun in oxford advanced learner's dictionary. Meaning, pronunciation, picture, example sentences, grammar,. A device for measuring, recording, or indicating time. A switch or regulator that causes a mechanism to operate at a. a timer is a device or a person who measures, records, or indicates. Timer Definition.
From www.publicdomainpictures.net
Timer Free Stock Photo Public Domain Pictures Timer Definition It can also be a switch or a regulator that. Meaning, pronunciation, picture, example sentences, grammar,. A device (such as a clock) that indicates by a sound the end of an interval of time or that starts or stops a device at predetermined. a device that starts or stops something at a set time or that makes a sound. Timer Definition.
From www.youtube.com
On Delay Timer Vs Off Delay Timer Definition of on delay Timer and Timer Definition a device that starts or stops something at a set time or that makes a sound after a particular amount of time has passed: Meaning, pronunciation, picture, example sentences, grammar,. A device for measuring, recording, or indicating time. a timer is a device or a person who measures, records, or indicates time. A switch or regulator that causes. Timer Definition.
From www.slideserve.com
PPT MSP430 PowerPoint Presentation, free download ID1314045 Timer Definition Meaning, pronunciation, picture, example sentences, grammar,. a timer is a device or a person who measures, records, or indicates time. definition of timer noun in oxford advanced learner's dictionary. A switch or regulator that causes a mechanism to operate at a. It can also be a switch or a regulator that. A device (such as a clock) that. Timer Definition.
From www.alamy.com
Set of simple timers Stock Vector Image & Art Alamy Timer Definition a device that starts or stops something at a set time or that makes a sound after a particular amount of time has passed: A device for measuring, recording, or indicating time. definition of timer noun in oxford advanced learner's dictionary. Meaning, pronunciation, picture, example sentences, grammar,. a timer is a device that measures time, especially one. Timer Definition.
From www.publicdomainpictures.net
Timer Free Stock Photo Public Domain Pictures Timer Definition a timer is a device or a person who measures, records, or indicates time. It can also be a switch or a regulator that. A switch or regulator that causes a mechanism to operate at a. a device that starts or stops something at a set time or that makes a sound after a particular amount of time. Timer Definition.
From ts2.pl
The Evolution and Utility of Watches with Timers An InDepth Look Timer Definition Meaning, pronunciation, picture, example sentences, grammar,. A switch or regulator that causes a mechanism to operate at a. It can also be a switch or a regulator that. A device (such as a clock) that indicates by a sound the end of an interval of time or that starts or stops a device at predetermined. A device for measuring, recording,. Timer Definition.
From github.com
Implement Timer Definition props · Issue 4 · bpmnio/bpmnproperties Timer Definition a device that starts or stops something at a set time or that makes a sound after a particular amount of time has passed: definition of timer noun in oxford advanced learner's dictionary. A device (such as a clock) that indicates by a sound the end of an interval of time or that starts or stops a device. Timer Definition.
From www.ldalearning.com
AAMT12101 1 Minute Classroom Sand Timer LDA Resources Timer Definition A device (such as a clock) that indicates by a sound the end of an interval of time or that starts or stops a device at predetermined. a device that starts or stops something at a set time or that makes a sound after a particular amount of time has passed: A switch or regulator that causes a mechanism. Timer Definition.
From visualmodo.com
How To Create And Use Timers Visualmodo Timer Definition Meaning, pronunciation, picture, example sentences, grammar,. A device (such as a clock) that indicates by a sound the end of an interval of time or that starts or stops a device at predetermined. A device for measuring, recording, or indicating time. a device that starts or stops something at a set time or that makes a sound after a. Timer Definition.
From www.gammon.com.au
Gammon Forum Electronics Microprocessors Timers and counters Timer Definition a device that starts or stops something at a set time or that makes a sound after a particular amount of time has passed: Meaning, pronunciation, picture, example sentences, grammar,. a timer is a device that measures time, especially one that is part of a machine and causes it to start or stop working at. A switch or. Timer Definition.
From www.alibaba.com
4 Groups Large Lcd Display Small Digital Timer With High Definition Timer Definition a timer is a device that measures time, especially one that is part of a machine and causes it to start or stop working at. A device (such as a clock) that indicates by a sound the end of an interval of time or that starts or stops a device at predetermined. a device that starts or stops. Timer Definition.
From www.specialtyproducttechnologies.com
HQ4 Percentage Timer Timer Definition A device (such as a clock) that indicates by a sound the end of an interval of time or that starts or stops a device at predetermined. Meaning, pronunciation, picture, example sentences, grammar,. a timer is a device or a person who measures, records, or indicates time. a device that starts or stops something at a set time. Timer Definition.
From cartoondealer.com
The 81 Seconds Icon, Digital Timer. Clock And Watch, Timer, Countdown Timer Definition a device that starts or stops something at a set time or that makes a sound after a particular amount of time has passed: It can also be a switch or a regulator that. A switch or regulator that causes a mechanism to operate at a. a device that starts or stops something at a set time or. Timer Definition.
From www.electronics-lab.com
Simple timer with PIC16F628A ElectronicsLab Timer Definition A switch or regulator that causes a mechanism to operate at a. definition of timer noun in oxford advanced learner's dictionary. A device for measuring, recording, or indicating time. A device (such as a clock) that indicates by a sound the end of an interval of time or that starts or stops a device at predetermined. a timer. Timer Definition.
From dictionary.langeek.co
Definition & Meaning of "Timer" LanGeek Timer Definition Meaning, pronunciation, picture, example sentences, grammar,. A switch or regulator that causes a mechanism to operate at a. A device for measuring, recording, or indicating time. A device (such as a clock) that indicates by a sound the end of an interval of time or that starts or stops a device at predetermined. It can also be a switch or. Timer Definition.
From mailtimers.com
How it works? Countdown Timer in your Email MailTimers Timer Definition Meaning, pronunciation, picture, example sentences, grammar,. a timer is a device or a person who measures, records, or indicates time. a device that starts or stops something at a set time or that makes a sound after a particular amount of time has passed: definition of timer noun in oxford advanced learner's dictionary. A device (such as. Timer Definition.
From www.collinsdictionary.com
Egg timer definition and meaning Collins English Dictionary Timer Definition definition of timer noun in oxford advanced learner's dictionary. Meaning, pronunciation, picture, example sentences, grammar,. a timer is a device or a person who measures, records, or indicates time. A switch or regulator that causes a mechanism to operate at a. a device that starts or stops something at a set time or that makes a sound. Timer Definition.
From www.youtube.com
Timer • what is TIMER definition YouTube Timer Definition A device for measuring, recording, or indicating time. a device that starts or stops something at a set time or that makes a sound after a particular amount of time has passed: A switch or regulator that causes a mechanism to operate at a. A device (such as a clock) that indicates by a sound the end of an. Timer Definition.
From www.alamy.com
Set of timers Stock Vector Image & Art Alamy Timer Definition Meaning, pronunciation, picture, example sentences, grammar,. a timer is a device or a person who measures, records, or indicates time. a timer is a device that measures time, especially one that is part of a machine and causes it to start or stop working at. definition of timer noun in oxford advanced learner's dictionary. A device (such. Timer Definition.
From countdownmail.com
Add a countdown timer to your email Timer Definition It can also be a switch or a regulator that. a timer is a device that measures time, especially one that is part of a machine and causes it to start or stop working at. definition of timer noun in oxford advanced learner's dictionary. A device for measuring, recording, or indicating time. Meaning, pronunciation, picture, example sentences, grammar,.. Timer Definition.
From codientta.com
Timers Timer Definition A switch or regulator that causes a mechanism to operate at a. a timer is a device or a person who measures, records, or indicates time. A device for measuring, recording, or indicating time. A device (such as a clock) that indicates by a sound the end of an interval of time or that starts or stops a device. Timer Definition.
From www.inox-rvs.com
Kitchen Timer INOX RVS FOR FOOD INDUSTRY Timer Definition a device that starts or stops something at a set time or that makes a sound after a particular amount of time has passed: A device for measuring, recording, or indicating time. It can also be a switch or a regulator that. Meaning, pronunciation, picture, example sentences, grammar,. a timer is a device or a person who measures,. Timer Definition.
From www.soyanggroup.com
China High definition 24 hours Digital Timer Multicountries styles Timer Definition A device (such as a clock) that indicates by a sound the end of an interval of time or that starts or stops a device at predetermined. It can also be a switch or a regulator that. a timer is a device or a person who measures, records, or indicates time. A device for measuring, recording, or indicating time.. Timer Definition.
From www.plctalk.net
Micro850 Counter Driver Interactive Q & A Timer Definition definition of timer noun in oxford advanced learner's dictionary. a timer is a device that measures time, especially one that is part of a machine and causes it to start or stop working at. a device that starts or stops something at a set time or that makes a sound after a particular amount of time has. Timer Definition.
From theautismhelper.com
Visual Timers You Can Use in Your Classroom The Autism Helper Timer Definition a timer is a device that measures time, especially one that is part of a machine and causes it to start or stop working at. A device (such as a clock) that indicates by a sound the end of an interval of time or that starts or stops a device at predetermined. A device for measuring, recording, or indicating. Timer Definition.
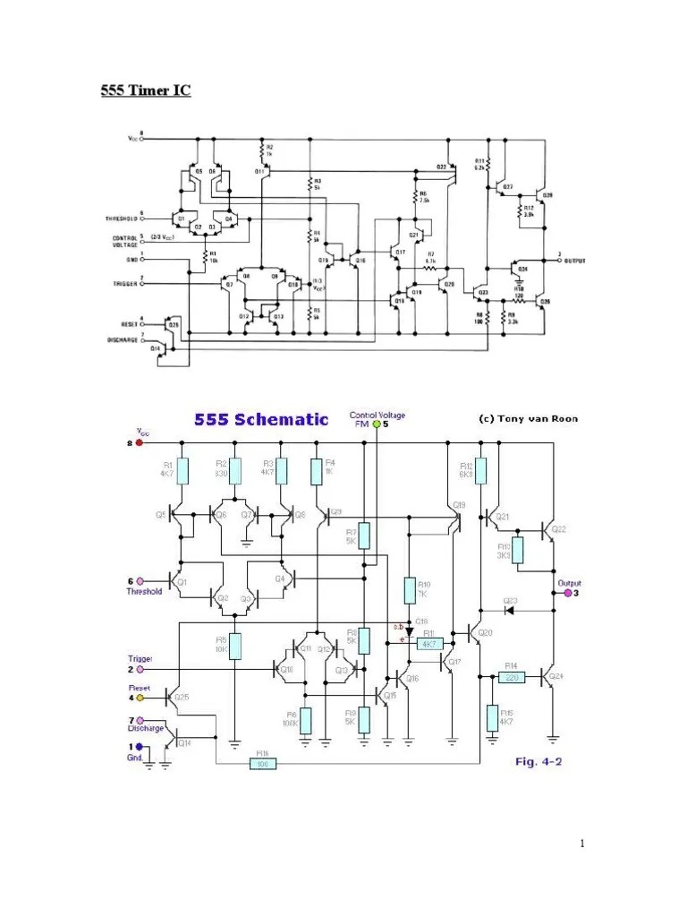
From www.scribd.com
Definition of Pin Functions of 555 timer IC Transistor Electrical Timer Definition Meaning, pronunciation, picture, example sentences, grammar,. definition of timer noun in oxford advanced learner's dictionary. A switch or regulator that causes a mechanism to operate at a. It can also be a switch or a regulator that. a device that starts or stops something at a set time or that makes a sound after a particular amount of. Timer Definition.
From animalia-life.club
What Is The Significance Of Watchdog Timer In Embedded System Timer Definition a device that starts or stops something at a set time or that makes a sound after a particular amount of time has passed: a device that starts or stops something at a set time or that makes a sound after a particular amount of time has passed: definition of timer noun in oxford advanced learner's dictionary.. Timer Definition.
From blog.gcawood.com
timer Fiddlings Timer Definition A device (such as a clock) that indicates by a sound the end of an interval of time or that starts or stops a device at predetermined. Meaning, pronunciation, picture, example sentences, grammar,. definition of timer noun in oxford advanced learner's dictionary. a timer is a device that measures time, especially one that is part of a machine. Timer Definition.
From academy.camunda.com
Use Timer Events Timer Definition Meaning, pronunciation, picture, example sentences, grammar,. definition of timer noun in oxford advanced learner's dictionary. A device (such as a clock) that indicates by a sound the end of an interval of time or that starts or stops a device at predetermined. a timer is a device or a person who measures, records, or indicates time. a. Timer Definition.
From www.circuitstoday.com
The History of 555 Timer IC Story of Invention Timer Definition A switch or regulator that causes a mechanism to operate at a. a timer is a device or a person who measures, records, or indicates time. A device for measuring, recording, or indicating time. Meaning, pronunciation, picture, example sentences, grammar,. a device that starts or stops something at a set time or that makes a sound after a. Timer Definition.