Sharp Tv Power Supply Problem . common reasons a sharp tv won't turn on include power supply issues, such as a disconnected power cord or a faulty outlet. The first thing to look at is the remote control. If it does, unplug the tv from the wall outlet, wait for a few seconds, and then plug it back in to see if it fixes the issue. It’s important to check if the power outlet is working correctly and if the power cord is securely connected to both the tv and the outlet. One of the most common reasons why a sharp tv won’t turn on is a power supply issue. you can fix a sharp tv that does not turn on or off in different ways. power supply issue. There might be a defective power button that causes the problem. This can occur if there is a problem with the power cord or the power outlet itself. if your tv turns on and off at random times, here’s how to check where the problem lies. First, check whether the power light blinks. trying to manually turn on the power supply board by shorting the standby power and trigger pin results in no power.
from wiremystique.com
If it does, unplug the tv from the wall outlet, wait for a few seconds, and then plug it back in to see if it fixes the issue. One of the most common reasons why a sharp tv won’t turn on is a power supply issue. you can fix a sharp tv that does not turn on or off in different ways. common reasons a sharp tv won't turn on include power supply issues, such as a disconnected power cord or a faulty outlet. There might be a defective power button that causes the problem. This can occur if there is a problem with the power cord or the power outlet itself. It’s important to check if the power outlet is working correctly and if the power cord is securely connected to both the tv and the outlet. power supply issue. trying to manually turn on the power supply board by shorting the standby power and trigger pin results in no power. if your tv turns on and off at random times, here’s how to check where the problem lies.
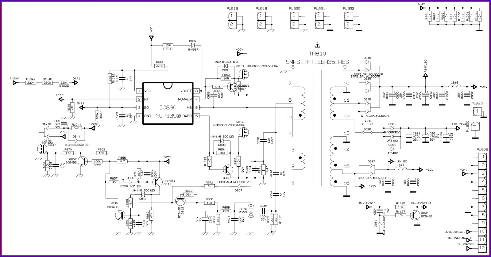
Designing Sharp TV Power Supply Circuit Diagram WireMystique
Sharp Tv Power Supply Problem This can occur if there is a problem with the power cord or the power outlet itself. There might be a defective power button that causes the problem. One of the most common reasons why a sharp tv won’t turn on is a power supply issue. The first thing to look at is the remote control. It’s important to check if the power outlet is working correctly and if the power cord is securely connected to both the tv and the outlet. you can fix a sharp tv that does not turn on or off in different ways. trying to manually turn on the power supply board by shorting the standby power and trigger pin results in no power. common reasons a sharp tv won't turn on include power supply issues, such as a disconnected power cord or a faulty outlet. if your tv turns on and off at random times, here’s how to check where the problem lies. First, check whether the power light blinks. power supply issue. This can occur if there is a problem with the power cord or the power outlet itself. If it does, unplug the tv from the wall outlet, wait for a few seconds, and then plug it back in to see if it fixes the issue.
From www.usefulparts.com
Sharp Power Supply RDENCA198WJQZ [001702] Appliance Sharp Tv Power Supply Problem The first thing to look at is the remote control. power supply issue. One of the most common reasons why a sharp tv won’t turn on is a power supply issue. There might be a defective power button that causes the problem. if your tv turns on and off at random times, here’s how to check where the. Sharp Tv Power Supply Problem.
From wiremystique.com
Designing Sharp TV Power Supply Circuit Diagram WireMystique Sharp Tv Power Supply Problem trying to manually turn on the power supply board by shorting the standby power and trigger pin results in no power. common reasons a sharp tv won't turn on include power supply issues, such as a disconnected power cord or a faulty outlet. power supply issue. you can fix a sharp tv that does not turn. Sharp Tv Power Supply Problem.
From neyod-repair.blogspot.com
How I use board comparison to repair dead power supply of a sharp tv Sharp Tv Power Supply Problem This can occur if there is a problem with the power cord or the power outlet itself. If it does, unplug the tv from the wall outlet, wait for a few seconds, and then plug it back in to see if it fixes the issue. power supply issue. common reasons a sharp tv won't turn on include power. Sharp Tv Power Supply Problem.
From www.circuitdiagram.co
Sharp Tv Power Supply Circuit Diagram Circuit Diagram Sharp Tv Power Supply Problem common reasons a sharp tv won't turn on include power supply issues, such as a disconnected power cord or a faulty outlet. if your tv turns on and off at random times, here’s how to check where the problem lies. One of the most common reasons why a sharp tv won’t turn on is a power supply issue.. Sharp Tv Power Supply Problem.
From www.youtube.com
Sharp LC46 LC52 RDENCA235WJQZ Power Supply Unit (PSU) Boards Sharp Tv Power Supply Problem power supply issue. First, check whether the power light blinks. if your tv turns on and off at random times, here’s how to check where the problem lies. This can occur if there is a problem with the power cord or the power outlet itself. The first thing to look at is the remote control. It’s important to. Sharp Tv Power Supply Problem.
From wiremystique.com
Designing Sharp TV Power Supply Circuit Diagram WireMystique Sharp Tv Power Supply Problem power supply issue. First, check whether the power light blinks. One of the most common reasons why a sharp tv won’t turn on is a power supply issue. if your tv turns on and off at random times, here’s how to check where the problem lies. There might be a defective power button that causes the problem. . Sharp Tv Power Supply Problem.
From masterelectronicsrepair.blogspot.com
Master Electronics Repair ! SHARP LC26SB14U LCD TV POWER SUPPLY Sharp Tv Power Supply Problem This can occur if there is a problem with the power cord or the power outlet itself. The first thing to look at is the remote control. One of the most common reasons why a sharp tv won’t turn on is a power supply issue. trying to manually turn on the power supply board by shorting the standby power. Sharp Tv Power Supply Problem.
From wiremystique.com
Designing Sharp TV Power Supply Circuit Diagram WireMystique Sharp Tv Power Supply Problem if your tv turns on and off at random times, here’s how to check where the problem lies. It’s important to check if the power outlet is working correctly and if the power cord is securely connected to both the tv and the outlet. If it does, unplug the tv from the wall outlet, wait for a few seconds,. Sharp Tv Power Supply Problem.
From www.youtube.com
Installation Power Supply Sharp Full HD 45" TV Home Service YouTube Sharp Tv Power Supply Problem if your tv turns on and off at random times, here’s how to check where the problem lies. One of the most common reasons why a sharp tv won’t turn on is a power supply issue. There might be a defective power button that causes the problem. This can occur if there is a problem with the power cord. Sharp Tv Power Supply Problem.
From www.youtube.com
Sharp LC32 1 Blink TV Repair How to Troubleshoot Problem Between Bad Sharp Tv Power Supply Problem common reasons a sharp tv won't turn on include power supply issues, such as a disconnected power cord or a faulty outlet. trying to manually turn on the power supply board by shorting the standby power and trigger pin results in no power. It’s important to check if the power outlet is working correctly and if the power. Sharp Tv Power Supply Problem.
From www.usefulparts.com
Sharp Power Supply PLTVHQ321XAF3 [7862b5a2c17c086] Sharp Tv Power Supply Problem The first thing to look at is the remote control. First, check whether the power light blinks. trying to manually turn on the power supply board by shorting the standby power and trigger pin results in no power. you can fix a sharp tv that does not turn on or off in different ways. If it does, unplug. Sharp Tv Power Supply Problem.
From elektrotanya.com
SHARP LC26D4U LC32D4U LC37D4U LC32AX3H LC37AX3H LCD TV POWER Sharp Tv Power Supply Problem One of the most common reasons why a sharp tv won’t turn on is a power supply issue. you can fix a sharp tv that does not turn on or off in different ways. First, check whether the power light blinks. There might be a defective power button that causes the problem. common reasons a sharp tv won't. Sharp Tv Power Supply Problem.
From electro-medical.blogspot.com
SHARP LC40SH340 Service mode troubleshooting Power supply circuit Sharp Tv Power Supply Problem common reasons a sharp tv won't turn on include power supply issues, such as a disconnected power cord or a faulty outlet. you can fix a sharp tv that does not turn on or off in different ways. If it does, unplug the tv from the wall outlet, wait for a few seconds, and then plug it back. Sharp Tv Power Supply Problem.
From www.coppelltvrepair.com
Repair service for DELTA DPS286AP / RDENCA336WJQZ power supply for Sharp Tv Power Supply Problem trying to manually turn on the power supply board by shorting the standby power and trigger pin results in no power. you can fix a sharp tv that does not turn on or off in different ways. If it does, unplug the tv from the wall outlet, wait for a few seconds, and then plug it back in. Sharp Tv Power Supply Problem.
From www.youtube.com
How to Use SHARP Smart TV Power Button Function Settings YouTube Sharp Tv Power Supply Problem There might be a defective power button that causes the problem. It’s important to check if the power outlet is working correctly and if the power cord is securely connected to both the tv and the outlet. trying to manually turn on the power supply board by shorting the standby power and trigger pin results in no power. One. Sharp Tv Power Supply Problem.
From www.goofstupid.com
TV SHARP LC50LE440M BACKLIGH AND POWER SUPPLY PROBLEM SOLVED Sharp Tv Power Supply Problem There might be a defective power button that causes the problem. First, check whether the power light blinks. power supply issue. It’s important to check if the power outlet is working correctly and if the power cord is securely connected to both the tv and the outlet. One of the most common reasons why a sharp tv won’t turn. Sharp Tv Power Supply Problem.
From www.youtube.com
LED TV INTERMITTENT PICTURE SHARP POWER SUPPLY PROBLEM YouTube Sharp Tv Power Supply Problem It’s important to check if the power outlet is working correctly and if the power cord is securely connected to both the tv and the outlet. One of the most common reasons why a sharp tv won’t turn on is a power supply issue. you can fix a sharp tv that does not turn on or off in different. Sharp Tv Power Supply Problem.
From www.coppelltvrepair.com
Repair service for Sharp LC80LE642U, Sharp LC90LE657U, Sharp LC Sharp Tv Power Supply Problem It’s important to check if the power outlet is working correctly and if the power cord is securely connected to both the tv and the outlet. if your tv turns on and off at random times, here’s how to check where the problem lies. This can occur if there is a problem with the power cord or the power. Sharp Tv Power Supply Problem.
From neyod-repair.blogspot.com
power supply of sharp tv repaired Sharp Tv Power Supply Problem The first thing to look at is the remote control. if your tv turns on and off at random times, here’s how to check where the problem lies. It’s important to check if the power outlet is working correctly and if the power cord is securely connected to both the tv and the outlet. This can occur if there. Sharp Tv Power Supply Problem.
From circuitdblaoghaire.z19.web.core.windows.net
Sharp Lcd Tv Schematic Diagram Sharp Tv Power Supply Problem power supply issue. If it does, unplug the tv from the wall outlet, wait for a few seconds, and then plug it back in to see if it fixes the issue. First, check whether the power light blinks. if your tv turns on and off at random times, here’s how to check where the problem lies. It’s important. Sharp Tv Power Supply Problem.
From www.youtube.com
Sharp TV Repair How to Replace RUNTKA448WJQZ Power Supply/Backlight Sharp Tv Power Supply Problem trying to manually turn on the power supply board by shorting the standby power and trigger pin results in no power. This can occur if there is a problem with the power cord or the power outlet itself. if your tv turns on and off at random times, here’s how to check where the problem lies. you. Sharp Tv Power Supply Problem.
From www.tvpartshome.com
Sharp LC26SV490U Power Supply Board 9JY796531400501R TV Parts Home Sharp Tv Power Supply Problem There might be a defective power button that causes the problem. if your tv turns on and off at random times, here’s how to check where the problem lies. The first thing to look at is the remote control. If it does, unplug the tv from the wall outlet, wait for a few seconds, and then plug it back. Sharp Tv Power Supply Problem.
From www.youtube.com
LCD TV REPAIR TV WILL NOT TURN ON Sharp TV Power Supply Board Sharp Tv Power Supply Problem if your tv turns on and off at random times, here’s how to check where the problem lies. One of the most common reasons why a sharp tv won’t turn on is a power supply issue. power supply issue. If it does, unplug the tv from the wall outlet, wait for a few seconds, and then plug it. Sharp Tv Power Supply Problem.
From neyod-repair.blogspot.com
How I use board comparison to repair dead power supply of a sharp tv Sharp Tv Power Supply Problem you can fix a sharp tv that does not turn on or off in different ways. trying to manually turn on the power supply board by shorting the standby power and trigger pin results in no power. power supply issue. common reasons a sharp tv won't turn on include power supply issues, such as a disconnected. Sharp Tv Power Supply Problem.
From electronicshelponline.blogspot.com
Electro help SHARP LCD TV TROUBLESHOOTING Sharp Tv Power Supply Problem trying to manually turn on the power supply board by shorting the standby power and trigger pin results in no power. you can fix a sharp tv that does not turn on or off in different ways. power supply issue. One of the most common reasons why a sharp tv won’t turn on is a power supply. Sharp Tv Power Supply Problem.
From wiremystique.com
Designing Sharp TV Power Supply Circuit Diagram WireMystique Sharp Tv Power Supply Problem you can fix a sharp tv that does not turn on or off in different ways. power supply issue. One of the most common reasons why a sharp tv won’t turn on is a power supply issue. First, check whether the power light blinks. common reasons a sharp tv won't turn on include power supply issues, such. Sharp Tv Power Supply Problem.
From electronicshelponline.blogspot.com
Electro help Sharp LC26SB14U LCD TV power supply regulator board Sharp Tv Power Supply Problem There might be a defective power button that causes the problem. common reasons a sharp tv won't turn on include power supply issues, such as a disconnected power cord or a faulty outlet. you can fix a sharp tv that does not turn on or off in different ways. power supply issue. This can occur if there. Sharp Tv Power Supply Problem.
From www.youtube.com
SHARP 32" LED TV NO POWER , POWER SUPPLY PROBLEM , YouTube Sharp Tv Power Supply Problem If it does, unplug the tv from the wall outlet, wait for a few seconds, and then plug it back in to see if it fixes the issue. trying to manually turn on the power supply board by shorting the standby power and trigger pin results in no power. One of the most common reasons why a sharp tv. Sharp Tv Power Supply Problem.
From www.coppelltvrepair.com
Sharp Aquos LCC3242U power supply repair service for dead, not Sharp Tv Power Supply Problem common reasons a sharp tv won't turn on include power supply issues, such as a disconnected power cord or a faulty outlet. One of the most common reasons why a sharp tv won’t turn on is a power supply issue. First, check whether the power light blinks. trying to manually turn on the power supply board by shorting. Sharp Tv Power Supply Problem.
From enginemanualerik.z19.web.core.windows.net
Sharp Tv Power Supply Circuit Diagram Sharp Tv Power Supply Problem trying to manually turn on the power supply board by shorting the standby power and trigger pin results in no power. If it does, unplug the tv from the wall outlet, wait for a few seconds, and then plug it back in to see if it fixes the issue. This can occur if there is a problem with the. Sharp Tv Power Supply Problem.
From www.tvpartshome.com
Sharp LC32LB481U Power Supply Board PLTVFL253XXA2 TV Parts Home Sharp Tv Power Supply Problem you can fix a sharp tv that does not turn on or off in different ways. The first thing to look at is the remote control. If it does, unplug the tv from the wall outlet, wait for a few seconds, and then plug it back in to see if it fixes the issue. power supply issue. One. Sharp Tv Power Supply Problem.
From jestineyong.com
Sharp LCD TV No Power Electronics Repair And Technology News Sharp Tv Power Supply Problem you can fix a sharp tv that does not turn on or off in different ways. power supply issue. if your tv turns on and off at random times, here’s how to check where the problem lies. trying to manually turn on the power supply board by shorting the standby power and trigger pin results in. Sharp Tv Power Supply Problem.
From enginemanualerik.z19.web.core.windows.net
Sharp Tv Power Supply Circuit Diagram Sharp Tv Power Supply Problem This can occur if there is a problem with the power cord or the power outlet itself. power supply issue. trying to manually turn on the power supply board by shorting the standby power and trigger pin results in no power. There might be a defective power button that causes the problem. It’s important to check if the. Sharp Tv Power Supply Problem.
From www.youtube.com
How to replace the power supply board DPS299AP1A on your sharp 80 Sharp Tv Power Supply Problem If it does, unplug the tv from the wall outlet, wait for a few seconds, and then plug it back in to see if it fixes the issue. power supply issue. you can fix a sharp tv that does not turn on or off in different ways. This can occur if there is a problem with the power. Sharp Tv Power Supply Problem.
From www.tvpartshome.com
Sharp LC40LE550U Power Supply Board 9JY0940CTJ05000 , (FTPL009) TV Sharp Tv Power Supply Problem It’s important to check if the power outlet is working correctly and if the power cord is securely connected to both the tv and the outlet. This can occur if there is a problem with the power cord or the power outlet itself. The first thing to look at is the remote control. if your tv turns on and. Sharp Tv Power Supply Problem.