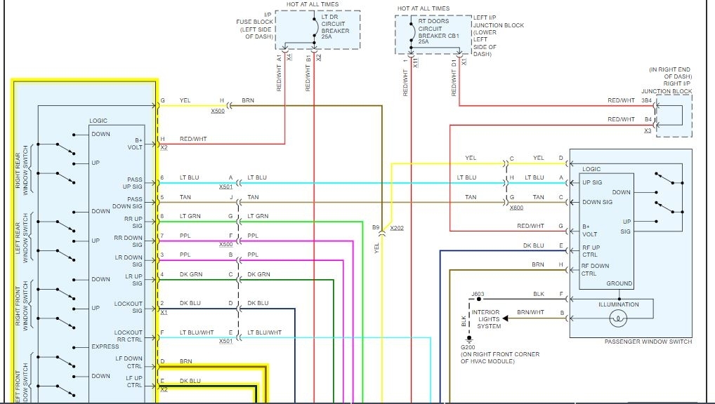
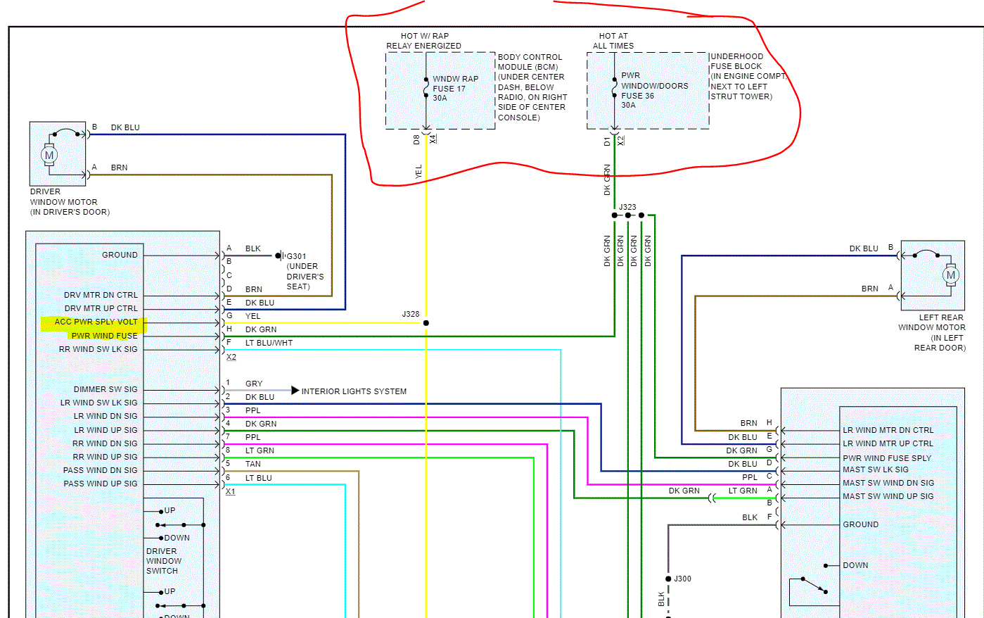
Automatic Window Not Rolling Up . The problem is that when you push the botton for the window to go all the way up or down, that doesn't work. It's a long shot, but it might work. Regardless of the root cause behind your malfunctioning window, this guide will tell you how to fix it when it won’t roll up, and dive into the various methods for getting. On some cars, you’ll need to turn the key backward to turn the electrical components on. Turn the key in the ignition to the “run” position. If the affected window goes down but not up, a bad window switch is probably the culprit, but if the window can't go up or down at all, the problem points to a faulty motor. My window went down, but not up. Turn the key but don’t start the car to turn your vehicle’s electrical components on. If you hold the button. A guy came along and said it' happened to him in a different make of car.
from www.glidemasterindia.com
Regardless of the root cause behind your malfunctioning window, this guide will tell you how to fix it when it won’t roll up, and dive into the various methods for getting. If you hold the button. The problem is that when you push the botton for the window to go all the way up or down, that doesn't work. If the affected window goes down but not up, a bad window switch is probably the culprit, but if the window can't go up or down at all, the problem points to a faulty motor. It's a long shot, but it might work. Turn the key in the ignition to the “run” position. My window went down, but not up. Turn the key but don’t start the car to turn your vehicle’s electrical components on. A guy came along and said it' happened to him in a different make of car. On some cars, you’ll need to turn the key backward to turn the electrical components on.
Which Automatic Roller Shutter Is Right For Your Shop Front Glidemaster
Automatic Window Not Rolling Up It's a long shot, but it might work. A guy came along and said it' happened to him in a different make of car. Turn the key but don’t start the car to turn your vehicle’s electrical components on. Turn the key in the ignition to the “run” position. If the affected window goes down but not up, a bad window switch is probably the culprit, but if the window can't go up or down at all, the problem points to a faulty motor. On some cars, you’ll need to turn the key backward to turn the electrical components on. My window went down, but not up. The problem is that when you push the botton for the window to go all the way up or down, that doesn't work. If you hold the button. It's a long shot, but it might work. Regardless of the root cause behind your malfunctioning window, this guide will tell you how to fix it when it won’t roll up, and dive into the various methods for getting.
From www.collisionblast.com
Why Won’t My Window Roll Up or Down? Driver door side glass is the most Automatic Window Not Rolling Up If you hold the button. Turn the key but don’t start the car to turn your vehicle’s electrical components on. The problem is that when you push the botton for the window to go all the way up or down, that doesn't work. Turn the key in the ignition to the “run” position. On some cars, you’ll need to turn. Automatic Window Not Rolling Up.
From hxeovmxup.blob.core.windows.net
Auto Window Wont Roll Up at Deborah Tompkins blog Automatic Window Not Rolling Up Turn the key but don’t start the car to turn your vehicle’s electrical components on. On some cars, you’ll need to turn the key backward to turn the electrical components on. It's a long shot, but it might work. Turn the key in the ignition to the “run” position. If the affected window goes down but not up, a bad. Automatic Window Not Rolling Up.
From www.reddit.com
Passenger rear window not rolling up. (Fixed) r/BroncoSport Automatic Window Not Rolling Up Regardless of the root cause behind your malfunctioning window, this guide will tell you how to fix it when it won’t roll up, and dive into the various methods for getting. My window went down, but not up. Turn the key in the ignition to the “run” position. On some cars, you’ll need to turn the key backward to turn. Automatic Window Not Rolling Up.
From www.reddit.com
2009 Ford Ranger passenger window stuck half way down. The driver side Automatic Window Not Rolling Up On some cars, you’ll need to turn the key backward to turn the electrical components on. It's a long shot, but it might work. Turn the key in the ignition to the “run” position. If the affected window goes down but not up, a bad window switch is probably the culprit, but if the window can't go up or down. Automatic Window Not Rolling Up.
From www.youtube.com
Car window won't roll up? This is the BEST way to temporarily fix a Automatic Window Not Rolling Up It's a long shot, but it might work. A guy came along and said it' happened to him in a different make of car. If the affected window goes down but not up, a bad window switch is probably the culprit, but if the window can't go up or down at all, the problem points to a faulty motor. My. Automatic Window Not Rolling Up.
From www.carcomplaints.com
2004 Ford F150 Window Does Not Roll Up 614 Complaints Page 13 Automatic Window Not Rolling Up If the affected window goes down but not up, a bad window switch is probably the culprit, but if the window can't go up or down at all, the problem points to a faulty motor. It's a long shot, but it might work. A guy came along and said it' happened to him in a different make of car. Turn. Automatic Window Not Rolling Up.
From www.justanswer.com
The windows will not roll up or down anymore. Automatic Window Not Rolling Up Turn the key in the ignition to the “run” position. On some cars, you’ll need to turn the key backward to turn the electrical components on. If you hold the button. If the affected window goes down but not up, a bad window switch is probably the culprit, but if the window can't go up or down at all, the. Automatic Window Not Rolling Up.
From www.youtube.com
How to FIX Dodge Ram window not rolling up YouTube Automatic Window Not Rolling Up If you hold the button. On some cars, you’ll need to turn the key backward to turn the electrical components on. A guy came along and said it' happened to him in a different make of car. If the affected window goes down but not up, a bad window switch is probably the culprit, but if the window can't go. Automatic Window Not Rolling Up.
From www.pinterest.com
Need Auto Glass Replacement? Got auto glass repair shop Window not Automatic Window Not Rolling Up Turn the key but don’t start the car to turn your vehicle’s electrical components on. If the affected window goes down but not up, a bad window switch is probably the culprit, but if the window can't go up or down at all, the problem points to a faulty motor. A guy came along and said it' happened to him. Automatic Window Not Rolling Up.
From giopuizco.blob.core.windows.net
Electric Window Not Rolling Up at Lynne Feagin blog Automatic Window Not Rolling Up Turn the key in the ignition to the “run” position. If you hold the button. A guy came along and said it' happened to him in a different make of car. If the affected window goes down but not up, a bad window switch is probably the culprit, but if the window can't go up or down at all, the. Automatic Window Not Rolling Up.
From www.carcomplaints.com
2004 Ford F150 Window Does Not Roll Up 614 Complaints Page 13 Automatic Window Not Rolling Up Regardless of the root cause behind your malfunctioning window, this guide will tell you how to fix it when it won’t roll up, and dive into the various methods for getting. My window went down, but not up. It's a long shot, but it might work. Turn the key but don’t start the car to turn your vehicle’s electrical components. Automatic Window Not Rolling Up.
From www.youtube.com
Why Won't My Window Roll Up? Most Common Problem and What to Do About Automatic Window Not Rolling Up If the affected window goes down but not up, a bad window switch is probably the culprit, but if the window can't go up or down at all, the problem points to a faulty motor. Turn the key but don’t start the car to turn your vehicle’s electrical components on. Turn the key in the ignition to the “run” position.. Automatic Window Not Rolling Up.
From mbworld.org
window not rolling up or down or staying up Forums Automatic Window Not Rolling Up If you hold the button. My window went down, but not up. Turn the key but don’t start the car to turn your vehicle’s electrical components on. If the affected window goes down but not up, a bad window switch is probably the culprit, but if the window can't go up or down at all, the problem points to a. Automatic Window Not Rolling Up.
From www.youtube.com
HOW TO TEST WINDOW MOTOR ON CAR WINDOW DOES NOT WORK, WINDOW NOT GOING Automatic Window Not Rolling Up If the affected window goes down but not up, a bad window switch is probably the culprit, but if the window can't go up or down at all, the problem points to a faulty motor. Regardless of the root cause behind your malfunctioning window, this guide will tell you how to fix it when it won’t roll up, and dive. Automatic Window Not Rolling Up.
From garagemeithachbvl.z21.web.core.windows.net
Car Window Not Rolling Up Or Down Automatic Window Not Rolling Up Turn the key in the ignition to the “run” position. Regardless of the root cause behind your malfunctioning window, this guide will tell you how to fix it when it won’t roll up, and dive into the various methods for getting. Turn the key but don’t start the car to turn your vehicle’s electrical components on. The problem is that. Automatic Window Not Rolling Up.
From www.youtube.com
Window won’t go up ?How to manually roll up stuck window in car. YouTube Automatic Window Not Rolling Up If the affected window goes down but not up, a bad window switch is probably the culprit, but if the window can't go up or down at all, the problem points to a faulty motor. Turn the key in the ignition to the “run” position. Turn the key but don’t start the car to turn your vehicle’s electrical components on.. Automatic Window Not Rolling Up.
From garagefixintimity.z21.web.core.windows.net
Reset Automatic Window Honda Pilot Automatic Window Not Rolling Up It's a long shot, but it might work. Turn the key in the ignition to the “run” position. If you hold the button. A guy came along and said it' happened to him in a different make of car. My window went down, but not up. If the affected window goes down but not up, a bad window switch is. Automatic Window Not Rolling Up.
From www.reddit.com
2018 Subaru Forester driver window not rolling up fully and sometimes Automatic Window Not Rolling Up If the affected window goes down but not up, a bad window switch is probably the culprit, but if the window can't go up or down at all, the problem points to a faulty motor. A guy came along and said it' happened to him in a different make of car. The problem is that when you push the botton. Automatic Window Not Rolling Up.
From blog.1aauto.com
Car Window Won't Go Up? Fix a Window That Won't Roll Up 1A Auto Automatic Window Not Rolling Up Turn the key but don’t start the car to turn your vehicle’s electrical components on. It's a long shot, but it might work. If you hold the button. A guy came along and said it' happened to him in a different make of car. Regardless of the root cause behind your malfunctioning window, this guide will tell you how to. Automatic Window Not Rolling Up.
From www.youtube.com
How to roll the windows up and down without a key on a Volkswagen YouTube Automatic Window Not Rolling Up Regardless of the root cause behind your malfunctioning window, this guide will tell you how to fix it when it won’t roll up, and dive into the various methods for getting. My window went down, but not up. It's a long shot, but it might work. A guy came along and said it' happened to him in a different make. Automatic Window Not Rolling Up.
From www.tacomaworld.com
window not rolling back up?! World Automatic Window Not Rolling Up If you hold the button. If the affected window goes down but not up, a bad window switch is probably the culprit, but if the window can't go up or down at all, the problem points to a faulty motor. Turn the key but don’t start the car to turn your vehicle’s electrical components on. Turn the key in the. Automatic Window Not Rolling Up.
From giopuizco.blob.core.windows.net
Electric Window Not Rolling Up at Lynne Feagin blog Automatic Window Not Rolling Up On some cars, you’ll need to turn the key backward to turn the electrical components on. Regardless of the root cause behind your malfunctioning window, this guide will tell you how to fix it when it won’t roll up, and dive into the various methods for getting. A guy came along and said it' happened to him in a different. Automatic Window Not Rolling Up.
From www.youtube.com
How to push up a stuck automatic window that only goes down, replace Automatic Window Not Rolling Up The problem is that when you push the botton for the window to go all the way up or down, that doesn't work. If the affected window goes down but not up, a bad window switch is probably the culprit, but if the window can't go up or down at all, the problem points to a faulty motor. A guy. Automatic Window Not Rolling Up.
From www.2carpros.com
Auto Windows Do Not Roll Up and Down Automatic Window Not Rolling Up Regardless of the root cause behind your malfunctioning window, this guide will tell you how to fix it when it won’t roll up, and dive into the various methods for getting. If the affected window goes down but not up, a bad window switch is probably the culprit, but if the window can't go up or down at all, the. Automatic Window Not Rolling Up.
From repairenginestgeorge123.z5.web.core.windows.net
Toyota Camry Window Won't Roll Up Automatic Window Not Rolling Up Turn the key but don’t start the car to turn your vehicle’s electrical components on. If you hold the button. If the affected window goes down but not up, a bad window switch is probably the culprit, but if the window can't go up or down at all, the problem points to a faulty motor. A guy came along and. Automatic Window Not Rolling Up.
From www.reddit.com
Passenger rear window not rolling up. (Fixed) r/BroncoSport Automatic Window Not Rolling Up It's a long shot, but it might work. Turn the key but don’t start the car to turn your vehicle’s electrical components on. A guy came along and said it' happened to him in a different make of car. The problem is that when you push the botton for the window to go all the way up or down, that. Automatic Window Not Rolling Up.
From www.bimmerfest.com
Auto Window not rolling up! BimmerFest BMW Forum Automatic Window Not Rolling Up If the affected window goes down but not up, a bad window switch is probably the culprit, but if the window can't go up or down at all, the problem points to a faulty motor. Turn the key in the ignition to the “run” position. My window went down, but not up. If you hold the button. A guy came. Automatic Window Not Rolling Up.
From giopuizco.blob.core.windows.net
Electric Window Not Rolling Up at Lynne Feagin blog Automatic Window Not Rolling Up A guy came along and said it' happened to him in a different make of car. Turn the key in the ignition to the “run” position. It's a long shot, but it might work. Turn the key but don’t start the car to turn your vehicle’s electrical components on. My window went down, but not up. If you hold the. Automatic Window Not Rolling Up.
From www.glidemasterindia.com
Which Automatic Roller Shutter Is Right For Your Shop Front Glidemaster Automatic Window Not Rolling Up Regardless of the root cause behind your malfunctioning window, this guide will tell you how to fix it when it won’t roll up, and dive into the various methods for getting. It's a long shot, but it might work. If you hold the button. The problem is that when you push the botton for the window to go all the. Automatic Window Not Rolling Up.
From csyemage.en.made-in-china.com
Motorized Roller Rolling Roll up Window Shutters with Smart Home Remote Automatic Window Not Rolling Up Turn the key but don’t start the car to turn your vehicle’s electrical components on. If you hold the button. If the affected window goes down but not up, a bad window switch is probably the culprit, but if the window can't go up or down at all, the problem points to a faulty motor. My window went down, but. Automatic Window Not Rolling Up.
From blog.1aauto.com
Car Window Won't Go Up? Test the Window Motor & Switch 1A Auto Automatic Window Not Rolling Up Regardless of the root cause behind your malfunctioning window, this guide will tell you how to fix it when it won’t roll up, and dive into the various methods for getting. If the affected window goes down but not up, a bad window switch is probably the culprit, but if the window can't go up or down at all, the. Automatic Window Not Rolling Up.
From sacrifice4life.blogspot.com
Power Window Wont Go Up Quick Fix Automatic Window Not Rolling Up Regardless of the root cause behind your malfunctioning window, this guide will tell you how to fix it when it won’t roll up, and dive into the various methods for getting. My window went down, but not up. It's a long shot, but it might work. If the affected window goes down but not up, a bad window switch is. Automatic Window Not Rolling Up.
From www.englishblinds.co.uk
How To Fix Cordless Or SpringTensioned Roller Blind Problems English Automatic Window Not Rolling Up The problem is that when you push the botton for the window to go all the way up or down, that doesn't work. A guy came along and said it' happened to him in a different make of car. Turn the key in the ignition to the “run” position. Turn the key but don’t start the car to turn your. Automatic Window Not Rolling Up.
From www.2carpros.com
Front Passenger Side Power Window Not Rolling Up Using the Driver Automatic Window Not Rolling Up It's a long shot, but it might work. On some cars, you’ll need to turn the key backward to turn the electrical components on. Turn the key but don’t start the car to turn your vehicle’s electrical components on. Regardless of the root cause behind your malfunctioning window, this guide will tell you how to fix it when it won’t. Automatic Window Not Rolling Up.
From drivingandstyle.com
How to Fix Car Window That Won't Go Up Step By Step Solution Driving Automatic Window Not Rolling Up It's a long shot, but it might work. Turn the key but don’t start the car to turn your vehicle’s electrical components on. On some cars, you’ll need to turn the key backward to turn the electrical components on. A guy came along and said it' happened to him in a different make of car. Regardless of the root cause. Automatic Window Not Rolling Up.