Location Where Is The Ac Expansion Valve Located . If that doesn't give you enough movement to connect. There is one nut the three bolts holding this in place. Have the refrigerant discharged at a dealer service department or an automotive air conditioning repair facility. The ev is located underneath the dash and the glove box must be removed to gain access. The nut is on the firewall, one bolt is near that directly above a cooling line. The thermal expansion valve in your vehicle, essential for regulating refrigerant flow and maintaining peak cooling performance, is typically located near the evaporator in the ac. Go into the engine bay and loosen the zip tie that holds the larger ac line in place down under the brake booster area. An expansion valve is simply a refrigerant metering device to control the rate of flow of refrigerant into the evaporator located in your.
from loezmzggq.blob.core.windows.net
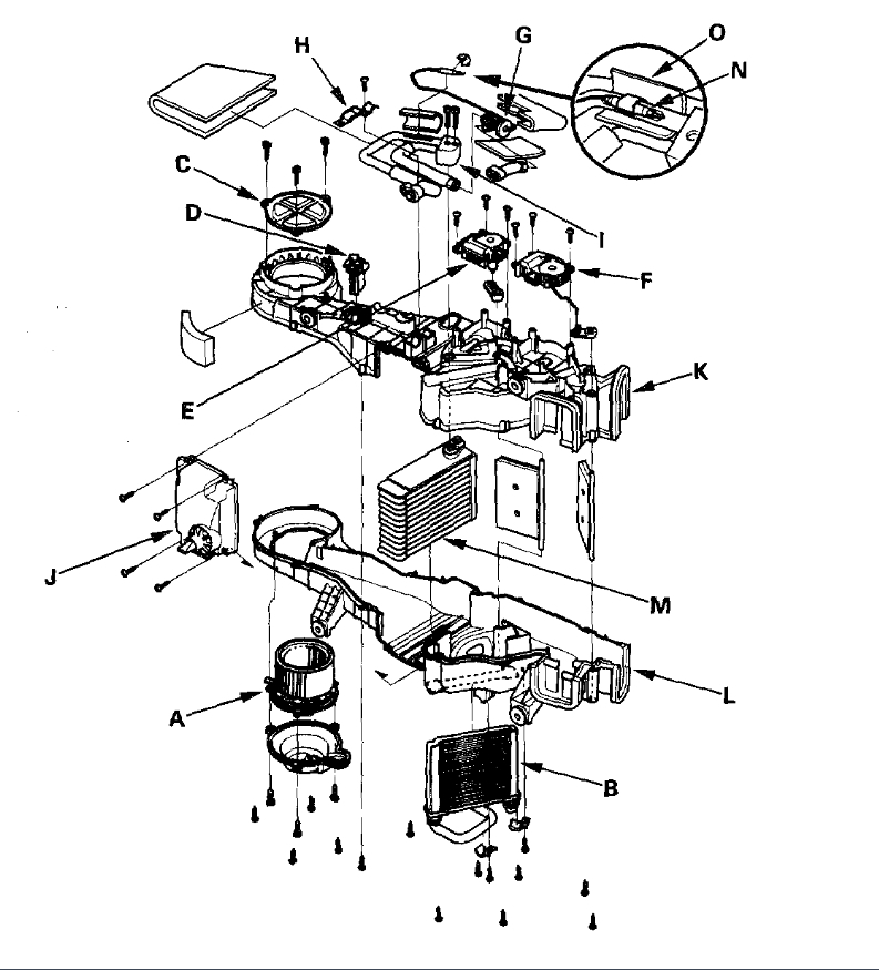
An expansion valve is simply a refrigerant metering device to control the rate of flow of refrigerant into the evaporator located in your. The ev is located underneath the dash and the glove box must be removed to gain access. The nut is on the firewall, one bolt is near that directly above a cooling line. The thermal expansion valve in your vehicle, essential for regulating refrigerant flow and maintaining peak cooling performance, is typically located near the evaporator in the ac. There is one nut the three bolts holding this in place. Go into the engine bay and loosen the zip tie that holds the larger ac line in place down under the brake booster area. Have the refrigerant discharged at a dealer service department or an automotive air conditioning repair facility. If that doesn't give you enough movement to connect.
How Ac Expansion Valve Works at James Myers blog
Location Where Is The Ac Expansion Valve Located The ev is located underneath the dash and the glove box must be removed to gain access. The ev is located underneath the dash and the glove box must be removed to gain access. Go into the engine bay and loosen the zip tie that holds the larger ac line in place down under the brake booster area. The nut is on the firewall, one bolt is near that directly above a cooling line. Have the refrigerant discharged at a dealer service department or an automotive air conditioning repair facility. The thermal expansion valve in your vehicle, essential for regulating refrigerant flow and maintaining peak cooling performance, is typically located near the evaporator in the ac. An expansion valve is simply a refrigerant metering device to control the rate of flow of refrigerant into the evaporator located in your. If that doesn't give you enough movement to connect. There is one nut the three bolts holding this in place.
From www.justanswer.com
Just looking to locate the expansion valve for the AC on my 2004 ford Location Where Is The Ac Expansion Valve Located An expansion valve is simply a refrigerant metering device to control the rate of flow of refrigerant into the evaporator located in your. The ev is located underneath the dash and the glove box must be removed to gain access. Go into the engine bay and loosen the zip tie that holds the larger ac line in place down under. Location Where Is The Ac Expansion Valve Located.
From www.justanswer.com
My 2003 Corolla AC expansion valve location? There is the rectangular Location Where Is The Ac Expansion Valve Located The ev is located underneath the dash and the glove box must be removed to gain access. If that doesn't give you enough movement to connect. Go into the engine bay and loosen the zip tie that holds the larger ac line in place down under the brake booster area. An expansion valve is simply a refrigerant metering device to. Location Where Is The Ac Expansion Valve Located.
From www.youtube.com
Expansion valve replace and adjust YouTube Location Where Is The Ac Expansion Valve Located There is one nut the three bolts holding this in place. The thermal expansion valve in your vehicle, essential for regulating refrigerant flow and maintaining peak cooling performance, is typically located near the evaporator in the ac. Have the refrigerant discharged at a dealer service department or an automotive air conditioning repair facility. Go into the engine bay and loosen. Location Where Is The Ac Expansion Valve Located.
From www.fixya.com
SOLVED Where is the expansion valve located on a 1994 1994 Jeep Location Where Is The Ac Expansion Valve Located An expansion valve is simply a refrigerant metering device to control the rate of flow of refrigerant into the evaporator located in your. The nut is on the firewall, one bolt is near that directly above a cooling line. There is one nut the three bolts holding this in place. The ev is located underneath the dash and the glove. Location Where Is The Ac Expansion Valve Located.
From www.justanswer.com
Where is the ac expansion valve located in a 2005 s Type? The AC Location Where Is The Ac Expansion Valve Located If that doesn't give you enough movement to connect. Go into the engine bay and loosen the zip tie that holds the larger ac line in place down under the brake booster area. An expansion valve is simply a refrigerant metering device to control the rate of flow of refrigerant into the evaporator located in your. Have the refrigerant discharged. Location Where Is The Ac Expansion Valve Located.
From electricalworkbook.com
What is Automatic Expansion Valve? Working, Construction & Applications Location Where Is The Ac Expansion Valve Located The ev is located underneath the dash and the glove box must be removed to gain access. Have the refrigerant discharged at a dealer service department or an automotive air conditioning repair facility. An expansion valve is simply a refrigerant metering device to control the rate of flow of refrigerant into the evaporator located in your. If that doesn't give. Location Where Is The Ac Expansion Valve Located.
From machineasaderobz3.z14.web.core.windows.net
Ac Expansion Valve Operation Location Where Is The Ac Expansion Valve Located Have the refrigerant discharged at a dealer service department or an automotive air conditioning repair facility. The ev is located underneath the dash and the glove box must be removed to gain access. Go into the engine bay and loosen the zip tie that holds the larger ac line in place down under the brake booster area. An expansion valve. Location Where Is The Ac Expansion Valve Located.
From www.2carpros.com
Where Is the A/C Expansion Valve Located? Location Where Is The Ac Expansion Valve Located The ev is located underneath the dash and the glove box must be removed to gain access. The nut is on the firewall, one bolt is near that directly above a cooling line. The thermal expansion valve in your vehicle, essential for regulating refrigerant flow and maintaining peak cooling performance, is typically located near the evaporator in the ac. There. Location Where Is The Ac Expansion Valve Located.
From www.buyautoparts.com
Drier Expansion Device System Layout Location Where Is The Ac Expansion Valve Located The thermal expansion valve in your vehicle, essential for regulating refrigerant flow and maintaining peak cooling performance, is typically located near the evaporator in the ac. An expansion valve is simply a refrigerant metering device to control the rate of flow of refrigerant into the evaporator located in your. There is one nut the three bolts holding this in place.. Location Where Is The Ac Expansion Valve Located.
From www.2carpros.com
Where Is the A/C Expansion Valve Located? Location Where Is The Ac Expansion Valve Located An expansion valve is simply a refrigerant metering device to control the rate of flow of refrigerant into the evaporator located in your. There is one nut the three bolts holding this in place. Go into the engine bay and loosen the zip tie that holds the larger ac line in place down under the brake booster area. The nut. Location Where Is The Ac Expansion Valve Located.
From www.2carpros.com
1995 Toyota Camry A/c Expansion Valve Where Is the Expansion Vale... Location Where Is The Ac Expansion Valve Located Have the refrigerant discharged at a dealer service department or an automotive air conditioning repair facility. An expansion valve is simply a refrigerant metering device to control the rate of flow of refrigerant into the evaporator located in your. If that doesn't give you enough movement to connect. Go into the engine bay and loosen the zip tie that holds. Location Where Is The Ac Expansion Valve Located.
From exolulrab.blob.core.windows.net
Where Is Expansion Valve Location In Split Ac at Clinton Figueroa blog Location Where Is The Ac Expansion Valve Located There is one nut the three bolts holding this in place. The ev is located underneath the dash and the glove box must be removed to gain access. If that doesn't give you enough movement to connect. Go into the engine bay and loosen the zip tie that holds the larger ac line in place down under the brake booster. Location Where Is The Ac Expansion Valve Located.
From www.2carpros.com
Location of Rear A/C Expansion Valve Location Where Is The Ac Expansion Valve Located The nut is on the firewall, one bolt is near that directly above a cooling line. An expansion valve is simply a refrigerant metering device to control the rate of flow of refrigerant into the evaporator located in your. Have the refrigerant discharged at a dealer service department or an automotive air conditioning repair facility. There is one nut the. Location Where Is The Ac Expansion Valve Located.
From www.mepskills.com
How Expansion Valve Works In Air conditioning? And Its Types....? Location Where Is The Ac Expansion Valve Located The ev is located underneath the dash and the glove box must be removed to gain access. The thermal expansion valve in your vehicle, essential for regulating refrigerant flow and maintaining peak cooling performance, is typically located near the evaporator in the ac. If that doesn't give you enough movement to connect. An expansion valve is simply a refrigerant metering. Location Where Is The Ac Expansion Valve Located.
From ricksfreeautorepairadvice.com
How AC expansion valve system works — Ricks Free Auto Repair Advice Location Where Is The Ac Expansion Valve Located If that doesn't give you enough movement to connect. The nut is on the firewall, one bolt is near that directly above a cooling line. The thermal expansion valve in your vehicle, essential for regulating refrigerant flow and maintaining peak cooling performance, is typically located near the evaporator in the ac. Have the refrigerant discharged at a dealer service department. Location Where Is The Ac Expansion Valve Located.
From www.civicforums.com
AC Expansion valve location Honda Civic Forum Location Where Is The Ac Expansion Valve Located Have the refrigerant discharged at a dealer service department or an automotive air conditioning repair facility. The nut is on the firewall, one bolt is near that directly above a cooling line. Go into the engine bay and loosen the zip tie that holds the larger ac line in place down under the brake booster area. The thermal expansion valve. Location Where Is The Ac Expansion Valve Located.
From ricksfreeautorepairadvice.com
How expansion valve auto AC works — Ricks Free Auto Repair Advice Ricks Location Where Is The Ac Expansion Valve Located Have the refrigerant discharged at a dealer service department or an automotive air conditioning repair facility. The ev is located underneath the dash and the glove box must be removed to gain access. There is one nut the three bolts holding this in place. An expansion valve is simply a refrigerant metering device to control the rate of flow of. Location Where Is The Ac Expansion Valve Located.
From www.hondacivicforum.com
Expansion valve location Location Where Is The Ac Expansion Valve Located Go into the engine bay and loosen the zip tie that holds the larger ac line in place down under the brake booster area. The thermal expansion valve in your vehicle, essential for regulating refrigerant flow and maintaining peak cooling performance, is typically located near the evaporator in the ac. There is one nut the three bolts holding this in. Location Where Is The Ac Expansion Valve Located.
From www.2carpros.com
A/C Expansion Valve Location Just Got the A/C Compressor, and the... Location Where Is The Ac Expansion Valve Located If that doesn't give you enough movement to connect. The nut is on the firewall, one bolt is near that directly above a cooling line. The thermal expansion valve in your vehicle, essential for regulating refrigerant flow and maintaining peak cooling performance, is typically located near the evaporator in the ac. There is one nut the three bolts holding this. Location Where Is The Ac Expansion Valve Located.
From www.billyaircon.com.sg
Aircon Expansion Valve Guide Billy Aircon Location Where Is The Ac Expansion Valve Located There is one nut the three bolts holding this in place. The thermal expansion valve in your vehicle, essential for regulating refrigerant flow and maintaining peak cooling performance, is typically located near the evaporator in the ac. The ev is located underneath the dash and the glove box must be removed to gain access. The nut is on the firewall,. Location Where Is The Ac Expansion Valve Located.
From machineasaderobz3.z14.web.core.windows.net
Ac Expansion Valve Operation Location Where Is The Ac Expansion Valve Located The nut is on the firewall, one bolt is near that directly above a cooling line. There is one nut the three bolts holding this in place. Have the refrigerant discharged at a dealer service department or an automotive air conditioning repair facility. The thermal expansion valve in your vehicle, essential for regulating refrigerant flow and maintaining peak cooling performance,. Location Where Is The Ac Expansion Valve Located.
From klaxyzbbi.blob.core.windows.net
What Does The Expansion Valve Do In An Air Conditioner at Amalia Gray blog Location Where Is The Ac Expansion Valve Located The thermal expansion valve in your vehicle, essential for regulating refrigerant flow and maintaining peak cooling performance, is typically located near the evaporator in the ac. An expansion valve is simply a refrigerant metering device to control the rate of flow of refrigerant into the evaporator located in your. Go into the engine bay and loosen the zip tie that. Location Where Is The Ac Expansion Valve Located.
From innovationdiscoveries.space
A/C Expansion Valve (How it Works, Failure Symptoms, and Replacement Location Where Is The Ac Expansion Valve Located The thermal expansion valve in your vehicle, essential for regulating refrigerant flow and maintaining peak cooling performance, is typically located near the evaporator in the ac. The nut is on the firewall, one bolt is near that directly above a cooling line. An expansion valve is simply a refrigerant metering device to control the rate of flow of refrigerant into. Location Where Is The Ac Expansion Valve Located.
From www.youtube.com
TXV Thermostatic Expansion Valve Sensing Bulb Position! YouTube Location Where Is The Ac Expansion Valve Located There is one nut the three bolts holding this in place. An expansion valve is simply a refrigerant metering device to control the rate of flow of refrigerant into the evaporator located in your. Go into the engine bay and loosen the zip tie that holds the larger ac line in place down under the brake booster area. Have the. Location Where Is The Ac Expansion Valve Located.
From www.youtube.com
What's inside a Thermal Expansion Valve TXV how it works hvac YouTube Location Where Is The Ac Expansion Valve Located Go into the engine bay and loosen the zip tie that holds the larger ac line in place down under the brake booster area. The thermal expansion valve in your vehicle, essential for regulating refrigerant flow and maintaining peak cooling performance, is typically located near the evaporator in the ac. The ev is located underneath the dash and the glove. Location Where Is The Ac Expansion Valve Located.
From loezmzggq.blob.core.windows.net
How Ac Expansion Valve Works at James Myers blog Location Where Is The Ac Expansion Valve Located The ev is located underneath the dash and the glove box must be removed to gain access. There is one nut the three bolts holding this in place. An expansion valve is simply a refrigerant metering device to control the rate of flow of refrigerant into the evaporator located in your. The nut is on the firewall, one bolt is. Location Where Is The Ac Expansion Valve Located.
From exolulrab.blob.core.windows.net
Where Is Expansion Valve Location In Split Ac at Clinton Figueroa blog Location Where Is The Ac Expansion Valve Located Have the refrigerant discharged at a dealer service department or an automotive air conditioning repair facility. If that doesn't give you enough movement to connect. There is one nut the three bolts holding this in place. Go into the engine bay and loosen the zip tie that holds the larger ac line in place down under the brake booster area.. Location Where Is The Ac Expansion Valve Located.
From www.greentractortalk.com
4066R Air Conditioning Expansion Valve Location Location Where Is The Ac Expansion Valve Located The nut is on the firewall, one bolt is near that directly above a cooling line. The thermal expansion valve in your vehicle, essential for regulating refrigerant flow and maintaining peak cooling performance, is typically located near the evaporator in the ac. An expansion valve is simply a refrigerant metering device to control the rate of flow of refrigerant into. Location Where Is The Ac Expansion Valve Located.
From www.2carpros.com
Location of Rear A/C Expansion Valve Location Where Is The Ac Expansion Valve Located If that doesn't give you enough movement to connect. The thermal expansion valve in your vehicle, essential for regulating refrigerant flow and maintaining peak cooling performance, is typically located near the evaporator in the ac. Go into the engine bay and loosen the zip tie that holds the larger ac line in place down under the brake booster area. An. Location Where Is The Ac Expansion Valve Located.
From www.greentractortalk.com
4066R Air Conditioning Expansion Valve Location Location Where Is The Ac Expansion Valve Located The nut is on the firewall, one bolt is near that directly above a cooling line. If that doesn't give you enough movement to connect. Have the refrigerant discharged at a dealer service department or an automotive air conditioning repair facility. An expansion valve is simply a refrigerant metering device to control the rate of flow of refrigerant into the. Location Where Is The Ac Expansion Valve Located.
From www.2carpros.com
A/C Expansion Valve Location Just Got the A/C Compressor, and the... Location Where Is The Ac Expansion Valve Located An expansion valve is simply a refrigerant metering device to control the rate of flow of refrigerant into the evaporator located in your. There is one nut the three bolts holding this in place. Go into the engine bay and loosen the zip tie that holds the larger ac line in place down under the brake booster area. If that. Location Where Is The Ac Expansion Valve Located.
From glenrefrigeration.com
How to Install a TXV?Installation Guide of Thermal Expansion Valve Location Where Is The Ac Expansion Valve Located The nut is on the firewall, one bolt is near that directly above a cooling line. Go into the engine bay and loosen the zip tie that holds the larger ac line in place down under the brake booster area. There is one nut the three bolts holding this in place. The thermal expansion valve in your vehicle, essential for. Location Where Is The Ac Expansion Valve Located.
From www.justanswer.com
Where is the front AC expansion valve located on a 2006 Honda Odyssey Location Where Is The Ac Expansion Valve Located The thermal expansion valve in your vehicle, essential for regulating refrigerant flow and maintaining peak cooling performance, is typically located near the evaporator in the ac. If that doesn't give you enough movement to connect. Go into the engine bay and loosen the zip tie that holds the larger ac line in place down under the brake booster area. The. Location Where Is The Ac Expansion Valve Located.
From www.youtube.com
Car Air conditioning system using Expansion valve (Simplified diagram Location Where Is The Ac Expansion Valve Located Go into the engine bay and loosen the zip tie that holds the larger ac line in place down under the brake booster area. An expansion valve is simply a refrigerant metering device to control the rate of flow of refrigerant into the evaporator located in your. The nut is on the firewall, one bolt is near that directly above. Location Where Is The Ac Expansion Valve Located.
From www.youtube.com
Thermal expansion valve air conditioning system YouTube Location Where Is The Ac Expansion Valve Located The thermal expansion valve in your vehicle, essential for regulating refrigerant flow and maintaining peak cooling performance, is typically located near the evaporator in the ac. Go into the engine bay and loosen the zip tie that holds the larger ac line in place down under the brake booster area. There is one nut the three bolts holding this in. Location Where Is The Ac Expansion Valve Located.