Klystron Amplifier Diagram . Klystrons are a special type of vacuum tubes that find applications as amplifiers and oscillators at microwave. Klystron amplifiers are used in a variety of industries, including satellite systems, television broadcasting, radar, particle accelerators, and in the medical field. With the signal applied in the first cavity, we get weak bunches in the. Klystron amplifiers are high power microwave vacuum tubes. 1) best illustrates this.5 after being fig. The klystron was the first embodiment of the velocity modulation principle.
from www.slideserve.com
With the signal applied in the first cavity, we get weak bunches in the. The klystron was the first embodiment of the velocity modulation principle. Klystrons are a special type of vacuum tubes that find applications as amplifiers and oscillators at microwave. 1) best illustrates this.5 after being fig. Klystron amplifiers are high power microwave vacuum tubes. Klystron amplifiers are used in a variety of industries, including satellite systems, television broadcasting, radar, particle accelerators, and in the medical field.
PPT PH0101 Unit 2 Lecture 6 PowerPoint Presentation ID3384332
Klystron Amplifier Diagram Klystrons are a special type of vacuum tubes that find applications as amplifiers and oscillators at microwave. With the signal applied in the first cavity, we get weak bunches in the. Klystron amplifiers are used in a variety of industries, including satellite systems, television broadcasting, radar, particle accelerators, and in the medical field. The klystron was the first embodiment of the velocity modulation principle. 1) best illustrates this.5 after being fig. Klystron amplifiers are high power microwave vacuum tubes. Klystrons are a special type of vacuum tubes that find applications as amplifiers and oscillators at microwave.
From www.youtube.com
Klystron amplifier working, types Applegate diagram in microwave Klystron Amplifier Diagram With the signal applied in the first cavity, we get weak bunches in the. Klystron amplifiers are high power microwave vacuum tubes. 1) best illustrates this.5 after being fig. Klystrons are a special type of vacuum tubes that find applications as amplifiers and oscillators at microwave. Klystron amplifiers are used in a variety of industries, including satellite systems, television broadcasting,. Klystron Amplifier Diagram.
From www.thetechnicaltalk.com
Working of Two Cavity Klystron Amplifier and Application The Klystron Amplifier Diagram Klystron amplifiers are high power microwave vacuum tubes. Klystrons are a special type of vacuum tubes that find applications as amplifiers and oscillators at microwave. 1) best illustrates this.5 after being fig. Klystron amplifiers are used in a variety of industries, including satellite systems, television broadcasting, radar, particle accelerators, and in the medical field. With the signal applied in the. Klystron Amplifier Diagram.
From www.researchgate.net
Klystron VPK 7952C amplifier (CPI), with Pbshield mounted on the Klystron Amplifier Diagram Klystron amplifiers are used in a variety of industries, including satellite systems, television broadcasting, radar, particle accelerators, and in the medical field. 1) best illustrates this.5 after being fig. Klystrons are a special type of vacuum tubes that find applications as amplifiers and oscillators at microwave. With the signal applied in the first cavity, we get weak bunches in the.. Klystron Amplifier Diagram.
From www.youtube.com
Microwave 7 /Klystron YouTube Klystron Amplifier Diagram The klystron was the first embodiment of the velocity modulation principle. With the signal applied in the first cavity, we get weak bunches in the. Klystron amplifiers are used in a variety of industries, including satellite systems, television broadcasting, radar, particle accelerators, and in the medical field. Klystrons are a special type of vacuum tubes that find applications as amplifiers. Klystron Amplifier Diagram.
From www.researchgate.net
Left Schematics of the klystron modulator (upper side) coupled with an Klystron Amplifier Diagram The klystron was the first embodiment of the velocity modulation principle. Klystrons are a special type of vacuum tubes that find applications as amplifiers and oscillators at microwave. Klystron amplifiers are used in a variety of industries, including satellite systems, television broadcasting, radar, particle accelerators, and in the medical field. With the signal applied in the first cavity, we get. Klystron Amplifier Diagram.
From www.slideserve.com
PPT PH0101 Unit 2 Lecture 6 PowerPoint Presentation ID3384332 Klystron Amplifier Diagram Klystron amplifiers are high power microwave vacuum tubes. The klystron was the first embodiment of the velocity modulation principle. With the signal applied in the first cavity, we get weak bunches in the. Klystron amplifiers are used in a variety of industries, including satellite systems, television broadcasting, radar, particle accelerators, and in the medical field. Klystrons are a special type. Klystron Amplifier Diagram.
From www.youtube.com
two cavity klystron amplifier two cavity klystron two cavity Klystron Amplifier Diagram With the signal applied in the first cavity, we get weak bunches in the. The klystron was the first embodiment of the velocity modulation principle. Klystrons are a special type of vacuum tubes that find applications as amplifiers and oscillators at microwave. 1) best illustrates this.5 after being fig. Klystron amplifiers are used in a variety of industries, including satellite. Klystron Amplifier Diagram.
From www.alamy.com
Diagram of a twocavity klystron, used as an amplifier and RF signal Klystron Amplifier Diagram With the signal applied in the first cavity, we get weak bunches in the. 1) best illustrates this.5 after being fig. Klystrons are a special type of vacuum tubes that find applications as amplifiers and oscillators at microwave. Klystron amplifiers are high power microwave vacuum tubes. The klystron was the first embodiment of the velocity modulation principle. Klystron amplifiers are. Klystron Amplifier Diagram.
From parol524s.blogspot.com
[Download 18+] Klystron Amplifier Schematic Diagram Klystron Amplifier Diagram With the signal applied in the first cavity, we get weak bunches in the. Klystron amplifiers are high power microwave vacuum tubes. The klystron was the first embodiment of the velocity modulation principle. Klystrons are a special type of vacuum tubes that find applications as amplifiers and oscillators at microwave. 1) best illustrates this.5 after being fig. Klystron amplifiers are. Klystron Amplifier Diagram.
From armycommunications.tpub.com
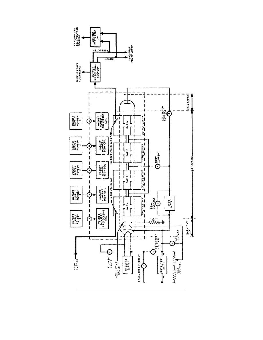
Figure 15. Typical fourcavity poweramplifier klystron. Klystron Amplifier Diagram Klystron amplifiers are used in a variety of industries, including satellite systems, television broadcasting, radar, particle accelerators, and in the medical field. Klystrons are a special type of vacuum tubes that find applications as amplifiers and oscillators at microwave. With the signal applied in the first cavity, we get weak bunches in the. Klystron amplifiers are high power microwave vacuum. Klystron Amplifier Diagram.
From wiremanualgranville.z6.web.core.windows.net
Klystron Amplifier Circuit Diagram Klystron Amplifier Diagram With the signal applied in the first cavity, we get weak bunches in the. Klystron amplifiers are high power microwave vacuum tubes. 1) best illustrates this.5 after being fig. Klystron amplifiers are used in a variety of industries, including satellite systems, television broadcasting, radar, particle accelerators, and in the medical field. The klystron was the first embodiment of the velocity. Klystron Amplifier Diagram.
From parol524s.blogspot.com
[Download 18+] Klystron Amplifier Schematic Diagram Klystron Amplifier Diagram Klystron amplifiers are high power microwave vacuum tubes. 1) best illustrates this.5 after being fig. With the signal applied in the first cavity, we get weak bunches in the. The klystron was the first embodiment of the velocity modulation principle. Klystrons are a special type of vacuum tubes that find applications as amplifiers and oscillators at microwave. Klystron amplifiers are. Klystron Amplifier Diagram.
From parol524s.blogspot.com
[Download 18+] Klystron Amplifier Schematic Diagram Klystron Amplifier Diagram Klystron amplifiers are high power microwave vacuum tubes. With the signal applied in the first cavity, we get weak bunches in the. The klystron was the first embodiment of the velocity modulation principle. 1) best illustrates this.5 after being fig. Klystron amplifiers are used in a variety of industries, including satellite systems, television broadcasting, radar, particle accelerators, and in the. Klystron Amplifier Diagram.
From www.youtube.com
Two cavity klystron amplifier Gate Diagram Microwave Engineering Klystron Amplifier Diagram Klystrons are a special type of vacuum tubes that find applications as amplifiers and oscillators at microwave. 1) best illustrates this.5 after being fig. Klystron amplifiers are used in a variety of industries, including satellite systems, television broadcasting, radar, particle accelerators, and in the medical field. Klystron amplifiers are high power microwave vacuum tubes. With the signal applied in the. Klystron Amplifier Diagram.
From www.watelectronics.com
What is a Klystron Amplifier? Types and their Applications Klystron Amplifier Diagram Klystron amplifiers are used in a variety of industries, including satellite systems, television broadcasting, radar, particle accelerators, and in the medical field. Klystrons are a special type of vacuum tubes that find applications as amplifiers and oscillators at microwave. The klystron was the first embodiment of the velocity modulation principle. Klystron amplifiers are high power microwave vacuum tubes. 1) best. Klystron Amplifier Diagram.
From www.researchgate.net
Interconnection of various power supplies with TH 2089 klystron Klystron Amplifier Diagram Klystrons are a special type of vacuum tubes that find applications as amplifiers and oscillators at microwave. With the signal applied in the first cavity, we get weak bunches in the. 1) best illustrates this.5 after being fig. The klystron was the first embodiment of the velocity modulation principle. Klystron amplifiers are high power microwave vacuum tubes. Klystron amplifiers are. Klystron Amplifier Diagram.
From parol524s.blogspot.com
[Download 18+] Klystron Amplifier Schematic Diagram Klystron Amplifier Diagram Klystron amplifiers are used in a variety of industries, including satellite systems, television broadcasting, radar, particle accelerators, and in the medical field. Klystron amplifiers are high power microwave vacuum tubes. 1) best illustrates this.5 after being fig. With the signal applied in the first cavity, we get weak bunches in the. The klystron was the first embodiment of the velocity. Klystron Amplifier Diagram.
From www.electrofun.co.in
Two Cavity Klystron Amplifier (Specifications, Working Principle Klystron Amplifier Diagram Klystron amplifiers are used in a variety of industries, including satellite systems, television broadcasting, radar, particle accelerators, and in the medical field. 1) best illustrates this.5 after being fig. With the signal applied in the first cavity, we get weak bunches in the. Klystrons are a special type of vacuum tubes that find applications as amplifiers and oscillators at microwave.. Klystron Amplifier Diagram.
From www.researchgate.net
Klystron amplifier and its power supplies Download Scientific Diagram Klystron Amplifier Diagram Klystron amplifiers are high power microwave vacuum tubes. Klystron amplifiers are used in a variety of industries, including satellite systems, television broadcasting, radar, particle accelerators, and in the medical field. With the signal applied in the first cavity, we get weak bunches in the. Klystrons are a special type of vacuum tubes that find applications as amplifiers and oscillators at. Klystron Amplifier Diagram.
From www.alamy.com
Diagram of a two cavity klystron hires stock photography and images Klystron Amplifier Diagram Klystron amplifiers are high power microwave vacuum tubes. With the signal applied in the first cavity, we get weak bunches in the. The klystron was the first embodiment of the velocity modulation principle. Klystron amplifiers are used in a variety of industries, including satellite systems, television broadcasting, radar, particle accelerators, and in the medical field. Klystrons are a special type. Klystron Amplifier Diagram.
From www.youtube.com
reflex klystron amplifier reflex klystron oscillator reflex Klystron Amplifier Diagram 1) best illustrates this.5 after being fig. Klystron amplifiers are high power microwave vacuum tubes. Klystrons are a special type of vacuum tubes that find applications as amplifiers and oscillators at microwave. With the signal applied in the first cavity, we get weak bunches in the. The klystron was the first embodiment of the velocity modulation principle. Klystron amplifiers are. Klystron Amplifier Diagram.
From www.youtube.com
Two Cavity Klystron Amplifier, Applegate diagram and applications YouTube Klystron Amplifier Diagram The klystron was the first embodiment of the velocity modulation principle. 1) best illustrates this.5 after being fig. Klystron amplifiers are used in a variety of industries, including satellite systems, television broadcasting, radar, particle accelerators, and in the medical field. Klystrons are a special type of vacuum tubes that find applications as amplifiers and oscillators at microwave. With the signal. Klystron Amplifier Diagram.
From www.youtube.com
Reflex Klystron(English) YouTube Klystron Amplifier Diagram Klystrons are a special type of vacuum tubes that find applications as amplifiers and oscillators at microwave. The klystron was the first embodiment of the velocity modulation principle. Klystron amplifiers are used in a variety of industries, including satellite systems, television broadcasting, radar, particle accelerators, and in the medical field. Klystron amplifiers are high power microwave vacuum tubes. With the. Klystron Amplifier Diagram.
From parol524s.blogspot.com
[Download 18+] Klystron Amplifier Schematic Diagram Klystron Amplifier Diagram 1) best illustrates this.5 after being fig. Klystron amplifiers are high power microwave vacuum tubes. Klystron amplifiers are used in a variety of industries, including satellite systems, television broadcasting, radar, particle accelerators, and in the medical field. The klystron was the first embodiment of the velocity modulation principle. Klystrons are a special type of vacuum tubes that find applications as. Klystron Amplifier Diagram.
From insights.globalspec.com
What is a klystron? GlobalSpec Klystron Amplifier Diagram With the signal applied in the first cavity, we get weak bunches in the. The klystron was the first embodiment of the velocity modulation principle. Klystron amplifiers are high power microwave vacuum tubes. 1) best illustrates this.5 after being fig. Klystrons are a special type of vacuum tubes that find applications as amplifiers and oscillators at microwave. Klystron amplifiers are. Klystron Amplifier Diagram.
From www.radartutorial.eu
Klystron Radartutorial Klystron Amplifier Diagram Klystrons are a special type of vacuum tubes that find applications as amplifiers and oscillators at microwave. Klystron amplifiers are high power microwave vacuum tubes. The klystron was the first embodiment of the velocity modulation principle. With the signal applied in the first cavity, we get weak bunches in the. Klystron amplifiers are used in a variety of industries, including. Klystron Amplifier Diagram.
From www.youtube.com
Two Cavity Klystron Amplifier Part1(Microwave Engineering) YouTube Klystron Amplifier Diagram Klystron amplifiers are high power microwave vacuum tubes. With the signal applied in the first cavity, we get weak bunches in the. The klystron was the first embodiment of the velocity modulation principle. Klystrons are a special type of vacuum tubes that find applications as amplifiers and oscillators at microwave. Klystron amplifiers are used in a variety of industries, including. Klystron Amplifier Diagram.
From www.radartutorial.eu
Klystron Radartutorial Klystron Amplifier Diagram With the signal applied in the first cavity, we get weak bunches in the. Klystron amplifiers are used in a variety of industries, including satellite systems, television broadcasting, radar, particle accelerators, and in the medical field. Klystron amplifiers are high power microwave vacuum tubes. Klystrons are a special type of vacuum tubes that find applications as amplifiers and oscillators at. Klystron Amplifier Diagram.
From www.youtube.com
Two Cavity Klystron Amplifier(applegate diagram) YouTube Klystron Amplifier Diagram 1) best illustrates this.5 after being fig. The klystron was the first embodiment of the velocity modulation principle. Klystrons are a special type of vacuum tubes that find applications as amplifiers and oscillators at microwave. Klystron amplifiers are high power microwave vacuum tubes. With the signal applied in the first cavity, we get weak bunches in the. Klystron amplifiers are. Klystron Amplifier Diagram.
From www.radartutorial.eu
Klystron Radartutorial Klystron Amplifier Diagram Klystron amplifiers are used in a variety of industries, including satellite systems, television broadcasting, radar, particle accelerators, and in the medical field. The klystron was the first embodiment of the velocity modulation principle. Klystrons are a special type of vacuum tubes that find applications as amplifiers and oscillators at microwave. With the signal applied in the first cavity, we get. Klystron Amplifier Diagram.
From www.youtube.com
RF amplification process in Two cavity Klystron YouTube Klystron Amplifier Diagram Klystron amplifiers are high power microwave vacuum tubes. The klystron was the first embodiment of the velocity modulation principle. Klystron amplifiers are used in a variety of industries, including satellite systems, television broadcasting, radar, particle accelerators, and in the medical field. With the signal applied in the first cavity, we get weak bunches in the. 1) best illustrates this.5 after. Klystron Amplifier Diagram.
From www.robkalmeijer.nl
An introduction to the klystron Klystron Amplifier Diagram The klystron was the first embodiment of the velocity modulation principle. Klystrons are a special type of vacuum tubes that find applications as amplifiers and oscillators at microwave. 1) best illustrates this.5 after being fig. With the signal applied in the first cavity, we get weak bunches in the. Klystron amplifiers are used in a variety of industries, including satellite. Klystron Amplifier Diagram.
From parol524s.blogspot.com
[Download 18+] Klystron Amplifier Schematic Diagram Klystron Amplifier Diagram Klystron amplifiers are high power microwave vacuum tubes. Klystrons are a special type of vacuum tubes that find applications as amplifiers and oscillators at microwave. 1) best illustrates this.5 after being fig. The klystron was the first embodiment of the velocity modulation principle. Klystron amplifiers are used in a variety of industries, including satellite systems, television broadcasting, radar, particle accelerators,. Klystron Amplifier Diagram.
From www.slideserve.com
PPT Microwave Tubes PowerPoint Presentation, free download ID5039051 Klystron Amplifier Diagram The klystron was the first embodiment of the velocity modulation principle. Klystron amplifiers are high power microwave vacuum tubes. Klystron amplifiers are used in a variety of industries, including satellite systems, television broadcasting, radar, particle accelerators, and in the medical field. 1) best illustrates this.5 after being fig. Klystrons are a special type of vacuum tubes that find applications as. Klystron Amplifier Diagram.
From www.researchgate.net
(a) Photograph of the XL4 klystron used to test the SLED cavity and Klystron Amplifier Diagram The klystron was the first embodiment of the velocity modulation principle. Klystron amplifiers are high power microwave vacuum tubes. Klystrons are a special type of vacuum tubes that find applications as amplifiers and oscillators at microwave. With the signal applied in the first cavity, we get weak bunches in the. 1) best illustrates this.5 after being fig. Klystron amplifiers are. Klystron Amplifier Diagram.