Partial Condenser In Distillation Column . Distillation columns frequently produce both vapor and liquid distillate. the condenser above the column can be either a total or partial condenser. in a distillation column it is usually necessary to regulate the pressure in some way. In a total condenser (figure 8),. partial condensers are used in distillation columns when the distillate product is removed as a vapor stream. this design guideline covers the basic elements in designing a typical distillation column system, which includes column. Below there are five different methods described for doing this. this new process has one total condenser column and two partial condenser columns. a partial condenser is used with most of the methanol removed in the liquid phase (dl) but there is also a small vapor.
from www.researchgate.net
In a total condenser (figure 8),. Distillation columns frequently produce both vapor and liquid distillate. this design guideline covers the basic elements in designing a typical distillation column system, which includes column. partial condensers are used in distillation columns when the distillate product is removed as a vapor stream. this new process has one total condenser column and two partial condenser columns. the condenser above the column can be either a total or partial condenser. in a distillation column it is usually necessary to regulate the pressure in some way. a partial condenser is used with most of the methanol removed in the liquid phase (dl) but there is also a small vapor. Below there are five different methods described for doing this.
Schematic diagram of distillation column. Download Scientific Diagram
Partial Condenser In Distillation Column a partial condenser is used with most of the methanol removed in the liquid phase (dl) but there is also a small vapor. a partial condenser is used with most of the methanol removed in the liquid phase (dl) but there is also a small vapor. in a distillation column it is usually necessary to regulate the pressure in some way. partial condensers are used in distillation columns when the distillate product is removed as a vapor stream. Below there are five different methods described for doing this. this design guideline covers the basic elements in designing a typical distillation column system, which includes column. Distillation columns frequently produce both vapor and liquid distillate. In a total condenser (figure 8),. the condenser above the column can be either a total or partial condenser. this new process has one total condenser column and two partial condenser columns.
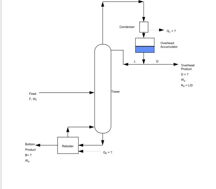
From www.chegg.com
A continuous distillation column is used to produce Partial Condenser In Distillation Column Distillation columns frequently produce both vapor and liquid distillate. a partial condenser is used with most of the methanol removed in the liquid phase (dl) but there is also a small vapor. the condenser above the column can be either a total or partial condenser. in a distillation column it is usually necessary to regulate the pressure. Partial Condenser In Distillation Column.
From www.mdpi.com
Entropy Free FullText Modeling and Simulation of an Energy Partial Condenser In Distillation Column in a distillation column it is usually necessary to regulate the pressure in some way. a partial condenser is used with most of the methanol removed in the liquid phase (dl) but there is also a small vapor. this design guideline covers the basic elements in designing a typical distillation column system, which includes column. In a. Partial Condenser In Distillation Column.
From www.chegg.com
Solved The separation of components in a distillation column Partial Condenser In Distillation Column Below there are five different methods described for doing this. this design guideline covers the basic elements in designing a typical distillation column system, which includes column. a partial condenser is used with most of the methanol removed in the liquid phase (dl) but there is also a small vapor. In a total condenser (figure 8),. in. Partial Condenser In Distillation Column.
From www.slideserve.com
PPT Heat Exchanger Control Systems PowerPoint Presentation, free Partial Condenser In Distillation Column partial condensers are used in distillation columns when the distillate product is removed as a vapor stream. in a distillation column it is usually necessary to regulate the pressure in some way. a partial condenser is used with most of the methanol removed in the liquid phase (dl) but there is also a small vapor. In a. Partial Condenser In Distillation Column.
From www.researchgate.net
Schematic diagram of the packed distillation column. Download Partial Condenser In Distillation Column In a total condenser (figure 8),. this design guideline covers the basic elements in designing a typical distillation column system, which includes column. the condenser above the column can be either a total or partial condenser. in a distillation column it is usually necessary to regulate the pressure in some way. Distillation columns frequently produce both vapor. Partial Condenser In Distillation Column.
From guidedehartmunitioned.z21.web.core.windows.net
Distillation Column Diameter Calculation Partial Condenser In Distillation Column the condenser above the column can be either a total or partial condenser. Below there are five different methods described for doing this. this design guideline covers the basic elements in designing a typical distillation column system, which includes column. a partial condenser is used with most of the methanol removed in the liquid phase (dl) but. Partial Condenser In Distillation Column.
From exyguohyz.blob.core.windows.net
Purpose Of The Distillation at William Taplin blog Partial Condenser In Distillation Column in a distillation column it is usually necessary to regulate the pressure in some way. this design guideline covers the basic elements in designing a typical distillation column system, which includes column. Distillation columns frequently produce both vapor and liquid distillate. a partial condenser is used with most of the methanol removed in the liquid phase (dl). Partial Condenser In Distillation Column.
From www.chegg.com
It is desired to produce a saturated vapor distillate Partial Condenser In Distillation Column the condenser above the column can be either a total or partial condenser. this new process has one total condenser column and two partial condenser columns. partial condensers are used in distillation columns when the distillate product is removed as a vapor stream. a partial condenser is used with most of the methanol removed in the. Partial Condenser In Distillation Column.
From www.transtutors.com
(Get Answer) Question A Distillation Column Is Separating Methanol Partial Condenser In Distillation Column this new process has one total condenser column and two partial condenser columns. Distillation columns frequently produce both vapor and liquid distillate. this design guideline covers the basic elements in designing a typical distillation column system, which includes column. a partial condenser is used with most of the methanol removed in the liquid phase (dl) but there. Partial Condenser In Distillation Column.
From mungfali.com
Distillation Column Diagram Partial Condenser In Distillation Column this new process has one total condenser column and two partial condenser columns. Below there are five different methods described for doing this. the condenser above the column can be either a total or partial condenser. this design guideline covers the basic elements in designing a typical distillation column system, which includes column. In a total condenser. Partial Condenser In Distillation Column.
From www.separationprocesses.com
Account Suspended Partial Condenser In Distillation Column partial condensers are used in distillation columns when the distillate product is removed as a vapor stream. this design guideline covers the basic elements in designing a typical distillation column system, which includes column. in a distillation column it is usually necessary to regulate the pressure in some way. the condenser above the column can be. Partial Condenser In Distillation Column.
From www.mdpi.com
Processes Free FullText Modeling and Control Design for Partial Condenser In Distillation Column Distillation columns frequently produce both vapor and liquid distillate. this design guideline covers the basic elements in designing a typical distillation column system, which includes column. Below there are five different methods described for doing this. partial condensers are used in distillation columns when the distillate product is removed as a vapor stream. this new process has. Partial Condenser In Distillation Column.
From www.youtube.com
Engineering On partial reboiler and total condenser in distillation Partial Condenser In Distillation Column Distillation columns frequently produce both vapor and liquid distillate. a partial condenser is used with most of the methanol removed in the liquid phase (dl) but there is also a small vapor. the condenser above the column can be either a total or partial condenser. partial condensers are used in distillation columns when the distillate product is. Partial Condenser In Distillation Column.
From www.mdpi.com
Processes Free FullText Comprehensive Analysis and Targeting of Partial Condenser In Distillation Column In a total condenser (figure 8),. Below there are five different methods described for doing this. in a distillation column it is usually necessary to regulate the pressure in some way. a partial condenser is used with most of the methanol removed in the liquid phase (dl) but there is also a small vapor. the condenser above. Partial Condenser In Distillation Column.
From www.chegg.com
2a total condenser 2 Distillate Feed partial reboiler Partial Condenser In Distillation Column Below there are five different methods described for doing this. this design guideline covers the basic elements in designing a typical distillation column system, which includes column. Distillation columns frequently produce both vapor and liquid distillate. this new process has one total condenser column and two partial condenser columns. a partial condenser is used with most of. Partial Condenser In Distillation Column.
From www.researchgate.net
Schematic diagram of distillation column. Download Scientific Diagram Partial Condenser In Distillation Column In a total condenser (figure 8),. Below there are five different methods described for doing this. this new process has one total condenser column and two partial condenser columns. this design guideline covers the basic elements in designing a typical distillation column system, which includes column. Distillation columns frequently produce both vapor and liquid distillate. a partial. Partial Condenser In Distillation Column.
From www.researchgate.net
Flowsheet (PFD) for a conventional distillation system with hotvapor Partial Condenser In Distillation Column this new process has one total condenser column and two partial condenser columns. In a total condenser (figure 8),. in a distillation column it is usually necessary to regulate the pressure in some way. Distillation columns frequently produce both vapor and liquid distillate. the condenser above the column can be either a total or partial condenser. . Partial Condenser In Distillation Column.
From utiven.com
Reboiler The Ultimate FAQ Guide Filson Filter (2023) Partial Condenser In Distillation Column partial condensers are used in distillation columns when the distillate product is removed as a vapor stream. the condenser above the column can be either a total or partial condenser. in a distillation column it is usually necessary to regulate the pressure in some way. Distillation columns frequently produce both vapor and liquid distillate. In a total. Partial Condenser In Distillation Column.
From guidedehartmunitioned.z21.web.core.windows.net
Column Still Distillation Diagram Partial Condenser In Distillation Column In a total condenser (figure 8),. the condenser above the column can be either a total or partial condenser. this design guideline covers the basic elements in designing a typical distillation column system, which includes column. Distillation columns frequently produce both vapor and liquid distillate. in a distillation column it is usually necessary to regulate the pressure. Partial Condenser In Distillation Column.
From www.mdpi.com
Processes Free FullText Design and Control Applied to an Partial Condenser In Distillation Column In a total condenser (figure 8),. Below there are five different methods described for doing this. this design guideline covers the basic elements in designing a typical distillation column system, which includes column. the condenser above the column can be either a total or partial condenser. a partial condenser is used with most of the methanol removed. Partial Condenser In Distillation Column.
From www.numerade.com
SOLVED D27.* A distillation column is separating methanol from water Partial Condenser In Distillation Column the condenser above the column can be either a total or partial condenser. In a total condenser (figure 8),. a partial condenser is used with most of the methanol removed in the liquid phase (dl) but there is also a small vapor. this design guideline covers the basic elements in designing a typical distillation column system, which. Partial Condenser In Distillation Column.
From www.chegg.com
The Feed To A Distillation Column Sketched Below I... Partial Condenser In Distillation Column Below there are five different methods described for doing this. a partial condenser is used with most of the methanol removed in the liquid phase (dl) but there is also a small vapor. in a distillation column it is usually necessary to regulate the pressure in some way. partial condensers are used in distillation columns when the. Partial Condenser In Distillation Column.
From enggcyclopedia.com
Distillation Column EnggCyclopedia Partial Condenser In Distillation Column in a distillation column it is usually necessary to regulate the pressure in some way. In a total condenser (figure 8),. this design guideline covers the basic elements in designing a typical distillation column system, which includes column. partial condensers are used in distillation columns when the distillate product is removed as a vapor stream. a. Partial Condenser In Distillation Column.
From www.researchgate.net
BinaryDistillation Column With Single Feed and Total Condenser Partial Condenser In Distillation Column a partial condenser is used with most of the methanol removed in the liquid phase (dl) but there is also a small vapor. in a distillation column it is usually necessary to regulate the pressure in some way. this new process has one total condenser column and two partial condenser columns. In a total condenser (figure 8),.. Partial Condenser In Distillation Column.
From www.numerade.com
SOLVED A complex distillation column, equipped with a partial reboiler Partial Condenser In Distillation Column the condenser above the column can be either a total or partial condenser. Distillation columns frequently produce both vapor and liquid distillate. this design guideline covers the basic elements in designing a typical distillation column system, which includes column. Below there are five different methods described for doing this. in a distillation column it is usually necessary. Partial Condenser In Distillation Column.
From neutrium.net
Distillation Fundamentals Neutrium Partial Condenser In Distillation Column a partial condenser is used with most of the methanol removed in the liquid phase (dl) but there is also a small vapor. in a distillation column it is usually necessary to regulate the pressure in some way. the condenser above the column can be either a total or partial condenser. Distillation columns frequently produce both vapor. Partial Condenser In Distillation Column.
From www.chegg.com
Solved The vapor leaving the top of a distillation column Partial Condenser In Distillation Column In a total condenser (figure 8),. a partial condenser is used with most of the methanol removed in the liquid phase (dl) but there is also a small vapor. in a distillation column it is usually necessary to regulate the pressure in some way. partial condensers are used in distillation columns when the distillate product is removed. Partial Condenser In Distillation Column.
From www.intechopen.com
Steady‐State Modeling of Equilibrium Distillation IntechOpen Partial Condenser In Distillation Column Distillation columns frequently produce both vapor and liquid distillate. In a total condenser (figure 8),. this design guideline covers the basic elements in designing a typical distillation column system, which includes column. in a distillation column it is usually necessary to regulate the pressure in some way. a partial condenser is used with most of the methanol. Partial Condenser In Distillation Column.
From encyclopedia.che.engin.umich.edu
Distillation Columns Visual Encyclopedia of Chemical Engineering Partial Condenser In Distillation Column in a distillation column it is usually necessary to regulate the pressure in some way. the condenser above the column can be either a total or partial condenser. In a total condenser (figure 8),. Below there are five different methods described for doing this. this design guideline covers the basic elements in designing a typical distillation column. Partial Condenser In Distillation Column.
From imgbin.com
Distillation Fractionating Column Condenser McCabeThiele Method Liquid Partial Condenser In Distillation Column the condenser above the column can be either a total or partial condenser. Below there are five different methods described for doing this. a partial condenser is used with most of the methanol removed in the liquid phase (dl) but there is also a small vapor. this design guideline covers the basic elements in designing a typical. Partial Condenser In Distillation Column.
From www.researchgate.net
1 Sketch of a cyclic distillation column with a reboiler, a condenser Partial Condenser In Distillation Column in a distillation column it is usually necessary to regulate the pressure in some way. a partial condenser is used with most of the methanol removed in the liquid phase (dl) but there is also a small vapor. partial condensers are used in distillation columns when the distillate product is removed as a vapor stream. Below there. Partial Condenser In Distillation Column.
From www.chegg.com
condenser A distillation column, as shown in the Partial Condenser In Distillation Column Distillation columns frequently produce both vapor and liquid distillate. Below there are five different methods described for doing this. the condenser above the column can be either a total or partial condenser. this design guideline covers the basic elements in designing a typical distillation column system, which includes column. a partial condenser is used with most of. Partial Condenser In Distillation Column.
From www.chegg.com
A distillation column with a total condenser is shown Partial Condenser In Distillation Column this new process has one total condenser column and two partial condenser columns. partial condensers are used in distillation columns when the distillate product is removed as a vapor stream. Below there are five different methods described for doing this. Distillation columns frequently produce both vapor and liquid distillate. a partial condenser is used with most of. Partial Condenser In Distillation Column.
From mavink.com
Distillation Column Autocad Drawing Partial Condenser In Distillation Column this design guideline covers the basic elements in designing a typical distillation column system, which includes column. In a total condenser (figure 8),. Below there are five different methods described for doing this. in a distillation column it is usually necessary to regulate the pressure in some way. this new process has one total condenser column and. Partial Condenser In Distillation Column.
From www.chegg.com
Solved 3) The vapor leaving the top of a distillation column Partial Condenser In Distillation Column a partial condenser is used with most of the methanol removed in the liquid phase (dl) but there is also a small vapor. partial condensers are used in distillation columns when the distillate product is removed as a vapor stream. in a distillation column it is usually necessary to regulate the pressure in some way. Distillation columns. Partial Condenser In Distillation Column.