Absorbing Co2 From Atmosphere . The main co 2 separation processes include absorption, adsorption, membrane separation, algae systems and cryogenic. All evidence prove that the carbon dioxide emission is significantly raising, and serious efforts are required to mitigate the greenhouse. The authors say that this novel approach captures co2 from the atmosphere up to three times. The absorbent materials are usually porous materials with maximized large surface areas for effective co2 capture. When 400 ppm co 2 air is pumped through the cof at room temperature (25 °c) and 50% humidity, it reaches half capacity in about 18 minutes and is filled in about two hours. There is thus a need for improved sorbents for the capture of carbon dioxide from the atmosphere, a process known as direct air. A new way of sucking carbon dioxide from the air and storing it in the sea has been outlined by scientists.
from stock.adobe.com
The absorbent materials are usually porous materials with maximized large surface areas for effective co2 capture. When 400 ppm co 2 air is pumped through the cof at room temperature (25 °c) and 50% humidity, it reaches half capacity in about 18 minutes and is filled in about two hours. There is thus a need for improved sorbents for the capture of carbon dioxide from the atmosphere, a process known as direct air. All evidence prove that the carbon dioxide emission is significantly raising, and serious efforts are required to mitigate the greenhouse. A new way of sucking carbon dioxide from the air and storing it in the sea has been outlined by scientists. The main co 2 separation processes include absorption, adsorption, membrane separation, algae systems and cryogenic. The authors say that this novel approach captures co2 from the atmosphere up to three times.
Tree absorbs CO2 and releases O2. Carbon cycle. Photosynthesis process
Absorbing Co2 From Atmosphere All evidence prove that the carbon dioxide emission is significantly raising, and serious efforts are required to mitigate the greenhouse. The main co 2 separation processes include absorption, adsorption, membrane separation, algae systems and cryogenic. The authors say that this novel approach captures co2 from the atmosphere up to three times. A new way of sucking carbon dioxide from the air and storing it in the sea has been outlined by scientists. All evidence prove that the carbon dioxide emission is significantly raising, and serious efforts are required to mitigate the greenhouse. The absorbent materials are usually porous materials with maximized large surface areas for effective co2 capture. There is thus a need for improved sorbents for the capture of carbon dioxide from the atmosphere, a process known as direct air. When 400 ppm co 2 air is pumped through the cof at room temperature (25 °c) and 50% humidity, it reaches half capacity in about 18 minutes and is filled in about two hours.
From www.ux1.eiu.edu
The atmosphere origin and structure Absorbing Co2 From Atmosphere All evidence prove that the carbon dioxide emission is significantly raising, and serious efforts are required to mitigate the greenhouse. A new way of sucking carbon dioxide from the air and storing it in the sea has been outlined by scientists. The authors say that this novel approach captures co2 from the atmosphere up to three times. The absorbent materials. Absorbing Co2 From Atmosphere.
From blogs.ubc.ca
How Does Carbon Dioxide Cycle Through the Oceans? Communicating Absorbing Co2 From Atmosphere When 400 ppm co 2 air is pumped through the cof at room temperature (25 °c) and 50% humidity, it reaches half capacity in about 18 minutes and is filled in about two hours. The main co 2 separation processes include absorption, adsorption, membrane separation, algae systems and cryogenic. The authors say that this novel approach captures co2 from the. Absorbing Co2 From Atmosphere.
From www.kyushu-u.ac.jp
Directly capturing carbon dioxide from the atmosphere with membranes Absorbing Co2 From Atmosphere The authors say that this novel approach captures co2 from the atmosphere up to three times. A new way of sucking carbon dioxide from the air and storing it in the sea has been outlined by scientists. When 400 ppm co 2 air is pumped through the cof at room temperature (25 °c) and 50% humidity, it reaches half capacity. Absorbing Co2 From Atmosphere.
From phys.org
Membranes for capturing carbon dioxide from the air Absorbing Co2 From Atmosphere All evidence prove that the carbon dioxide emission is significantly raising, and serious efforts are required to mitigate the greenhouse. The absorbent materials are usually porous materials with maximized large surface areas for effective co2 capture. There is thus a need for improved sorbents for the capture of carbon dioxide from the atmosphere, a process known as direct air. When. Absorbing Co2 From Atmosphere.
From www.mdpi.com
Atmosphere Free FullText Study of Absorbing CO2 from Emissions Absorbing Co2 From Atmosphere A new way of sucking carbon dioxide from the air and storing it in the sea has been outlined by scientists. All evidence prove that the carbon dioxide emission is significantly raising, and serious efforts are required to mitigate the greenhouse. There is thus a need for improved sorbents for the capture of carbon dioxide from the atmosphere, a process. Absorbing Co2 From Atmosphere.
From www.worldatlas.com
Carbon Cycle WorldAtlas Absorbing Co2 From Atmosphere There is thus a need for improved sorbents for the capture of carbon dioxide from the atmosphere, a process known as direct air. The absorbent materials are usually porous materials with maximized large surface areas for effective co2 capture. All evidence prove that the carbon dioxide emission is significantly raising, and serious efforts are required to mitigate the greenhouse. The. Absorbing Co2 From Atmosphere.
From www.iaea.org
Cómo las emisiones de carbono acidifican nuestros océanos OIEA Absorbing Co2 From Atmosphere When 400 ppm co 2 air is pumped through the cof at room temperature (25 °c) and 50% humidity, it reaches half capacity in about 18 minutes and is filled in about two hours. The authors say that this novel approach captures co2 from the atmosphere up to three times. All evidence prove that the carbon dioxide emission is significantly. Absorbing Co2 From Atmosphere.
From www.washingtonpost.com
A small effort to extract CO2 from the atmosphere aims to create big Absorbing Co2 From Atmosphere There is thus a need for improved sorbents for the capture of carbon dioxide from the atmosphere, a process known as direct air. The authors say that this novel approach captures co2 from the atmosphere up to three times. All evidence prove that the carbon dioxide emission is significantly raising, and serious efforts are required to mitigate the greenhouse. The. Absorbing Co2 From Atmosphere.
From www.usatoday.com
Carbon dioxide in atmosphere at record level Absorbing Co2 From Atmosphere There is thus a need for improved sorbents for the capture of carbon dioxide from the atmosphere, a process known as direct air. When 400 ppm co 2 air is pumped through the cof at room temperature (25 °c) and 50% humidity, it reaches half capacity in about 18 minutes and is filled in about two hours. The main co. Absorbing Co2 From Atmosphere.
From scitechdaily.com
Science Made Simple What Is Atmospheric Radiation? Absorbing Co2 From Atmosphere The main co 2 separation processes include absorption, adsorption, membrane separation, algae systems and cryogenic. The absorbent materials are usually porous materials with maximized large surface areas for effective co2 capture. There is thus a need for improved sorbents for the capture of carbon dioxide from the atmosphere, a process known as direct air. All evidence prove that the carbon. Absorbing Co2 From Atmosphere.
From www.iaea.org
The ocean carbon cycle IAEA Absorbing Co2 From Atmosphere The main co 2 separation processes include absorption, adsorption, membrane separation, algae systems and cryogenic. A new way of sucking carbon dioxide from the air and storing it in the sea has been outlined by scientists. All evidence prove that the carbon dioxide emission is significantly raising, and serious efforts are required to mitigate the greenhouse. There is thus a. Absorbing Co2 From Atmosphere.
From globalocean.noaa.gov
Global Atmospheric Carbon Dioxide Levels Continue to Rise Global Absorbing Co2 From Atmosphere When 400 ppm co 2 air is pumped through the cof at room temperature (25 °c) and 50% humidity, it reaches half capacity in about 18 minutes and is filled in about two hours. There is thus a need for improved sorbents for the capture of carbon dioxide from the atmosphere, a process known as direct air. A new way. Absorbing Co2 From Atmosphere.
From portal.ct.gov
Carbon and Forests Absorbing Co2 From Atmosphere A new way of sucking carbon dioxide from the air and storing it in the sea has been outlined by scientists. The absorbent materials are usually porous materials with maximized large surface areas for effective co2 capture. The main co 2 separation processes include absorption, adsorption, membrane separation, algae systems and cryogenic. All evidence prove that the carbon dioxide emission. Absorbing Co2 From Atmosphere.
From www.bom.gov.au
State of the Climate 2016 Bureau of Meteorology Absorbing Co2 From Atmosphere The main co 2 separation processes include absorption, adsorption, membrane separation, algae systems and cryogenic. When 400 ppm co 2 air is pumped through the cof at room temperature (25 °c) and 50% humidity, it reaches half capacity in about 18 minutes and is filled in about two hours. All evidence prove that the carbon dioxide emission is significantly raising,. Absorbing Co2 From Atmosphere.
From blogs.ubc.ca
How Does Carbon Dioxide Cycle Through the Oceans? Communicating Absorbing Co2 From Atmosphere When 400 ppm co 2 air is pumped through the cof at room temperature (25 °c) and 50% humidity, it reaches half capacity in about 18 minutes and is filled in about two hours. The main co 2 separation processes include absorption, adsorption, membrane separation, algae systems and cryogenic. A new way of sucking carbon dioxide from the air and. Absorbing Co2 From Atmosphere.
From www.mdpi.com
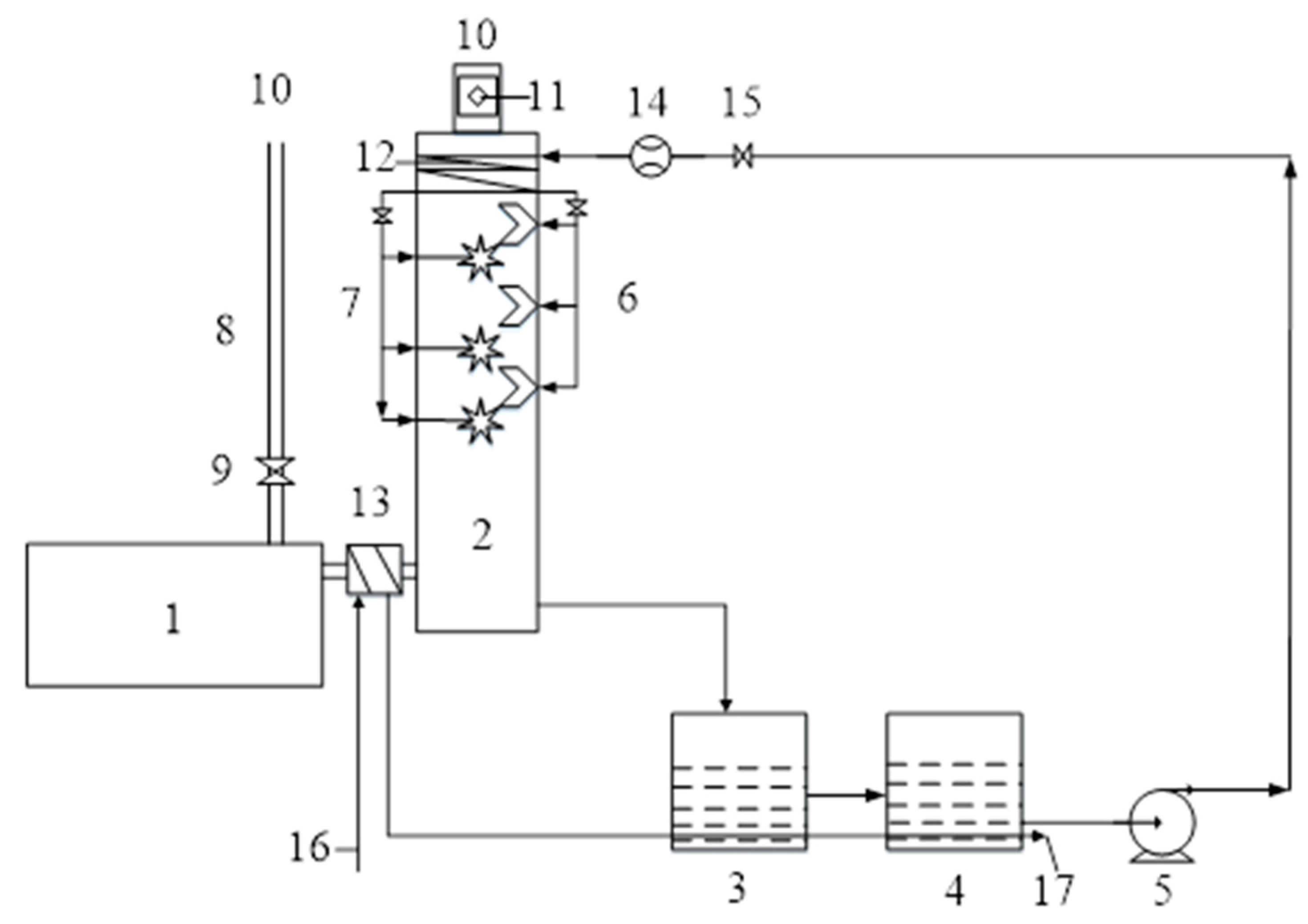
Atmosphere Free FullText Study of Absorbing CO2 from Emissions Absorbing Co2 From Atmosphere When 400 ppm co 2 air is pumped through the cof at room temperature (25 °c) and 50% humidity, it reaches half capacity in about 18 minutes and is filled in about two hours. There is thus a need for improved sorbents for the capture of carbon dioxide from the atmosphere, a process known as direct air. The authors say. Absorbing Co2 From Atmosphere.
From www.mdpi.com
Atmosphere Free FullText Study of Absorbing CO2 from Emissions Absorbing Co2 From Atmosphere All evidence prove that the carbon dioxide emission is significantly raising, and serious efforts are required to mitigate the greenhouse. A new way of sucking carbon dioxide from the air and storing it in the sea has been outlined by scientists. There is thus a need for improved sorbents for the capture of carbon dioxide from the atmosphere, a process. Absorbing Co2 From Atmosphere.
From www.esa.int
ESA Carbon dioxide oceanatmosphere exchange Absorbing Co2 From Atmosphere The absorbent materials are usually porous materials with maximized large surface areas for effective co2 capture. The main co 2 separation processes include absorption, adsorption, membrane separation, algae systems and cryogenic. When 400 ppm co 2 air is pumped through the cof at room temperature (25 °c) and 50% humidity, it reaches half capacity in about 18 minutes and is. Absorbing Co2 From Atmosphere.
From www.mdpi.com
Atmosphere Free FullText Study of Absorbing CO2 from Emissions Absorbing Co2 From Atmosphere All evidence prove that the carbon dioxide emission is significantly raising, and serious efforts are required to mitigate the greenhouse. A new way of sucking carbon dioxide from the air and storing it in the sea has been outlined by scientists. The authors say that this novel approach captures co2 from the atmosphere up to three times. The main co. Absorbing Co2 From Atmosphere.
From www.ojiholdings.co.jp
Absorption and Fixation of CO₂ Through Sustainable Forest management Absorbing Co2 From Atmosphere A new way of sucking carbon dioxide from the air and storing it in the sea has been outlined by scientists. All evidence prove that the carbon dioxide emission is significantly raising, and serious efforts are required to mitigate the greenhouse. There is thus a need for improved sorbents for the capture of carbon dioxide from the atmosphere, a process. Absorbing Co2 From Atmosphere.
From www.mdpi.com
Atmosphere Free FullText Study of Absorbing CO2 from Emissions Absorbing Co2 From Atmosphere When 400 ppm co 2 air is pumped through the cof at room temperature (25 °c) and 50% humidity, it reaches half capacity in about 18 minutes and is filled in about two hours. A new way of sucking carbon dioxide from the air and storing it in the sea has been outlined by scientists. The main co 2 separation. Absorbing Co2 From Atmosphere.
From www.bbc.com
Trees Additional resources BBC Teach Absorbing Co2 From Atmosphere The main co 2 separation processes include absorption, adsorption, membrane separation, algae systems and cryogenic. When 400 ppm co 2 air is pumped through the cof at room temperature (25 °c) and 50% humidity, it reaches half capacity in about 18 minutes and is filled in about two hours. The absorbent materials are usually porous materials with maximized large surface. Absorbing Co2 From Atmosphere.
From www.e-education.psu.edu
The "Greenhouse Effect," and Global Warming METEO 3 Introductory Absorbing Co2 From Atmosphere The main co 2 separation processes include absorption, adsorption, membrane separation, algae systems and cryogenic. All evidence prove that the carbon dioxide emission is significantly raising, and serious efforts are required to mitigate the greenhouse. The authors say that this novel approach captures co2 from the atmosphere up to three times. When 400 ppm co 2 air is pumped through. Absorbing Co2 From Atmosphere.
From shellfish.ifas.ufl.edu
Environmental Benefits Florida Shellfish Aquaculture Online Resource Absorbing Co2 From Atmosphere The absorbent materials are usually porous materials with maximized large surface areas for effective co2 capture. There is thus a need for improved sorbents for the capture of carbon dioxide from the atmosphere, a process known as direct air. The main co 2 separation processes include absorption, adsorption, membrane separation, algae systems and cryogenic. The authors say that this novel. Absorbing Co2 From Atmosphere.
From climate.nasa.gov
The Atmosphere Getting a Handle on Carbon Dioxide Climate Change Absorbing Co2 From Atmosphere The authors say that this novel approach captures co2 from the atmosphere up to three times. The main co 2 separation processes include absorption, adsorption, membrane separation, algae systems and cryogenic. When 400 ppm co 2 air is pumped through the cof at room temperature (25 °c) and 50% humidity, it reaches half capacity in about 18 minutes and is. Absorbing Co2 From Atmosphere.
From gedi.umd.edu
Science Overview GEDI Absorbing Co2 From Atmosphere A new way of sucking carbon dioxide from the air and storing it in the sea has been outlined by scientists. The authors say that this novel approach captures co2 from the atmosphere up to three times. There is thus a need for improved sorbents for the capture of carbon dioxide from the atmosphere, a process known as direct air.. Absorbing Co2 From Atmosphere.
From climate.nasa.gov
The Atmosphere Getting a Handle on Carbon Dioxide Climate Change Absorbing Co2 From Atmosphere There is thus a need for improved sorbents for the capture of carbon dioxide from the atmosphere, a process known as direct air. The absorbent materials are usually porous materials with maximized large surface areas for effective co2 capture. All evidence prove that the carbon dioxide emission is significantly raising, and serious efforts are required to mitigate the greenhouse. When. Absorbing Co2 From Atmosphere.
From carbon2018.globalchange.gov
What Is the Carbon Cycle, and Why Is It Important? Second State of Absorbing Co2 From Atmosphere A new way of sucking carbon dioxide from the air and storing it in the sea has been outlined by scientists. When 400 ppm co 2 air is pumped through the cof at room temperature (25 °c) and 50% humidity, it reaches half capacity in about 18 minutes and is filled in about two hours. The absorbent materials are usually. Absorbing Co2 From Atmosphere.
From stock.adobe.com
Tree absorbs CO2 and releases O2. Carbon cycle. Photosynthesis process Absorbing Co2 From Atmosphere When 400 ppm co 2 air is pumped through the cof at room temperature (25 °c) and 50% humidity, it reaches half capacity in about 18 minutes and is filled in about two hours. There is thus a need for improved sorbents for the capture of carbon dioxide from the atmosphere, a process known as direct air. The authors say. Absorbing Co2 From Atmosphere.
From www.frontiersin.org
Frontiers Carbon Monoxide Fate in the Environment as an Inspiration Absorbing Co2 From Atmosphere All evidence prove that the carbon dioxide emission is significantly raising, and serious efforts are required to mitigate the greenhouse. There is thus a need for improved sorbents for the capture of carbon dioxide from the atmosphere, a process known as direct air. The main co 2 separation processes include absorption, adsorption, membrane separation, algae systems and cryogenic. A new. Absorbing Co2 From Atmosphere.
From climate.nasa.gov
Examining the Viability of Planting Trees to Help Mitigate Climate Absorbing Co2 From Atmosphere There is thus a need for improved sorbents for the capture of carbon dioxide from the atmosphere, a process known as direct air. The authors say that this novel approach captures co2 from the atmosphere up to three times. A new way of sucking carbon dioxide from the air and storing it in the sea has been outlined by scientists.. Absorbing Co2 From Atmosphere.
From ici.radio-canada.ca
La concentration de CO2 dans l'atmosphère à un niveau record L'heure Absorbing Co2 From Atmosphere A new way of sucking carbon dioxide from the air and storing it in the sea has been outlined by scientists. All evidence prove that the carbon dioxide emission is significantly raising, and serious efforts are required to mitigate the greenhouse. There is thus a need for improved sorbents for the capture of carbon dioxide from the atmosphere, a process. Absorbing Co2 From Atmosphere.
From www.mdpi.com
Atmosphere Free FullText Study of Absorbing CO2 from Emissions Absorbing Co2 From Atmosphere There is thus a need for improved sorbents for the capture of carbon dioxide from the atmosphere, a process known as direct air. When 400 ppm co 2 air is pumped through the cof at room temperature (25 °c) and 50% humidity, it reaches half capacity in about 18 minutes and is filled in about two hours. All evidence prove. Absorbing Co2 From Atmosphere.
From www.mdpi.com
Atmosphere Free FullText Study of Absorbing CO2 from Emissions Absorbing Co2 From Atmosphere The absorbent materials are usually porous materials with maximized large surface areas for effective co2 capture. The authors say that this novel approach captures co2 from the atmosphere up to three times. A new way of sucking carbon dioxide from the air and storing it in the sea has been outlined by scientists. All evidence prove that the carbon dioxide. Absorbing Co2 From Atmosphere.
From www.weforum.org
Environment How much carbon do forests absorb? World Economic Forum Absorbing Co2 From Atmosphere The absorbent materials are usually porous materials with maximized large surface areas for effective co2 capture. The main co 2 separation processes include absorption, adsorption, membrane separation, algae systems and cryogenic. The authors say that this novel approach captures co2 from the atmosphere up to three times. All evidence prove that the carbon dioxide emission is significantly raising, and serious. Absorbing Co2 From Atmosphere.