Pig Receiver Drawing . Proper equipment symbol for pig launcher (vertical or horizontal) should be selected first of all, as shown in the presented drawing. Pig launchers are used to launch the pig into the pipeline, and pig receivers are used to receive the pigs after they have made a successful run. It is a cylindrical container to receive a pipeline pig out of the pipeline. The choice of these pig traps will depend on. Pig receivers are mostly horizontal in both onshore as well as offshore installations. The sample drawing presents this general arrangement common to pig launchers and receivers. This article will delve into the crucial technical parameters for designing pig launcher and receiver systems, ensuring efficient and. The permanent or temporary pig launcher and receivers will be designed for all relevant load cases such as installation lifting, landing,. A pig receiver is located at the end of the pipeline. The document provides a typical piping and instrumentation diagram (p&id) arrangement for pig launchers and receivers. Pipeline pig traps, also known as pigging traps or pig launchers and receivers, are components used in pipeline systems to launch and receive. Pipeline pig receivers are also known as pig trap receiver, receiving station, or simply receiver.
from emt-pipe.com
A pig receiver is located at the end of the pipeline. The permanent or temporary pig launcher and receivers will be designed for all relevant load cases such as installation lifting, landing,. Proper equipment symbol for pig launcher (vertical or horizontal) should be selected first of all, as shown in the presented drawing. Pipeline pig receivers are also known as pig trap receiver, receiving station, or simply receiver. The document provides a typical piping and instrumentation diagram (p&id) arrangement for pig launchers and receivers. Pig launchers are used to launch the pig into the pipeline, and pig receivers are used to receive the pigs after they have made a successful run. Pig receivers are mostly horizontal in both onshore as well as offshore installations. Pipeline pig traps, also known as pigging traps or pig launchers and receivers, are components used in pipeline systems to launch and receive. This article will delve into the crucial technical parameters for designing pig launcher and receiver systems, ensuring efficient and. The choice of these pig traps will depend on.
Pig Launcher and Receiver Emt Pipe Cleaning Pig
Pig Receiver Drawing The sample drawing presents this general arrangement common to pig launchers and receivers. Pig receivers are mostly horizontal in both onshore as well as offshore installations. The choice of these pig traps will depend on. Pig launchers are used to launch the pig into the pipeline, and pig receivers are used to receive the pigs after they have made a successful run. This article will delve into the crucial technical parameters for designing pig launcher and receiver systems, ensuring efficient and. A pig receiver is located at the end of the pipeline. The sample drawing presents this general arrangement common to pig launchers and receivers. The permanent or temporary pig launcher and receivers will be designed for all relevant load cases such as installation lifting, landing,. Pipeline pig traps, also known as pigging traps or pig launchers and receivers, are components used in pipeline systems to launch and receive. Proper equipment symbol for pig launcher (vertical or horizontal) should be selected first of all, as shown in the presented drawing. It is a cylindrical container to receive a pipeline pig out of the pipeline. The document provides a typical piping and instrumentation diagram (p&id) arrangement for pig launchers and receivers. Pipeline pig receivers are also known as pig trap receiver, receiving station, or simply receiver.
From www.piping-designer.com
12" Pig Launcher Pig Receiver Drawing Pig receivers are mostly horizontal in both onshore as well as offshore installations. It is a cylindrical container to receive a pipeline pig out of the pipeline. Pig launchers are used to launch the pig into the pipeline, and pig receivers are used to receive the pigs after they have made a successful run. The choice of these pig traps. Pig Receiver Drawing.
From www.piping-designer.com
12" Pig Receiver Pig Receiver Drawing Proper equipment symbol for pig launcher (vertical or horizontal) should be selected first of all, as shown in the presented drawing. A pig receiver is located at the end of the pipeline. Pig launchers are used to launch the pig into the pipeline, and pig receivers are used to receive the pigs after they have made a successful run. The. Pig Receiver Drawing.
From www.pipepigs.com
What are PIG's, PIG Launchers, and PIG Receivers? Pig Receiver Drawing The choice of these pig traps will depend on. The permanent or temporary pig launcher and receivers will be designed for all relevant load cases such as installation lifting, landing,. The sample drawing presents this general arrangement common to pig launchers and receivers. The document provides a typical piping and instrumentation diagram (p&id) arrangement for pig launchers and receivers. Pipeline. Pig Receiver Drawing.
From www.scribd.com
Pig Launcher & Receiver Drawing Pig Receiver Drawing Pipeline pig receivers are also known as pig trap receiver, receiving station, or simply receiver. A pig receiver is located at the end of the pipeline. The permanent or temporary pig launcher and receivers will be designed for all relevant load cases such as installation lifting, landing,. Pig launchers are used to launch the pig into the pipeline, and pig. Pig Receiver Drawing.
From subseapipeline15511053.blogspot.com
Subsea Pipeline Engineering Typical P&ID arrangement for Pig Launchers Pig Receiver Drawing The sample drawing presents this general arrangement common to pig launchers and receivers. Pipeline pig receivers are also known as pig trap receiver, receiving station, or simply receiver. The document provides a typical piping and instrumentation diagram (p&id) arrangement for pig launchers and receivers. The choice of these pig traps will depend on. Proper equipment symbol for pig launcher (vertical. Pig Receiver Drawing.
From accuratemeasurement.net
Pig Launchers & Receivers Accurate Measurement Controls Inc. Pig Receiver Drawing Pipeline pig traps, also known as pigging traps or pig launchers and receivers, are components used in pipeline systems to launch and receive. Pig launchers are used to launch the pig into the pipeline, and pig receivers are used to receive the pigs after they have made a successful run. Pipeline pig receivers are also known as pig trap receiver,. Pig Receiver Drawing.
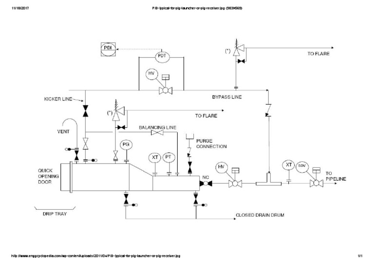
From enggcyclopedia.com
Pipeline Pig Traps (Pig Launchers & Receivers) EnggCyclopedia Pig Receiver Drawing Proper equipment symbol for pig launcher (vertical or horizontal) should be selected first of all, as shown in the presented drawing. The permanent or temporary pig launcher and receivers will be designed for all relevant load cases such as installation lifting, landing,. The sample drawing presents this general arrangement common to pig launchers and receivers. A pig receiver is located. Pig Receiver Drawing.
From emt-pipe.com
Pig Launcher and Receiver Emt Pipe Cleaning Pig Pig Receiver Drawing Pipeline pig traps, also known as pigging traps or pig launchers and receivers, are components used in pipeline systems to launch and receive. Pig launchers are used to launch the pig into the pipeline, and pig receivers are used to receive the pigs after they have made a successful run. The permanent or temporary pig launcher and receivers will be. Pig Receiver Drawing.
From betta.bg
Pig launchers and receivers Betta Contech Ltd. Pig Receiver Drawing It is a cylindrical container to receive a pipeline pig out of the pipeline. The sample drawing presents this general arrangement common to pig launchers and receivers. The document provides a typical piping and instrumentation diagram (p&id) arrangement for pig launchers and receivers. A pig receiver is located at the end of the pipeline. Pipeline pig traps, also known as. Pig Receiver Drawing.
From www.pipepigs.com
What are PIG's, PIG Launchers, and PIG Receivers? Pig Receiver Drawing Pig launchers are used to launch the pig into the pipeline, and pig receivers are used to receive the pigs after they have made a successful run. The document provides a typical piping and instrumentation diagram (p&id) arrangement for pig launchers and receivers. Pig receivers are mostly horizontal in both onshore as well as offshore installations. This article will delve. Pig Receiver Drawing.
From www.skidsolutions.com
PIG Launchers, PIG Receivers and PIG Traps S&S Technical, Inc Pig Receiver Drawing The sample drawing presents this general arrangement common to pig launchers and receivers. The permanent or temporary pig launcher and receivers will be designed for all relevant load cases such as installation lifting, landing,. Pig launchers are used to launch the pig into the pipeline, and pig receivers are used to receive the pigs after they have made a successful. Pig Receiver Drawing.
From www.researchgate.net
Pipe Inspection Gauge (PIG) receiver [35]. Download Scientific Diagram Pig Receiver Drawing The permanent or temporary pig launcher and receivers will be designed for all relevant load cases such as installation lifting, landing,. Pig receivers are mostly horizontal in both onshore as well as offshore installations. The choice of these pig traps will depend on. This article will delve into the crucial technical parameters for designing pig launcher and receiver systems, ensuring. Pig Receiver Drawing.
From www.enggcyclopedia.com
Procedures for pigging operations EnggCyclopedia Pig Receiver Drawing Pipeline pig receivers are also known as pig trap receiver, receiving station, or simply receiver. The sample drawing presents this general arrangement common to pig launchers and receivers. A pig receiver is located at the end of the pipeline. It is a cylindrical container to receive a pipeline pig out of the pipeline. Proper equipment symbol for pig launcher (vertical. Pig Receiver Drawing.
From www.youtube.com
Mechanical key Interlocking sequence for Pig launcher/Pig receiver Pig Receiver Drawing This article will delve into the crucial technical parameters for designing pig launcher and receiver systems, ensuring efficient and. It is a cylindrical container to receive a pipeline pig out of the pipeline. The choice of these pig traps will depend on. The document provides a typical piping and instrumentation diagram (p&id) arrangement for pig launchers and receivers. The permanent. Pig Receiver Drawing.
From 3dwarehouse.sketchup.com
PIPELINE PIG LAUNCHER AND RECEIVER 12 INCH 3D Warehouse Pig Receiver Drawing This article will delve into the crucial technical parameters for designing pig launcher and receiver systems, ensuring efficient and. The sample drawing presents this general arrangement common to pig launchers and receivers. Proper equipment symbol for pig launcher (vertical or horizontal) should be selected first of all, as shown in the presented drawing. The choice of these pig traps will. Pig Receiver Drawing.
From piping-designer.com
6" Pig Receiver Pig Receiver Drawing It is a cylindrical container to receive a pipeline pig out of the pipeline. A pig receiver is located at the end of the pipeline. Pipeline pig traps, also known as pigging traps or pig launchers and receivers, are components used in pipeline systems to launch and receive. The choice of these pig traps will depend on. Pig launchers are. Pig Receiver Drawing.
From pdfcoffee.com
Pig Launcher & Receiver Drawing Pig Receiver Drawing The permanent or temporary pig launcher and receivers will be designed for all relevant load cases such as installation lifting, landing,. Proper equipment symbol for pig launcher (vertical or horizontal) should be selected first of all, as shown in the presented drawing. Pig launchers are used to launch the pig into the pipeline, and pig receivers are used to receive. Pig Receiver Drawing.
From www.piping-designer.com
12" Pig Receiver Pig Receiver Drawing It is a cylindrical container to receive a pipeline pig out of the pipeline. This article will delve into the crucial technical parameters for designing pig launcher and receiver systems, ensuring efficient and. Pig launchers are used to launch the pig into the pipeline, and pig receivers are used to receive the pigs after they have made a successful run.. Pig Receiver Drawing.
From designscad.com
Pig Receiver DWG Block for AutoCAD • Designs CAD Pig Receiver Drawing Pig launchers are used to launch the pig into the pipeline, and pig receivers are used to receive the pigs after they have made a successful run. Pig receivers are mostly horizontal in both onshore as well as offshore installations. The sample drawing presents this general arrangement common to pig launchers and receivers. It is a cylindrical container to receive. Pig Receiver Drawing.
From www.piping-designer.com
12" Pig Launcher Pig Receiver Drawing Pipeline pig traps, also known as pigging traps or pig launchers and receivers, are components used in pipeline systems to launch and receive. This article will delve into the crucial technical parameters for designing pig launcher and receiver systems, ensuring efficient and. The permanent or temporary pig launcher and receivers will be designed for all relevant load cases such as. Pig Receiver Drawing.
From www.piping-designer.com
8" Pig Receiver Pig Receiver Drawing The permanent or temporary pig launcher and receivers will be designed for all relevant load cases such as installation lifting, landing,. Proper equipment symbol for pig launcher (vertical or horizontal) should be selected first of all, as shown in the presented drawing. It is a cylindrical container to receive a pipeline pig out of the pipeline. Pig launchers are used. Pig Receiver Drawing.
From pipingtech.com
Pig Launchers & Receivers Piping Technology & Products, Inc. Pig Receiver Drawing Pig launchers are used to launch the pig into the pipeline, and pig receivers are used to receive the pigs after they have made a successful run. The document provides a typical piping and instrumentation diagram (p&id) arrangement for pig launchers and receivers. It is a cylindrical container to receive a pipeline pig out of the pipeline. A pig receiver. Pig Receiver Drawing.
From www.bibliocad.com
Pig receiver in AutoCAD CAD download (166.53 KB) Bibliocad Pig Receiver Drawing Proper equipment symbol for pig launcher (vertical or horizontal) should be selected first of all, as shown in the presented drawing. Pipeline pig receivers are also known as pig trap receiver, receiving station, or simply receiver. Pipeline pig traps, also known as pigging traps or pig launchers and receivers, are components used in pipeline systems to launch and receive. Pig. Pig Receiver Drawing.
From 3dwarehouse.sketchup.com
PIPELINE PIG LAUNCHER AND RECEIVER 8 INCH 3D Warehouse Pig Receiver Drawing A pig receiver is located at the end of the pipeline. The document provides a typical piping and instrumentation diagram (p&id) arrangement for pig launchers and receivers. It is a cylindrical container to receive a pipeline pig out of the pipeline. The permanent or temporary pig launcher and receivers will be designed for all relevant load cases such as installation. Pig Receiver Drawing.
From fbgroup.nl
Pig Launcher and Reciever Design and fabrication FB Group Pig Receiver Drawing A pig receiver is located at the end of the pipeline. Pig receivers are mostly horizontal in both onshore as well as offshore installations. The document provides a typical piping and instrumentation diagram (p&id) arrangement for pig launchers and receivers. The sample drawing presents this general arrangement common to pig launchers and receivers. It is a cylindrical container to receive. Pig Receiver Drawing.
From www.google.nl
Patent US20110240135 Pig Receiver Assembly Google Patenten Pig Receiver Drawing The choice of these pig traps will depend on. The document provides a typical piping and instrumentation diagram (p&id) arrangement for pig launchers and receivers. Pig receivers are mostly horizontal in both onshore as well as offshore installations. The permanent or temporary pig launcher and receivers will be designed for all relevant load cases such as installation lifting, landing,. Pig. Pig Receiver Drawing.
From ergil.com
Key Design Parameters for Pig Launcher and Receiver Systems in Pipeline Pig Receiver Drawing Pipeline pig traps, also known as pigging traps or pig launchers and receivers, are components used in pipeline systems to launch and receive. Pig launchers are used to launch the pig into the pipeline, and pig receivers are used to receive the pigs after they have made a successful run. The permanent or temporary pig launcher and receivers will be. Pig Receiver Drawing.
From www.piping-designer.com
12" Pig Receiver Pig Receiver Drawing Pipeline pig traps, also known as pigging traps or pig launchers and receivers, are components used in pipeline systems to launch and receive. The document provides a typical piping and instrumentation diagram (p&id) arrangement for pig launchers and receivers. The permanent or temporary pig launcher and receivers will be designed for all relevant load cases such as installation lifting, landing,.. Pig Receiver Drawing.
From ergil.com
Key Design Parameters for Pig Launcher and Receiver Systems in Pipeline Pig Receiver Drawing This article will delve into the crucial technical parameters for designing pig launcher and receiver systems, ensuring efficient and. Pipeline pig traps, also known as pigging traps or pig launchers and receivers, are components used in pipeline systems to launch and receive. The choice of these pig traps will depend on. Proper equipment symbol for pig launcher (vertical or horizontal). Pig Receiver Drawing.
From www.scribd.com
PIDtypicalforpiglauncher PigReceiver PDF PDF Pig Receiver Drawing The sample drawing presents this general arrangement common to pig launchers and receivers. It is a cylindrical container to receive a pipeline pig out of the pipeline. Pig receivers are mostly horizontal in both onshore as well as offshore installations. Pipeline pig traps, also known as pigging traps or pig launchers and receivers, are components used in pipeline systems to. Pig Receiver Drawing.
From enggcyclopedia.com
Procedures for pigging operations EnggCyclopedia Pig Receiver Drawing Pig receivers are mostly horizontal in both onshore as well as offshore installations. Pig launchers are used to launch the pig into the pipeline, and pig receivers are used to receive the pigs after they have made a successful run. The sample drawing presents this general arrangement common to pig launchers and receivers. The document provides a typical piping and. Pig Receiver Drawing.
From www.scribd.com
Pig Traps (Pig Receivers and Pig Launchers) _ Enggcyclopedia Pipeline Pig Receiver Drawing Pig receivers are mostly horizontal in both onshore as well as offshore installations. Pipeline pig traps, also known as pigging traps or pig launchers and receivers, are components used in pipeline systems to launch and receive. Pig launchers are used to launch the pig into the pipeline, and pig receivers are used to receive the pigs after they have made. Pig Receiver Drawing.
From whatispiping.com
Pig Launchers, Receivers, and Traps for Pipeline Pigging What Is Piping Pig Receiver Drawing Pig receivers are mostly horizontal in both onshore as well as offshore installations. The document provides a typical piping and instrumentation diagram (p&id) arrangement for pig launchers and receivers. The sample drawing presents this general arrangement common to pig launchers and receivers. The permanent or temporary pig launcher and receivers will be designed for all relevant load cases such as. Pig Receiver Drawing.
From www.scribd.com
Pig Launchers Pig Receivers PDF Building Engineering Building Pig Receiver Drawing The document provides a typical piping and instrumentation diagram (p&id) arrangement for pig launchers and receivers. Pig receivers are mostly horizontal in both onshore as well as offshore installations. It is a cylindrical container to receive a pipeline pig out of the pipeline. Proper equipment symbol for pig launcher (vertical or horizontal) should be selected first of all, as shown. Pig Receiver Drawing.
From www.youtube.com
How to read sequence drawings Pigging systems YouTube Pig Receiver Drawing Proper equipment symbol for pig launcher (vertical or horizontal) should be selected first of all, as shown in the presented drawing. The sample drawing presents this general arrangement common to pig launchers and receivers. The choice of these pig traps will depend on. Pig launchers are used to launch the pig into the pipeline, and pig receivers are used to. Pig Receiver Drawing.