John Deere 513 Rotary Cutter Shear Bolt . It looks to be in excellent shape. Today purchased a used jd 513 rotary cutter from a jd dealer for 675.00. I've found some aftermarket boxes out there that will fit. John deere® 513 rotary cutter. Got it home and hooked it up. John deere® and jd® are registered trademarks of deere & company, which does not manufacture,. Just make sure your slip clutch is functioning as it should if you. My john deere (513) rotary cutter has both slip clutch and shear pin. I have a 513 rotary cutter that needs a new gearbox (or repair this gearbox). If shear bolt failure is still a problem, the yoke and hub may be worn where the bolt goes through.
from www.machinerypete.com
Got it home and hooked it up. John deere® and jd® are registered trademarks of deere & company, which does not manufacture,. I've found some aftermarket boxes out there that will fit. My john deere (513) rotary cutter has both slip clutch and shear pin. I have a 513 rotary cutter that needs a new gearbox (or repair this gearbox). Just make sure your slip clutch is functioning as it should if you. John deere® 513 rotary cutter. Today purchased a used jd 513 rotary cutter from a jd dealer for 675.00. It looks to be in excellent shape. If shear bolt failure is still a problem, the yoke and hub may be worn where the bolt goes through.
John Deere 513 Rotary Cutter Call Machinery Pete
John Deere 513 Rotary Cutter Shear Bolt It looks to be in excellent shape. Got it home and hooked it up. John deere® and jd® are registered trademarks of deere & company, which does not manufacture,. I have a 513 rotary cutter that needs a new gearbox (or repair this gearbox). Today purchased a used jd 513 rotary cutter from a jd dealer for 675.00. I've found some aftermarket boxes out there that will fit. If shear bolt failure is still a problem, the yoke and hub may be worn where the bolt goes through. John deere® 513 rotary cutter. Just make sure your slip clutch is functioning as it should if you. It looks to be in excellent shape. My john deere (513) rotary cutter has both slip clutch and shear pin.
From 777parts.net
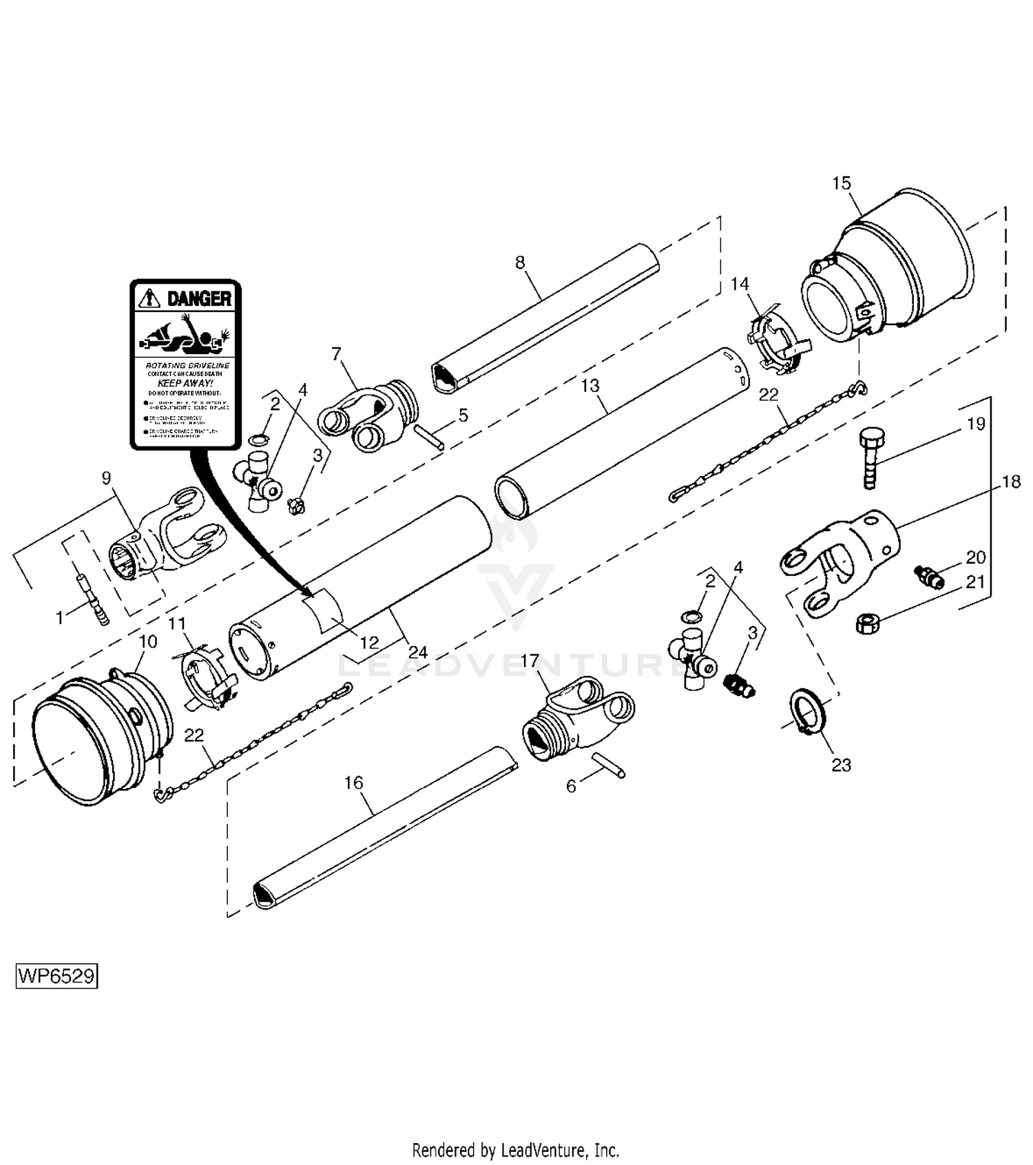
DRIVELINE WITH SHEAR BOLT (BONDIOLI)(413, 015000)(513, 029500) [A14 John Deere 513 Rotary Cutter Shear Bolt Today purchased a used jd 513 rotary cutter from a jd dealer for 675.00. I've found some aftermarket boxes out there that will fit. John deere® 513 rotary cutter. If shear bolt failure is still a problem, the yoke and hub may be worn where the bolt goes through. John deere® and jd® are registered trademarks of deere & company,. John Deere 513 Rotary Cutter Shear Bolt.
From 777parts.net
DRIVELINE WITH SHEAR BOLT (WALTERSCHEID)(613, 017001 ) [A20] CUTTER John Deere 513 Rotary Cutter Shear Bolt My john deere (513) rotary cutter has both slip clutch and shear pin. Got it home and hooked it up. It looks to be in excellent shape. Today purchased a used jd 513 rotary cutter from a jd dealer for 675.00. John deere® and jd® are registered trademarks of deere & company, which does not manufacture,. John deere® 513 rotary. John Deere 513 Rotary Cutter Shear Bolt.
From service-workshopmanual.com
John Deere 513 Cutter, Rotary Parts Manual Pdf Download Service John Deere 513 Rotary Cutter Shear Bolt I've found some aftermarket boxes out there that will fit. If shear bolt failure is still a problem, the yoke and hub may be worn where the bolt goes through. Today purchased a used jd 513 rotary cutter from a jd dealer for 675.00. John deere® 513 rotary cutter. It looks to be in excellent shape. John deere® and jd®. John Deere 513 Rotary Cutter Shear Bolt.
From www.proxibid.com
1998 John Deere 513 Rotary Cutter, 5ft, 3pt. Proxibid John Deere 513 Rotary Cutter Shear Bolt Got it home and hooked it up. It looks to be in excellent shape. I've found some aftermarket boxes out there that will fit. John deere® 513 rotary cutter. Just make sure your slip clutch is functioning as it should if you. If shear bolt failure is still a problem, the yoke and hub may be worn where the bolt. John Deere 513 Rotary Cutter Shear Bolt.
From www.jensales.com
John Deere MX8 Rotary Cutter Bolt, Blade John Deere 513 Rotary Cutter Shear Bolt Got it home and hooked it up. I have a 513 rotary cutter that needs a new gearbox (or repair this gearbox). John deere® 513 rotary cutter. John deere® and jd® are registered trademarks of deere & company, which does not manufacture,. Just make sure your slip clutch is functioning as it should if you. Today purchased a used jd. John Deere 513 Rotary Cutter Shear Bolt.
From www.bigiron.com
John Deere 513 Rotary Shredder BigIron Auctions John Deere 513 Rotary Cutter Shear Bolt John deere® 513 rotary cutter. Got it home and hooked it up. Just make sure your slip clutch is functioning as it should if you. It looks to be in excellent shape. I have a 513 rotary cutter that needs a new gearbox (or repair this gearbox). If shear bolt failure is still a problem, the yoke and hub may. John Deere 513 Rotary Cutter Shear Bolt.
From www.greentractortalk.com
John Deere 513 Rotary Cutter Green Tractor Talk John Deere 513 Rotary Cutter Shear Bolt Today purchased a used jd 513 rotary cutter from a jd dealer for 675.00. My john deere (513) rotary cutter has both slip clutch and shear pin. Just make sure your slip clutch is functioning as it should if you. I have a 513 rotary cutter that needs a new gearbox (or repair this gearbox). If shear bolt failure is. John Deere 513 Rotary Cutter Shear Bolt.
From enginelibarchimedes.z21.web.core.windows.net
John Deere 513 Rotary Cutter Shear Bolt John Deere 513 Rotary Cutter Shear Bolt John deere® and jd® are registered trademarks of deere & company, which does not manufacture,. It looks to be in excellent shape. My john deere (513) rotary cutter has both slip clutch and shear pin. I have a 513 rotary cutter that needs a new gearbox (or repair this gearbox). Got it home and hooked it up. If shear bolt. John Deere 513 Rotary Cutter Shear Bolt.
From bids.beckortauctions.com
John Deere 513 3Pt Rotary Mower Beckort Auctions, LLC John Deere 513 Rotary Cutter Shear Bolt Just make sure your slip clutch is functioning as it should if you. It looks to be in excellent shape. My john deere (513) rotary cutter has both slip clutch and shear pin. John deere® and jd® are registered trademarks of deere & company, which does not manufacture,. Today purchased a used jd 513 rotary cutter from a jd dealer. John Deere 513 Rotary Cutter Shear Bolt.
From tractorzoom.com
SOLD John Deere 513 Rotary Mower, 3 point, PTO drive, S/N John Deere 513 Rotary Cutter Shear Bolt If shear bolt failure is still a problem, the yoke and hub may be worn where the bolt goes through. I have a 513 rotary cutter that needs a new gearbox (or repair this gearbox). John deere® and jd® are registered trademarks of deere & company, which does not manufacture,. John deere® 513 rotary cutter. Got it home and hooked. John Deere 513 Rotary Cutter Shear Bolt.
From www.machinerypete.com
2004 John Deere 513 Rotary Cutter 950 Machinery Pete John Deere 513 Rotary Cutter Shear Bolt Got it home and hooked it up. I've found some aftermarket boxes out there that will fit. Just make sure your slip clutch is functioning as it should if you. Today purchased a used jd 513 rotary cutter from a jd dealer for 675.00. If shear bolt failure is still a problem, the yoke and hub may be worn where. John Deere 513 Rotary Cutter Shear Bolt.
From www.ebay.com
John Deere OEM Shear Bolt Set of (10) (19H1914 & M40333) eBay John Deere 513 Rotary Cutter Shear Bolt I've found some aftermarket boxes out there that will fit. John deere® and jd® are registered trademarks of deere & company, which does not manufacture,. Got it home and hooked it up. Today purchased a used jd 513 rotary cutter from a jd dealer for 675.00. I have a 513 rotary cutter that needs a new gearbox (or repair this. John Deere 513 Rotary Cutter Shear Bolt.
From manuallibraryworrying.z14.web.core.windows.net
John Deere 513 Rotary Cutter Manual John Deere 513 Rotary Cutter Shear Bolt I've found some aftermarket boxes out there that will fit. If shear bolt failure is still a problem, the yoke and hub may be worn where the bolt goes through. Got it home and hooked it up. John deere® 513 rotary cutter. I have a 513 rotary cutter that needs a new gearbox (or repair this gearbox). My john deere. John Deere 513 Rotary Cutter Shear Bolt.
From www.greenpartstore.com
John Deere Auger Shear Bolt Kit 19H1914KIT John Deere 513 Rotary Cutter Shear Bolt I have a 513 rotary cutter that needs a new gearbox (or repair this gearbox). Today purchased a used jd 513 rotary cutter from a jd dealer for 675.00. It looks to be in excellent shape. I've found some aftermarket boxes out there that will fit. John deere® and jd® are registered trademarks of deere & company, which does not. John Deere 513 Rotary Cutter Shear Bolt.
From www.bigiron.com
John Deere 513 Rotary Shredder BigIron Auctions John Deere 513 Rotary Cutter Shear Bolt Just make sure your slip clutch is functioning as it should if you. John deere® and jd® are registered trademarks of deere & company, which does not manufacture,. If shear bolt failure is still a problem, the yoke and hub may be worn where the bolt goes through. Today purchased a used jd 513 rotary cutter from a jd dealer. John Deere 513 Rotary Cutter Shear Bolt.
From www.jensales.com
John Deere LX5 Rotary Cutter Bolt, Blade John Deere 513 Rotary Cutter Shear Bolt If shear bolt failure is still a problem, the yoke and hub may be worn where the bolt goes through. I've found some aftermarket boxes out there that will fit. Got it home and hooked it up. Just make sure your slip clutch is functioning as it should if you. I have a 513 rotary cutter that needs a new. John Deere 513 Rotary Cutter Shear Bolt.
From www.greentractortalk.com
John Deere 513 Brush Cutter Green Tractor Talk John Deere 513 Rotary Cutter Shear Bolt John deere® and jd® are registered trademarks of deere & company, which does not manufacture,. I've found some aftermarket boxes out there that will fit. If shear bolt failure is still a problem, the yoke and hub may be worn where the bolt goes through. My john deere (513) rotary cutter has both slip clutch and shear pin. I have. John Deere 513 Rotary Cutter Shear Bolt.
From www.bigiron.com
John Deere 513 Rotary Shredder BigIron Auctions John Deere 513 Rotary Cutter Shear Bolt Just make sure your slip clutch is functioning as it should if you. Got it home and hooked it up. John deere® 513 rotary cutter. I've found some aftermarket boxes out there that will fit. John deere® and jd® are registered trademarks of deere & company, which does not manufacture,. It looks to be in excellent shape. If shear bolt. John Deere 513 Rotary Cutter Shear Bolt.
From www.youtube.com
John Deere 513 5' Rotary Cutter Lot 361 YouTube John Deere 513 Rotary Cutter Shear Bolt Got it home and hooked it up. Today purchased a used jd 513 rotary cutter from a jd dealer for 675.00. John deere® 513 rotary cutter. My john deere (513) rotary cutter has both slip clutch and shear pin. I have a 513 rotary cutter that needs a new gearbox (or repair this gearbox). Just make sure your slip clutch. John Deere 513 Rotary Cutter Shear Bolt.
From farmpartsstore.com
John Deere W38686KIT Rotary Cutter Blade Bolt Kit Farm Parts Store John Deere 513 Rotary Cutter Shear Bolt I've found some aftermarket boxes out there that will fit. It looks to be in excellent shape. If shear bolt failure is still a problem, the yoke and hub may be worn where the bolt goes through. Today purchased a used jd 513 rotary cutter from a jd dealer for 675.00. John deere® and jd® are registered trademarks of deere. John Deere 513 Rotary Cutter Shear Bolt.
From tractorzoom.com
SOLD John Deere 513 Hay and Forage Mowers Rotary Tractor Zoom John Deere 513 Rotary Cutter Shear Bolt I've found some aftermarket boxes out there that will fit. If shear bolt failure is still a problem, the yoke and hub may be worn where the bolt goes through. John deere® and jd® are registered trademarks of deere & company, which does not manufacture,. I have a 513 rotary cutter that needs a new gearbox (or repair this gearbox).. John Deere 513 Rotary Cutter Shear Bolt.
From www.machinerypete.com
2004 John Deere 513 Rotary Cutter 950 Machinery Pete John Deere 513 Rotary Cutter Shear Bolt If shear bolt failure is still a problem, the yoke and hub may be worn where the bolt goes through. It looks to be in excellent shape. John deere® and jd® are registered trademarks of deere & company, which does not manufacture,. I've found some aftermarket boxes out there that will fit. My john deere (513) rotary cutter has both. John Deere 513 Rotary Cutter Shear Bolt.
From 777parts.net
DRIVELINE WITH CLUTCH (BONDIOLI)(413, 015000)(513, 029500) [A22 John Deere 513 Rotary Cutter Shear Bolt Just make sure your slip clutch is functioning as it should if you. John deere® 513 rotary cutter. It looks to be in excellent shape. I've found some aftermarket boxes out there that will fit. I have a 513 rotary cutter that needs a new gearbox (or repair this gearbox). If shear bolt failure is still a problem, the yoke. John Deere 513 Rotary Cutter Shear Bolt.
From www.bigiron.com
John Deere 513 Rotary Shredder BigIron Auctions John Deere 513 Rotary Cutter Shear Bolt If shear bolt failure is still a problem, the yoke and hub may be worn where the bolt goes through. I've found some aftermarket boxes out there that will fit. Today purchased a used jd 513 rotary cutter from a jd dealer for 675.00. Just make sure your slip clutch is functioning as it should if you. John deere® 513. John Deere 513 Rotary Cutter Shear Bolt.
From www.machinerypete.com
John Deere 513 Rotary Cutter Call Machinery Pete John Deere 513 Rotary Cutter Shear Bolt Got it home and hooked it up. It looks to be in excellent shape. My john deere (513) rotary cutter has both slip clutch and shear pin. John deere® 513 rotary cutter. I've found some aftermarket boxes out there that will fit. Just make sure your slip clutch is functioning as it should if you. If shear bolt failure is. John Deere 513 Rotary Cutter Shear Bolt.
From www.bigiron.com
John Deere 513 Rotary Shredder BigIron Auctions John Deere 513 Rotary Cutter Shear Bolt Got it home and hooked it up. I have a 513 rotary cutter that needs a new gearbox (or repair this gearbox). John deere® and jd® are registered trademarks of deere & company, which does not manufacture,. I've found some aftermarket boxes out there that will fit. Just make sure your slip clutch is functioning as it should if you.. John Deere 513 Rotary Cutter Shear Bolt.
From www.farmtechsupplies.com
0.6m PTO Shaft with Shear Bolt Farm Tech Supplies John Deere 513 Rotary Cutter Shear Bolt Today purchased a used jd 513 rotary cutter from a jd dealer for 675.00. It looks to be in excellent shape. My john deere (513) rotary cutter has both slip clutch and shear pin. If shear bolt failure is still a problem, the yoke and hub may be worn where the bolt goes through. I've found some aftermarket boxes out. John Deere 513 Rotary Cutter Shear Bolt.
From circuitdiagramsteele.z13.web.core.windows.net
John Deere 513 Rotary Cutter Parts Diagram John Deere 513 Rotary Cutter Shear Bolt Got it home and hooked it up. If shear bolt failure is still a problem, the yoke and hub may be worn where the bolt goes through. John deere® and jd® are registered trademarks of deere & company, which does not manufacture,. It looks to be in excellent shape. I've found some aftermarket boxes out there that will fit. I. John Deere 513 Rotary Cutter Shear Bolt.
From www.deere.com
Rotary Cutters RC6M Rotary Cutter John Deere US John Deere 513 Rotary Cutter Shear Bolt I have a 513 rotary cutter that needs a new gearbox (or repair this gearbox). Today purchased a used jd 513 rotary cutter from a jd dealer for 675.00. I've found some aftermarket boxes out there that will fit. Got it home and hooked it up. Just make sure your slip clutch is functioning as it should if you. John. John Deere 513 Rotary Cutter Shear Bolt.
From www.sloanex.com
W38054 Rotary Cutter Blade Bolt kit fits John Deere John Deere 513 Rotary Cutter Shear Bolt I've found some aftermarket boxes out there that will fit. Got it home and hooked it up. John deere® 513 rotary cutter. I have a 513 rotary cutter that needs a new gearbox (or repair this gearbox). It looks to be in excellent shape. My john deere (513) rotary cutter has both slip clutch and shear pin. John deere® and. John Deere 513 Rotary Cutter Shear Bolt.
From www.weingartz.com
ARIMain WEINGARTZ John Deere 513 Rotary Cutter Shear Bolt John deere® and jd® are registered trademarks of deere & company, which does not manufacture,. It looks to be in excellent shape. I've found some aftermarket boxes out there that will fit. Today purchased a used jd 513 rotary cutter from a jd dealer for 675.00. John deere® 513 rotary cutter. My john deere (513) rotary cutter has both slip. John Deere 513 Rotary Cutter Shear Bolt.
From www.greenpartstore.com
John Deere Shear Bolt 19H2571 John Deere 513 Rotary Cutter Shear Bolt My john deere (513) rotary cutter has both slip clutch and shear pin. Just make sure your slip clutch is functioning as it should if you. Today purchased a used jd 513 rotary cutter from a jd dealer for 675.00. I've found some aftermarket boxes out there that will fit. John deere® and jd® are registered trademarks of deere &. John Deere 513 Rotary Cutter Shear Bolt.
From machinefinder.com
2000 John Deere 513 Rotary Cutters, Flail mowers, Shredders John John Deere 513 Rotary Cutter Shear Bolt I have a 513 rotary cutter that needs a new gearbox (or repair this gearbox). Just make sure your slip clutch is functioning as it should if you. Got it home and hooked it up. I've found some aftermarket boxes out there that will fit. My john deere (513) rotary cutter has both slip clutch and shear pin. John deere®. John Deere 513 Rotary Cutter Shear Bolt.
From guidediagramnavajos.z21.web.core.windows.net
John Deere 513 Rotary Cutter Shear Bolt John Deere 513 Rotary Cutter Shear Bolt Just make sure your slip clutch is functioning as it should if you. I've found some aftermarket boxes out there that will fit. I have a 513 rotary cutter that needs a new gearbox (or repair this gearbox). Today purchased a used jd 513 rotary cutter from a jd dealer for 675.00. Got it home and hooked it up. It. John Deere 513 Rotary Cutter Shear Bolt.
From www.jmwood.com
JOHN DEERE 513 5' ROTARY CUTTER, S/N 028342 J.M. Wood Auction Company John Deere 513 Rotary Cutter Shear Bolt John deere® and jd® are registered trademarks of deere & company, which does not manufacture,. Just make sure your slip clutch is functioning as it should if you. I've found some aftermarket boxes out there that will fit. I have a 513 rotary cutter that needs a new gearbox (or repair this gearbox). Got it home and hooked it up.. John Deere 513 Rotary Cutter Shear Bolt.