Sump Pit Clogged . Over time, sump pumps and their discharge pipes can become clogged with dirt, sediment, or debris. Clogged sump pump or discharge pipe. A clogged sump pump drain line is a common problem for homeowners. Inadequate installation or sizing, insufficient rain or snow in the region, a low water table, clogged or frozen discharge pipes, and overreliance on the sump pump pit are all potential issues that could lead to a dry pit. If a clogged sump pump goes unfixed, it can flood your basement and cause other major household problems. How to unclog a sump pump. When the discharge line becomes clogged, the clog will block water. In the coldest days of winter, discharge lines may freeze. Ignoring float switch sump pump issues can lead to uncontrolled water accumulation in the pit, leading to overflowing and basement flooding.
from cleanairradonsystems.com
Clogged sump pump or discharge pipe. If a clogged sump pump goes unfixed, it can flood your basement and cause other major household problems. In the coldest days of winter, discharge lines may freeze. When the discharge line becomes clogged, the clog will block water. How to unclog a sump pump. Inadequate installation or sizing, insufficient rain or snow in the region, a low water table, clogged or frozen discharge pipes, and overreliance on the sump pump pit are all potential issues that could lead to a dry pit. Ignoring float switch sump pump issues can lead to uncontrolled water accumulation in the pit, leading to overflowing and basement flooding. A clogged sump pump drain line is a common problem for homeowners. Over time, sump pumps and their discharge pipes can become clogged with dirt, sediment, or debris.
Sump Pit Clean Air Radon Systems
Sump Pit Clogged In the coldest days of winter, discharge lines may freeze. Over time, sump pumps and their discharge pipes can become clogged with dirt, sediment, or debris. Inadequate installation or sizing, insufficient rain or snow in the region, a low water table, clogged or frozen discharge pipes, and overreliance on the sump pump pit are all potential issues that could lead to a dry pit. In the coldest days of winter, discharge lines may freeze. Clogged sump pump or discharge pipe. A clogged sump pump drain line is a common problem for homeowners. When the discharge line becomes clogged, the clog will block water. How to unclog a sump pump. If a clogged sump pump goes unfixed, it can flood your basement and cause other major household problems. Ignoring float switch sump pump issues can lead to uncontrolled water accumulation in the pit, leading to overflowing and basement flooding.
From www.plbg.com
Sewer clogged/cracked creating waterfall in sump pit Sump Pit Clogged A clogged sump pump drain line is a common problem for homeowners. When the discharge line becomes clogged, the clog will block water. In the coldest days of winter, discharge lines may freeze. How to unclog a sump pump. If a clogged sump pump goes unfixed, it can flood your basement and cause other major household problems. Ignoring float switch. Sump Pit Clogged.
From www.plbg.com
Sewer clogged/cracked creating waterfall in sump pit Sump Pit Clogged In the coldest days of winter, discharge lines may freeze. Over time, sump pumps and their discharge pipes can become clogged with dirt, sediment, or debris. If a clogged sump pump goes unfixed, it can flood your basement and cause other major household problems. Inadequate installation or sizing, insufficient rain or snow in the region, a low water table, clogged. Sump Pit Clogged.
From www.basementsystems.ca
Clogged Sump Pump Systems How Does It Happen? Clogged Sump Pumps Sump Pit Clogged How to unclog a sump pump. When the discharge line becomes clogged, the clog will block water. Over time, sump pumps and their discharge pipes can become clogged with dirt, sediment, or debris. Clogged sump pump or discharge pipe. Inadequate installation or sizing, insufficient rain or snow in the region, a low water table, clogged or frozen discharge pipes, and. Sump Pit Clogged.
From www.pinterest.com
WHAT IS SUMP PUMP CROCK? AND INSTALLATION GUIDE Sump pump, Sump, Sump pit Sump Pit Clogged If a clogged sump pump goes unfixed, it can flood your basement and cause other major household problems. Inadequate installation or sizing, insufficient rain or snow in the region, a low water table, clogged or frozen discharge pipes, and overreliance on the sump pump pit are all potential issues that could lead to a dry pit. How to unclog a. Sump Pit Clogged.
From www.basementsystems.ca
Sump Pump Discharge Lines & Outdoor Drainage Sump Pit Clogged Over time, sump pumps and their discharge pipes can become clogged with dirt, sediment, or debris. How to unclog a sump pump. Inadequate installation or sizing, insufficient rain or snow in the region, a low water table, clogged or frozen discharge pipes, and overreliance on the sump pump pit are all potential issues that could lead to a dry pit.. Sump Pit Clogged.
From diy.stackexchange.com
How to seal sump pit with removable cover Home Improvement Stack Exchange Sump Pit Clogged Over time, sump pumps and their discharge pipes can become clogged with dirt, sediment, or debris. If a clogged sump pump goes unfixed, it can flood your basement and cause other major household problems. When the discharge line becomes clogged, the clog will block water. In the coldest days of winter, discharge lines may freeze. Clogged sump pump or discharge. Sump Pit Clogged.
From www.plbg.com
Sewer clogged/cracked creating waterfall in sump pit Sump Pit Clogged When the discharge line becomes clogged, the clog will block water. In the coldest days of winter, discharge lines may freeze. Ignoring float switch sump pump issues can lead to uncontrolled water accumulation in the pit, leading to overflowing and basement flooding. Over time, sump pumps and their discharge pipes can become clogged with dirt, sediment, or debris. A clogged. Sump Pit Clogged.
From www.basementsunlimitedllc.com
Interior Drain Tile and Sump Pit Basement Project in Green Bay Sump Pit Clogged Ignoring float switch sump pump issues can lead to uncontrolled water accumulation in the pit, leading to overflowing and basement flooding. Over time, sump pumps and their discharge pipes can become clogged with dirt, sediment, or debris. A clogged sump pump drain line is a common problem for homeowners. When the discharge line becomes clogged, the clog will block water.. Sump Pit Clogged.
From buildbetterhouse.com
Is Your Sump Pump Clogged? 5 Ways To Fix It Build Better House Sump Pit Clogged Inadequate installation or sizing, insufficient rain or snow in the region, a low water table, clogged or frozen discharge pipes, and overreliance on the sump pump pit are all potential issues that could lead to a dry pit. When the discharge line becomes clogged, the clog will block water. In the coldest days of winter, discharge lines may freeze. Over. Sump Pit Clogged.
From www.drymich.com
What Causes A Faulty Sump Pump Foundation Systems of Michigan Sump Pit Clogged When the discharge line becomes clogged, the clog will block water. If a clogged sump pump goes unfixed, it can flood your basement and cause other major household problems. In the coldest days of winter, discharge lines may freeze. How to unclog a sump pump. Over time, sump pumps and their discharge pipes can become clogged with dirt, sediment, or. Sump Pit Clogged.
From www.basementsystems.co.uk
Clogged Sump Pump Systems How Does It Happen? Clogged Sump Pumps Sump Pit Clogged Clogged sump pump or discharge pipe. Over time, sump pumps and their discharge pipes can become clogged with dirt, sediment, or debris. Inadequate installation or sizing, insufficient rain or snow in the region, a low water table, clogged or frozen discharge pipes, and overreliance on the sump pump pit are all potential issues that could lead to a dry pit.. Sump Pit Clogged.
From sherwoodinspection.com
How to Unclog Your Sump Pump Sherwood Inspection Sump Pit Clogged How to unclog a sump pump. A clogged sump pump drain line is a common problem for homeowners. Clogged sump pump or discharge pipe. In the coldest days of winter, discharge lines may freeze. Inadequate installation or sizing, insufficient rain or snow in the region, a low water table, clogged or frozen discharge pipes, and overreliance on the sump pump. Sump Pit Clogged.
From www.jointsealwaterproofing.com
Clogged Drain and Broken Sump Pump Other Causes of Elevator Pit Leaks Sump Pit Clogged When the discharge line becomes clogged, the clog will block water. Over time, sump pumps and their discharge pipes can become clogged with dirt, sediment, or debris. If a clogged sump pump goes unfixed, it can flood your basement and cause other major household problems. Clogged sump pump or discharge pipe. Ignoring float switch sump pump issues can lead to. Sump Pit Clogged.
From waterfilterguru.com
What is a Sump Pit & Should Your Basement Need One? Sump Pit Clogged Inadequate installation or sizing, insufficient rain or snow in the region, a low water table, clogged or frozen discharge pipes, and overreliance on the sump pump pit are all potential issues that could lead to a dry pit. Ignoring float switch sump pump issues can lead to uncontrolled water accumulation in the pit, leading to overflowing and basement flooding. A. Sump Pit Clogged.
From everdryatlanta.com
Sump Pit Installation Benefits Everdry Waterproofing Atlanta Sump Pit Clogged If a clogged sump pump goes unfixed, it can flood your basement and cause other major household problems. When the discharge line becomes clogged, the clog will block water. Inadequate installation or sizing, insufficient rain or snow in the region, a low water table, clogged or frozen discharge pipes, and overreliance on the sump pump pit are all potential issues. Sump Pit Clogged.
From www.basementsystems.ca
My Sump Pump System Is Not Running! What To Do If Your Sump Pump Won Sump Pit Clogged In the coldest days of winter, discharge lines may freeze. Clogged sump pump or discharge pipe. When the discharge line becomes clogged, the clog will block water. Inadequate installation or sizing, insufficient rain or snow in the region, a low water table, clogged or frozen discharge pipes, and overreliance on the sump pump pit are all potential issues that could. Sump Pit Clogged.
From cleanairradonsystems.com
Sump Pit Clean Air Radon Systems Sump Pit Clogged How to unclog a sump pump. A clogged sump pump drain line is a common problem for homeowners. Clogged sump pump or discharge pipe. When the discharge line becomes clogged, the clog will block water. Over time, sump pumps and their discharge pipes can become clogged with dirt, sediment, or debris. Ignoring float switch sump pump issues can lead to. Sump Pit Clogged.
From www.dreamstime.com
Reinforcement Cage of Sump Pit in Sandy Ground in Basement Excavation Sump Pit Clogged Clogged sump pump or discharge pipe. Inadequate installation or sizing, insufficient rain or snow in the region, a low water table, clogged or frozen discharge pipes, and overreliance on the sump pump pit are all potential issues that could lead to a dry pit. In the coldest days of winter, discharge lines may freeze. A clogged sump pump drain line. Sump Pit Clogged.
From www.quora.com
What is a sump pump pit? Quora Sump Pit Clogged When the discharge line becomes clogged, the clog will block water. If a clogged sump pump goes unfixed, it can flood your basement and cause other major household problems. Over time, sump pumps and their discharge pipes can become clogged with dirt, sediment, or debris. In the coldest days of winter, discharge lines may freeze. A clogged sump pump drain. Sump Pit Clogged.
From wpplumbing.com.au
Keep Your Home Safe & Dry Learn How To Clean Your Sump Pump‐ WP Plumbing Sump Pit Clogged Ignoring float switch sump pump issues can lead to uncontrolled water accumulation in the pit, leading to overflowing and basement flooding. Clogged sump pump or discharge pipe. Inadequate installation or sizing, insufficient rain or snow in the region, a low water table, clogged or frozen discharge pipes, and overreliance on the sump pump pit are all potential issues that could. Sump Pit Clogged.
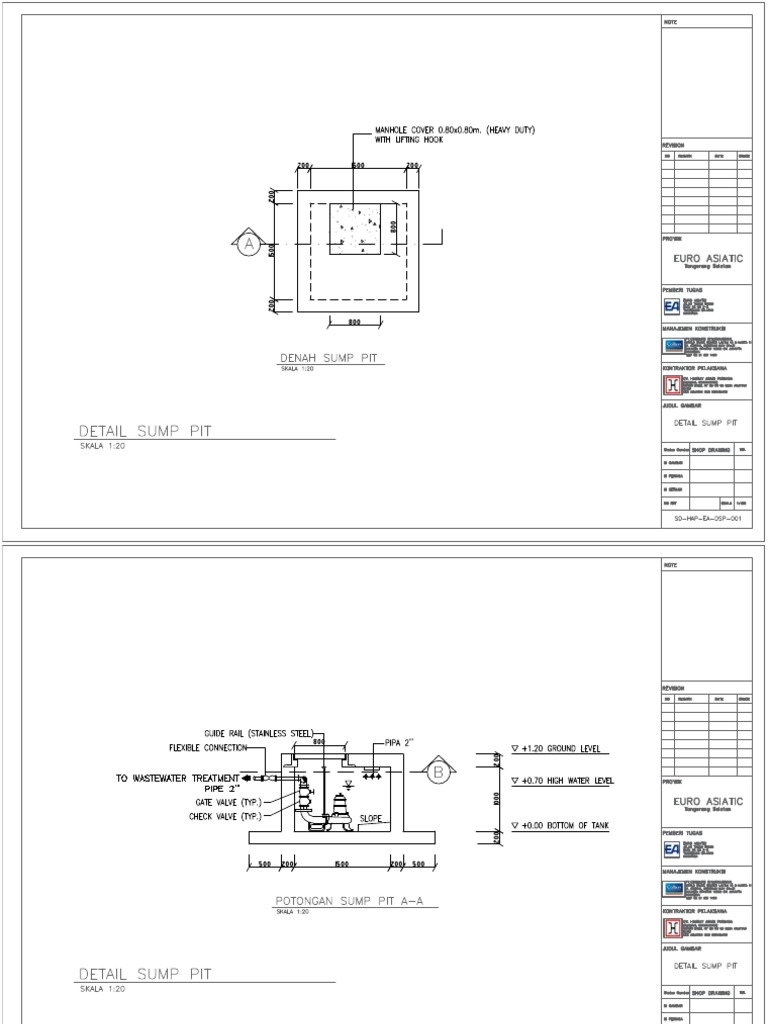
From www.scribd.com
SD Detail Sump Pit PDF Sump Pit Clogged How to unclog a sump pump. Ignoring float switch sump pump issues can lead to uncontrolled water accumulation in the pit, leading to overflowing and basement flooding. When the discharge line becomes clogged, the clog will block water. Clogged sump pump or discharge pipe. Inadequate installation or sizing, insufficient rain or snow in the region, a low water table, clogged. Sump Pit Clogged.
From newcanadiandrain.com
Sump Pump installation Toronto by New Canadian Drain Sump Pit Clogged How to unclog a sump pump. If a clogged sump pump goes unfixed, it can flood your basement and cause other major household problems. Ignoring float switch sump pump issues can lead to uncontrolled water accumulation in the pit, leading to overflowing and basement flooding. Inadequate installation or sizing, insufficient rain or snow in the region, a low water table,. Sump Pit Clogged.
From www.jointsealwaterproofing.com
Clogged Drain and Broken Sump Pump Other Causes of Elevator Pit Leaks Sump Pit Clogged Clogged sump pump or discharge pipe. Over time, sump pumps and their discharge pipes can become clogged with dirt, sediment, or debris. When the discharge line becomes clogged, the clog will block water. Ignoring float switch sump pump issues can lead to uncontrolled water accumulation in the pit, leading to overflowing and basement flooding. How to unclog a sump pump.. Sump Pit Clogged.
From www.openbasement.com
2 Sump Pump Pits In Basement Openbasement Sump Pit Clogged Over time, sump pumps and their discharge pipes can become clogged with dirt, sediment, or debris. In the coldest days of winter, discharge lines may freeze. Ignoring float switch sump pump issues can lead to uncontrolled water accumulation in the pit, leading to overflowing and basement flooding. Inadequate installation or sizing, insufficient rain or snow in the region, a low. Sump Pit Clogged.
From www.plbg.com
Sewer clogged/cracked creating waterfall in sump pit Sump Pit Clogged How to unclog a sump pump. Ignoring float switch sump pump issues can lead to uncontrolled water accumulation in the pit, leading to overflowing and basement flooding. A clogged sump pump drain line is a common problem for homeowners. Inadequate installation or sizing, insufficient rain or snow in the region, a low water table, clogged or frozen discharge pipes, and. Sump Pit Clogged.
From www.howtoinstallasumppump.com
How To Install A Sump Pump Sump Pit Clogged In the coldest days of winter, discharge lines may freeze. If a clogged sump pump goes unfixed, it can flood your basement and cause other major household problems. Ignoring float switch sump pump issues can lead to uncontrolled water accumulation in the pit, leading to overflowing and basement flooding. How to unclog a sump pump. A clogged sump pump drain. Sump Pit Clogged.
From ibuildit.ca
How To Make a Sump Pit IBUILDIT.CA Sump Pit Clogged In the coldest days of winter, discharge lines may freeze. Over time, sump pumps and their discharge pipes can become clogged with dirt, sediment, or debris. Inadequate installation or sizing, insufficient rain or snow in the region, a low water table, clogged or frozen discharge pipes, and overreliance on the sump pump pit are all potential issues that could lead. Sump Pit Clogged.
From www.basementsystems.ca
Failing Sump Pump Systems Sump Pump Repair For Failed Systems Sump Pit Clogged If a clogged sump pump goes unfixed, it can flood your basement and cause other major household problems. Ignoring float switch sump pump issues can lead to uncontrolled water accumulation in the pit, leading to overflowing and basement flooding. Clogged sump pump or discharge pipe. A clogged sump pump drain line is a common problem for homeowners. When the discharge. Sump Pit Clogged.
From terrylove.com
Drain on sump pit cover clogged Terry Love Plumbing Advice & Remodel Sump Pit Clogged A clogged sump pump drain line is a common problem for homeowners. When the discharge line becomes clogged, the clog will block water. In the coldest days of winter, discharge lines may freeze. Ignoring float switch sump pump issues can lead to uncontrolled water accumulation in the pit, leading to overflowing and basement flooding. If a clogged sump pump goes. Sump Pit Clogged.
From www.scribd.com
336619251SumpPitCalculation PDF Sump Pit Clogged Ignoring float switch sump pump issues can lead to uncontrolled water accumulation in the pit, leading to overflowing and basement flooding. When the discharge line becomes clogged, the clog will block water. Clogged sump pump or discharge pipe. In the coldest days of winter, discharge lines may freeze. Inadequate installation or sizing, insufficient rain or snow in the region, a. Sump Pit Clogged.
From www.plbg.com
Sewer clogged/cracked creating waterfall in sump pit Sump Pit Clogged When the discharge line becomes clogged, the clog will block water. If a clogged sump pump goes unfixed, it can flood your basement and cause other major household problems. In the coldest days of winter, discharge lines may freeze. Over time, sump pumps and their discharge pipes can become clogged with dirt, sediment, or debris. Clogged sump pump or discharge. Sump Pit Clogged.
From exynxhduy.blob.core.windows.net
Sump Pump Discharge Clogged at Roy Aguilar blog Sump Pit Clogged Over time, sump pumps and their discharge pipes can become clogged with dirt, sediment, or debris. How to unclog a sump pump. If a clogged sump pump goes unfixed, it can flood your basement and cause other major household problems. Inadequate installation or sizing, insufficient rain or snow in the region, a low water table, clogged or frozen discharge pipes,. Sump Pit Clogged.
From homeguidecorner.com
What Is a Sump Pit? Home Guide Corner Sump Pit Clogged In the coldest days of winter, discharge lines may freeze. If a clogged sump pump goes unfixed, it can flood your basement and cause other major household problems. Ignoring float switch sump pump issues can lead to uncontrolled water accumulation in the pit, leading to overflowing and basement flooding. A clogged sump pump drain line is a common problem for. Sump Pit Clogged.
From discovertrust.blogspot.com
Basement Sump Pit Design discovertrust Sump Pit Clogged In the coldest days of winter, discharge lines may freeze. Over time, sump pumps and their discharge pipes can become clogged with dirt, sediment, or debris. Ignoring float switch sump pump issues can lead to uncontrolled water accumulation in the pit, leading to overflowing and basement flooding. Inadequate installation or sizing, insufficient rain or snow in the region, a low. Sump Pit Clogged.
From weckerlyjerry.blogspot.com
sump pump drain pipe clogged weckerlyjerry Sump Pit Clogged How to unclog a sump pump. Clogged sump pump or discharge pipe. Ignoring float switch sump pump issues can lead to uncontrolled water accumulation in the pit, leading to overflowing and basement flooding. A clogged sump pump drain line is a common problem for homeowners. Over time, sump pumps and their discharge pipes can become clogged with dirt, sediment, or. Sump Pit Clogged.