Clutch For Walk Behind Mower . This video is about how to replace clutch cable for honda lawn mower. Use the multimeter to check for continuity between the two terminals on the clutch. I have a john deere walk behind mower which i need instructions on how to remove the blade brake clutch, so i can replace. If the meter reads “0” or “ol” (open. Learn how to replace the drive belt on a john deere je75/jx75 self propelled walk behind mower, as well as how to remove and.
from tagumdoctors.edu.ph
This video is about how to replace clutch cable for honda lawn mower. Use the multimeter to check for continuity between the two terminals on the clutch. If the meter reads “0” or “ol” (open. Learn how to replace the drive belt on a john deere je75/jx75 self propelled walk behind mower, as well as how to remove and. I have a john deere walk behind mower which i need instructions on how to remove the blade brake clutch, so i can replace.
Lawn Mowers Home DR Walk Behind Field & Brush Mower Manual PTO Clutch
Clutch For Walk Behind Mower If the meter reads “0” or “ol” (open. This video is about how to replace clutch cable for honda lawn mower. I have a john deere walk behind mower which i need instructions on how to remove the blade brake clutch, so i can replace. Learn how to replace the drive belt on a john deere je75/jx75 self propelled walk behind mower, as well as how to remove and. If the meter reads “0” or “ol” (open. Use the multimeter to check for continuity between the two terminals on the clutch.
From www.walmart.com
NEW PTO CLUTCH FITS BUSH HOG RHINO PZ SERIES MOWERS 50049812 5218127 Clutch For Walk Behind Mower If the meter reads “0” or “ol” (open. I have a john deere walk behind mower which i need instructions on how to remove the blade brake clutch, so i can replace. This video is about how to replace clutch cable for honda lawn mower. Learn how to replace the drive belt on a john deere je75/jx75 self propelled walk. Clutch For Walk Behind Mower.
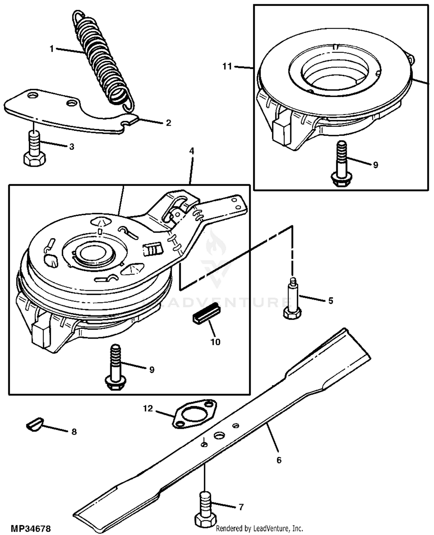
From www.jackssmallengines.com
Toro 20333, 22in Recycler Lawn Mower, 2010 (SN 310000001310999999 Clutch For Walk Behind Mower If the meter reads “0” or “ol” (open. This video is about how to replace clutch cable for honda lawn mower. I have a john deere walk behind mower which i need instructions on how to remove the blade brake clutch, so i can replace. Learn how to replace the drive belt on a john deere je75/jx75 self propelled walk. Clutch For Walk Behind Mower.
From www.a.ubuy.com.kw
Earthquake Walk Behind String Mower With 160cc Viper Kuwait Ubuy Clutch For Walk Behind Mower This video is about how to replace clutch cable for honda lawn mower. Use the multimeter to check for continuity between the two terminals on the clutch. I have a john deere walk behind mower which i need instructions on how to remove the blade brake clutch, so i can replace. Learn how to replace the drive belt on a. Clutch For Walk Behind Mower.
From www.jackssmallengines.com
Snapper Pro 5900700 SW20KAV1748, 48" Walk Behind Mower Parts Diagram Clutch For Walk Behind Mower This video is about how to replace clutch cable for honda lawn mower. If the meter reads “0” or “ol” (open. Learn how to replace the drive belt on a john deere je75/jx75 self propelled walk behind mower, as well as how to remove and. I have a john deere walk behind mower which i need instructions on how to. Clutch For Walk Behind Mower.
From www.ebay.com
DR AT4 Walk Behind Field & Brush Mower PTO Blade Electric Clutch 370501 Clutch For Walk Behind Mower Learn how to replace the drive belt on a john deere je75/jx75 self propelled walk behind mower, as well as how to remove and. Use the multimeter to check for continuity between the two terminals on the clutch. If the meter reads “0” or “ol” (open. I have a john deere walk behind mower which i need instructions on how. Clutch For Walk Behind Mower.
From www.rjspowerequipment.net
Commercial Walk Behind Zero Turn Lawn Mower rjspowerequipment Clutch For Walk Behind Mower I have a john deere walk behind mower which i need instructions on how to remove the blade brake clutch, so i can replace. This video is about how to replace clutch cable for honda lawn mower. Use the multimeter to check for continuity between the two terminals on the clutch. Learn how to replace the drive belt on a. Clutch For Walk Behind Mower.
From reviewmotors.co
Parts For Husqvarna Walk Behind Lawn Mower Reviewmotors.co Clutch For Walk Behind Mower If the meter reads “0” or “ol” (open. I have a john deere walk behind mower which i need instructions on how to remove the blade brake clutch, so i can replace. Use the multimeter to check for continuity between the two terminals on the clutch. Learn how to replace the drive belt on a john deere je75/jx75 self propelled. Clutch For Walk Behind Mower.
From www.amazon.com
DR Walk Behind Field & Brush Hog Mower Manual PTO Clutch Clutch For Walk Behind Mower Learn how to replace the drive belt on a john deere je75/jx75 self propelled walk behind mower, as well as how to remove and. Use the multimeter to check for continuity between the two terminals on the clutch. This video is about how to replace clutch cable for honda lawn mower. I have a john deere walk behind mower which. Clutch For Walk Behind Mower.
From www.vrogue.co
Dr Brush Mower Parts List vrogue.co Clutch For Walk Behind Mower This video is about how to replace clutch cable for honda lawn mower. Use the multimeter to check for continuity between the two terminals on the clutch. If the meter reads “0” or “ol” (open. Learn how to replace the drive belt on a john deere je75/jx75 self propelled walk behind mower, as well as how to remove and. I. Clutch For Walk Behind Mower.
From www.scag.com
SFC21 21" FinishCut WalkBehind Mower Products Scag® Clutch For Walk Behind Mower I have a john deere walk behind mower which i need instructions on how to remove the blade brake clutch, so i can replace. If the meter reads “0” or “ol” (open. Learn how to replace the drive belt on a john deere je75/jx75 self propelled walk behind mower, as well as how to remove and. Use the multimeter to. Clutch For Walk Behind Mower.
From www.getmowers.com
36" Snapper Pro SW25 Commercial Hydro Walk Behind W/ 132 Hours! 97 A Clutch For Walk Behind Mower This video is about how to replace clutch cable for honda lawn mower. Learn how to replace the drive belt on a john deere je75/jx75 self propelled walk behind mower, as well as how to remove and. Use the multimeter to check for continuity between the two terminals on the clutch. If the meter reads “0” or “ol” (open. I. Clutch For Walk Behind Mower.
From userenginelumines.z14.web.core.windows.net
Dr Mower Parts Diagram Clutch For Walk Behind Mower I have a john deere walk behind mower which i need instructions on how to remove the blade brake clutch, so i can replace. Use the multimeter to check for continuity between the two terminals on the clutch. This video is about how to replace clutch cable for honda lawn mower. If the meter reads “0” or “ol” (open. Learn. Clutch For Walk Behind Mower.
From www.weingartz.com
ARIMain WEINGARTZ Clutch For Walk Behind Mower I have a john deere walk behind mower which i need instructions on how to remove the blade brake clutch, so i can replace. This video is about how to replace clutch cable for honda lawn mower. If the meter reads “0” or “ol” (open. Learn how to replace the drive belt on a john deere je75/jx75 self propelled walk. Clutch For Walk Behind Mower.
From www.mikintl.jp
DR Walk Behind Field & Brush Mower Manual PTO Clutch 150211 & 150151 Clutch For Walk Behind Mower If the meter reads “0” or “ol” (open. Learn how to replace the drive belt on a john deere je75/jx75 self propelled walk behind mower, as well as how to remove and. This video is about how to replace clutch cable for honda lawn mower. I have a john deere walk behind mower which i need instructions on how to. Clutch For Walk Behind Mower.
From www.partstree.com
Cub Cadet CC 800 (12AE76M8010) Cub Cadet WalkBehind Mower (2017 Clutch For Walk Behind Mower Use the multimeter to check for continuity between the two terminals on the clutch. If the meter reads “0” or “ol” (open. This video is about how to replace clutch cable for honda lawn mower. Learn how to replace the drive belt on a john deere je75/jx75 self propelled walk behind mower, as well as how to remove and. I. Clutch For Walk Behind Mower.
From tagumdoctors.edu.ph
Lawn Mowers Home DR Walk Behind Field & Brush Mower Manual PTO Clutch Clutch For Walk Behind Mower This video is about how to replace clutch cable for honda lawn mower. I have a john deere walk behind mower which i need instructions on how to remove the blade brake clutch, so i can replace. Learn how to replace the drive belt on a john deere je75/jx75 self propelled walk behind mower, as well as how to remove. Clutch For Walk Behind Mower.
From www.weingartz.com
ARIMain WEINGARTZ Clutch For Walk Behind Mower Use the multimeter to check for continuity between the two terminals on the clutch. This video is about how to replace clutch cable for honda lawn mower. Learn how to replace the drive belt on a john deere je75/jx75 self propelled walk behind mower, as well as how to remove and. If the meter reads “0” or “ol” (open. I. Clutch For Walk Behind Mower.
From www.partstree.com
Toro 26622 Toro WalkBehind Mower (SN 009000001 009999999) (1989 Clutch For Walk Behind Mower This video is about how to replace clutch cable for honda lawn mower. I have a john deere walk behind mower which i need instructions on how to remove the blade brake clutch, so i can replace. If the meter reads “0” or “ol” (open. Learn how to replace the drive belt on a john deere je75/jx75 self propelled walk. Clutch For Walk Behind Mower.
From www.jackssmallengines.com
Oregon BobCat Parts Diagram for BOBCAT 36", 48" & 61" XM Series Walk Clutch For Walk Behind Mower Use the multimeter to check for continuity between the two terminals on the clutch. Learn how to replace the drive belt on a john deere je75/jx75 self propelled walk behind mower, as well as how to remove and. This video is about how to replace clutch cable for honda lawn mower. I have a john deere walk behind mower which. Clutch For Walk Behind Mower.
From www.getmowers.com
36" Scag ProV Commercial Hydro Walk Behind W/ Kawasaki! 68 A Month Clutch For Walk Behind Mower Use the multimeter to check for continuity between the two terminals on the clutch. Learn how to replace the drive belt on a john deere je75/jx75 self propelled walk behind mower, as well as how to remove and. If the meter reads “0” or “ol” (open. This video is about how to replace clutch cable for honda lawn mower. I. Clutch For Walk Behind Mower.
From manualliblatten.z19.web.core.windows.net
Scag Walk Behind Mower Parts Clutch For Walk Behind Mower This video is about how to replace clutch cable for honda lawn mower. Learn how to replace the drive belt on a john deere je75/jx75 self propelled walk behind mower, as well as how to remove and. I have a john deere walk behind mower which i need instructions on how to remove the blade brake clutch, so i can. Clutch For Walk Behind Mower.
From powerpartsfactory.com
Blade Brake Clutch fits John Deere 14PB 14PZ 14SB 14SC Walk Behind 21in Clutch For Walk Behind Mower This video is about how to replace clutch cable for honda lawn mower. I have a john deere walk behind mower which i need instructions on how to remove the blade brake clutch, so i can replace. Learn how to replace the drive belt on a john deere je75/jx75 self propelled walk behind mower, as well as how to remove. Clutch For Walk Behind Mower.
From www.partstree.com
Scag SFC307CVS Scag 30" WalkBehind Mower, 224cc Kohler (SN Clutch For Walk Behind Mower Learn how to replace the drive belt on a john deere je75/jx75 self propelled walk behind mower, as well as how to remove and. I have a john deere walk behind mower which i need instructions on how to remove the blade brake clutch, so i can replace. If the meter reads “0” or “ol” (open. This video is about. Clutch For Walk Behind Mower.
From tagumdoctors.edu.ph
Lawn Mowers Home DR Walk Behind Field & Brush Mower Manual PTO Clutch Clutch For Walk Behind Mower This video is about how to replace clutch cable for honda lawn mower. Use the multimeter to check for continuity between the two terminals on the clutch. Learn how to replace the drive belt on a john deere je75/jx75 self propelled walk behind mower, as well as how to remove and. I have a john deere walk behind mower which. Clutch For Walk Behind Mower.
From www.walmart.com
The ROP Shop 42" Deck Clutch Cable for Craftsman AYP Husqvarna Poulan Clutch For Walk Behind Mower This video is about how to replace clutch cable for honda lawn mower. Use the multimeter to check for continuity between the two terminals on the clutch. I have a john deere walk behind mower which i need instructions on how to remove the blade brake clutch, so i can replace. Learn how to replace the drive belt on a. Clutch For Walk Behind Mower.
From www.amazon.ca
Clutch Cable Fits for Craftsman Riding Mower Deck Engagement Blade Clutch For Walk Behind Mower If the meter reads “0” or “ol” (open. Learn how to replace the drive belt on a john deere je75/jx75 self propelled walk behind mower, as well as how to remove and. Use the multimeter to check for continuity between the two terminals on the clutch. This video is about how to replace clutch cable for honda lawn mower. I. Clutch For Walk Behind Mower.
From www.partstree.com
Honda HR214 SXA (HR214) Honda WalkBehind Mower, Made in Japan (SN Clutch For Walk Behind Mower I have a john deere walk behind mower which i need instructions on how to remove the blade brake clutch, so i can replace. Learn how to replace the drive belt on a john deere je75/jx75 self propelled walk behind mower, as well as how to remove and. If the meter reads “0” or “ol” (open. This video is about. Clutch For Walk Behind Mower.
From pakistan.desertcart.com
Buy Control cable Fit for Troy Bilt Lawn Mower Clutch Cable Fits Troy Clutch For Walk Behind Mower This video is about how to replace clutch cable for honda lawn mower. Use the multimeter to check for continuity between the two terminals on the clutch. Learn how to replace the drive belt on a john deere je75/jx75 self propelled walk behind mower, as well as how to remove and. If the meter reads “0” or “ol” (open. I. Clutch For Walk Behind Mower.
From www.equipmentlocator.com
Bobcat 48" WALK BEHIND WalkBehind Mower For Sale in Hilliard Ohio Clutch For Walk Behind Mower Use the multimeter to check for continuity between the two terminals on the clutch. This video is about how to replace clutch cable for honda lawn mower. Learn how to replace the drive belt on a john deere je75/jx75 self propelled walk behind mower, as well as how to remove and. If the meter reads “0” or “ol” (open. I. Clutch For Walk Behind Mower.
From www.jackssmallengines.com
DR Power AT3Walk Behind Mower (Ser ATM87418 To ATM137008) Parts Clutch For Walk Behind Mower I have a john deere walk behind mower which i need instructions on how to remove the blade brake clutch, so i can replace. Learn how to replace the drive belt on a john deere je75/jx75 self propelled walk behind mower, as well as how to remove and. This video is about how to replace clutch cable for honda lawn. Clutch For Walk Behind Mower.
From www.getearthquake.com
Walk Behind String Mower (160cc) Earthquake Outdoor Power Equipment Clutch For Walk Behind Mower Use the multimeter to check for continuity between the two terminals on the clutch. If the meter reads “0” or “ol” (open. Learn how to replace the drive belt on a john deere je75/jx75 self propelled walk behind mower, as well as how to remove and. This video is about how to replace clutch cable for honda lawn mower. I. Clutch For Walk Behind Mower.
From www.facebook.com
48 Bobcat Walk Behind mower Lawn Mowers Libertyville, Illinois Clutch For Walk Behind Mower Use the multimeter to check for continuity between the two terminals on the clutch. Learn how to replace the drive belt on a john deere je75/jx75 self propelled walk behind mower, as well as how to remove and. This video is about how to replace clutch cable for honda lawn mower. If the meter reads “0” or “ol” (open. I. Clutch For Walk Behind Mower.
From www.mtdparts.com
Electric PTO Clutch 91705121 MTD Parts Clutch For Walk Behind Mower If the meter reads “0” or “ol” (open. Learn how to replace the drive belt on a john deere je75/jx75 self propelled walk behind mower, as well as how to remove and. Use the multimeter to check for continuity between the two terminals on the clutch. I have a john deere walk behind mower which i need instructions on how. Clutch For Walk Behind Mower.
From www.lowes.com
Honda Switch for Walkbehind Mower (Replaces OEM Part Number 28400Z07 Clutch For Walk Behind Mower If the meter reads “0” or “ol” (open. Learn how to replace the drive belt on a john deere je75/jx75 self propelled walk behind mower, as well as how to remove and. This video is about how to replace clutch cable for honda lawn mower. I have a john deere walk behind mower which i need instructions on how to. Clutch For Walk Behind Mower.
From www.youtube.com
Gravely 5665 Fix Part 5 Forward Reverse Clutch Inspection YouTube Clutch For Walk Behind Mower Learn how to replace the drive belt on a john deere je75/jx75 self propelled walk behind mower, as well as how to remove and. If the meter reads “0” or “ol” (open. I have a john deere walk behind mower which i need instructions on how to remove the blade brake clutch, so i can replace. This video is about. Clutch For Walk Behind Mower.