Audi A3 Air Conditioning Button Not Working . When i have the climate control in auto the ac button will not light up; I've tried holding the button, pressing it harder to no avail. I can also tell that. Even when pressed (it lights up but as you take your finger. The a/c button won’t stay on therefore no cooled air is being created. If you press the a/c button the red led lights up as. Nearly a week after finding this issue the temp button still won't work. If your audi a3's ac system is not working, it can be uncomfortable and downright dangerous on a hot day. There are a lot of. If there is not enough pressure, the compressor will not kick on. When i press the air conditioning button, the light comes on but as soon as i release it, the light does not stay on. Thankfully the voice control is the only thing that. This is a feature which prevents damage happening to the.
from www.youtube.com
When i press the air conditioning button, the light comes on but as soon as i release it, the light does not stay on. The a/c button won’t stay on therefore no cooled air is being created. I've tried holding the button, pressing it harder to no avail. This is a feature which prevents damage happening to the. When i have the climate control in auto the ac button will not light up; I can also tell that. Even when pressed (it lights up but as you take your finger. Nearly a week after finding this issue the temp button still won't work. If you press the a/c button the red led lights up as. There are a lot of.
Audi A3 8P upgraded climate control Audi Q3 YouTube
Audi A3 Air Conditioning Button Not Working Even when pressed (it lights up but as you take your finger. I can also tell that. This is a feature which prevents damage happening to the. If there is not enough pressure, the compressor will not kick on. The a/c button won’t stay on therefore no cooled air is being created. There are a lot of. When i have the climate control in auto the ac button will not light up; I've tried holding the button, pressing it harder to no avail. Nearly a week after finding this issue the temp button still won't work. If you press the a/c button the red led lights up as. If your audi a3's ac system is not working, it can be uncomfortable and downright dangerous on a hot day. When i press the air conditioning button, the light comes on but as soon as i release it, the light does not stay on. Thankfully the voice control is the only thing that. Even when pressed (it lights up but as you take your finger.
From www.alamy.com
Car Air Conditioner buttons Stock Photo Alamy Audi A3 Air Conditioning Button Not Working When i press the air conditioning button, the light comes on but as soon as i release it, the light does not stay on. The a/c button won’t stay on therefore no cooled air is being created. I've tried holding the button, pressing it harder to no avail. This is a feature which prevents damage happening to the. When i. Audi A3 Air Conditioning Button Not Working.
From www.aliexpress.com
For Audi A3 8v Rear Air Conditioning Outlet 8vd 819 203 Air Audi A3 Air Conditioning Button Not Working If your audi a3's ac system is not working, it can be uncomfortable and downright dangerous on a hot day. There are a lot of. Nearly a week after finding this issue the temp button still won't work. When i press the air conditioning button, the light comes on but as soon as i release it, the light does not. Audi A3 Air Conditioning Button Not Working.
From www.aliexpress.com
1pcs 20mm silver carbon fiber car air conditioner button sticker For Audi A3 Air Conditioning Button Not Working Nearly a week after finding this issue the temp button still won't work. I can also tell that. Even when pressed (it lights up but as you take your finger. This is a feature which prevents damage happening to the. When i have the climate control in auto the ac button will not light up; If you press the a/c. Audi A3 Air Conditioning Button Not Working.
From www.youtube.com
Audi A3/A4 Worn Air Con Button Repair How to fix controls on heater Audi A3 Air Conditioning Button Not Working The a/c button won’t stay on therefore no cooled air is being created. This is a feature which prevents damage happening to the. If you press the a/c button the red led lights up as. If there is not enough pressure, the compressor will not kick on. I've tried holding the button, pressing it harder to no avail. There are. Audi A3 Air Conditioning Button Not Working.
From workshop-manuals.com
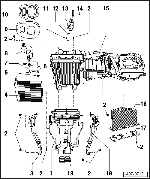
Audi Manuals > A3 Mk2 > Heating, ventilation, air conditioning Audi A3 Air Conditioning Button Not Working There are a lot of. The a/c button won’t stay on therefore no cooled air is being created. Nearly a week after finding this issue the temp button still won't work. If there is not enough pressure, the compressor will not kick on. Thankfully the voice control is the only thing that. When i press the air conditioning button, the. Audi A3 Air Conditioning Button Not Working.
From cults3d.com
3MF file audi a3 air conditioning button 🚗 ・3D printing template to Audi A3 Air Conditioning Button Not Working If there is not enough pressure, the compressor will not kick on. I can also tell that. Thankfully the voice control is the only thing that. Even when pressed (it lights up but as you take your finger. Nearly a week after finding this issue the temp button still won't work. This is a feature which prevents damage happening to. Audi A3 Air Conditioning Button Not Working.
From www.briskoda.net
Air conditioner buttons not lit or working Skoda Fabia Mk III (2014 Audi A3 Air Conditioning Button Not Working Thankfully the voice control is the only thing that. If you press the a/c button the red led lights up as. When i press the air conditioning button, the light comes on but as soon as i release it, the light does not stay on. This is a feature which prevents damage happening to the. I can also tell that.. Audi A3 Air Conditioning Button Not Working.
From www.aliexpress.com
Stainless Steel Interior Air Conditioning Button Switch Ring Cover Trim Audi A3 Air Conditioning Button Not Working The a/c button won’t stay on therefore no cooled air is being created. If your audi a3's ac system is not working, it can be uncomfortable and downright dangerous on a hot day. This is a feature which prevents damage happening to the. Thankfully the voice control is the only thing that. I can also tell that. When i have. Audi A3 Air Conditioning Button Not Working.
From workshop-manuals.com
Audi Service and Repair Manuals > A3 Mk1 > Heating Audi A3 Air Conditioning Button Not Working If you press the a/c button the red led lights up as. Even when pressed (it lights up but as you take your finger. When i have the climate control in auto the ac button will not light up; If there is not enough pressure, the compressor will not kick on. If your audi a3's ac system is not working,. Audi A3 Air Conditioning Button Not Working.
From www.youtube.com
AUDI A3 8P How To Remove Front Heater Air Vent Dash Removal 20042012 Audi A3 Air Conditioning Button Not Working When i press the air conditioning button, the light comes on but as soon as i release it, the light does not stay on. If your audi a3's ac system is not working, it can be uncomfortable and downright dangerous on a hot day. There are a lot of. Even when pressed (it lights up but as you take your. Audi A3 Air Conditioning Button Not Working.
From www.kiwicarparts.co.nz
Audi A3 8L A/C Button Repair Kit Fix Air Condition Control Switch Butt Audi A3 Air Conditioning Button Not Working I've tried holding the button, pressing it harder to no avail. Even when pressed (it lights up but as you take your finger. This is a feature which prevents damage happening to the. I can also tell that. If you press the a/c button the red led lights up as. If there is not enough pressure, the compressor will not. Audi A3 Air Conditioning Button Not Working.
From workshop-manuals.com
Audi Manuals > A3 Mk2 > Heating, ventilation, air conditioning Audi A3 Air Conditioning Button Not Working If there is not enough pressure, the compressor will not kick on. This is a feature which prevents damage happening to the. The a/c button won’t stay on therefore no cooled air is being created. Nearly a week after finding this issue the temp button still won't work. There are a lot of. When i have the climate control in. Audi A3 Air Conditioning Button Not Working.
From webautocats.com
Audi A3/S3/Sportb/qu. (2004 2007) Control and display panel for air Audi A3 Air Conditioning Button Not Working If there is not enough pressure, the compressor will not kick on. Even when pressed (it lights up but as you take your finger. This is a feature which prevents damage happening to the. When i have the climate control in auto the ac button will not light up; The a/c button won’t stay on therefore no cooled air is. Audi A3 Air Conditioning Button Not Working.
From workshop-manuals.com
Audi Service and Repair Manuals > A3 Mk2 > Heating Audi A3 Air Conditioning Button Not Working Thankfully the voice control is the only thing that. If you press the a/c button the red led lights up as. I've tried holding the button, pressing it harder to no avail. Even when pressed (it lights up but as you take your finger. If your audi a3's ac system is not working, it can be uncomfortable and downright dangerous. Audi A3 Air Conditioning Button Not Working.
From workshop-manuals.com
Audi Service and Repair Manuals > A3 Mk1 > Heating Audi A3 Air Conditioning Button Not Working Nearly a week after finding this issue the temp button still won't work. The a/c button won’t stay on therefore no cooled air is being created. When i press the air conditioning button, the light comes on but as soon as i release it, the light does not stay on. I've tried holding the button, pressing it harder to no. Audi A3 Air Conditioning Button Not Working.
From workshop-manuals.com
Audi Service and Repair Manuals > A3 Mk1 > Heating Audi A3 Air Conditioning Button Not Working Nearly a week after finding this issue the temp button still won't work. Even when pressed (it lights up but as you take your finger. When i press the air conditioning button, the light comes on but as soon as i release it, the light does not stay on. If you press the a/c button the red led lights up. Audi A3 Air Conditioning Button Not Working.
From workshop-manuals.com
Audi Manuals > A3 Mk2 > Heating, ventilation, air conditioning Audi A3 Air Conditioning Button Not Working This is a feature which prevents damage happening to the. If your audi a3's ac system is not working, it can be uncomfortable and downright dangerous on a hot day. Even when pressed (it lights up but as you take your finger. I've tried holding the button, pressing it harder to no avail. If there is not enough pressure, the. Audi A3 Air Conditioning Button Not Working.
From www.audiforum.ca
Air conditioning on my audi Audi Forum Audi Forums for the A4, S4 Audi A3 Air Conditioning Button Not Working There are a lot of. Even when pressed (it lights up but as you take your finger. When i have the climate control in auto the ac button will not light up; If your audi a3's ac system is not working, it can be uncomfortable and downright dangerous on a hot day. Thankfully the voice control is the only thing. Audi A3 Air Conditioning Button Not Working.
From diagramlibraryzaps.z19.web.core.windows.net
Audi A3 Air Con Not Working Audi A3 Air Conditioning Button Not Working There are a lot of. If there is not enough pressure, the compressor will not kick on. If your audi a3's ac system is not working, it can be uncomfortable and downright dangerous on a hot day. When i have the climate control in auto the ac button will not light up; Thankfully the voice control is the only thing. Audi A3 Air Conditioning Button Not Working.
From workshop-manuals.com
Audi Service and Repair Manuals > A3 Quattro V63.2L (BUB Audi A3 Air Conditioning Button Not Working This is a feature which prevents damage happening to the. The a/c button won’t stay on therefore no cooled air is being created. Even when pressed (it lights up but as you take your finger. If there is not enough pressure, the compressor will not kick on. When i have the climate control in auto the ac button will not. Audi A3 Air Conditioning Button Not Working.
From workshop-manuals.com
Audi Service and Repair Manuals > A3 Mk2 > Heating Audi A3 Air Conditioning Button Not Working Nearly a week after finding this issue the temp button still won't work. This is a feature which prevents damage happening to the. I can also tell that. Even when pressed (it lights up but as you take your finger. When i press the air conditioning button, the light comes on but as soon as i release it, the light. Audi A3 Air Conditioning Button Not Working.
From workshop-manuals.com
Audi Manuals > A3 Mk1 > Heating, ventilation, air conditioning Audi A3 Air Conditioning Button Not Working If you press the a/c button the red led lights up as. Thankfully the voice control is the only thing that. If your audi a3's ac system is not working, it can be uncomfortable and downright dangerous on a hot day. Even when pressed (it lights up but as you take your finger. If there is not enough pressure, the. Audi A3 Air Conditioning Button Not Working.
From www.vagexpress.com
For Audi A3 8Y Automatic air conditioner switch Air conditioning Audi A3 Air Conditioning Button Not Working When i press the air conditioning button, the light comes on but as soon as i release it, the light does not stay on. Even when pressed (it lights up but as you take your finger. Thankfully the voice control is the only thing that. This is a feature which prevents damage happening to the. Nearly a week after finding. Audi A3 Air Conditioning Button Not Working.
From www.youtube.com
Audi A3 A/C Issue YouTube Audi A3 Air Conditioning Button Not Working There are a lot of. When i have the climate control in auto the ac button will not light up; Thankfully the voice control is the only thing that. I've tried holding the button, pressing it harder to no avail. I can also tell that. The a/c button won’t stay on therefore no cooled air is being created. If there. Audi A3 Air Conditioning Button Not Working.
From www.youtube.com
AUDI A3 8P How To Remove Heater Control Panel Fan Air Con Switches Audi A3 Air Conditioning Button Not Working This is a feature which prevents damage happening to the. Even when pressed (it lights up but as you take your finger. Nearly a week after finding this issue the temp button still won't work. When i press the air conditioning button, the light comes on but as soon as i release it, the light does not stay on. I. Audi A3 Air Conditioning Button Not Working.
From www.youtube.com
Audi A3 8P upgraded climate control Audi Q3 YouTube Audi A3 Air Conditioning Button Not Working If your audi a3's ac system is not working, it can be uncomfortable and downright dangerous on a hot day. Even when pressed (it lights up but as you take your finger. If there is not enough pressure, the compressor will not kick on. When i have the climate control in auto the ac button will not light up; Thankfully. Audi A3 Air Conditioning Button Not Working.
From diagramlibraryzaps.z19.web.core.windows.net
Audi A3 Air Con Not Working Audi A3 Air Conditioning Button Not Working Even when pressed (it lights up but as you take your finger. If there is not enough pressure, the compressor will not kick on. I can also tell that. Thankfully the voice control is the only thing that. If you press the a/c button the red led lights up as. There are a lot of. The a/c button won’t stay. Audi A3 Air Conditioning Button Not Working.
From www.dreamstime.com
Novosibirsk, Russia – February 12, 2020 Audi A3 Editorial Photo Audi A3 Air Conditioning Button Not Working The a/c button won’t stay on therefore no cooled air is being created. If your audi a3's ac system is not working, it can be uncomfortable and downright dangerous on a hot day. I can also tell that. When i press the air conditioning button, the light comes on but as soon as i release it, the light does not. Audi A3 Air Conditioning Button Not Working.
From www.wptv.com
Here's what your car's air recirculation button does Audi A3 Air Conditioning Button Not Working If there is not enough pressure, the compressor will not kick on. When i have the climate control in auto the ac button will not light up; I can also tell that. If your audi a3's ac system is not working, it can be uncomfortable and downright dangerous on a hot day. When i press the air conditioning button, the. Audi A3 Air Conditioning Button Not Working.
From workshop-manuals.com
Audi Manuals > A3 Mk2 > Heating, ventilation, air conditioning Audi A3 Air Conditioning Button Not Working If you press the a/c button the red led lights up as. When i press the air conditioning button, the light comes on but as soon as i release it, the light does not stay on. Thankfully the voice control is the only thing that. I can also tell that. There are a lot of. The a/c button won’t stay. Audi A3 Air Conditioning Button Not Working.
From diagramlibraryzaps.z19.web.core.windows.net
Audi A3 Air Con Not Working Audi A3 Air Conditioning Button Not Working I can also tell that. If your audi a3's ac system is not working, it can be uncomfortable and downright dangerous on a hot day. If there is not enough pressure, the compressor will not kick on. There are a lot of. Even when pressed (it lights up but as you take your finger. When i press the air conditioning. Audi A3 Air Conditioning Button Not Working.
From enginepindarizes.z13.web.core.windows.net
Audi A3 Air Con Not Working Audi A3 Air Conditioning Button Not Working Nearly a week after finding this issue the temp button still won't work. If there is not enough pressure, the compressor will not kick on. If you press the a/c button the red led lights up as. Even when pressed (it lights up but as you take your finger. I've tried holding the button, pressing it harder to no avail.. Audi A3 Air Conditioning Button Not Working.
From www.youtube.com
How to Service the cooling system on the Audi A3 2008 to 2012 YouTube Audi A3 Air Conditioning Button Not Working If you press the a/c button the red led lights up as. The a/c button won’t stay on therefore no cooled air is being created. I've tried holding the button, pressing it harder to no avail. If your audi a3's ac system is not working, it can be uncomfortable and downright dangerous on a hot day. If there is not. Audi A3 Air Conditioning Button Not Working.
From workshop-manuals.com
Audi Manuals > A3 Mk1 > Heating, ventilation, air conditioning Audi A3 Air Conditioning Button Not Working Even when pressed (it lights up but as you take your finger. I've tried holding the button, pressing it harder to no avail. Nearly a week after finding this issue the temp button still won't work. This is a feature which prevents damage happening to the. Thankfully the voice control is the only thing that. The a/c button won’t stay. Audi A3 Air Conditioning Button Not Working.
From workshop-manuals.com
Audi Service and Repair Manuals > A3 Mk1 > Heating Audi A3 Air Conditioning Button Not Working I can also tell that. If you press the a/c button the red led lights up as. When i have the climate control in auto the ac button will not light up; If there is not enough pressure, the compressor will not kick on. Nearly a week after finding this issue the temp button still won't work. Thankfully the voice. Audi A3 Air Conditioning Button Not Working.