Skoda Octavia Brake Pressure Sensor 1 . If it is, then check the brake light switch and/or perform a 'basic setting' on the pressure sensor (see later). The cable is 4 core, 2 for the abs sensor and 2 for the brake pad wear sensor. Brake pressure sensor 1 (g201) faulty. If you’ve diagnosed a faulty brake pressure sensor yourself, we. The wear sensor can be shorted out to stop it being. If the pressure reading is stuck at a high value, irrespective of the. I have read that an esp light and the switch that won't activate is a. Checking measuring blocks i find that. I have a skoda octavia in my garage that has problem with brake pressure sensor. Resolved skoda octavia 2011 abs/esp long codding help! Check/replace brake pedal switch (f). So, what should i do if the brake pressure sensor failes? Skoda octavia combi 1.9 tdi 2006.
from www.madhornets.com
If it is, then check the brake light switch and/or perform a 'basic setting' on the pressure sensor (see later). Check/replace brake pedal switch (f). The wear sensor can be shorted out to stop it being. The cable is 4 core, 2 for the abs sensor and 2 for the brake pad wear sensor. I have a skoda octavia in my garage that has problem with brake pressure sensor. Skoda octavia combi 1.9 tdi 2006. If the pressure reading is stuck at a high value, irrespective of the. Resolved skoda octavia 2011 abs/esp long codding help! Brake pressure sensor 1 (g201) faulty. I have read that an esp light and the switch that won't activate is a.
Skoda Brake Pressure Sensor Products Mad
Skoda Octavia Brake Pressure Sensor 1 Checking measuring blocks i find that. I have read that an esp light and the switch that won't activate is a. Resolved skoda octavia 2011 abs/esp long codding help! Check/replace brake pedal switch (f). If the pressure reading is stuck at a high value, irrespective of the. Brake pressure sensor 1 (g201) faulty. Checking measuring blocks i find that. If it is, then check the brake light switch and/or perform a 'basic setting' on the pressure sensor (see later). So, what should i do if the brake pressure sensor failes? The cable is 4 core, 2 for the abs sensor and 2 for the brake pad wear sensor. Skoda octavia combi 1.9 tdi 2006. I have a skoda octavia in my garage that has problem with brake pressure sensor. If you’ve diagnosed a faulty brake pressure sensor yourself, we. The wear sensor can be shorted out to stop it being.
From workshop-manuals.com
Skoda Service and Repair Manuals > Octavia Mk1 > Chassis Skoda Octavia Brake Pressure Sensor 1 Resolved skoda octavia 2011 abs/esp long codding help! Brake pressure sensor 1 (g201) faulty. I have read that an esp light and the switch that won't activate is a. Check/replace brake pedal switch (f). I have a skoda octavia in my garage that has problem with brake pressure sensor. Skoda octavia combi 1.9 tdi 2006. If the pressure reading is. Skoda Octavia Brake Pressure Sensor 1.
From www.ebay.co.uk
BRAKE BOOSTER PRESSURE SENSOR Fit AUDI SEAT SKODA VW A2 A3 LEON OCTAVIA Skoda Octavia Brake Pressure Sensor 1 So, what should i do if the brake pressure sensor failes? If you’ve diagnosed a faulty brake pressure sensor yourself, we. I have a skoda octavia in my garage that has problem with brake pressure sensor. The wear sensor can be shorted out to stop it being. The cable is 4 core, 2 for the abs sensor and 2 for. Skoda Octavia Brake Pressure Sensor 1.
From www.madhornets.com
Skoda Brake Pressure Sensor Products Mad Skoda Octavia Brake Pressure Sensor 1 Check/replace brake pedal switch (f). So, what should i do if the brake pressure sensor failes? I have a skoda octavia in my garage that has problem with brake pressure sensor. Brake pressure sensor 1 (g201) faulty. I have read that an esp light and the switch that won't activate is a. The cable is 4 core, 2 for the. Skoda Octavia Brake Pressure Sensor 1.
From www.briskoda.net
dpf pressure sensors Skoda Octavia Mk III (2013 2020) BRISKODA Skoda Octavia Brake Pressure Sensor 1 Brake pressure sensor 1 (g201) faulty. If the pressure reading is stuck at a high value, irrespective of the. Check/replace brake pedal switch (f). So, what should i do if the brake pressure sensor failes? I have a skoda octavia in my garage that has problem with brake pressure sensor. The cable is 4 core, 2 for the abs sensor. Skoda Octavia Brake Pressure Sensor 1.
From www.proxyparts.com
Skoda Octavia Boost pressure sensors stock Skoda Octavia Brake Pressure Sensor 1 If you’ve diagnosed a faulty brake pressure sensor yourself, we. So, what should i do if the brake pressure sensor failes? I have read that an esp light and the switch that won't activate is a. Resolved skoda octavia 2011 abs/esp long codding help! Checking measuring blocks i find that. I have a skoda octavia in my garage that has. Skoda Octavia Brake Pressure Sensor 1.
From www.aliexpress.com
EGR Differential Pressure Sensor for Skoda Octavia Roomster Fabia Seat Skoda Octavia Brake Pressure Sensor 1 If the pressure reading is stuck at a high value, irrespective of the. If you’ve diagnosed a faulty brake pressure sensor yourself, we. Skoda octavia combi 1.9 tdi 2006. Checking measuring blocks i find that. The cable is 4 core, 2 for the abs sensor and 2 for the brake pad wear sensor. Check/replace brake pedal switch (f). Resolved skoda. Skoda Octavia Brake Pressure Sensor 1.
From www.briskoda.net
DPF Differential Pressure Sensor Skoda Octavia Mk II (2004 2013 Skoda Octavia Brake Pressure Sensor 1 I have read that an esp light and the switch that won't activate is a. If it is, then check the brake light switch and/or perform a 'basic setting' on the pressure sensor (see later). I have a skoda octavia in my garage that has problem with brake pressure sensor. If the pressure reading is stuck at a high value,. Skoda Octavia Brake Pressure Sensor 1.
From shop.euroimpex.lt
21150447 1802232, hp1436jf FUEL RAIL HIGH PRESSURE SENSOR Skoda Octavia Skoda Octavia Brake Pressure Sensor 1 So, what should i do if the brake pressure sensor failes? Skoda octavia combi 1.9 tdi 2006. Check/replace brake pedal switch (f). I have read that an esp light and the switch that won't activate is a. I have a skoda octavia in my garage that has problem with brake pressure sensor. If it is, then check the brake light. Skoda Octavia Brake Pressure Sensor 1.
From www.aliexpress.com
Buy Genuine Brake Pressure Sensor For Audi S6 A6 Avant Skoda Octavia Brake Pressure Sensor 1 Brake pressure sensor 1 (g201) faulty. Resolved skoda octavia 2011 abs/esp long codding help! So, what should i do if the brake pressure sensor failes? Check/replace brake pedal switch (f). Skoda octavia combi 1.9 tdi 2006. The cable is 4 core, 2 for the abs sensor and 2 for the brake pad wear sensor. If the pressure reading is stuck. Skoda Octavia Brake Pressure Sensor 1.
From workshop-manuals.com
Skoda Service and Repair Manuals > Octavia Mk2 > Brake systems Skoda Octavia Brake Pressure Sensor 1 If it is, then check the brake light switch and/or perform a 'basic setting' on the pressure sensor (see later). So, what should i do if the brake pressure sensor failes? Check/replace brake pedal switch (f). Checking measuring blocks i find that. I have a skoda octavia in my garage that has problem with brake pressure sensor. Brake pressure sensor. Skoda Octavia Brake Pressure Sensor 1.
From www.briskoda.net
DPF Differential Pressure Sensor P2456 Skoda Octavia Mk III (2013 Skoda Octavia Brake Pressure Sensor 1 Check/replace brake pedal switch (f). If the pressure reading is stuck at a high value, irrespective of the. Brake pressure sensor 1 (g201) faulty. Resolved skoda octavia 2011 abs/esp long codding help! I have a skoda octavia in my garage that has problem with brake pressure sensor. The wear sensor can be shorted out to stop it being. The cable. Skoda Octavia Brake Pressure Sensor 1.
From www.briskoda.net
Octavia 1.6 TDI Greenline diff pressure sensor pipe going to nowhere Skoda Octavia Brake Pressure Sensor 1 So, what should i do if the brake pressure sensor failes? The cable is 4 core, 2 for the abs sensor and 2 for the brake pad wear sensor. Check/replace brake pedal switch (f). Brake pressure sensor 1 (g201) faulty. Skoda octavia combi 1.9 tdi 2006. If it is, then check the brake light switch and/or perform a 'basic setting'. Skoda Octavia Brake Pressure Sensor 1.
From www.aliexpress.com
New Brake Pressure Sensor For Audi S6 A6 Avant Quattro S6 5.2L Skoda Skoda Octavia Brake Pressure Sensor 1 If the pressure reading is stuck at a high value, irrespective of the. Checking measuring blocks i find that. So, what should i do if the brake pressure sensor failes? The cable is 4 core, 2 for the abs sensor and 2 for the brake pad wear sensor. The wear sensor can be shorted out to stop it being. Check/replace. Skoda Octavia Brake Pressure Sensor 1.
From www.madhornets.com
Skoda Brake Pressure Sensor Products Mad Skoda Octavia Brake Pressure Sensor 1 The wear sensor can be shorted out to stop it being. Brake pressure sensor 1 (g201) faulty. I have a skoda octavia in my garage that has problem with brake pressure sensor. Resolved skoda octavia 2011 abs/esp long codding help! If the pressure reading is stuck at a high value, irrespective of the. Skoda octavia combi 1.9 tdi 2006. If. Skoda Octavia Brake Pressure Sensor 1.
From www.aliexpress.com
5Q0 906 207 Brake Booster Bose Pressure Sensor For VW Golf MK7 Polo Skoda Octavia Brake Pressure Sensor 1 Skoda octavia combi 1.9 tdi 2006. If the pressure reading is stuck at a high value, irrespective of the. The cable is 4 core, 2 for the abs sensor and 2 for the brake pad wear sensor. The wear sensor can be shorted out to stop it being. So, what should i do if the brake pressure sensor failes? Brake. Skoda Octavia Brake Pressure Sensor 1.
From workshop-manuals.com
Skoda Service and Repair Manuals > Octavia Mk2 > Brake systems Skoda Octavia Brake Pressure Sensor 1 Skoda octavia combi 1.9 tdi 2006. Resolved skoda octavia 2011 abs/esp long codding help! If it is, then check the brake light switch and/or perform a 'basic setting' on the pressure sensor (see later). Brake pressure sensor 1 (g201) faulty. The cable is 4 core, 2 for the abs sensor and 2 for the brake pad wear sensor. I have. Skoda Octavia Brake Pressure Sensor 1.
From www.aliexpress.com
Buy Brand New 3 Bar Boost Pressure MAP Sensor For Seat Skoda Octavia Brake Pressure Sensor 1 Brake pressure sensor 1 (g201) faulty. If it is, then check the brake light switch and/or perform a 'basic setting' on the pressure sensor (see later). If the pressure reading is stuck at a high value, irrespective of the. Resolved skoda octavia 2011 abs/esp long codding help! So, what should i do if the brake pressure sensor failes? Skoda octavia. Skoda Octavia Brake Pressure Sensor 1.
From www.briskoda.net
DIY Advice Boost Pressure Sensor Skoda Octavia Mk III (2013 2020 Skoda Octavia Brake Pressure Sensor 1 Check/replace brake pedal switch (f). Resolved skoda octavia 2011 abs/esp long codding help! Brake pressure sensor 1 (g201) faulty. Checking measuring blocks i find that. If it is, then check the brake light switch and/or perform a 'basic setting' on the pressure sensor (see later). Skoda octavia combi 1.9 tdi 2006. The wear sensor can be shorted out to stop. Skoda Octavia Brake Pressure Sensor 1.
From www.aliexpress.com
Pressure Sensor MAP For Ford Galaxy Skoda Fabia Octavia Roomster Superb Skoda Octavia Brake Pressure Sensor 1 Checking measuring blocks i find that. If it is, then check the brake light switch and/or perform a 'basic setting' on the pressure sensor (see later). The wear sensor can be shorted out to stop it being. So, what should i do if the brake pressure sensor failes? I have a skoda octavia in my garage that has problem with. Skoda Octavia Brake Pressure Sensor 1.
From www.proxyparts.com
Skoda Octavia Boost pressure sensors stock Skoda Octavia Brake Pressure Sensor 1 I have a skoda octavia in my garage that has problem with brake pressure sensor. Check/replace brake pedal switch (f). If the pressure reading is stuck at a high value, irrespective of the. The wear sensor can be shorted out to stop it being. The cable is 4 core, 2 for the abs sensor and 2 for the brake pad. Skoda Octavia Brake Pressure Sensor 1.
From workshop-manuals.com
Skoda Service and Repair Manuals > Octavia Mk1 > Brake systems Skoda Octavia Brake Pressure Sensor 1 Skoda octavia combi 1.9 tdi 2006. The cable is 4 core, 2 for the abs sensor and 2 for the brake pad wear sensor. I have a skoda octavia in my garage that has problem with brake pressure sensor. Checking measuring blocks i find that. If it is, then check the brake light switch and/or perform a 'basic setting' on. Skoda Octavia Brake Pressure Sensor 1.
From www.briskoda.net
DIY Advice Boost Pressure Sensor Skoda Octavia Mk III (2013 2020 Skoda Octavia Brake Pressure Sensor 1 Check/replace brake pedal switch (f). If it is, then check the brake light switch and/or perform a 'basic setting' on the pressure sensor (see later). If you’ve diagnosed a faulty brake pressure sensor yourself, we. So, what should i do if the brake pressure sensor failes? The wear sensor can be shorted out to stop it being. Resolved skoda octavia. Skoda Octavia Brake Pressure Sensor 1.
From www.briskoda.net
dpf pressure sensors Skoda Octavia Mk III (2013 2020) BRISKODA Skoda Octavia Brake Pressure Sensor 1 Brake pressure sensor 1 (g201) faulty. If the pressure reading is stuck at a high value, irrespective of the. If you’ve diagnosed a faulty brake pressure sensor yourself, we. Check/replace brake pedal switch (f). Skoda octavia combi 1.9 tdi 2006. I have read that an esp light and the switch that won't activate is a. The wear sensor can be. Skoda Octavia Brake Pressure Sensor 1.
From www.aliexpress.com
Buy OEM 1K0 945 459A BRAKE CYLINDER RESERVOIR TANK Skoda Octavia Brake Pressure Sensor 1 If the pressure reading is stuck at a high value, irrespective of the. If it is, then check the brake light switch and/or perform a 'basic setting' on the pressure sensor (see later). Resolved skoda octavia 2011 abs/esp long codding help! Skoda octavia combi 1.9 tdi 2006. Check/replace brake pedal switch (f). The wear sensor can be shorted out to. Skoda Octavia Brake Pressure Sensor 1.
From dalys.lt
SKODA OCTAVIA II Combi (1Z5) DPF Pressure Sensor 076906051B, 51MPP0203 Skoda Octavia Brake Pressure Sensor 1 I have a skoda octavia in my garage that has problem with brake pressure sensor. If the pressure reading is stuck at a high value, irrespective of the. Skoda octavia combi 1.9 tdi 2006. Brake pressure sensor 1 (g201) faulty. Check/replace brake pedal switch (f). Checking measuring blocks i find that. If you’ve diagnosed a faulty brake pressure sensor yourself,. Skoda Octavia Brake Pressure Sensor 1.
From www.proxyparts.com
Skoda Octavia Boost pressure sensors stock Skoda Octavia Brake Pressure Sensor 1 If it is, then check the brake light switch and/or perform a 'basic setting' on the pressure sensor (see later). Skoda octavia combi 1.9 tdi 2006. Check/replace brake pedal switch (f). So, what should i do if the brake pressure sensor failes? I have a skoda octavia in my garage that has problem with brake pressure sensor. Resolved skoda octavia. Skoda Octavia Brake Pressure Sensor 1.
From workshop-manuals.com
Skoda Service and Repair Manuals > Octavia Mk1 > Brake systems Skoda Octavia Brake Pressure Sensor 1 If it is, then check the brake light switch and/or perform a 'basic setting' on the pressure sensor (see later). Resolved skoda octavia 2011 abs/esp long codding help! Checking measuring blocks i find that. Skoda octavia combi 1.9 tdi 2006. So, what should i do if the brake pressure sensor failes? Brake pressure sensor 1 (g201) faulty. I have read. Skoda Octavia Brake Pressure Sensor 1.
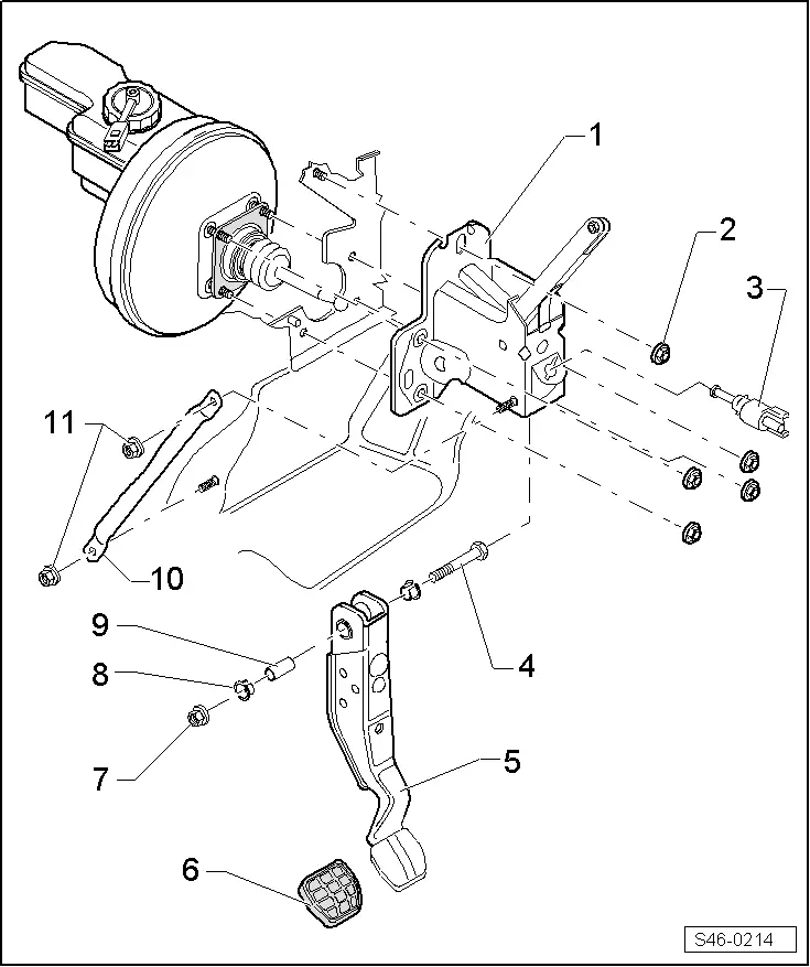
From workshop-manuals.com
Skoda Service and Repair Manuals > Octavia Mk1 > Chassis Skoda Octavia Brake Pressure Sensor 1 If you’ve diagnosed a faulty brake pressure sensor yourself, we. The wear sensor can be shorted out to stop it being. Check/replace brake pedal switch (f). Brake pressure sensor 1 (g201) faulty. I have a skoda octavia in my garage that has problem with brake pressure sensor. Checking measuring blocks i find that. Skoda octavia combi 1.9 tdi 2006. If. Skoda Octavia Brake Pressure Sensor 1.
From www.briskoda.net
DIY Advice Boost Pressure Sensor Skoda Octavia Mk III (2013 2020 Skoda Octavia Brake Pressure Sensor 1 Checking measuring blocks i find that. I have read that an esp light and the switch that won't activate is a. Check/replace brake pedal switch (f). The cable is 4 core, 2 for the abs sensor and 2 for the brake pad wear sensor. So, what should i do if the brake pressure sensor failes? If the pressure reading is. Skoda Octavia Brake Pressure Sensor 1.
From www.proxyparts.com
Skoda Octavia Boost pressure sensors stock Skoda Octavia Brake Pressure Sensor 1 Checking measuring blocks i find that. The wear sensor can be shorted out to stop it being. Skoda octavia combi 1.9 tdi 2006. Resolved skoda octavia 2011 abs/esp long codding help! If you’ve diagnosed a faulty brake pressure sensor yourself, we. Brake pressure sensor 1 (g201) faulty. So, what should i do if the brake pressure sensor failes? I have. Skoda Octavia Brake Pressure Sensor 1.
From www.proxyparts.com
Used Skoda Octavia Combi (1Z5) 1.6 TDI Greenline Boost pressure sensor Skoda Octavia Brake Pressure Sensor 1 If you’ve diagnosed a faulty brake pressure sensor yourself, we. If the pressure reading is stuck at a high value, irrespective of the. I have read that an esp light and the switch that won't activate is a. So, what should i do if the brake pressure sensor failes? The cable is 4 core, 2 for the abs sensor and. Skoda Octavia Brake Pressure Sensor 1.
From shop.euroimpex.lt
0261230095 03C906051 Air Pressure MAP Sensor Manifold Boost Skoda Skoda Octavia Brake Pressure Sensor 1 Resolved skoda octavia 2011 abs/esp long codding help! Checking measuring blocks i find that. The cable is 4 core, 2 for the abs sensor and 2 for the brake pad wear sensor. If the pressure reading is stuck at a high value, irrespective of the. If you’ve diagnosed a faulty brake pressure sensor yourself, we. Brake pressure sensor 1 (g201). Skoda Octavia Brake Pressure Sensor 1.
From www.aliexpress.com
EGR Differential Pressure Sensor For SKODA OCTAVIA 2.0 TDI 1.6 TDI Skoda Octavia Brake Pressure Sensor 1 If the pressure reading is stuck at a high value, irrespective of the. I have read that an esp light and the switch that won't activate is a. The wear sensor can be shorted out to stop it being. So, what should i do if the brake pressure sensor failes? If you’ve diagnosed a faulty brake pressure sensor yourself, we.. Skoda Octavia Brake Pressure Sensor 1.
From workshop-manuals.com
Skoda Service and Repair Manuals > Octavia Mk1 > Brake systems Skoda Octavia Brake Pressure Sensor 1 The cable is 4 core, 2 for the abs sensor and 2 for the brake pad wear sensor. I have read that an esp light and the switch that won't activate is a. So, what should i do if the brake pressure sensor failes? Brake pressure sensor 1 (g201) faulty. If you’ve diagnosed a faulty brake pressure sensor yourself, we.. Skoda Octavia Brake Pressure Sensor 1.
From www.ebay.com
Genuine Bosch OEM DPF Pressure Sensor fits Skoda Fabia, Octavia Skoda Octavia Brake Pressure Sensor 1 Skoda octavia combi 1.9 tdi 2006. I have read that an esp light and the switch that won't activate is a. If it is, then check the brake light switch and/or perform a 'basic setting' on the pressure sensor (see later). If the pressure reading is stuck at a high value, irrespective of the. Check/replace brake pedal switch (f). If. Skoda Octavia Brake Pressure Sensor 1.