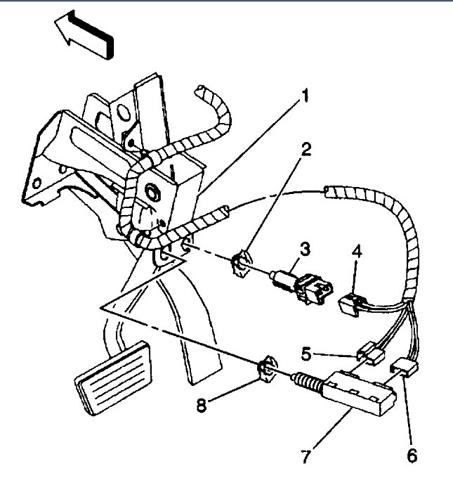
How To Replace Brake Light Switch 2005 Chevy Silverado . The first step is to locate the brake light socket in your silverado 2500. 47k views 1 year ago. — buy now!new brake light switch from 1aauto.com. — if you break something or loose a projectile spring.you are then possibly without brake lights until you get a new one. — this video shows you how to install a new brake light switch from trq on. — if your silverado’s brake light switch checked out ok, and there are no brake lights illuminating at all, inspect the. see how to change the brake lights on your 2005 chevrolet silverado 2500 hd. — quick diy on how to replace your brake light switch for chevy trucks. Rob shows us how to install a new brake light switch on a 2004 chevy.
from shellysavonlea.net
— this video shows you how to install a new brake light switch from trq on. — quick diy on how to replace your brake light switch for chevy trucks. — if your silverado’s brake light switch checked out ok, and there are no brake lights illuminating at all, inspect the. 47k views 1 year ago. see how to change the brake lights on your 2005 chevrolet silverado 2500 hd. The first step is to locate the brake light socket in your silverado 2500. Rob shows us how to install a new brake light switch on a 2004 chevy. — buy now!new brake light switch from 1aauto.com. — if you break something or loose a projectile spring.you are then possibly without brake lights until you get a new one.
How To Replace Brake Light Switch 2005 Chevy Silverado 1500 Shelly
How To Replace Brake Light Switch 2005 Chevy Silverado — if you break something or loose a projectile spring.you are then possibly without brake lights until you get a new one. — if you break something or loose a projectile spring.you are then possibly without brake lights until you get a new one. — if your silverado’s brake light switch checked out ok, and there are no brake lights illuminating at all, inspect the. — this video shows you how to install a new brake light switch from trq on. The first step is to locate the brake light socket in your silverado 2500. Rob shows us how to install a new brake light switch on a 2004 chevy. — buy now!new brake light switch from 1aauto.com. 47k views 1 year ago. — quick diy on how to replace your brake light switch for chevy trucks. see how to change the brake lights on your 2005 chevrolet silverado 2500 hd.
From garageadonis88.z19.web.core.windows.net
2005 Chevy Silverado Brake Light Switch How To Replace Brake Light Switch 2005 Chevy Silverado The first step is to locate the brake light socket in your silverado 2500. — buy now!new brake light switch from 1aauto.com. see how to change the brake lights on your 2005 chevrolet silverado 2500 hd. — this video shows you how to install a new brake light switch from trq on. 47k views 1 year ago.. How To Replace Brake Light Switch 2005 Chevy Silverado.
From shellysavonlea.net
How To Replace Brake Light Switch 2003 Chevy Silverado Shelly Lighting How To Replace Brake Light Switch 2005 Chevy Silverado — this video shows you how to install a new brake light switch from trq on. — if you break something or loose a projectile spring.you are then possibly without brake lights until you get a new one. — buy now!new brake light switch from 1aauto.com. see how to change the brake lights on your 2005. How To Replace Brake Light Switch 2005 Chevy Silverado.
From shellysavonlea.net
How To Replace Brake Light Switch 2005 Chevy Silverado 1500 Shelly How To Replace Brake Light Switch 2005 Chevy Silverado — buy now!new brake light switch from 1aauto.com. 47k views 1 year ago. Rob shows us how to install a new brake light switch on a 2004 chevy. see how to change the brake lights on your 2005 chevrolet silverado 2500 hd. — if you break something or loose a projectile spring.you are then possibly without brake. How To Replace Brake Light Switch 2005 Chevy Silverado.
From garagefixgraham123.z19.web.core.windows.net
Brake Light Switch Chevy Silverado How To Replace Brake Light Switch 2005 Chevy Silverado — this video shows you how to install a new brake light switch from trq on. 47k views 1 year ago. — if you break something or loose a projectile spring.you are then possibly without brake lights until you get a new one. The first step is to locate the brake light socket in your silverado 2500. . How To Replace Brake Light Switch 2005 Chevy Silverado.
From shellysavonlea.net
How To Replace Brake Light Switch 2005 Chevy Silverado 1500 Shelly How To Replace Brake Light Switch 2005 Chevy Silverado — this video shows you how to install a new brake light switch from trq on. The first step is to locate the brake light socket in your silverado 2500. — buy now!new brake light switch from 1aauto.com. 47k views 1 year ago. Rob shows us how to install a new brake light switch on a 2004 chevy.. How To Replace Brake Light Switch 2005 Chevy Silverado.
From shellysavonlea.net
How To Replace Brake Light Switch 2005 Chevy Silverado 1500 Shelly How To Replace Brake Light Switch 2005 Chevy Silverado — buy now!new brake light switch from 1aauto.com. — quick diy on how to replace your brake light switch for chevy trucks. Rob shows us how to install a new brake light switch on a 2004 chevy. 47k views 1 year ago. The first step is to locate the brake light socket in your silverado 2500. —. How To Replace Brake Light Switch 2005 Chevy Silverado.
From shellysavonlea.net
How To Replace Brake Light Switch 2005 Chevy Silverado 1500 Shelly How To Replace Brake Light Switch 2005 Chevy Silverado — buy now!new brake light switch from 1aauto.com. — if you break something or loose a projectile spring.you are then possibly without brake lights until you get a new one. — this video shows you how to install a new brake light switch from trq on. The first step is to locate the brake light socket in. How To Replace Brake Light Switch 2005 Chevy Silverado.
From viuttib9efixengine.z13.web.core.windows.net
Brake Switch Chevy Truck How To Replace Brake Light Switch 2005 Chevy Silverado 47k views 1 year ago. see how to change the brake lights on your 2005 chevrolet silverado 2500 hd. — buy now!new brake light switch from 1aauto.com. Rob shows us how to install a new brake light switch on a 2004 chevy. — quick diy on how to replace your brake light switch for chevy trucks. . How To Replace Brake Light Switch 2005 Chevy Silverado.
From shellysavonlea.net
How To Replace Brake Light Switch 2005 Chevy Silverado 1500 Shelly How To Replace Brake Light Switch 2005 Chevy Silverado Rob shows us how to install a new brake light switch on a 2004 chevy. — if your silverado’s brake light switch checked out ok, and there are no brake lights illuminating at all, inspect the. — if you break something or loose a projectile spring.you are then possibly without brake lights until you get a new one.. How To Replace Brake Light Switch 2005 Chevy Silverado.
From shellysavonlea.net
How To Replace Brake Light Switch 2003 Chevy Silverado Shelly Lighting How To Replace Brake Light Switch 2005 Chevy Silverado see how to change the brake lights on your 2005 chevrolet silverado 2500 hd. — buy now!new brake light switch from 1aauto.com. — this video shows you how to install a new brake light switch from trq on. — quick diy on how to replace your brake light switch for chevy trucks. 47k views 1 year. How To Replace Brake Light Switch 2005 Chevy Silverado.
From shellysavonlea.net
How To Replace Brake Light Switch 2005 Chevy Silverado 1500 Shelly How To Replace Brake Light Switch 2005 Chevy Silverado — buy now!new brake light switch from 1aauto.com. — if your silverado’s brake light switch checked out ok, and there are no brake lights illuminating at all, inspect the. The first step is to locate the brake light socket in your silverado 2500. Rob shows us how to install a new brake light switch on a 2004 chevy.. How To Replace Brake Light Switch 2005 Chevy Silverado.
From shellysavonlea.net
How To Replace Brake Light Switch 2006 Chevy Silverado Shelly Lighting How To Replace Brake Light Switch 2005 Chevy Silverado 47k views 1 year ago. — if you break something or loose a projectile spring.you are then possibly without brake lights until you get a new one. — buy now!new brake light switch from 1aauto.com. see how to change the brake lights on your 2005 chevrolet silverado 2500 hd. — quick diy on how to replace. How To Replace Brake Light Switch 2005 Chevy Silverado.
From evoffurrilitxschematic.z4.web.core.windows.net
Diagram Chevy Brake Light Switch Wiring How To Replace Brake Light Switch 2005 Chevy Silverado — this video shows you how to install a new brake light switch from trq on. — buy now!new brake light switch from 1aauto.com. Rob shows us how to install a new brake light switch on a 2004 chevy. 47k views 1 year ago. see how to change the brake lights on your 2005 chevrolet silverado 2500. How To Replace Brake Light Switch 2005 Chevy Silverado.
From shellysavonlea.net
How To Replace Brake Light Switch 2004 Chevy Silverado Shelly Lighting How To Replace Brake Light Switch 2005 Chevy Silverado see how to change the brake lights on your 2005 chevrolet silverado 2500 hd. — if you break something or loose a projectile spring.you are then possibly without brake lights until you get a new one. 47k views 1 year ago. — this video shows you how to install a new brake light switch from trq on.. How To Replace Brake Light Switch 2005 Chevy Silverado.
From shellysavonlea.net
How To Replace Brake Light Switch 2005 Chevy Silverado 1500 Shelly How To Replace Brake Light Switch 2005 Chevy Silverado — buy now!new brake light switch from 1aauto.com. — this video shows you how to install a new brake light switch from trq on. 47k views 1 year ago. — if your silverado’s brake light switch checked out ok, and there are no brake lights illuminating at all, inspect the. — if you break something or. How To Replace Brake Light Switch 2005 Chevy Silverado.
From schematicsarjairllixq7.z22.web.core.windows.net
Chevy Brake Light Switch Wiring How To Replace Brake Light Switch 2005 Chevy Silverado — if you break something or loose a projectile spring.you are then possibly without brake lights until you get a new one. The first step is to locate the brake light socket in your silverado 2500. — quick diy on how to replace your brake light switch for chevy trucks. — buy now!new brake light switch from. How To Replace Brake Light Switch 2005 Chevy Silverado.
From shellysavonlea.net
How To Replace Brake Light Switch 2005 Chevy Silverado 1500 Shelly How To Replace Brake Light Switch 2005 Chevy Silverado The first step is to locate the brake light socket in your silverado 2500. 47k views 1 year ago. see how to change the brake lights on your 2005 chevrolet silverado 2500 hd. — if you break something or loose a projectile spring.you are then possibly without brake lights until you get a new one. — quick. How To Replace Brake Light Switch 2005 Chevy Silverado.
From fixenginesarskem0i.z13.web.core.windows.net
How To Change The Brake Light Switch How To Replace Brake Light Switch 2005 Chevy Silverado — buy now!new brake light switch from 1aauto.com. see how to change the brake lights on your 2005 chevrolet silverado 2500 hd. The first step is to locate the brake light socket in your silverado 2500. 47k views 1 year ago. — this video shows you how to install a new brake light switch from trq on.. How To Replace Brake Light Switch 2005 Chevy Silverado.
From fixrepairsyncopates.z14.web.core.windows.net
Replacing Brake Light Switch Chevy Truck How To Replace Brake Light Switch 2005 Chevy Silverado see how to change the brake lights on your 2005 chevrolet silverado 2500 hd. — this video shows you how to install a new brake light switch from trq on. 47k views 1 year ago. — if you break something or loose a projectile spring.you are then possibly without brake lights until you get a new one.. How To Replace Brake Light Switch 2005 Chevy Silverado.
From shellysavonlea.net
How To Replace Brake Light Switch 2003 Chevy Silverado Shelly Lighting How To Replace Brake Light Switch 2005 Chevy Silverado — if your silverado’s brake light switch checked out ok, and there are no brake lights illuminating at all, inspect the. The first step is to locate the brake light socket in your silverado 2500. — buy now!new brake light switch from 1aauto.com. — this video shows you how to install a new brake light switch from. How To Replace Brake Light Switch 2005 Chevy Silverado.
From wiringguidegrover.z19.web.core.windows.net
Replacing Brake Light Switch Chevy Truck How To Replace Brake Light Switch 2005 Chevy Silverado — quick diy on how to replace your brake light switch for chevy trucks. 47k views 1 year ago. see how to change the brake lights on your 2005 chevrolet silverado 2500 hd. — buy now!new brake light switch from 1aauto.com. — if you break something or loose a projectile spring.you are then possibly without brake. How To Replace Brake Light Switch 2005 Chevy Silverado.
From shellysavonlea.net
How To Replace Brake Light Switch 2005 Chevy Silverado 1500 Shelly How To Replace Brake Light Switch 2005 Chevy Silverado 47k views 1 year ago. — if your silverado’s brake light switch checked out ok, and there are no brake lights illuminating at all, inspect the. The first step is to locate the brake light socket in your silverado 2500. — quick diy on how to replace your brake light switch for chevy trucks. — this video. How To Replace Brake Light Switch 2005 Chevy Silverado.
From shellysavonlea.net
How To Replace Brake Light Switch 2006 Chevy Silverado Shelly Lighting How To Replace Brake Light Switch 2005 Chevy Silverado — quick diy on how to replace your brake light switch for chevy trucks. — this video shows you how to install a new brake light switch from trq on. — if you break something or loose a projectile spring.you are then possibly without brake lights until you get a new one. The first step is to. How To Replace Brake Light Switch 2005 Chevy Silverado.
From shellysavonlea.net
How To Replace Brake Light Switch 2004 Chevy Silverado Shelly Lighting How To Replace Brake Light Switch 2005 Chevy Silverado — buy now!new brake light switch from 1aauto.com. — quick diy on how to replace your brake light switch for chevy trucks. Rob shows us how to install a new brake light switch on a 2004 chevy. see how to change the brake lights on your 2005 chevrolet silverado 2500 hd. 47k views 1 year ago. . How To Replace Brake Light Switch 2005 Chevy Silverado.
From shellysavonlea.net
How To Replace Brake Light Switch 2004 Chevy Silverado Shelly Lighting How To Replace Brake Light Switch 2005 Chevy Silverado Rob shows us how to install a new brake light switch on a 2004 chevy. — this video shows you how to install a new brake light switch from trq on. — if your silverado’s brake light switch checked out ok, and there are no brake lights illuminating at all, inspect the. 47k views 1 year ago. . How To Replace Brake Light Switch 2005 Chevy Silverado.
From shellysavonlea.net
How To Replace Brake Light Switch 2005 Chevy Silverado 1500 Shelly How To Replace Brake Light Switch 2005 Chevy Silverado 47k views 1 year ago. see how to change the brake lights on your 2005 chevrolet silverado 2500 hd. The first step is to locate the brake light socket in your silverado 2500. — quick diy on how to replace your brake light switch for chevy trucks. — if your silverado’s brake light switch checked out ok,. How To Replace Brake Light Switch 2005 Chevy Silverado.
From www.youtube.com
How to Install a Brake Light Switch YouTube How To Replace Brake Light Switch 2005 Chevy Silverado — quick diy on how to replace your brake light switch for chevy trucks. see how to change the brake lights on your 2005 chevrolet silverado 2500 hd. 47k views 1 year ago. — buy now!new brake light switch from 1aauto.com. — if you break something or loose a projectile spring.you are then possibly without brake. How To Replace Brake Light Switch 2005 Chevy Silverado.
From shellysavonlea.net
How To Replace Brake Light Switch 2005 Chevy Silverado 1500 Shelly How To Replace Brake Light Switch 2005 Chevy Silverado — buy now!new brake light switch from 1aauto.com. Rob shows us how to install a new brake light switch on a 2004 chevy. 47k views 1 year ago. — this video shows you how to install a new brake light switch from trq on. — if your silverado’s brake light switch checked out ok, and there are. How To Replace Brake Light Switch 2005 Chevy Silverado.
From shellysavonlea.net
How To Replace Brake Light Switch 2004 Chevy Silverado Shelly Lighting How To Replace Brake Light Switch 2005 Chevy Silverado — if your silverado’s brake light switch checked out ok, and there are no brake lights illuminating at all, inspect the. — this video shows you how to install a new brake light switch from trq on. The first step is to locate the brake light socket in your silverado 2500. — buy now!new brake light switch. How To Replace Brake Light Switch 2005 Chevy Silverado.
From udvajalaxy1fixengine.z13.web.core.windows.net
Chevy Silverado Brake Switch Replacement How To Replace Brake Light Switch 2005 Chevy Silverado — this video shows you how to install a new brake light switch from trq on. 47k views 1 year ago. The first step is to locate the brake light socket in your silverado 2500. — quick diy on how to replace your brake light switch for chevy trucks. — buy now!new brake light switch from 1aauto.com.. How To Replace Brake Light Switch 2005 Chevy Silverado.
From shellysavonlea.net
How To Replace Brake Light Switch 2004 Chevy Silverado Shelly Lighting How To Replace Brake Light Switch 2005 Chevy Silverado see how to change the brake lights on your 2005 chevrolet silverado 2500 hd. — if you break something or loose a projectile spring.you are then possibly without brake lights until you get a new one. — quick diy on how to replace your brake light switch for chevy trucks. — if your silverado’s brake light. How To Replace Brake Light Switch 2005 Chevy Silverado.
From shellysavonlea.net
How To Replace Brake Light Switch 2005 Chevy Silverado 1500 Shelly How To Replace Brake Light Switch 2005 Chevy Silverado — if you break something or loose a projectile spring.you are then possibly without brake lights until you get a new one. Rob shows us how to install a new brake light switch on a 2004 chevy. The first step is to locate the brake light socket in your silverado 2500. — quick diy on how to replace. How To Replace Brake Light Switch 2005 Chevy Silverado.
From shellysavonlea.net
How To Replace Brake Light Switch 2005 Chevy Silverado 1500 Shelly How To Replace Brake Light Switch 2005 Chevy Silverado — if your silverado’s brake light switch checked out ok, and there are no brake lights illuminating at all, inspect the. The first step is to locate the brake light socket in your silverado 2500. Rob shows us how to install a new brake light switch on a 2004 chevy. — quick diy on how to replace your. How To Replace Brake Light Switch 2005 Chevy Silverado.