Toyota Overdrive Solenoid Location . also, the solenoid is mounted on the outside of the trans so its easy to replace. The solenoid should hold 71psi of pressure. the od solenoid is indeed located on the outside of the trans, about where the pan bolts up to the bottom of. overdrive not engaging? These solenoids can go bad over time causing the tranny. Most likely it is the overdrive solenoid that is. the a340 uses three solenoids that help control the shift points on the transmission. Right where pan bolts to housing,. if the engine rpm shoots up, it means overdrive was engaged and is now disengaged.
from dxonyxdjx.blob.core.windows.net
Right where pan bolts to housing,. if the engine rpm shoots up, it means overdrive was engaged and is now disengaged. the a340 uses three solenoids that help control the shift points on the transmission. also, the solenoid is mounted on the outside of the trans so its easy to replace. The solenoid should hold 71psi of pressure. the od solenoid is indeed located on the outside of the trans, about where the pan bolts up to the bottom of. overdrive not engaging? These solenoids can go bad over time causing the tranny. Most likely it is the overdrive solenoid that is.
What Is A Solenoid On A Transmission at Matthew Salazar blog
Toyota Overdrive Solenoid Location also, the solenoid is mounted on the outside of the trans so its easy to replace. also, the solenoid is mounted on the outside of the trans so its easy to replace. Right where pan bolts to housing,. overdrive not engaging? the a340 uses three solenoids that help control the shift points on the transmission. The solenoid should hold 71psi of pressure. if the engine rpm shoots up, it means overdrive was engaged and is now disengaged. the od solenoid is indeed located on the outside of the trans, about where the pan bolts up to the bottom of. Most likely it is the overdrive solenoid that is. These solenoids can go bad over time causing the tranny.
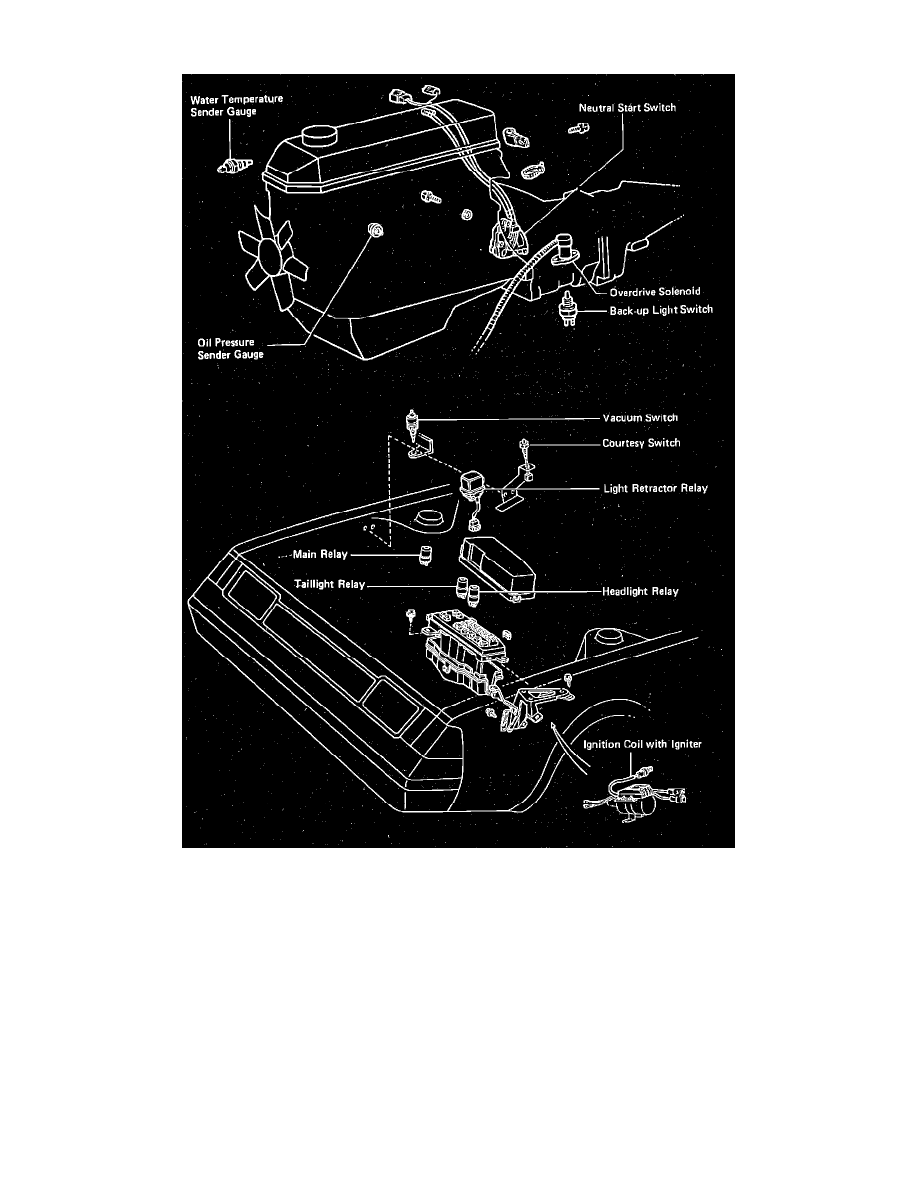
From workshop-manuals.com
Toyota Service and Repair Manuals > Celica L41998cc 2.0L DOHC Toyota Overdrive Solenoid Location the a340 uses three solenoids that help control the shift points on the transmission. These solenoids can go bad over time causing the tranny. Most likely it is the overdrive solenoid that is. also, the solenoid is mounted on the outside of the trans so its easy to replace. overdrive not engaging? The solenoid should hold 71psi. Toyota Overdrive Solenoid Location.
From irving-santos.blogspot.com
toyota 4runner transmission solenoid problems irvingsantos Toyota Overdrive Solenoid Location The solenoid should hold 71psi of pressure. Most likely it is the overdrive solenoid that is. the a340 uses three solenoids that help control the shift points on the transmission. Right where pan bolts to housing,. the od solenoid is indeed located on the outside of the trans, about where the pan bolts up to the bottom of.. Toyota Overdrive Solenoid Location.
From www.ebay.com
For Toyota Pickup ,VAN,Truck over drive,Auto Transmission Overdrive Toyota Overdrive Solenoid Location Most likely it is the overdrive solenoid that is. These solenoids can go bad over time causing the tranny. The solenoid should hold 71psi of pressure. the a340 uses three solenoids that help control the shift points on the transmission. overdrive not engaging? Right where pan bolts to housing,. if the engine rpm shoots up, it means. Toyota Overdrive Solenoid Location.
From dxonyxdjx.blob.core.windows.net
What Is A Solenoid On A Transmission at Matthew Salazar blog Toyota Overdrive Solenoid Location Most likely it is the overdrive solenoid that is. if the engine rpm shoots up, it means overdrive was engaged and is now disengaged. the od solenoid is indeed located on the outside of the trans, about where the pan bolts up to the bottom of. also, the solenoid is mounted on the outside of the trans. Toyota Overdrive Solenoid Location.
From cookinglove.com
Toyota corolla shift solenoid Toyota Overdrive Solenoid Location The solenoid should hold 71psi of pressure. the a340 uses three solenoids that help control the shift points on the transmission. Right where pan bolts to housing,. Most likely it is the overdrive solenoid that is. the od solenoid is indeed located on the outside of the trans, about where the pan bolts up to the bottom of.. Toyota Overdrive Solenoid Location.
From www.2carpros.com
Overdrive Solenoid Where Is the Overdrive Solenoid Located? Toyota Overdrive Solenoid Location Right where pan bolts to housing,. the od solenoid is indeed located on the outside of the trans, about where the pan bolts up to the bottom of. if the engine rpm shoots up, it means overdrive was engaged and is now disengaged. Most likely it is the overdrive solenoid that is. The solenoid should hold 71psi of. Toyota Overdrive Solenoid Location.
From www.toyotaguru.us
Overdrive Function Toyota Camry Repair Toyota Service Blog Toyota Overdrive Solenoid Location Most likely it is the overdrive solenoid that is. if the engine rpm shoots up, it means overdrive was engaged and is now disengaged. The solenoid should hold 71psi of pressure. the od solenoid is indeed located on the outside of the trans, about where the pan bolts up to the bottom of. the a340 uses three. Toyota Overdrive Solenoid Location.
From remco.mx
Solenoide overdrive Toyota A42D A43D 1983 REMCO Toyota Overdrive Solenoid Location The solenoid should hold 71psi of pressure. the a340 uses three solenoids that help control the shift points on the transmission. also, the solenoid is mounted on the outside of the trans so its easy to replace. the od solenoid is indeed located on the outside of the trans, about where the pan bolts up to the. Toyota Overdrive Solenoid Location.
From gearsmagazine.com
Gears Magazine Toyota A340 Valve Bodies In the Hunt for Fuel Milage... Toyota Overdrive Solenoid Location overdrive not engaging? the od solenoid is indeed located on the outside of the trans, about where the pan bolts up to the bottom of. if the engine rpm shoots up, it means overdrive was engaged and is now disengaged. These solenoids can go bad over time causing the tranny. also, the solenoid is mounted on. Toyota Overdrive Solenoid Location.
From exoxxyxpt.blob.core.windows.net
What Does A Control Solenoid Do at Elaine Axtell blog Toyota Overdrive Solenoid Location Most likely it is the overdrive solenoid that is. The solenoid should hold 71psi of pressure. overdrive not engaging? also, the solenoid is mounted on the outside of the trans so its easy to replace. if the engine rpm shoots up, it means overdrive was engaged and is now disengaged. Right where pan bolts to housing,. . Toyota Overdrive Solenoid Location.
From cookinglove.com
Toyota corolla shift solenoid Toyota Overdrive Solenoid Location overdrive not engaging? also, the solenoid is mounted on the outside of the trans so its easy to replace. Most likely it is the overdrive solenoid that is. Right where pan bolts to housing,. the a340 uses three solenoids that help control the shift points on the transmission. These solenoids can go bad over time causing the. Toyota Overdrive Solenoid Location.
From www.youtube.com
How to Replace Variable Valve Timing Solenoid 0107 Toyota Highlander Toyota Overdrive Solenoid Location Most likely it is the overdrive solenoid that is. The solenoid should hold 71psi of pressure. the a340 uses three solenoids that help control the shift points on the transmission. the od solenoid is indeed located on the outside of the trans, about where the pan bolts up to the bottom of. These solenoids can go bad over. Toyota Overdrive Solenoid Location.
From www.ebay.com
For Toyota Pickup ,VAN,Truck over drive,Auto Transmission Overdrive Toyota Overdrive Solenoid Location Most likely it is the overdrive solenoid that is. the a340 uses three solenoids that help control the shift points on the transmission. if the engine rpm shoots up, it means overdrive was engaged and is now disengaged. overdrive not engaging? The solenoid should hold 71psi of pressure. These solenoids can go bad over time causing the. Toyota Overdrive Solenoid Location.
From www.2carpros.com
Shift Solenoid Location Where Is the Shift Solenoid? Toyota Overdrive Solenoid Location Right where pan bolts to housing,. Most likely it is the overdrive solenoid that is. These solenoids can go bad over time causing the tranny. if the engine rpm shoots up, it means overdrive was engaged and is now disengaged. the a340 uses three solenoids that help control the shift points on the transmission. The solenoid should hold. Toyota Overdrive Solenoid Location.
From www.youtube.com
Rebuilding Toyota Solenoids YouTube Toyota Overdrive Solenoid Location These solenoids can go bad over time causing the tranny. also, the solenoid is mounted on the outside of the trans so its easy to replace. the a340 uses three solenoids that help control the shift points on the transmission. overdrive not engaging? The solenoid should hold 71psi of pressure. if the engine rpm shoots up,. Toyota Overdrive Solenoid Location.
From www.1aauto.com
How to Replace Variable Valve Timing Solenoid 20002006 Toyota Tundra Toyota Overdrive Solenoid Location the a340 uses three solenoids that help control the shift points on the transmission. The solenoid should hold 71psi of pressure. overdrive not engaging? These solenoids can go bad over time causing the tranny. if the engine rpm shoots up, it means overdrive was engaged and is now disengaged. also, the solenoid is mounted on the. Toyota Overdrive Solenoid Location.
From www.youtube.com
Automatic transmission solenoids locations in Toyota Corolla. Years Toyota Overdrive Solenoid Location overdrive not engaging? Most likely it is the overdrive solenoid that is. the od solenoid is indeed located on the outside of the trans, about where the pan bolts up to the bottom of. Right where pan bolts to housing,. also, the solenoid is mounted on the outside of the trans so its easy to replace. . Toyota Overdrive Solenoid Location.
From maktrans.net
Solenoids repair A750 A760 A761 A960 AB60 (Lexus GS470 LX470 GS300 Toyota Overdrive Solenoid Location also, the solenoid is mounted on the outside of the trans so its easy to replace. The solenoid should hold 71psi of pressure. These solenoids can go bad over time causing the tranny. overdrive not engaging? if the engine rpm shoots up, it means overdrive was engaged and is now disengaged. Most likely it is the overdrive. Toyota Overdrive Solenoid Location.
From exoknfeoo.blob.core.windows.net
How To Replace Shift Solenoid Toyota Camry at Marta Garcia blog Toyota Overdrive Solenoid Location overdrive not engaging? Right where pan bolts to housing,. The solenoid should hold 71psi of pressure. the a340 uses three solenoids that help control the shift points on the transmission. also, the solenoid is mounted on the outside of the trans so its easy to replace. Most likely it is the overdrive solenoid that is. These solenoids. Toyota Overdrive Solenoid Location.
From www.korobas.kz
U340E / U341E Toyota Overdrive Solenoid Location the od solenoid is indeed located on the outside of the trans, about where the pan bolts up to the bottom of. if the engine rpm shoots up, it means overdrive was engaged and is now disengaged. Most likely it is the overdrive solenoid that is. These solenoids can go bad over time causing the tranny. overdrive. Toyota Overdrive Solenoid Location.
From www.youtube.com
Automatic transmission solenoids locations in Toyota Camry. Years 1990 Toyota Overdrive Solenoid Location The solenoid should hold 71psi of pressure. the od solenoid is indeed located on the outside of the trans, about where the pan bolts up to the bottom of. if the engine rpm shoots up, it means overdrive was engaged and is now disengaged. overdrive not engaging? Right where pan bolts to housing,. These solenoids can go. Toyota Overdrive Solenoid Location.
From www.sonnax.com
45RFE, 545RFE, 68RFE Solenoid Identification & Connector Pin Out Sonnax Toyota Overdrive Solenoid Location if the engine rpm shoots up, it means overdrive was engaged and is now disengaged. These solenoids can go bad over time causing the tranny. Most likely it is the overdrive solenoid that is. the od solenoid is indeed located on the outside of the trans, about where the pan bolts up to the bottom of. overdrive. Toyota Overdrive Solenoid Location.
From mechanictumlerhvb.z14.web.core.windows.net
Engine Oil Pressure Control Solenoid Valve Location Toyota Overdrive Solenoid Location The solenoid should hold 71psi of pressure. overdrive not engaging? if the engine rpm shoots up, it means overdrive was engaged and is now disengaged. These solenoids can go bad over time causing the tranny. the a340 uses three solenoids that help control the shift points on the transmission. also, the solenoid is mounted on the. Toyota Overdrive Solenoid Location.
From yoshiparts.com
9672124018 Ring, O (For Overdrive Solenoid) Toyota YoshiParts Toyota Overdrive Solenoid Location The solenoid should hold 71psi of pressure. Right where pan bolts to housing,. overdrive not engaging? the od solenoid is indeed located on the outside of the trans, about where the pan bolts up to the bottom of. These solenoids can go bad over time causing the tranny. also, the solenoid is mounted on the outside of. Toyota Overdrive Solenoid Location.
From www.ebay.com
For Toyota Pickup ,VAN,Truck over drive,Auto Transmission Overdrive Toyota Overdrive Solenoid Location The solenoid should hold 71psi of pressure. also, the solenoid is mounted on the outside of the trans so its easy to replace. if the engine rpm shoots up, it means overdrive was engaged and is now disengaged. overdrive not engaging? Right where pan bolts to housing,. the a340 uses three solenoids that help control the. Toyota Overdrive Solenoid Location.
From mechanicredsterfl6.z13.web.core.windows.net
Where Are The Transmission Solenoids Located Toyota Overdrive Solenoid Location Most likely it is the overdrive solenoid that is. also, the solenoid is mounted on the outside of the trans so its easy to replace. if the engine rpm shoots up, it means overdrive was engaged and is now disengaged. These solenoids can go bad over time causing the tranny. the a340 uses three solenoids that help. Toyota Overdrive Solenoid Location.
From www.youtube.com
How to Replace Transmission Solenoid Toyota FZJ80 Land Cruiser, 80 Toyota Overdrive Solenoid Location the od solenoid is indeed located on the outside of the trans, about where the pan bolts up to the bottom of. also, the solenoid is mounted on the outside of the trans so its easy to replace. overdrive not engaging? if the engine rpm shoots up, it means overdrive was engaged and is now disengaged.. Toyota Overdrive Solenoid Location.
From dodgeforum.com
How To Install Overdrive/lockup, Gov. Pressure And Tranducer Solenoids Toyota Overdrive Solenoid Location overdrive not engaging? also, the solenoid is mounted on the outside of the trans so its easy to replace. Most likely it is the overdrive solenoid that is. The solenoid should hold 71psi of pressure. These solenoids can go bad over time causing the tranny. the od solenoid is indeed located on the outside of the trans,. Toyota Overdrive Solenoid Location.
From www.tundras.com
Toyota Tundra Transmission Toyota Tundra Forum Toyota Overdrive Solenoid Location These solenoids can go bad over time causing the tranny. The solenoid should hold 71psi of pressure. the a340 uses three solenoids that help control the shift points on the transmission. Most likely it is the overdrive solenoid that is. Right where pan bolts to housing,. overdrive not engaging? also, the solenoid is mounted on the outside. Toyota Overdrive Solenoid Location.
From www.ebay.ie
For Toyota Pickup ,VAN,Truck over drive,Auto Transmission Overdrive Toyota Overdrive Solenoid Location Right where pan bolts to housing,. also, the solenoid is mounted on the outside of the trans so its easy to replace. if the engine rpm shoots up, it means overdrive was engaged and is now disengaged. the a340 uses three solenoids that help control the shift points on the transmission. the od solenoid is indeed. Toyota Overdrive Solenoid Location.
From schematicpurelunacyht.z22.web.core.windows.net
Wiring Diagram 4l80e Transmission Solenoid Toyota Overdrive Solenoid Location the od solenoid is indeed located on the outside of the trans, about where the pan bolts up to the bottom of. if the engine rpm shoots up, it means overdrive was engaged and is now disengaged. also, the solenoid is mounted on the outside of the trans so its easy to replace. These solenoids can go. Toyota Overdrive Solenoid Location.
From cookinglove.com
Toyota corolla shift solenoid Toyota Overdrive Solenoid Location Most likely it is the overdrive solenoid that is. Right where pan bolts to housing,. the a340 uses three solenoids that help control the shift points on the transmission. also, the solenoid is mounted on the outside of the trans so its easy to replace. the od solenoid is indeed located on the outside of the trans,. Toyota Overdrive Solenoid Location.
From www.transmissiondigest.com
Clearing up Some Toyota Solenoid Confusion Transmission Digest Toyota Overdrive Solenoid Location These solenoids can go bad over time causing the tranny. the od solenoid is indeed located on the outside of the trans, about where the pan bolts up to the bottom of. also, the solenoid is mounted on the outside of the trans so its easy to replace. Most likely it is the overdrive solenoid that is. . Toyota Overdrive Solenoid Location.
From 6thgeargarage.net
How to Read Transmission Code with Flashing Overdrive Light on Toyota Toyota Overdrive Solenoid Location the a340 uses three solenoids that help control the shift points on the transmission. also, the solenoid is mounted on the outside of the trans so its easy to replace. the od solenoid is indeed located on the outside of the trans, about where the pan bolts up to the bottom of. These solenoids can go bad. Toyota Overdrive Solenoid Location.
From www.youtube.com
Toyota corolla valve body, solenoids and ball part location YouTube Toyota Overdrive Solenoid Location overdrive not engaging? Most likely it is the overdrive solenoid that is. the od solenoid is indeed located on the outside of the trans, about where the pan bolts up to the bottom of. The solenoid should hold 71psi of pressure. Right where pan bolts to housing,. These solenoids can go bad over time causing the tranny. . Toyota Overdrive Solenoid Location.