Ice Maker Dispenser Motor Not Working . Ice clumps in bin, dispenser, or raker. Is your ice maker not working? Visit the ice maker not dispensing ice page for more troubleshooting tips. My ice maker dispenser is not working. If the door flap fails to open or shut, there may be a mechanical issue with the door flap parts, or the solenoid that operates the door. I thought for sure it was the motor and replaced it. In your case, it sounds like. When ice cubes are exposed to heat which allows them to move out of the tray, or due to a. Find out how to repair a refrigerator ice maker that's not dispensing ice by troubleshooting common problems and parts like ice dispenser actuators and micro switches.
from giobsdsko.blob.core.windows.net
Ice clumps in bin, dispenser, or raker. If the door flap fails to open or shut, there may be a mechanical issue with the door flap parts, or the solenoid that operates the door. When ice cubes are exposed to heat which allows them to move out of the tray, or due to a. In your case, it sounds like. I thought for sure it was the motor and replaced it. Visit the ice maker not dispensing ice page for more troubleshooting tips. Find out how to repair a refrigerator ice maker that's not dispensing ice by troubleshooting common problems and parts like ice dispenser actuators and micro switches. Is your ice maker not working? My ice maker dispenser is not working.
Ice Maker Dispenser Is Not Working at Virginia Maxwell blog
Ice Maker Dispenser Motor Not Working If the door flap fails to open or shut, there may be a mechanical issue with the door flap parts, or the solenoid that operates the door. Is your ice maker not working? My ice maker dispenser is not working. When ice cubes are exposed to heat which allows them to move out of the tray, or due to a. In your case, it sounds like. I thought for sure it was the motor and replaced it. Ice clumps in bin, dispenser, or raker. Find out how to repair a refrigerator ice maker that's not dispensing ice by troubleshooting common problems and parts like ice dispenser actuators and micro switches. Visit the ice maker not dispensing ice page for more troubleshooting tips. If the door flap fails to open or shut, there may be a mechanical issue with the door flap parts, or the solenoid that operates the door.
From www.pinterest.com
Replacing an Ice Maker Dispenser Motor Appliance repair Ice Maker Dispenser Motor Not Working When ice cubes are exposed to heat which allows them to move out of the tray, or due to a. Visit the ice maker not dispensing ice page for more troubleshooting tips. If the door flap fails to open or shut, there may be a mechanical issue with the door flap parts, or the solenoid that operates the door. In. Ice Maker Dispenser Motor Not Working.
From www.youtube.com
Refrigerator Not Dispensing Ice Fix YouTube Ice Maker Dispenser Motor Not Working Is your ice maker not working? In your case, it sounds like. When ice cubes are exposed to heat which allows them to move out of the tray, or due to a. Ice clumps in bin, dispenser, or raker. My ice maker dispenser is not working. Find out how to repair a refrigerator ice maker that's not dispensing ice by. Ice Maker Dispenser Motor Not Working.
From www.youtube.com
How To LG/Kenmore Ice Dispenser Door Motor EAU59551204 YouTube Ice Maker Dispenser Motor Not Working Find out how to repair a refrigerator ice maker that's not dispensing ice by troubleshooting common problems and parts like ice dispenser actuators and micro switches. Ice clumps in bin, dispenser, or raker. Is your ice maker not working? When ice cubes are exposed to heat which allows them to move out of the tray, or due to a. My. Ice Maker Dispenser Motor Not Working.
From www.youtube.com
Refrigerator whirlpool icemaker not working dispenser not working Ice Maker Dispenser Motor Not Working My ice maker dispenser is not working. Is your ice maker not working? In your case, it sounds like. If the door flap fails to open or shut, there may be a mechanical issue with the door flap parts, or the solenoid that operates the door. Visit the ice maker not dispensing ice page for more troubleshooting tips. Find out. Ice Maker Dispenser Motor Not Working.
From www.inf-inet.com
Ice Maker Not Working How To Troubleshoot Refrigerator Ice Cube Ice Maker Dispenser Motor Not Working My ice maker dispenser is not working. In your case, it sounds like. Find out how to repair a refrigerator ice maker that's not dispensing ice by troubleshooting common problems and parts like ice dispenser actuators and micro switches. Is your ice maker not working? Visit the ice maker not dispensing ice page for more troubleshooting tips. Ice clumps in. Ice Maker Dispenser Motor Not Working.
From www.youtube.com
How To Whirlpool/KitchenAid/Maytag Ice Dispenser Motor WP2188242 YouTube Ice Maker Dispenser Motor Not Working I thought for sure it was the motor and replaced it. Is your ice maker not working? Ice clumps in bin, dispenser, or raker. In your case, it sounds like. Find out how to repair a refrigerator ice maker that's not dispensing ice by troubleshooting common problems and parts like ice dispenser actuators and micro switches. If the door flap. Ice Maker Dispenser Motor Not Working.
From bekilledat.blogspot.com
ge ice maker not working no green light Jacqui Parr Ice Maker Dispenser Motor Not Working If the door flap fails to open or shut, there may be a mechanical issue with the door flap parts, or the solenoid that operates the door. Visit the ice maker not dispensing ice page for more troubleshooting tips. My ice maker dispenser is not working. Ice clumps in bin, dispenser, or raker. In your case, it sounds like. I. Ice Maker Dispenser Motor Not Working.
From www.geapplianceparts.com
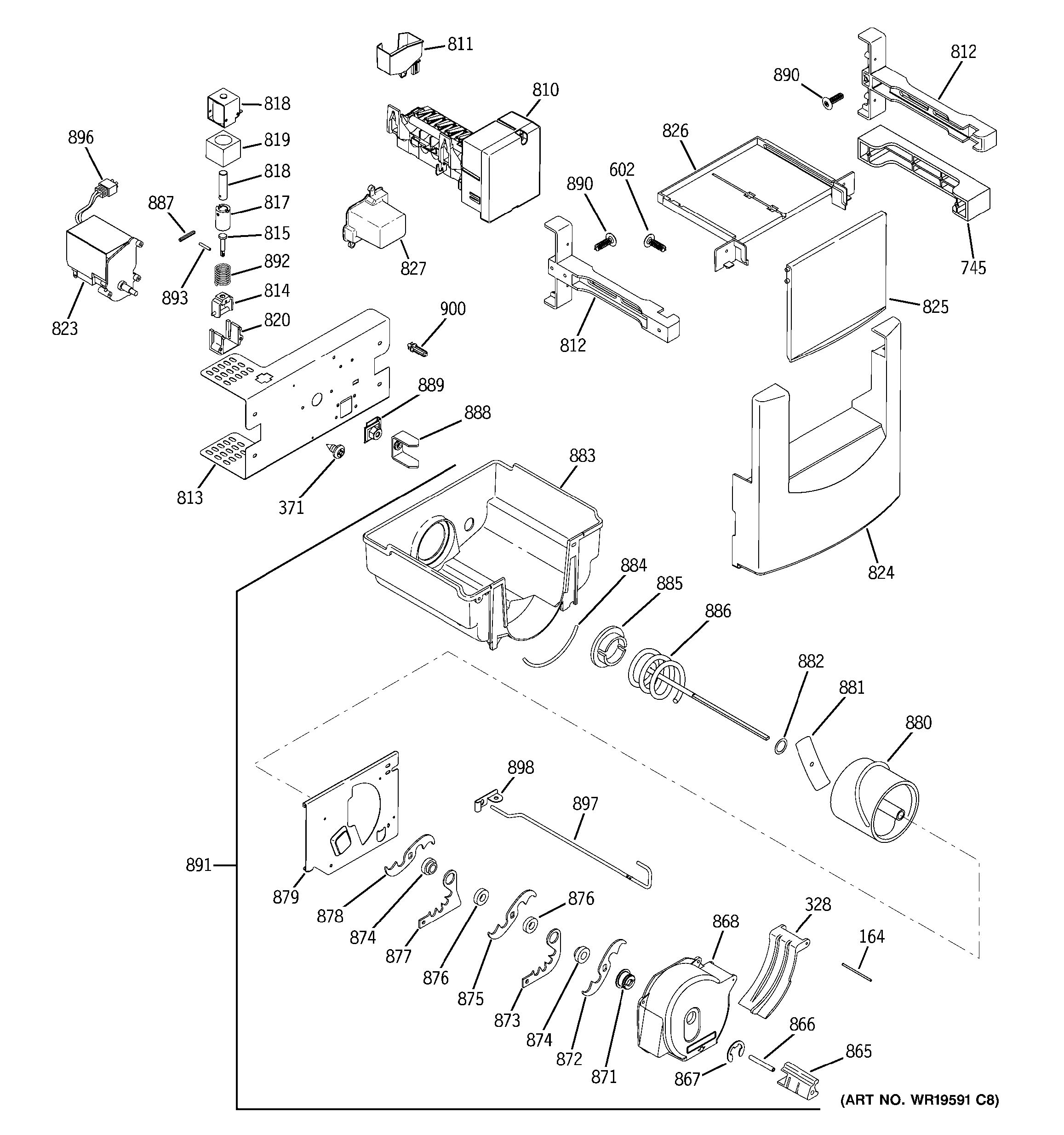
Assembly View for ICE MAKER & DISPENSER DFE28JMKBES Ice Maker Dispenser Motor Not Working Find out how to repair a refrigerator ice maker that's not dispensing ice by troubleshooting common problems and parts like ice dispenser actuators and micro switches. In your case, it sounds like. I thought for sure it was the motor and replaced it. When ice cubes are exposed to heat which allows them to move out of the tray, or. Ice Maker Dispenser Motor Not Working.
From www.justanswer.com
Ice dispenser motor not running,i checked the motor and it is ok, what Ice Maker Dispenser Motor Not Working My ice maker dispenser is not working. When ice cubes are exposed to heat which allows them to move out of the tray, or due to a. If the door flap fails to open or shut, there may be a mechanical issue with the door flap parts, or the solenoid that operates the door. Find out how to repair a. Ice Maker Dispenser Motor Not Working.
From giobsdsko.blob.core.windows.net
Ice Maker Dispenser Is Not Working at Virginia Maxwell blog Ice Maker Dispenser Motor Not Working My ice maker dispenser is not working. In your case, it sounds like. I thought for sure it was the motor and replaced it. If the door flap fails to open or shut, there may be a mechanical issue with the door flap parts, or the solenoid that operates the door. When ice cubes are exposed to heat which allows. Ice Maker Dispenser Motor Not Working.
From www.youtube.com
Whirlpool Refrigerator Will Not Dispense Ice Dispenser Motor Repair Ice Maker Dispenser Motor Not Working My ice maker dispenser is not working. When ice cubes are exposed to heat which allows them to move out of the tray, or due to a. Ice clumps in bin, dispenser, or raker. Is your ice maker not working? I thought for sure it was the motor and replaced it. If the door flap fails to open or shut,. Ice Maker Dispenser Motor Not Working.
From www.geapplianceparts.com
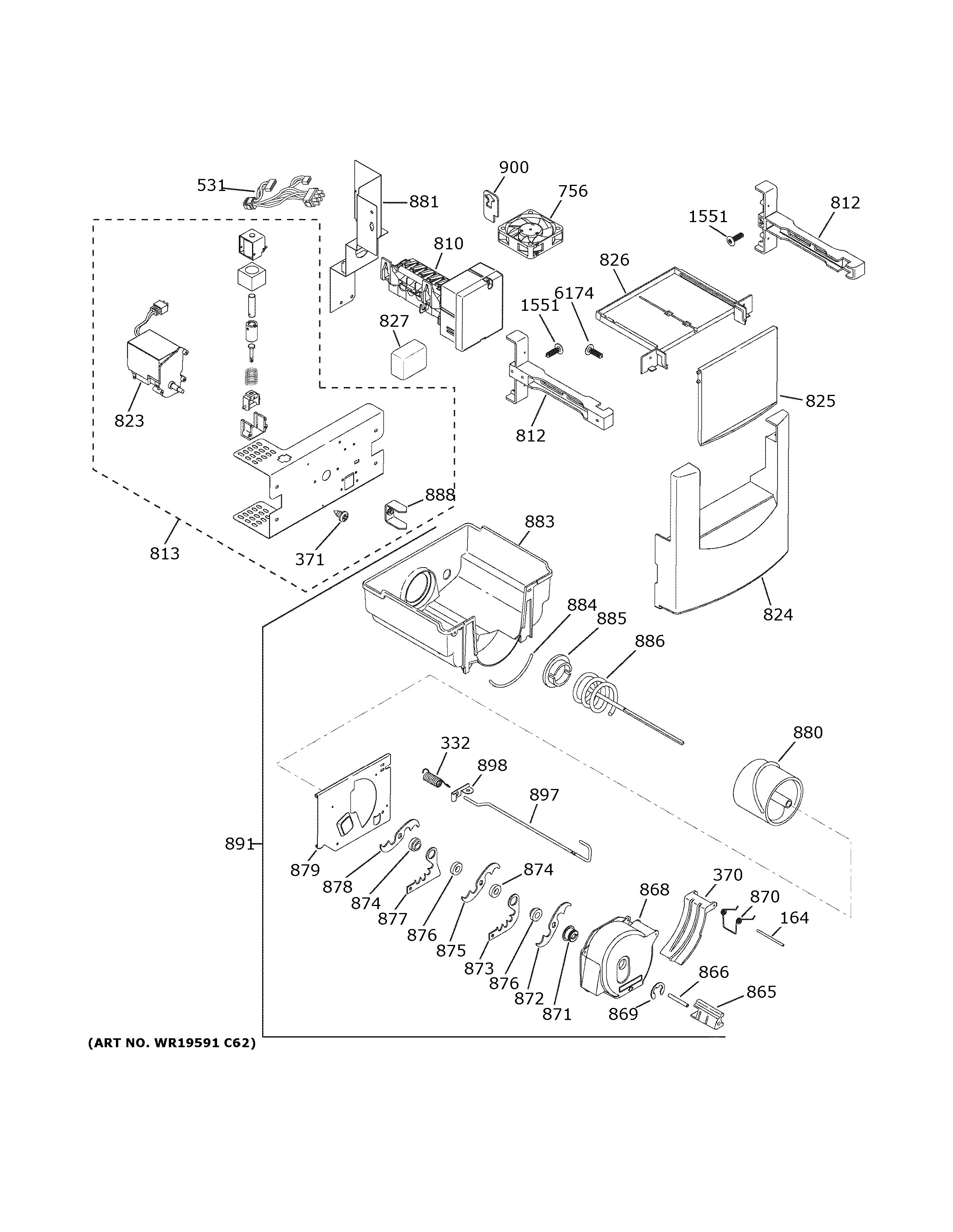
Assembly View for ICE MAKER & DISPENSER ZISS480DNBSS Ice Maker Dispenser Motor Not Working Find out how to repair a refrigerator ice maker that's not dispensing ice by troubleshooting common problems and parts like ice dispenser actuators and micro switches. In your case, it sounds like. I thought for sure it was the motor and replaced it. Is your ice maker not working? My ice maker dispenser is not working. If the door flap. Ice Maker Dispenser Motor Not Working.
From www.youtube.com
How To Fix Kenmore Ice Dispenser Easy DIY Repair Guide YouTube Ice Maker Dispenser Motor Not Working Is your ice maker not working? Visit the ice maker not dispensing ice page for more troubleshooting tips. When ice cubes are exposed to heat which allows them to move out of the tray, or due to a. If the door flap fails to open or shut, there may be a mechanical issue with the door flap parts, or the. Ice Maker Dispenser Motor Not Working.
From www.justanswer.com
How do you replace the ice dispenser motor on a model 106.56542400 Ice Maker Dispenser Motor Not Working Visit the ice maker not dispensing ice page for more troubleshooting tips. My ice maker dispenser is not working. I thought for sure it was the motor and replaced it. When ice cubes are exposed to heat which allows them to move out of the tray, or due to a. Is your ice maker not working? Ice clumps in bin,. Ice Maker Dispenser Motor Not Working.
From www.geapplianceparts.com
Assembly View for ICE MAKER & DISPENSER PSB42YGXASV Ice Maker Dispenser Motor Not Working Ice clumps in bin, dispenser, or raker. Is your ice maker not working? I thought for sure it was the motor and replaced it. Visit the ice maker not dispensing ice page for more troubleshooting tips. In your case, it sounds like. When ice cubes are exposed to heat which allows them to move out of the tray, or due. Ice Maker Dispenser Motor Not Working.
From www.geapplianceparts.com
Assembly View for ICE MAKER & DISPENSER ZISS480DXASS Ice Maker Dispenser Motor Not Working Visit the ice maker not dispensing ice page for more troubleshooting tips. My ice maker dispenser is not working. Ice clumps in bin, dispenser, or raker. If the door flap fails to open or shut, there may be a mechanical issue with the door flap parts, or the solenoid that operates the door. Is your ice maker not working? When. Ice Maker Dispenser Motor Not Working.
From bestfridgereview.com
Fridge Ice Dispenser Not Working Ice Maker Dispenser Motor Not Working Visit the ice maker not dispensing ice page for more troubleshooting tips. Ice clumps in bin, dispenser, or raker. My ice maker dispenser is not working. If the door flap fails to open or shut, there may be a mechanical issue with the door flap parts, or the solenoid that operates the door. In your case, it sounds like. When. Ice Maker Dispenser Motor Not Working.
From washerwhirlpool.blogspot.com
Fix Ice Maker Frigidaire Refrigerator Ice Maker Dispenser Motor Not Working Is your ice maker not working? In your case, it sounds like. My ice maker dispenser is not working. Find out how to repair a refrigerator ice maker that's not dispensing ice by troubleshooting common problems and parts like ice dispenser actuators and micro switches. If the door flap fails to open or shut, there may be a mechanical issue. Ice Maker Dispenser Motor Not Working.
From www.youtube.com
Refrigerator Repair Replacing the Ice Maker Assembly (Whirlpool Part Ice Maker Dispenser Motor Not Working Ice clumps in bin, dispenser, or raker. My ice maker dispenser is not working. If the door flap fails to open or shut, there may be a mechanical issue with the door flap parts, or the solenoid that operates the door. Visit the ice maker not dispensing ice page for more troubleshooting tips. Is your ice maker not working? When. Ice Maker Dispenser Motor Not Working.
From www.youtube.com
Whirlpool Ice Maker isn't working won't turn ON or off YouTube Ice Maker Dispenser Motor Not Working If the door flap fails to open or shut, there may be a mechanical issue with the door flap parts, or the solenoid that operates the door. Is your ice maker not working? Visit the ice maker not dispensing ice page for more troubleshooting tips. I thought for sure it was the motor and replaced it. In your case, it. Ice Maker Dispenser Motor Not Working.
From www.youtube.com
How to Troubleshoot and Replace Whirlpool SidebySide Refrigerator Ice Ice Maker Dispenser Motor Not Working My ice maker dispenser is not working. Ice clumps in bin, dispenser, or raker. In your case, it sounds like. If the door flap fails to open or shut, there may be a mechanical issue with the door flap parts, or the solenoid that operates the door. Find out how to repair a refrigerator ice maker that's not dispensing ice. Ice Maker Dispenser Motor Not Working.
From hxenqesud.blob.core.windows.net
Samsung Refrigerator Water Dispenser Not Working But Ice Maker Works at Ice Maker Dispenser Motor Not Working Is your ice maker not working? In your case, it sounds like. My ice maker dispenser is not working. Ice clumps in bin, dispenser, or raker. If the door flap fails to open or shut, there may be a mechanical issue with the door flap parts, or the solenoid that operates the door. Find out how to repair a refrigerator. Ice Maker Dispenser Motor Not Working.
From sexobullrea31.weebly.com
Conexion De Whirlpool Gold Ice Maker Not Working No Water Marcus Reid Ice Maker Dispenser Motor Not Working Find out how to repair a refrigerator ice maker that's not dispensing ice by troubleshooting common problems and parts like ice dispenser actuators and micro switches. When ice cubes are exposed to heat which allows them to move out of the tray, or due to a. My ice maker dispenser is not working. In your case, it sounds like. If. Ice Maker Dispenser Motor Not Working.
From plumbinglab.com
GE Ice Maker Not Working (How To Troubleshoot Refrigerator) Ice Maker Dispenser Motor Not Working Visit the ice maker not dispensing ice page for more troubleshooting tips. When ice cubes are exposed to heat which allows them to move out of the tray, or due to a. My ice maker dispenser is not working. I thought for sure it was the motor and replaced it. Find out how to repair a refrigerator ice maker that's. Ice Maker Dispenser Motor Not Working.
From www.youtube.com
Ice maker or water dispenser not working Refrigerator repair Ice Maker Dispenser Motor Not Working When ice cubes are exposed to heat which allows them to move out of the tray, or due to a. My ice maker dispenser is not working. I thought for sure it was the motor and replaced it. Find out how to repair a refrigerator ice maker that's not dispensing ice by troubleshooting common problems and parts like ice dispenser. Ice Maker Dispenser Motor Not Working.
From www.geapplianceparts.com
Assembly View for ICE MAKER & DISPENSER GSS25GGHLCBB Ice Maker Dispenser Motor Not Working When ice cubes are exposed to heat which allows them to move out of the tray, or due to a. Find out how to repair a refrigerator ice maker that's not dispensing ice by troubleshooting common problems and parts like ice dispenser actuators and micro switches. I thought for sure it was the motor and replaced it. Is your ice. Ice Maker Dispenser Motor Not Working.
From www.youtube.com
Refrigerator Ice maker water dispenser not workingRepair Kenmore Ice Maker Dispenser Motor Not Working In your case, it sounds like. My ice maker dispenser is not working. If the door flap fails to open or shut, there may be a mechanical issue with the door flap parts, or the solenoid that operates the door. I thought for sure it was the motor and replaced it. Find out how to repair a refrigerator ice maker. Ice Maker Dispenser Motor Not Working.
From www.geapplianceparts.com
Assembly View for ICE MAKER & DISPENSER GSS23GGPECWW Ice Maker Dispenser Motor Not Working Is your ice maker not working? When ice cubes are exposed to heat which allows them to move out of the tray, or due to a. Ice clumps in bin, dispenser, or raker. In your case, it sounds like. Visit the ice maker not dispensing ice page for more troubleshooting tips. I thought for sure it was the motor and. Ice Maker Dispenser Motor Not Working.
From hxenqesud.blob.core.windows.net
Samsung Refrigerator Water Dispenser Not Working But Ice Maker Works at Ice Maker Dispenser Motor Not Working Ice clumps in bin, dispenser, or raker. When ice cubes are exposed to heat which allows them to move out of the tray, or due to a. I thought for sure it was the motor and replaced it. Is your ice maker not working? Visit the ice maker not dispensing ice page for more troubleshooting tips. Find out how to. Ice Maker Dispenser Motor Not Working.
From harborappliance.com
Ice Maker Not Working Harbor Appliance Repair San Diego Ice Maker Dispenser Motor Not Working If the door flap fails to open or shut, there may be a mechanical issue with the door flap parts, or the solenoid that operates the door. Visit the ice maker not dispensing ice page for more troubleshooting tips. When ice cubes are exposed to heat which allows them to move out of the tray, or due to a. Find. Ice Maker Dispenser Motor Not Working.
From toworkpertamina.blogspot.com
Ge Ice Maker Not Working After Power Outage To Work Pertamina Ice Maker Dispenser Motor Not Working Ice clumps in bin, dispenser, or raker. If the door flap fails to open or shut, there may be a mechanical issue with the door flap parts, or the solenoid that operates the door. In your case, it sounds like. My ice maker dispenser is not working. Find out how to repair a refrigerator ice maker that's not dispensing ice. Ice Maker Dispenser Motor Not Working.
From computerblog.org
Whirlpool Refrigerator Ice Maker Dispenser Troubleshooting Tommy's Ice Maker Dispenser Motor Not Working Is your ice maker not working? My ice maker dispenser is not working. I thought for sure it was the motor and replaced it. When ice cubes are exposed to heat which allows them to move out of the tray, or due to a. Ice clumps in bin, dispenser, or raker. In your case, it sounds like. Visit the ice. Ice Maker Dispenser Motor Not Working.
From www.youtube.com
Refrigerator Repair & Diagnostic Not making ice Whirlpool,Maytag Ice Maker Dispenser Motor Not Working I thought for sure it was the motor and replaced it. If the door flap fails to open or shut, there may be a mechanical issue with the door flap parts, or the solenoid that operates the door. When ice cubes are exposed to heat which allows them to move out of the tray, or due to a. Find out. Ice Maker Dispenser Motor Not Working.
From www.pinterest.com
Ice Maker Dispenser Motor Not Working I thought for sure it was the motor and replaced it. Find out how to repair a refrigerator ice maker that's not dispensing ice by troubleshooting common problems and parts like ice dispenser actuators and micro switches. Visit the ice maker not dispensing ice page for more troubleshooting tips. When ice cubes are exposed to heat which allows them to. Ice Maker Dispenser Motor Not Working.
From foothills-star.com
Ice dispenser motor not engaging. Foothills Star Appliance Repair Ice Maker Dispenser Motor Not Working Find out how to repair a refrigerator ice maker that's not dispensing ice by troubleshooting common problems and parts like ice dispenser actuators and micro switches. Ice clumps in bin, dispenser, or raker. Visit the ice maker not dispensing ice page for more troubleshooting tips. Is your ice maker not working? If the door flap fails to open or shut,. Ice Maker Dispenser Motor Not Working.