Cb Radio Build Kit . Fast mail order service or visit our large retail showroom. Kits for trucks, tractors, 4x4s, cars etc. First choose the cb you require. shop here for cb radio starter kits. The largest selection of cb radio equipment available in the uk. browse our collection of cb radio kits now and get ready to experience the benefits of cb communication with ease and confidence. From basic micro kits to advanced starter packs, we've got you covered. learn all about cb radio electronics when you build or install our specialized kits for both receivers and transmitters. cb, amateur and hobby radio specialists. moonraker is proud to offer a wide selection of cb radio kits. A cb radio pack ideal for anyone wanting a professional cb base.
from moonrakeronline.com
shop here for cb radio starter kits. cb, amateur and hobby radio specialists. From basic micro kits to advanced starter packs, we've got you covered. Fast mail order service or visit our large retail showroom. Kits for trucks, tractors, 4x4s, cars etc. moonraker is proud to offer a wide selection of cb radio kits. The largest selection of cb radio equipment available in the uk. First choose the cb you require. learn all about cb radio electronics when you build or install our specialized kits for both receivers and transmitters. browse our collection of cb radio kits now and get ready to experience the benefits of cb communication with ease and confidence.
CB Radio kits CB
Cb Radio Build Kit From basic micro kits to advanced starter packs, we've got you covered. cb, amateur and hobby radio specialists. shop here for cb radio starter kits. moonraker is proud to offer a wide selection of cb radio kits. learn all about cb radio electronics when you build or install our specialized kits for both receivers and transmitters. browse our collection of cb radio kits now and get ready to experience the benefits of cb communication with ease and confidence. Fast mail order service or visit our large retail showroom. A cb radio pack ideal for anyone wanting a professional cb base. First choose the cb you require. The largest selection of cb radio equipment available in the uk. Kits for trucks, tractors, 4x4s, cars etc. From basic micro kits to advanced starter packs, we've got you covered.
From www.amazon.ca
Tecsun 2P3 AM Radio Receiver Kit DIY for Enthusiasts Amazon.ca Cb Radio Build Kit shop here for cb radio starter kits. A cb radio pack ideal for anyone wanting a professional cb base. From basic micro kits to advanced starter packs, we've got you covered. browse our collection of cb radio kits now and get ready to experience the benefits of cb communication with ease and confidence. First choose the cb you. Cb Radio Build Kit.
From www.walcottradio.com
Compact Inexpensive CB Base Station Walcott Radio Cb Radio Build Kit Fast mail order service or visit our large retail showroom. First choose the cb you require. From basic micro kits to advanced starter packs, we've got you covered. A cb radio pack ideal for anyone wanting a professional cb base. cb, amateur and hobby radio specialists. browse our collection of cb radio kits now and get ready to. Cb Radio Build Kit.
From www.pinterest.com.au
Go Box I am building one now. not like this one bur small and with ft Cb Radio Build Kit browse our collection of cb radio kits now and get ready to experience the benefits of cb communication with ease and confidence. The largest selection of cb radio equipment available in the uk. A cb radio pack ideal for anyone wanting a professional cb base. learn all about cb radio electronics when you build or install our specialized. Cb Radio Build Kit.
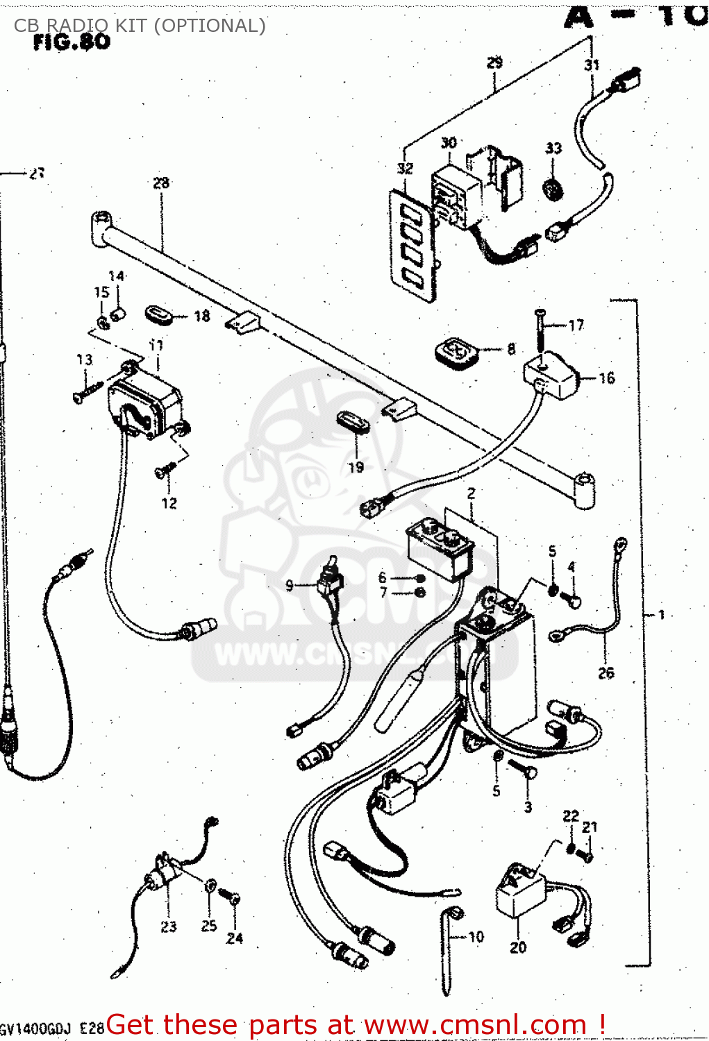
From www.cmsnl.com
3880024A24 Cb Radio Kit Suzuki buy the 3880024A24 at CMSNL Cb Radio Build Kit browse our collection of cb radio kits now and get ready to experience the benefits of cb communication with ease and confidence. shop here for cb radio starter kits. Fast mail order service or visit our large retail showroom. A cb radio pack ideal for anyone wanting a professional cb base. First choose the cb you require. . Cb Radio Build Kit.
From www.youtube.com
CB radios installed in your RV? 34 YouTube Cb Radio Build Kit learn all about cb radio electronics when you build or install our specialized kits for both receivers and transmitters. A cb radio pack ideal for anyone wanting a professional cb base. The largest selection of cb radio equipment available in the uk. First choose the cb you require. From basic micro kits to advanced starter packs, we've got you. Cb Radio Build Kit.
From www.walcottradio.com
Uniden PRO538HHFM Handheld CB Radio with FM and Vehicle Kit Cb Radio Build Kit moonraker is proud to offer a wide selection of cb radio kits. The largest selection of cb radio equipment available in the uk. learn all about cb radio electronics when you build or install our specialized kits for both receivers and transmitters. From basic micro kits to advanced starter packs, we've got you covered. Fast mail order service. Cb Radio Build Kit.
From oricom.com.au
Buy an UHF310 Plug and Play 5 Watt UHF CB Radio Pack Online in Cb Radio Build Kit moonraker is proud to offer a wide selection of cb radio kits. First choose the cb you require. From basic micro kits to advanced starter packs, we've got you covered. browse our collection of cb radio kits now and get ready to experience the benefits of cb communication with ease and confidence. shop here for cb radio. Cb Radio Build Kit.
From www.pinterest.com
Building an Amateur Radio "Gobox" Ham Radio Equipment, Qrp, Go Kit, Cb Cb Radio Build Kit Kits for trucks, tractors, 4x4s, cars etc. From basic micro kits to advanced starter packs, we've got you covered. moonraker is proud to offer a wide selection of cb radio kits. cb, amateur and hobby radio specialists. learn all about cb radio electronics when you build or install our specialized kits for both receivers and transmitters. Fast. Cb Radio Build Kit.
From www.walcottradio.com
Uniden PRO538HHFM Handheld CB Radio with FM and Vehicle Kit Cb Radio Build Kit Kits for trucks, tractors, 4x4s, cars etc. learn all about cb radio electronics when you build or install our specialized kits for both receivers and transmitters. moonraker is proud to offer a wide selection of cb radio kits. browse our collection of cb radio kits now and get ready to experience the benefits of cb communication with. Cb Radio Build Kit.
From www.carmodshop.co.uk
12V Fm 40 Uk Channel Cb Radio Kit With Mag Mount Antenna Bundle Cb Radio Build Kit browse our collection of cb radio kits now and get ready to experience the benefits of cb communication with ease and confidence. learn all about cb radio electronics when you build or install our specialized kits for both receivers and transmitters. A cb radio pack ideal for anyone wanting a professional cb base. The largest selection of cb. Cb Radio Build Kit.
From www.amazon.co.uk
CB radio kit Midland MMini with car cigarette lighter plug included Cb Radio Build Kit From basic micro kits to advanced starter packs, we've got you covered. cb, amateur and hobby radio specialists. A cb radio pack ideal for anyone wanting a professional cb base. The largest selection of cb radio equipment available in the uk. Fast mail order service or visit our large retail showroom. learn all about cb radio electronics when. Cb Radio Build Kit.
From www.pinterest.se
PORTABLE GOKIT RADIO STATION Ham Radio Kits, Cb Radio, Portable Ham Cb Radio Build Kit moonraker is proud to offer a wide selection of cb radio kits. learn all about cb radio electronics when you build or install our specialized kits for both receivers and transmitters. Kits for trucks, tractors, 4x4s, cars etc. cb, amateur and hobby radio specialists. First choose the cb you require. shop here for cb radio starter. Cb Radio Build Kit.
From www.gm-trucks.com
CB Radio 2014 / 2015 / 2016 / 2017 / 2018 Silverado & Sierra Cb Radio Build Kit browse our collection of cb radio kits now and get ready to experience the benefits of cb communication with ease and confidence. moonraker is proud to offer a wide selection of cb radio kits. cb, amateur and hobby radio specialists. A cb radio pack ideal for anyone wanting a professional cb base. shop here for cb. Cb Radio Build Kit.
From strykerradios.com
How Do CB Radios Work? A Beginner’s Guide Stryker Radios Cb Radio Build Kit Fast mail order service or visit our large retail showroom. shop here for cb radio starter kits. From basic micro kits to advanced starter packs, we've got you covered. The largest selection of cb radio equipment available in the uk. moonraker is proud to offer a wide selection of cb radio kits. learn all about cb radio. Cb Radio Build Kit.
From www.walcottradio.com
Uniden PRO538HHFM Handheld CB Radio with FM and Vehicle Kit Cb Radio Build Kit From basic micro kits to advanced starter packs, we've got you covered. browse our collection of cb radio kits now and get ready to experience the benefits of cb communication with ease and confidence. First choose the cb you require. A cb radio pack ideal for anyone wanting a professional cb base. learn all about cb radio electronics. Cb Radio Build Kit.
From cbradio.co.uk
CB radio handheld PNI Escort HP 62 CB antenna base CB kit CB Cb Radio Build Kit From basic micro kits to advanced starter packs, we've got you covered. Kits for trucks, tractors, 4x4s, cars etc. cb, amateur and hobby radio specialists. moonraker is proud to offer a wide selection of cb radio kits. The largest selection of cb radio equipment available in the uk. Fast mail order service or visit our large retail showroom.. Cb Radio Build Kit.
From oricom.com.au
Powerful UHF CB Radio Built for Aussie Truckers Cb Radio Build Kit Fast mail order service or visit our large retail showroom. shop here for cb radio starter kits. A cb radio pack ideal for anyone wanting a professional cb base. browse our collection of cb radio kits now and get ready to experience the benefits of cb communication with ease and confidence. The largest selection of cb radio equipment. Cb Radio Build Kit.
From www.amateur-radio-wiki.net
7 Best CB Radios of 2023 Powerful CB Radio Reviews Cb Radio Build Kit The largest selection of cb radio equipment available in the uk. shop here for cb radio starter kits. cb, amateur and hobby radio specialists. Fast mail order service or visit our large retail showroom. From basic micro kits to advanced starter packs, we've got you covered. learn all about cb radio electronics when you build or install. Cb Radio Build Kit.
From www.topspeed.com
Best CB Radios 2021 Cb Radio Build Kit browse our collection of cb radio kits now and get ready to experience the benefits of cb communication with ease and confidence. shop here for cb radio starter kits. Fast mail order service or visit our large retail showroom. From basic micro kits to advanced starter packs, we've got you covered. cb, amateur and hobby radio specialists.. Cb Radio Build Kit.
From www.youtube.com
How to install a CB radio and linear. YouTube Cb Radio Build Kit First choose the cb you require. shop here for cb radio starter kits. moonraker is proud to offer a wide selection of cb radio kits. A cb radio pack ideal for anyone wanting a professional cb base. Kits for trucks, tractors, 4x4s, cars etc. From basic micro kits to advanced starter packs, we've got you covered. learn. Cb Radio Build Kit.
From glprosound.com.au
TX3100VP UHF Two Way CB Radio Starter Kit GL Pro Sound Cb Radio Build Kit A cb radio pack ideal for anyone wanting a professional cb base. Fast mail order service or visit our large retail showroom. learn all about cb radio electronics when you build or install our specialized kits for both receivers and transmitters. From basic micro kits to advanced starter packs, we've got you covered. Kits for trucks, tractors, 4x4s, cars. Cb Radio Build Kit.
From moonrakeronline.com
CB Radio kits CB Cb Radio Build Kit cb, amateur and hobby radio specialists. moonraker is proud to offer a wide selection of cb radio kits. From basic micro kits to advanced starter packs, we've got you covered. learn all about cb radio electronics when you build or install our specialized kits for both receivers and transmitters. Kits for trucks, tractors, 4x4s, cars etc. . Cb Radio Build Kit.
From uniden.com
Uniden PRO520XL Compact Mobile CB Radio — Uniden America Corporation Cb Radio Build Kit shop here for cb radio starter kits. browse our collection of cb radio kits now and get ready to experience the benefits of cb communication with ease and confidence. Fast mail order service or visit our large retail showroom. Kits for trucks, tractors, 4x4s, cars etc. From basic micro kits to advanced starter packs, we've got you covered.. Cb Radio Build Kit.
From www.ebay.com
Uniden Complete CB Radio Kit with Antenna Cable for Car Base Cb Radio Build Kit learn all about cb radio electronics when you build or install our specialized kits for both receivers and transmitters. moonraker is proud to offer a wide selection of cb radio kits. shop here for cb radio starter kits. Kits for trucks, tractors, 4x4s, cars etc. Fast mail order service or visit our large retail showroom. First choose. Cb Radio Build Kit.
From cbradio.co.uk
CB radio handheld PNI Escort HP 62 CB antenna base CB kit CB Cb Radio Build Kit A cb radio pack ideal for anyone wanting a professional cb base. shop here for cb radio starter kits. From basic micro kits to advanced starter packs, we've got you covered. browse our collection of cb radio kits now and get ready to experience the benefits of cb communication with ease and confidence. moonraker is proud to. Cb Radio Build Kit.
From www.walcottradio.com
Complete CB Radio Bundled Package including Antenna Cb Radio Build Kit shop here for cb radio starter kits. moonraker is proud to offer a wide selection of cb radio kits. cb, amateur and hobby radio specialists. learn all about cb radio electronics when you build or install our specialized kits for both receivers and transmitters. Fast mail order service or visit our large retail showroom. First choose. Cb Radio Build Kit.
From trx.com.au
ULTRA RANGE 2 WATT CB RADIO KIT Ready for your next adventure Cb Radio Build Kit Kits for trucks, tractors, 4x4s, cars etc. A cb radio pack ideal for anyone wanting a professional cb base. From basic micro kits to advanced starter packs, we've got you covered. First choose the cb you require. moonraker is proud to offer a wide selection of cb radio kits. learn all about cb radio electronics when you build. Cb Radio Build Kit.
From www.youtube.com
CB radio kit for on the goPart 5"How to set up a home base CB radio Cb Radio Build Kit shop here for cb radio starter kits. From basic micro kits to advanced starter packs, we've got you covered. Kits for trucks, tractors, 4x4s, cars etc. cb, amateur and hobby radio specialists. moonraker is proud to offer a wide selection of cb radio kits. Fast mail order service or visit our large retail showroom. learn all. Cb Radio Build Kit.
From www.pinterest.jp
SHTF Man Packs By N6VOA Disaster Preparedness, Survival Prepping Cb Radio Build Kit From basic micro kits to advanced starter packs, we've got you covered. A cb radio pack ideal for anyone wanting a professional cb base. moonraker is proud to offer a wide selection of cb radio kits. learn all about cb radio electronics when you build or install our specialized kits for both receivers and transmitters. The largest selection. Cb Radio Build Kit.
From www.gorillaradio.com.au
CB & Recreational GME TX4500S 5 Watt DIN Mount UHF CB Radio with Cb Radio Build Kit cb, amateur and hobby radio specialists. Kits for trucks, tractors, 4x4s, cars etc. The largest selection of cb radio equipment available in the uk. learn all about cb radio electronics when you build or install our specialized kits for both receivers and transmitters. First choose the cb you require. A cb radio pack ideal for anyone wanting a. Cb Radio Build Kit.
From userpartfrieda.z21.web.core.windows.net
Linear Amplifier Cb Radio Schematics Cb Radio Build Kit shop here for cb radio starter kits. First choose the cb you require. browse our collection of cb radio kits now and get ready to experience the benefits of cb communication with ease and confidence. Kits for trucks, tractors, 4x4s, cars etc. cb, amateur and hobby radio specialists. moonraker is proud to offer a wide selection. Cb Radio Build Kit.
From www.pinterest.ch
A Communications GoKit (or RadioReadyKit) is made up of a portable Cb Radio Build Kit moonraker is proud to offer a wide selection of cb radio kits. From basic micro kits to advanced starter packs, we've got you covered. cb, amateur and hobby radio specialists. shop here for cb radio starter kits. Fast mail order service or visit our large retail showroom. browse our collection of cb radio kits now and. Cb Radio Build Kit.
From www.cbdistributing.com
Radios CB radios GALAXY FACTORY REFURBISHED DX949 40 CHANNEL Cb Radio Build Kit shop here for cb radio starter kits. cb, amateur and hobby radio specialists. Fast mail order service or visit our large retail showroom. learn all about cb radio electronics when you build or install our specialized kits for both receivers and transmitters. From basic micro kits to advanced starter packs, we've got you covered. Kits for trucks,. Cb Radio Build Kit.
From www.youtube.com
How to set up a home base CB radio in an apartment complex. Part 1 Cb Radio Build Kit Kits for trucks, tractors, 4x4s, cars etc. A cb radio pack ideal for anyone wanting a professional cb base. shop here for cb radio starter kits. learn all about cb radio electronics when you build or install our specialized kits for both receivers and transmitters. cb, amateur and hobby radio specialists. Fast mail order service or visit. Cb Radio Build Kit.
From www.pinterest.com
DIY Portable CB Radio Base Station. Cb Radio Build Kit Fast mail order service or visit our large retail showroom. The largest selection of cb radio equipment available in the uk. Kits for trucks, tractors, 4x4s, cars etc. browse our collection of cb radio kits now and get ready to experience the benefits of cb communication with ease and confidence. First choose the cb you require. learn all. Cb Radio Build Kit.