Home Automation Using Ir Remote Control . Controlling home appliances using an arduino and an ir remote is a popular diy project that’s relatively straightforward. Here we will discuss introduction to ir remote controlled home automation system, project concept, block diagram, components required,. An infrared (ir) remote control is a device that transmits signals to control electronic devices such as tvs, dvd players, and air conditioners. Our article on switchboard for home automation will give you a clear idea on the subject. The universal infrared remote control is an example of a. In this arduino project, we will create a home automation system that will control home appliances via infrared ir transmitter and receiver. But to automate and control home appliances, you must have a basic idea of connecting them to switchboards, and must learn on what to do if the remote malfunctions. Home automation results in a smarter home and is used to provide a higher and healthier standard of living.
from www.circuitstoday.com
Home automation results in a smarter home and is used to provide a higher and healthier standard of living. In this arduino project, we will create a home automation system that will control home appliances via infrared ir transmitter and receiver. An infrared (ir) remote control is a device that transmits signals to control electronic devices such as tvs, dvd players, and air conditioners. Controlling home appliances using an arduino and an ir remote is a popular diy project that’s relatively straightforward. Our article on switchboard for home automation will give you a clear idea on the subject. Here we will discuss introduction to ir remote controlled home automation system, project concept, block diagram, components required,. The universal infrared remote control is an example of a. But to automate and control home appliances, you must have a basic idea of connecting them to switchboards, and must learn on what to do if the remote malfunctions.
Home Automation Using IR Remote Control Working, PCB, Code & Circuit
Home Automation Using Ir Remote Control Home automation results in a smarter home and is used to provide a higher and healthier standard of living. Our article on switchboard for home automation will give you a clear idea on the subject. Home automation results in a smarter home and is used to provide a higher and healthier standard of living. Controlling home appliances using an arduino and an ir remote is a popular diy project that’s relatively straightforward. The universal infrared remote control is an example of a. An infrared (ir) remote control is a device that transmits signals to control electronic devices such as tvs, dvd players, and air conditioners. But to automate and control home appliances, you must have a basic idea of connecting them to switchboards, and must learn on what to do if the remote malfunctions. In this arduino project, we will create a home automation system that will control home appliances via infrared ir transmitter and receiver. Here we will discuss introduction to ir remote controlled home automation system, project concept, block diagram, components required,.
From www.instructables.com
ESP32 Home Automation Project Using IR Remote Control and Blynk IoT Home Automation Using Ir Remote Control Controlling home appliances using an arduino and an ir remote is a popular diy project that’s relatively straightforward. The universal infrared remote control is an example of a. Here we will discuss introduction to ir remote controlled home automation system, project concept, block diagram, components required,. But to automate and control home appliances, you must have a basic idea of. Home Automation Using Ir Remote Control.
From www.electroniclinic.com
ESP32 Home Automation using IR Remote and Keyes IR Sensor Home Automation Using Ir Remote Control The universal infrared remote control is an example of a. An infrared (ir) remote control is a device that transmits signals to control electronic devices such as tvs, dvd players, and air conditioners. Our article on switchboard for home automation will give you a clear idea on the subject. Controlling home appliances using an arduino and an ir remote is. Home Automation Using Ir Remote Control.
From www.electroniclinic.com
ESP32 Home Automation using IR Remote and Keyes IR Sensor Home Automation Using Ir Remote Control The universal infrared remote control is an example of a. Our article on switchboard for home automation will give you a clear idea on the subject. In this arduino project, we will create a home automation system that will control home appliances via infrared ir transmitter and receiver. Controlling home appliances using an arduino and an ir remote is a. Home Automation Using Ir Remote Control.
From www.youtube.com
Home Automation using Arduino Bluetooth IR Remote control relay with Home Automation Using Ir Remote Control An infrared (ir) remote control is a device that transmits signals to control electronic devices such as tvs, dvd players, and air conditioners. The universal infrared remote control is an example of a. Controlling home appliances using an arduino and an ir remote is a popular diy project that’s relatively straightforward. Home automation results in a smarter home and is. Home Automation Using Ir Remote Control.
From www.electroniclinic.com
ESP32 Home Automation using IR Remote and Keyes IR Sensor Home Automation Using Ir Remote Control The universal infrared remote control is an example of a. Controlling home appliances using an arduino and an ir remote is a popular diy project that’s relatively straightforward. Our article on switchboard for home automation will give you a clear idea on the subject. But to automate and control home appliances, you must have a basic idea of connecting them. Home Automation Using Ir Remote Control.
From www.youtube.com
How to make Smart Home using Arduino Bluetooth IR & Sensors Home Home Automation Using Ir Remote Control In this arduino project, we will create a home automation system that will control home appliances via infrared ir transmitter and receiver. Controlling home appliances using an arduino and an ir remote is a popular diy project that’s relatively straightforward. Our article on switchboard for home automation will give you a clear idea on the subject. An infrared (ir) remote. Home Automation Using Ir Remote Control.
From www.youtube.com
Home Automation Using TV Remote Controller (IRInfrared Remote Control Home Automation Using Ir Remote Control In this arduino project, we will create a home automation system that will control home appliances via infrared ir transmitter and receiver. An infrared (ir) remote control is a device that transmits signals to control electronic devices such as tvs, dvd players, and air conditioners. Home automation results in a smarter home and is used to provide a higher and. Home Automation Using Ir Remote Control.
From www.youtube.com
Manual, IR Remote, RF Remote, Voice Assistant Cadio Home Home Automation Using Ir Remote Control The universal infrared remote control is an example of a. Here we will discuss introduction to ir remote controlled home automation system, project concept, block diagram, components required,. Our article on switchboard for home automation will give you a clear idea on the subject. In this arduino project, we will create a home automation system that will control home appliances. Home Automation Using Ir Remote Control.
From www.circuits-diy.com
IR Remote Control Light Switch using CD4017 Home Automation Using Ir Remote Control Here we will discuss introduction to ir remote controlled home automation system, project concept, block diagram, components required,. But to automate and control home appliances, you must have a basic idea of connecting them to switchboards, and must learn on what to do if the remote malfunctions. In this arduino project, we will create a home automation system that will. Home Automation Using Ir Remote Control.
From www.youtube.com
IR Remote Controlled Home Automation Using Arduino YouTube Home Automation Using Ir Remote Control Controlling home appliances using an arduino and an ir remote is a popular diy project that’s relatively straightforward. In this arduino project, we will create a home automation system that will control home appliances via infrared ir transmitter and receiver. The universal infrared remote control is an example of a. An infrared (ir) remote control is a device that transmits. Home Automation Using Ir Remote Control.
From www.instructables.com
IR Remote Controlled Home Automation 9 Steps (with Pictures Home Automation Using Ir Remote Control But to automate and control home appliances, you must have a basic idea of connecting them to switchboards, and must learn on what to do if the remote malfunctions. Here we will discuss introduction to ir remote controlled home automation system, project concept, block diagram, components required,. Controlling home appliances using an arduino and an ir remote is a popular. Home Automation Using Ir Remote Control.
From www.instructables.com
ESP32 Home Automation Project Using IR Remote Control and Blynk IoT Home Automation Using Ir Remote Control An infrared (ir) remote control is a device that transmits signals to control electronic devices such as tvs, dvd players, and air conditioners. In this arduino project, we will create a home automation system that will control home appliances via infrared ir transmitter and receiver. Here we will discuss introduction to ir remote controlled home automation system, project concept, block. Home Automation Using Ir Remote Control.
From www.hackster.io
ESP32 Bluetooth Home Automation With IR Remote Control Relay Hackster.io Home Automation Using Ir Remote Control An infrared (ir) remote control is a device that transmits signals to control electronic devices such as tvs, dvd players, and air conditioners. But to automate and control home appliances, you must have a basic idea of connecting them to switchboards, and must learn on what to do if the remote malfunctions. Controlling home appliances using an arduino and an. Home Automation Using Ir Remote Control.
From www.youtube.com
Home Automation Using IR Remote In Hindi Remote Control Home Home Automation Using Ir Remote Control Controlling home appliances using an arduino and an ir remote is a popular diy project that’s relatively straightforward. An infrared (ir) remote control is a device that transmits signals to control electronic devices such as tvs, dvd players, and air conditioners. Our article on switchboard for home automation will give you a clear idea on the subject. In this arduino. Home Automation Using Ir Remote Control.
From www.youtube.com
Home Automation Using IR Remote Control YouTube Home Automation Using Ir Remote Control Here we will discuss introduction to ir remote controlled home automation system, project concept, block diagram, components required,. An infrared (ir) remote control is a device that transmits signals to control electronic devices such as tvs, dvd players, and air conditioners. In this arduino project, we will create a home automation system that will control home appliances via infrared ir. Home Automation Using Ir Remote Control.
From www.circuitstoday.com
Home Automation Using IR Remote Control Working, PCB, Code & Circuit Home Automation Using Ir Remote Control Controlling home appliances using an arduino and an ir remote is a popular diy project that’s relatively straightforward. In this arduino project, we will create a home automation system that will control home appliances via infrared ir transmitter and receiver. Here we will discuss introduction to ir remote controlled home automation system, project concept, block diagram, components required,. The universal. Home Automation Using Ir Remote Control.
From pic-microcontroller.com
Tv remote controlled home automation system Home Automation Using Ir Remote Control Here we will discuss introduction to ir remote controlled home automation system, project concept, block diagram, components required,. An infrared (ir) remote control is a device that transmits signals to control electronic devices such as tvs, dvd players, and air conditioners. The universal infrared remote control is an example of a. In this arduino project, we will create a home. Home Automation Using Ir Remote Control.
From create.arduino.cc
IR Remote Controlled Home Appliances using Arduino Arduino Project Hub Home Automation Using Ir Remote Control In this arduino project, we will create a home automation system that will control home appliances via infrared ir transmitter and receiver. But to automate and control home appliances, you must have a basic idea of connecting them to switchboards, and must learn on what to do if the remote malfunctions. The universal infrared remote control is an example of. Home Automation Using Ir Remote Control.
From www.youtube.com
Home Automation Using IR Remote English YouTube Home Automation Using Ir Remote Control Here we will discuss introduction to ir remote controlled home automation system, project concept, block diagram, components required,. Our article on switchboard for home automation will give you a clear idea on the subject. An infrared (ir) remote control is a device that transmits signals to control electronic devices such as tvs, dvd players, and air conditioners. But to automate. Home Automation Using Ir Remote Control.
From www.youtube.com
Home automation(Ir remote controlled appliance using arduino uno) YouTube Home Automation Using Ir Remote Control Home automation results in a smarter home and is used to provide a higher and healthier standard of living. But to automate and control home appliances, you must have a basic idea of connecting them to switchboards, and must learn on what to do if the remote malfunctions. Our article on switchboard for home automation will give you a clear. Home Automation Using Ir Remote Control.
From www.electroniclinic.com
ESP32 Home Automation using IR Remote and Keyes IR Sensor Home Automation Using Ir Remote Control In this arduino project, we will create a home automation system that will control home appliances via infrared ir transmitter and receiver. Controlling home appliances using an arduino and an ir remote is a popular diy project that’s relatively straightforward. Here we will discuss introduction to ir remote controlled home automation system, project concept, block diagram, components required,. The universal. Home Automation Using Ir Remote Control.
From www.instructables.com
ESP32 Home Automation Project Using IR Remote Control and Blynk IoT Home Automation Using Ir Remote Control The universal infrared remote control is an example of a. Our article on switchboard for home automation will give you a clear idea on the subject. In this arduino project, we will create a home automation system that will control home appliances via infrared ir transmitter and receiver. Home automation results in a smarter home and is used to provide. Home Automation Using Ir Remote Control.
From www.electroniclinic.com
ESP32 Home Automation using IR Remote and Keyes IR Sensor Home Automation Using Ir Remote Control In this arduino project, we will create a home automation system that will control home appliances via infrared ir transmitter and receiver. Here we will discuss introduction to ir remote controlled home automation system, project concept, block diagram, components required,. Home automation results in a smarter home and is used to provide a higher and healthier standard of living. But. Home Automation Using Ir Remote Control.
From nevonprojects.com
TV Remote Controlled Home Automation PIC Home Automation Using Ir Remote Control Here we will discuss introduction to ir remote controlled home automation system, project concept, block diagram, components required,. An infrared (ir) remote control is a device that transmits signals to control electronic devices such as tvs, dvd players, and air conditioners. In this arduino project, we will create a home automation system that will control home appliances via infrared ir. Home Automation Using Ir Remote Control.
From www.artofit.org
Home automation using blynk ir remote esp32 iot projects 2021 Artofit Home Automation Using Ir Remote Control An infrared (ir) remote control is a device that transmits signals to control electronic devices such as tvs, dvd players, and air conditioners. In this arduino project, we will create a home automation system that will control home appliances via infrared ir transmitter and receiver. Home automation results in a smarter home and is used to provide a higher and. Home Automation Using Ir Remote Control.
From www.youtube.com
How to make Touch, IR Remote and Android Application Control Home Home Automation Using Ir Remote Control The universal infrared remote control is an example of a. But to automate and control home appliances, you must have a basic idea of connecting them to switchboards, and must learn on what to do if the remote malfunctions. Controlling home appliances using an arduino and an ir remote is a popular diy project that’s relatively straightforward. An infrared (ir). Home Automation Using Ir Remote Control.
From www.artofit.org
Home automation using blynk ir remote esp32 iot projects 2021 Artofit Home Automation Using Ir Remote Control Our article on switchboard for home automation will give you a clear idea on the subject. Home automation results in a smarter home and is used to provide a higher and healthier standard of living. Controlling home appliances using an arduino and an ir remote is a popular diy project that’s relatively straightforward. In this arduino project, we will create. Home Automation Using Ir Remote Control.
From www.electroniclinic.com
ESP32 Home Automation using IR Remote and Keyes IR Sensor Home Automation Using Ir Remote Control Here we will discuss introduction to ir remote controlled home automation system, project concept, block diagram, components required,. In this arduino project, we will create a home automation system that will control home appliances via infrared ir transmitter and receiver. An infrared (ir) remote control is a device that transmits signals to control electronic devices such as tvs, dvd players,. Home Automation Using Ir Remote Control.
From www.youtube.com
IR remote controlled home automation system using arduino YouTube Home Automation Using Ir Remote Control An infrared (ir) remote control is a device that transmits signals to control electronic devices such as tvs, dvd players, and air conditioners. In this arduino project, we will create a home automation system that will control home appliances via infrared ir transmitter and receiver. Controlling home appliances using an arduino and an ir remote is a popular diy project. Home Automation Using Ir Remote Control.
From www.youtube.com
Home Automation using ir IR remote control with LCD display & 8 channel Home Automation Using Ir Remote Control But to automate and control home appliances, you must have a basic idea of connecting them to switchboards, and must learn on what to do if the remote malfunctions. Home automation results in a smarter home and is used to provide a higher and healthier standard of living. An infrared (ir) remote control is a device that transmits signals to. Home Automation Using Ir Remote Control.
From www.instructables.com
ESP32 Home Automation Project Using IR Remote Control and Blynk IoT Home Automation Using Ir Remote Control But to automate and control home appliances, you must have a basic idea of connecting them to switchboards, and must learn on what to do if the remote malfunctions. Home automation results in a smarter home and is used to provide a higher and healthier standard of living. In this arduino project, we will create a home automation system that. Home Automation Using Ir Remote Control.
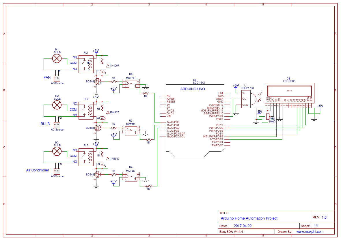
From www.maxphi.com
ArduinoHomeAutomationProjectusingIRRemoteControlandRelay MaxPhi Home Automation Using Ir Remote Control Home automation results in a smarter home and is used to provide a higher and healthier standard of living. But to automate and control home appliances, you must have a basic idea of connecting them to switchboards, and must learn on what to do if the remote malfunctions. In this arduino project, we will create a home automation system that. Home Automation Using Ir Remote Control.
From www.youtube.com
Home Automation System using ESP32 with Blynk IR remote & Manual Home Automation Using Ir Remote Control In this arduino project, we will create a home automation system that will control home appliances via infrared ir transmitter and receiver. Our article on switchboard for home automation will give you a clear idea on the subject. Controlling home appliances using an arduino and an ir remote is a popular diy project that’s relatively straightforward. Here we will discuss. Home Automation Using Ir Remote Control.
From microcontrollerslab.com
IR Remote Controlled Home Automation System using Arduino Home Automation Using Ir Remote Control In this arduino project, we will create a home automation system that will control home appliances via infrared ir transmitter and receiver. Controlling home appliances using an arduino and an ir remote is a popular diy project that’s relatively straightforward. Here we will discuss introduction to ir remote controlled home automation system, project concept, block diagram, components required,. But to. Home Automation Using Ir Remote Control.
From www.engineersgarage.com
Home Automation using NEC IR Remote EngineersGarage Home Automation Using Ir Remote Control Our article on switchboard for home automation will give you a clear idea on the subject. The universal infrared remote control is an example of a. Controlling home appliances using an arduino and an ir remote is a popular diy project that’s relatively straightforward. An infrared (ir) remote control is a device that transmits signals to control electronic devices such. Home Automation Using Ir Remote Control.