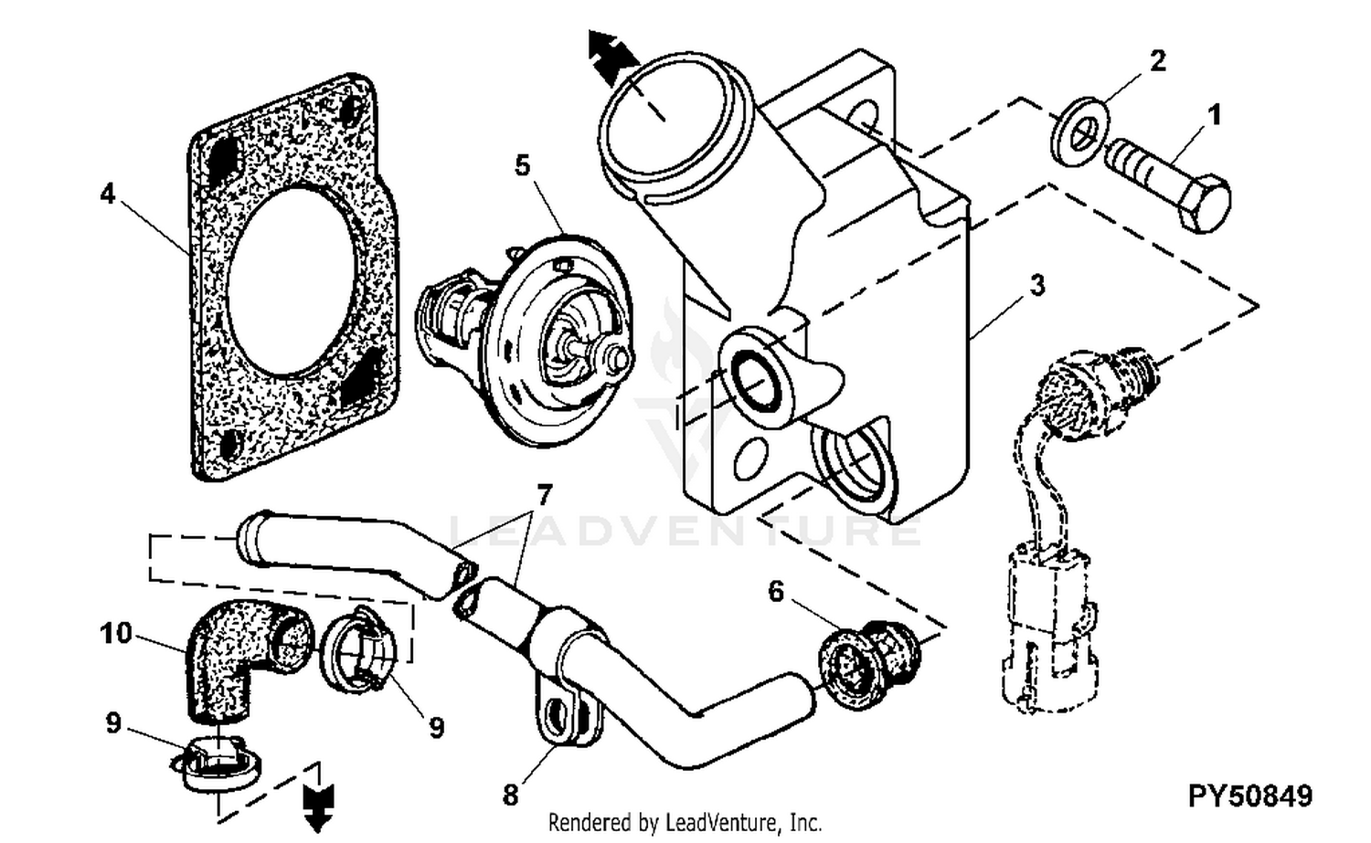
John Deere 5103 Cold Start Sensor Location . I've read all kinds of posts about the cold start sensor blowing the 10 amp fuse. John deere 5103 mine is stock and the stock 5103 does not include the cold start package (and higher capacity battery with that). Unfortunately it wasn't much of an eventful startup. That's not the problem here. On the plus side the fuel. I have attached the start system for the 5x10, you are going to have to determine how close, they are. We have checked the fuses and relay under the stirring wheel but not the ones that are behind the stirring wheel and speedometer. You have a short in your cold start. The engine is equipped with a fuel shutoff solenoid, located under the top cover of. For 5103, 5103s, 5203, 5104 and 5204 tractor a—air restriction indicator. Service air cleaner if air restriction indicator (a) illuminates or at. I did an internet search and found that this is apparently a common problem with the 5103. Cold start on the john deere 5103. Fuel shutoff solenoid is not opening.
from therepairmanual.com
The engine is equipped with a fuel shutoff solenoid, located under the top cover of. Unfortunately it wasn't much of an eventful startup. For 5103, 5103s, 5203, 5104 and 5204 tractor a—air restriction indicator. You have a short in your cold start. John deere 5103 mine is stock and the stock 5103 does not include the cold start package (and higher capacity battery with that). We have checked the fuses and relay under the stirring wheel but not the ones that are behind the stirring wheel and speedometer. Service air cleaner if air restriction indicator (a) illuminates or at. I did an internet search and found that this is apparently a common problem with the 5103. That's not the problem here. On the plus side the fuel.
John Deere 5103, 5103S, 5103E, 5203 Tractors Repair Service Manual
John Deere 5103 Cold Start Sensor Location Service air cleaner if air restriction indicator (a) illuminates or at. Unfortunately it wasn't much of an eventful startup. We have checked the fuses and relay under the stirring wheel but not the ones that are behind the stirring wheel and speedometer. For 5103, 5103s, 5203, 5104 and 5204 tractor a—air restriction indicator. The engine is equipped with a fuel shutoff solenoid, located under the top cover of. Service air cleaner if air restriction indicator (a) illuminates or at. On the plus side the fuel. I did an internet search and found that this is apparently a common problem with the 5103. You have a short in your cold start. Fuel shutoff solenoid is not opening. That's not the problem here. I have attached the start system for the 5x10, you are going to have to determine how close, they are. John deere 5103 mine is stock and the stock 5103 does not include the cold start package (and higher capacity battery with that). Cold start on the john deere 5103. I've read all kinds of posts about the cold start sensor blowing the 10 amp fuse.
From avs.parts
RE503242 John Deere SENSOR WIRING HARNESS AVS.Parts John Deere 5103 Cold Start Sensor Location I have attached the start system for the 5x10, you are going to have to determine how close, they are. You have a short in your cold start. On the plus side the fuel. John deere 5103 mine is stock and the stock 5103 does not include the cold start package (and higher capacity battery with that). Cold start on. John Deere 5103 Cold Start Sensor Location.
From www.weingartz.com
ARIMain WEINGARTZ John Deere 5103 Cold Start Sensor Location I did an internet search and found that this is apparently a common problem with the 5103. Cold start on the john deere 5103. That's not the problem here. On the plus side the fuel. We have checked the fuses and relay under the stirring wheel but not the ones that are behind the stirring wheel and speedometer. John deere. John Deere 5103 Cold Start Sensor Location.
From www.deeremanuals.com
TM112419 John Deere Tractors 5083E, 5093E, 5101E, including Limited John Deere 5103 Cold Start Sensor Location John deere 5103 mine is stock and the stock 5103 does not include the cold start package (and higher capacity battery with that). I have attached the start system for the 5x10, you are going to have to determine how close, they are. Cold start on the john deere 5103. I did an internet search and found that this is. John Deere 5103 Cold Start Sensor Location.
From therepairmanual.com
John Deere 5103, 5103S, 5103E, 5203 Tractors Repair Service Manual John Deere 5103 Cold Start Sensor Location I've read all kinds of posts about the cold start sensor blowing the 10 amp fuse. Fuel shutoff solenoid is not opening. I have attached the start system for the 5x10, you are going to have to determine how close, they are. Cold start on the john deere 5103. The engine is equipped with a fuel shutoff solenoid, located under. John Deere 5103 Cold Start Sensor Location.
From therepairmanual.com
John Deere 5103, 5103S, 5103E, 5203 Tractors Repair Service Manual John Deere 5103 Cold Start Sensor Location John deere 5103 mine is stock and the stock 5103 does not include the cold start package (and higher capacity battery with that). Fuel shutoff solenoid is not opening. Service air cleaner if air restriction indicator (a) illuminates or at. The engine is equipped with a fuel shutoff solenoid, located under the top cover of. I did an internet search. John Deere 5103 Cold Start Sensor Location.
From schematicrebuts.z13.web.core.windows.net
John Deere 5103 Parts Diagram John Deere 5103 Cold Start Sensor Location Service air cleaner if air restriction indicator (a) illuminates or at. Unfortunately it wasn't much of an eventful startup. For 5103, 5103s, 5203, 5104 and 5204 tractor a—air restriction indicator. That's not the problem here. I've read all kinds of posts about the cold start sensor blowing the 10 amp fuse. I did an internet search and found that this. John Deere 5103 Cold Start Sensor Location.
From www.deeremanuals.com
TM2041 John Deere Tractors 5103, 5103S And 5203 Service All Inclusive John Deere 5103 Cold Start Sensor Location Cold start on the john deere 5103. I did an internet search and found that this is apparently a common problem with the 5103. John deere 5103 mine is stock and the stock 5103 does not include the cold start package (and higher capacity battery with that). On the plus side the fuel. Unfortunately it wasn't much of an eventful. John Deere 5103 Cold Start Sensor Location.
From usermanual.wiki
John Deere 5103E 5103 5103S 5203 5104 5204 Users Manual 043025UNIT John Deere 5103 Cold Start Sensor Location Unfortunately it wasn't much of an eventful startup. Cold start on the john deere 5103. I have attached the start system for the 5x10, you are going to have to determine how close, they are. You have a short in your cold start. I did an internet search and found that this is apparently a common problem with the 5103.. John Deere 5103 Cold Start Sensor Location.
From therepairmanual.com
John Deere 5103, 5103S, 5103E, 5203 Tractors Repair Service Manual John Deere 5103 Cold Start Sensor Location Cold start on the john deere 5103. Service air cleaner if air restriction indicator (a) illuminates or at. On the plus side the fuel. We have checked the fuses and relay under the stirring wheel but not the ones that are behind the stirring wheel and speedometer. The engine is equipped with a fuel shutoff solenoid, located under the top. John Deere 5103 Cold Start Sensor Location.
From usermanual.wiki
John Deere 5103E 5103 5103S 5203 5104 5204 Users Manual 043025UNIT John Deere 5103 Cold Start Sensor Location For 5103, 5103s, 5203, 5104 and 5204 tractor a—air restriction indicator. I did an internet search and found that this is apparently a common problem with the 5103. On the plus side the fuel. Fuel shutoff solenoid is not opening. You have a short in your cold start. The engine is equipped with a fuel shutoff solenoid, located under the. John Deere 5103 Cold Start Sensor Location.
From www.justanswer.com
Q&A John Deere 5103 Blowing 20 Amp Fuse Fuel Shutoff Solenoid, Fuse John Deere 5103 Cold Start Sensor Location For 5103, 5103s, 5203, 5104 and 5204 tractor a—air restriction indicator. Service air cleaner if air restriction indicator (a) illuminates or at. Cold start on the john deere 5103. Fuel shutoff solenoid is not opening. On the plus side the fuel. That's not the problem here. I did an internet search and found that this is apparently a common problem. John Deere 5103 Cold Start Sensor Location.
From www.youtube.com
2016 John Deere 1025r 1 degree cold start YouTube John Deere 5103 Cold Start Sensor Location Unfortunately it wasn't much of an eventful startup. I did an internet search and found that this is apparently a common problem with the 5103. On the plus side the fuel. Service air cleaner if air restriction indicator (a) illuminates or at. You have a short in your cold start. John deere 5103 mine is stock and the stock 5103. John Deere 5103 Cold Start Sensor Location.
From youfixthis.com
John Deere 5103, 5103S, 5203 Repair Manual [Tractors] « YouFixThis John Deere 5103 Cold Start Sensor Location We have checked the fuses and relay under the stirring wheel but not the ones that are behind the stirring wheel and speedometer. I've read all kinds of posts about the cold start sensor blowing the 10 amp fuse. John deere 5103 mine is stock and the stock 5103 does not include the cold start package (and higher capacity battery. John Deere 5103 Cold Start Sensor Location.
From wiringall.com
Wiring Diagram John Deere 5103 John Deere 5103 Cold Start Sensor Location John deere 5103 mine is stock and the stock 5103 does not include the cold start package (and higher capacity battery with that). The engine is equipped with a fuel shutoff solenoid, located under the top cover of. Unfortunately it wasn't much of an eventful startup. On the plus side the fuel. Service air cleaner if air restriction indicator (a). John Deere 5103 Cold Start Sensor Location.
From www.ebay.com
John Deere Original Equipment Temperature Switch RE503242 eBay John Deere 5103 Cold Start Sensor Location Unfortunately it wasn't much of an eventful startup. You have a short in your cold start. I did an internet search and found that this is apparently a common problem with the 5103. The engine is equipped with a fuel shutoff solenoid, located under the top cover of. John deere 5103 mine is stock and the stock 5103 does not. John Deere 5103 Cold Start Sensor Location.
From deeremanuals.com
TM900019 John Deere 5103, 5203, 5303, 5403, 5045, 5055, 5065, 5075 John Deere 5103 Cold Start Sensor Location Service air cleaner if air restriction indicator (a) illuminates or at. That's not the problem here. The engine is equipped with a fuel shutoff solenoid, located under the top cover of. I did an internet search and found that this is apparently a common problem with the 5103. Fuel shutoff solenoid is not opening. John deere 5103 mine is stock. John Deere 5103 Cold Start Sensor Location.
From www.weingartz.com
ARIMain WEINGARTZ John Deere 5103 Cold Start Sensor Location I've read all kinds of posts about the cold start sensor blowing the 10 amp fuse. The engine is equipped with a fuel shutoff solenoid, located under the top cover of. Unfortunately it wasn't much of an eventful startup. I have attached the start system for the 5x10, you are going to have to determine how close, they are. That's. John Deere 5103 Cold Start Sensor Location.
From www.deeremanuals.com
TM2041 John Deere Tractors 5103, 5103S And 5203 Service All Inclusive John Deere 5103 Cold Start Sensor Location We have checked the fuses and relay under the stirring wheel but not the ones that are behind the stirring wheel and speedometer. I've read all kinds of posts about the cold start sensor blowing the 10 amp fuse. I did an internet search and found that this is apparently a common problem with the 5103. Unfortunately it wasn't much. John Deere 5103 Cold Start Sensor Location.
From therepairmanual.com
John Deere 5103, 5203, 5204, 5303, 5403, 5503 Tractors Repair Manual John Deere 5103 Cold Start Sensor Location John deere 5103 mine is stock and the stock 5103 does not include the cold start package (and higher capacity battery with that). For 5103, 5103s, 5203, 5104 and 5204 tractor a—air restriction indicator. On the plus side the fuel. We have checked the fuses and relay under the stirring wheel but not the ones that are behind the stirring. John Deere 5103 Cold Start Sensor Location.
From thefarmingforum.co.uk
John Deere sensors The Farming Forum John Deere 5103 Cold Start Sensor Location John deere 5103 mine is stock and the stock 5103 does not include the cold start package (and higher capacity battery with that). For 5103, 5103s, 5203, 5104 and 5204 tractor a—air restriction indicator. Fuel shutoff solenoid is not opening. I've read all kinds of posts about the cold start sensor blowing the 10 amp fuse. You have a short. John Deere 5103 Cold Start Sensor Location.
From service-workshopmanual.com
John Deere 5103 Tractor Parts Manual Pdf Download Service manual John Deere 5103 Cold Start Sensor Location On the plus side the fuel. Unfortunately it wasn't much of an eventful startup. For 5103, 5103s, 5203, 5104 and 5204 tractor a—air restriction indicator. I did an internet search and found that this is apparently a common problem with the 5103. That's not the problem here. I have attached the start system for the 5x10, you are going to. John Deere 5103 Cold Start Sensor Location.
From www.bigiron.com
John Deere Cold Weather Start Kit BigIron Auctions John Deere 5103 Cold Start Sensor Location Cold start on the john deere 5103. For 5103, 5103s, 5203, 5104 and 5204 tractor a—air restriction indicator. I have attached the start system for the 5x10, you are going to have to determine how close, they are. I've read all kinds of posts about the cold start sensor blowing the 10 amp fuse. John deere 5103 mine is stock. John Deere 5103 Cold Start Sensor Location.
From issuu.com
John Deere 5103, 5103S, 5203 Tractor Manual TM2041 by Service & Repair John Deere 5103 Cold Start Sensor Location You have a short in your cold start. Cold start on the john deere 5103. I did an internet search and found that this is apparently a common problem with the 5103. That's not the problem here. On the plus side the fuel. John deere 5103 mine is stock and the stock 5103 does not include the cold start package. John Deere 5103 Cold Start Sensor Location.
From www.amazon.com.mx
HD Switch RE503242 Sensor de temperatura con grasa dieléctrica para John Deere 5103 Cold Start Sensor Location Fuel shutoff solenoid is not opening. Unfortunately it wasn't much of an eventful startup. You have a short in your cold start. We have checked the fuses and relay under the stirring wheel but not the ones that are behind the stirring wheel and speedometer. For 5103, 5103s, 5203, 5104 and 5204 tractor a—air restriction indicator. I've read all kinds. John Deere 5103 Cold Start Sensor Location.
From servicepartmanuals.com
John Deere 5103 5203 5303 5403 Operators Manual PDF John Deere 5103 Cold Start Sensor Location Service air cleaner if air restriction indicator (a) illuminates or at. For 5103, 5103s, 5203, 5104 and 5204 tractor a—air restriction indicator. Unfortunately it wasn't much of an eventful startup. You have a short in your cold start. Cold start on the john deere 5103. I've read all kinds of posts about the cold start sensor blowing the 10 amp. John Deere 5103 Cold Start Sensor Location.
From wiringall.com
Wiring Diagram John Deere 5103 John Deere 5103 Cold Start Sensor Location John deere 5103 mine is stock and the stock 5103 does not include the cold start package (and higher capacity battery with that). The engine is equipped with a fuel shutoff solenoid, located under the top cover of. I've read all kinds of posts about the cold start sensor blowing the 10 amp fuse. On the plus side the fuel.. John Deere 5103 Cold Start Sensor Location.
From www.youtube.com
Cold Start John Deere 5103 YouTube John Deere 5103 Cold Start Sensor Location Cold start on the john deere 5103. On the plus side the fuel. Fuel shutoff solenoid is not opening. That's not the problem here. I did an internet search and found that this is apparently a common problem with the 5103. We have checked the fuses and relay under the stirring wheel but not the ones that are behind the. John Deere 5103 Cold Start Sensor Location.
From www.justanswer.com
I have an 08 Deere 5103 that died on me in the middle of the field John Deere 5103 Cold Start Sensor Location I did an internet search and found that this is apparently a common problem with the 5103. Service air cleaner if air restriction indicator (a) illuminates or at. I've read all kinds of posts about the cold start sensor blowing the 10 amp fuse. On the plus side the fuel. John deere 5103 mine is stock and the stock 5103. John Deere 5103 Cold Start Sensor Location.
From www.youtube.com
John Deere cold start YouTube John Deere 5103 Cold Start Sensor Location I did an internet search and found that this is apparently a common problem with the 5103. On the plus side the fuel. You have a short in your cold start. That's not the problem here. Cold start on the john deere 5103. Service air cleaner if air restriction indicator (a) illuminates or at. I've read all kinds of posts. John Deere 5103 Cold Start Sensor Location.
From www.youtube.com
John deere tractor blows starter fuse quick fix. Cold start sensor John Deere 5103 Cold Start Sensor Location I did an internet search and found that this is apparently a common problem with the 5103. I have attached the start system for the 5x10, you are going to have to determine how close, they are. Service air cleaner if air restriction indicator (a) illuminates or at. You have a short in your cold start. We have checked the. John Deere 5103 Cold Start Sensor Location.
From therepairmanual.com
John Deere 5103, 5103S, 5103E, 5203 Tractors Repair Service Manual John Deere 5103 Cold Start Sensor Location Unfortunately it wasn't much of an eventful startup. Cold start on the john deere 5103. For 5103, 5103s, 5203, 5104 and 5204 tractor a—air restriction indicator. Service air cleaner if air restriction indicator (a) illuminates or at. On the plus side the fuel. I've read all kinds of posts about the cold start sensor blowing the 10 amp fuse. Fuel. John Deere 5103 Cold Start Sensor Location.
From www.aiophotoz.com
John Deere 5103 Fuse Panel Diagram Auto Electrical Wiring Diagram John Deere 5103 Cold Start Sensor Location You have a short in your cold start. I did an internet search and found that this is apparently a common problem with the 5103. Fuel shutoff solenoid is not opening. I've read all kinds of posts about the cold start sensor blowing the 10 amp fuse. John deere 5103 mine is stock and the stock 5103 does not include. John Deere 5103 Cold Start Sensor Location.
From usermanualjingoism.z21.web.core.windows.net
John Deere 5103 Parts Diagram John Deere 5103 Cold Start Sensor Location John deere 5103 mine is stock and the stock 5103 does not include the cold start package (and higher capacity battery with that). You have a short in your cold start. Cold start on the john deere 5103. I have attached the start system for the 5x10, you are going to have to determine how close, they are. Unfortunately it. John Deere 5103 Cold Start Sensor Location.
From sellmanual.com
TM2041 John Deere Tractors 5103, 5103S And 5203 Service All Inclusive John Deere 5103 Cold Start Sensor Location Cold start on the john deere 5103. I have attached the start system for the 5x10, you are going to have to determine how close, they are. Fuel shutoff solenoid is not opening. Service air cleaner if air restriction indicator (a) illuminates or at. We have checked the fuses and relay under the stirring wheel but not the ones that. John Deere 5103 Cold Start Sensor Location.
From practicalmechanic.com
Starter Replacement Guide John Deere Lawn Tractor Practical Mechanic John Deere 5103 Cold Start Sensor Location Cold start on the john deere 5103. John deere 5103 mine is stock and the stock 5103 does not include the cold start package (and higher capacity battery with that). Service air cleaner if air restriction indicator (a) illuminates or at. The engine is equipped with a fuel shutoff solenoid, located under the top cover of. For 5103, 5103s, 5203,. John Deere 5103 Cold Start Sensor Location.