Stitching Pony Dimensions . (57.5 cm x 14 cm x 11.5 cm) max grip depth: (13.97 cm) max grip width: Cut boards, glue/screw them together, pad with leather. It allows you to stitch without having to. A leather stitching pony can help hold leather material, freeing up the hands for stitch work. In this project, i will show you how to make a stitching pony (also called stitching horse) to aid with your leather work. The stitching pony gets its name from the much larger saddlers stitching ‘horse’. Overall, my plans for this were fairly straightforward; As the name suggests, it's a four legged wooden. I'm sure it could be helpful in other projects involving stitching, but i've primarily seen them used in leather working. Here are some of the best for quality results. It gets clamped to a table or other work surface and has a jaw that clamps down on your work piece. A stitching pony is a smaller version of a stitching horse. A stitching pony, also known as a leather clamp or stitching vice is a simple device that holds your leather in place while you stitch your leather together.
from tundraleather.ca
Cut boards, glue/screw them together, pad with leather. The stitching pony gets its name from the much larger saddlers stitching ‘horse’. Overall, my plans for this were fairly straightforward; A leather stitching pony can help hold leather material, freeing up the hands for stitch work. A stitching pony is a smaller version of a stitching horse. I'm sure it could be helpful in other projects involving stitching, but i've primarily seen them used in leather working. A stitching pony, also known as a leather clamp or stitching vice is a simple device that holds your leather in place while you stitch your leather together. Here are some of the best for quality results. (13.97 cm) max grip width: It allows you to stitch without having to.
Stitching and Lacing Pony Tundra Leather
Stitching Pony Dimensions A leather stitching pony can help hold leather material, freeing up the hands for stitch work. The stitching pony gets its name from the much larger saddlers stitching ‘horse’. It gets clamped to a table or other work surface and has a jaw that clamps down on your work piece. In this project, i will show you how to make a stitching pony (also called stitching horse) to aid with your leather work. A leather stitching pony can help hold leather material, freeing up the hands for stitch work. I'm sure it could be helpful in other projects involving stitching, but i've primarily seen them used in leather working. (13.97 cm) max grip width: Here are some of the best for quality results. Cut boards, glue/screw them together, pad with leather. A stitching pony is a smaller version of a stitching horse. A stitching pony, also known as a leather clamp or stitching vice is a simple device that holds your leather in place while you stitch your leather together. It allows you to stitch without having to. (57.5 cm x 14 cm x 11.5 cm) max grip depth: As the name suggests, it's a four legged wooden. Overall, my plans for this were fairly straightforward;
From www.youtube.com
How To Use The Stitching Pony For Lacing Leather YouTube Stitching Pony Dimensions Overall, my plans for this were fairly straightforward; Cut boards, glue/screw them together, pad with leather. It gets clamped to a table or other work surface and has a jaw that clamps down on your work piece. A stitching pony, also known as a leather clamp or stitching vice is a simple device that holds your leather in place while. Stitching Pony Dimensions.
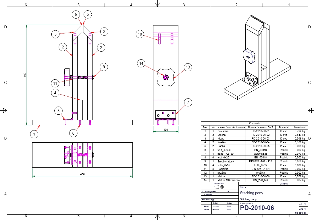
From idlehandsworkshop.info
DIY Leather Stitching Pony Video The Idle Hands Stitching Pony Dimensions The stitching pony gets its name from the much larger saddlers stitching ‘horse’. Here are some of the best for quality results. A stitching pony, also known as a leather clamp or stitching vice is a simple device that holds your leather in place while you stitch your leather together. A leather stitching pony can help hold leather material, freeing. Stitching Pony Dimensions.
From www.etsy.com
Lacing and Stitching Pony Small Size Stitching Pony Etsy Stitching Pony Dimensions Cut boards, glue/screw them together, pad with leather. As the name suggests, it's a four legged wooden. (57.5 cm x 14 cm x 11.5 cm) max grip depth: Overall, my plans for this were fairly straightforward; The stitching pony gets its name from the much larger saddlers stitching ‘horse’. A leather stitching pony can help hold leather material, freeing up. Stitching Pony Dimensions.
From www.youtube.com
How to make a Leather Stitching pony with pattern and tutorial YouTube Stitching Pony Dimensions (57.5 cm x 14 cm x 11.5 cm) max grip depth: A leather stitching pony can help hold leather material, freeing up the hands for stitch work. A stitching pony is a smaller version of a stitching horse. A stitching pony, also known as a leather clamp or stitching vice is a simple device that holds your leather in place. Stitching Pony Dimensions.
From www.leatherhubpatterns.com
Stitching pony pattern PDF by LeatherHubPatterns Stitching Pony Dimensions It allows you to stitch without having to. (13.97 cm) max grip width: Overall, my plans for this were fairly straightforward; Here are some of the best for quality results. Cut boards, glue/screw them together, pad with leather. A stitching pony, also known as a leather clamp or stitching vice is a simple device that holds your leather in place. Stitching Pony Dimensions.
From talk.dallasmakerspace.org
Stitching ponies Leatherworking Dallas Makerspace Talk Stitching Pony Dimensions (13.97 cm) max grip width: It gets clamped to a table or other work surface and has a jaw that clamps down on your work piece. As the name suggests, it's a four legged wooden. It allows you to stitch without having to. The stitching pony gets its name from the much larger saddlers stitching ‘horse’. (57.5 cm x 14. Stitching Pony Dimensions.
From leatherworker.net
Stitching Horse Plans Sewing Leather Stitching Pony Dimensions Overall, my plans for this were fairly straightforward; Cut boards, glue/screw them together, pad with leather. I'm sure it could be helpful in other projects involving stitching, but i've primarily seen them used in leather working. In this project, i will show you how to make a stitching pony (also called stitching horse) to aid with your leather work. It. Stitching Pony Dimensions.
From www.etsy.com
Stitching Pony Small Size Clamp Lacing and Stitching Pony Etsy Stitching Pony Dimensions I'm sure it could be helpful in other projects involving stitching, but i've primarily seen them used in leather working. As the name suggests, it's a four legged wooden. Cut boards, glue/screw them together, pad with leather. It gets clamped to a table or other work surface and has a jaw that clamps down on your work piece. (57.5 cm. Stitching Pony Dimensions.
From www.pinterest.com
Leather Stitching Pony Dimensions Leather craft tools, Diy leather Stitching Pony Dimensions (57.5 cm x 14 cm x 11.5 cm) max grip depth: The stitching pony gets its name from the much larger saddlers stitching ‘horse’. A stitching pony, also known as a leather clamp or stitching vice is a simple device that holds your leather in place while you stitch your leather together. It gets clamped to a table or other. Stitching Pony Dimensions.
From www.instructables.com
Simple and Cheap Stitching Pony 8 Steps (with Pictures) Instructables Stitching Pony Dimensions A stitching pony, also known as a leather clamp or stitching vice is a simple device that holds your leather in place while you stitch your leather together. Cut boards, glue/screw them together, pad with leather. As the name suggests, it's a four legged wooden. I'm sure it could be helpful in other projects involving stitching, but i've primarily seen. Stitching Pony Dimensions.
From www.etsy.com
Lacing and Stitching Pony Middle size Stitching Etsy Stitching Pony Dimensions In this project, i will show you how to make a stitching pony (also called stitching horse) to aid with your leather work. Overall, my plans for this were fairly straightforward; A stitching pony, also known as a leather clamp or stitching vice is a simple device that holds your leather in place while you stitch your leather together. I'm. Stitching Pony Dimensions.
From www.leatherhubpatterns.com
Stitching pony pattern PDF by LeatherHubPatterns Stitching Pony Dimensions Cut boards, glue/screw them together, pad with leather. The stitching pony gets its name from the much larger saddlers stitching ‘horse’. Here are some of the best for quality results. It gets clamped to a table or other work surface and has a jaw that clamps down on your work piece. Overall, my plans for this were fairly straightforward; It. Stitching Pony Dimensions.
From ar.inspiredpencil.com
Stitching Pony Pattern Stitching Pony Dimensions It allows you to stitch without having to. Cut boards, glue/screw them together, pad with leather. A leather stitching pony can help hold leather material, freeing up the hands for stitch work. A stitching pony, also known as a leather clamp or stitching vice is a simple device that holds your leather in place while you stitch your leather together.. Stitching Pony Dimensions.
From leatherworker.net
Stitching Horse Plans Sewing Leather Stitching Pony Dimensions It allows you to stitch without having to. Here are some of the best for quality results. Overall, my plans for this were fairly straightforward; The stitching pony gets its name from the much larger saddlers stitching ‘horse’. A stitching pony, also known as a leather clamp or stitching vice is a simple device that holds your leather in place. Stitching Pony Dimensions.
From www.youtube.com
Stitching pony DIY How to make a wooden vise for leather working Stitching Pony Dimensions A stitching pony is a smaller version of a stitching horse. (13.97 cm) max grip width: (57.5 cm x 14 cm x 11.5 cm) max grip depth: A stitching pony, also known as a leather clamp or stitching vice is a simple device that holds your leather in place while you stitch your leather together. Cut boards, glue/screw them together,. Stitching Pony Dimensions.
From 3dwarehouse.sketchup.com
Leather Stitching Pony 3D Warehouse Stitching Pony Dimensions The stitching pony gets its name from the much larger saddlers stitching ‘horse’. It gets clamped to a table or other work surface and has a jaw that clamps down on your work piece. A stitching pony, also known as a leather clamp or stitching vice is a simple device that holds your leather in place while you stitch your. Stitching Pony Dimensions.
From www.pinterest.com
Leather Stitching Pony Dimensions Diy leather tools, Sewing leather Stitching Pony Dimensions A leather stitching pony can help hold leather material, freeing up the hands for stitch work. In this project, i will show you how to make a stitching pony (also called stitching horse) to aid with your leather work. Cut boards, glue/screw them together, pad with leather. Here are some of the best for quality results. (13.97 cm) max grip. Stitching Pony Dimensions.
From www.etsy.com
Lacing and Stitching Pony With Stand Middle Size Stitching Etsy Stitching Pony Dimensions Here are some of the best for quality results. Overall, my plans for this were fairly straightforward; A leather stitching pony can help hold leather material, freeing up the hands for stitch work. (57.5 cm x 14 cm x 11.5 cm) max grip depth: A stitching pony, also known as a leather clamp or stitching vice is a simple device. Stitching Pony Dimensions.
From craftsselection.com
8 Basic Steps on How to Sew Leather by Hand Stitching Pony Dimensions Overall, my plans for this were fairly straightforward; I'm sure it could be helpful in other projects involving stitching, but i've primarily seen them used in leather working. The stitching pony gets its name from the much larger saddlers stitching ‘horse’. A leather stitching pony can help hold leather material, freeing up the hands for stitch work. It gets clamped. Stitching Pony Dimensions.
From www.pinterest.com
Stitching Pony SET Big Size. Stitching Pony for Leather. Etsy in 2023 Stitching Pony Dimensions It allows you to stitch without having to. The stitching pony gets its name from the much larger saddlers stitching ‘horse’. Overall, my plans for this were fairly straightforward; (57.5 cm x 14 cm x 11.5 cm) max grip depth: A stitching pony is a smaller version of a stitching horse. In this project, i will show you how to. Stitching Pony Dimensions.
From www.pinterest.jp
Leather Stitching Pony Dimensions Leather craft tools, Diy leather Stitching Pony Dimensions Overall, my plans for this were fairly straightforward; It gets clamped to a table or other work surface and has a jaw that clamps down on your work piece. Here are some of the best for quality results. It allows you to stitch without having to. (57.5 cm x 14 cm x 11.5 cm) max grip depth: Cut boards, glue/screw. Stitching Pony Dimensions.
From www.etsy.com
Lacing and Stitching Pony, Middle Size, Stitching Pony, Stitching Clamp Stitching Pony Dimensions A stitching pony, also known as a leather clamp or stitching vice is a simple device that holds your leather in place while you stitch your leather together. (13.97 cm) max grip width: Overall, my plans for this were fairly straightforward; I'm sure it could be helpful in other projects involving stitching, but i've primarily seen them used in leather. Stitching Pony Dimensions.
From www.instructables.com
Stitching Lacing Pony How I Made It Long Ago 4 Steps Instructables Stitching Pony Dimensions Here are some of the best for quality results. A stitching pony, also known as a leather clamp or stitching vice is a simple device that holds your leather in place while you stitch your leather together. (57.5 cm x 14 cm x 11.5 cm) max grip depth: Cut boards, glue/screw them together, pad with leather. In this project, i. Stitching Pony Dimensions.
From www.youtube.com
How to make a Stitching Pony for Leather Work Build This Essential Stitching Pony Dimensions Here are some of the best for quality results. I'm sure it could be helpful in other projects involving stitching, but i've primarily seen them used in leather working. A stitching pony is a smaller version of a stitching horse. Overall, my plans for this were fairly straightforward; Cut boards, glue/screw them together, pad with leather. It gets clamped to. Stitching Pony Dimensions.
From www.etsy.com
Lacing and Stitching Pony Small Size Stitching Pony Etsy Stitching Pony Dimensions It gets clamped to a table or other work surface and has a jaw that clamps down on your work piece. The stitching pony gets its name from the much larger saddlers stitching ‘horse’. (57.5 cm x 14 cm x 11.5 cm) max grip depth: Cut boards, glue/screw them together, pad with leather. Here are some of the best for. Stitching Pony Dimensions.
From www.youtube.com
How To Make A Stitching Pony YouTube Stitching Pony Dimensions A stitching pony, also known as a leather clamp or stitching vice is a simple device that holds your leather in place while you stitch your leather together. It gets clamped to a table or other work surface and has a jaw that clamps down on your work piece. Here are some of the best for quality results. As the. Stitching Pony Dimensions.
From www.youtube.com
Stitching Pony step by step build YouTube Stitching Pony Dimensions It allows you to stitch without having to. In this project, i will show you how to make a stitching pony (also called stitching horse) to aid with your leather work. It gets clamped to a table or other work surface and has a jaw that clamps down on your work piece. A leather stitching pony can help hold leather. Stitching Pony Dimensions.
From www.pinterest.com
Leather Stitching Pony Dimensions Leather craft tools, Leather Stitching Pony Dimensions Here are some of the best for quality results. Overall, my plans for this were fairly straightforward; (13.97 cm) max grip width: A stitching pony, also known as a leather clamp or stitching vice is a simple device that holds your leather in place while you stitch your leather together. As the name suggests, it's a four legged wooden. (57.5. Stitching Pony Dimensions.
From scosche-wiring-diagram.blogspot.com
Diy Stitching Pony Stitching Horse stitching horse post Sewing Stitching Pony Dimensions It allows you to stitch without having to. A leather stitching pony can help hold leather material, freeing up the hands for stitch work. A stitching pony is a smaller version of a stitching horse. A stitching pony, also known as a leather clamp or stitching vice is a simple device that holds your leather in place while you stitch. Stitching Pony Dimensions.
From hobbymaking.blogspot.com
Dudu hobby making / Hoopoeleather / zkuze.cz prosince 2010 Stitching Pony Dimensions (13.97 cm) max grip width: (57.5 cm x 14 cm x 11.5 cm) max grip depth: Cut boards, glue/screw them together, pad with leather. Overall, my plans for this were fairly straightforward; It gets clamped to a table or other work surface and has a jaw that clamps down on your work piece. In this project, i will show you. Stitching Pony Dimensions.
From www.pinterest.jp
Leather Stitching Pony Dimensions Leather craft tools, Leather diy Stitching Pony Dimensions As the name suggests, it's a four legged wooden. A stitching pony is a smaller version of a stitching horse. In this project, i will show you how to make a stitching pony (also called stitching horse) to aid with your leather work. Cut boards, glue/screw them together, pad with leather. It gets clamped to a table or other work. Stitching Pony Dimensions.
From www.pinterest.com
How to make a Leathercraft Stitching Pony Ponies, How to make and Stitching Pony Dimensions I'm sure it could be helpful in other projects involving stitching, but i've primarily seen them used in leather working. It gets clamped to a table or other work surface and has a jaw that clamps down on your work piece. A stitching pony, also known as a leather clamp or stitching vice is a simple device that holds your. Stitching Pony Dimensions.
From www.youtube.com
How to Make a Quick and Easy Stitching Pony YouTube Stitching Pony Dimensions Here are some of the best for quality results. The stitching pony gets its name from the much larger saddlers stitching ‘horse’. Cut boards, glue/screw them together, pad with leather. It allows you to stitch without having to. In this project, i will show you how to make a stitching pony (also called stitching horse) to aid with your leather. Stitching Pony Dimensions.
From www.etsy.com
Lacing and Stitching Pony Middle size Stitching Etsy Stitching Pony Dimensions It gets clamped to a table or other work surface and has a jaw that clamps down on your work piece. The stitching pony gets its name from the much larger saddlers stitching ‘horse’. A stitching pony is a smaller version of a stitching horse. I'm sure it could be helpful in other projects involving stitching, but i've primarily seen. Stitching Pony Dimensions.
From tundraleather.ca
Stitching and Lacing Pony Tundra Leather Stitching Pony Dimensions A stitching pony, also known as a leather clamp or stitching vice is a simple device that holds your leather in place while you stitch your leather together. It allows you to stitch without having to. A stitching pony is a smaller version of a stitching horse. It gets clamped to a table or other work surface and has a. Stitching Pony Dimensions.