Ferrite Metallurgy . Ferrites are chemical compounds consisting of ceramic materials with iron (iii) oxide (fe2o3) as their principal component. Ferrite is a ceramic material made by mixing iron oxide with a metallic element. Learn about its properties, types, production, applications, and environmental. Ferrite is a solid solution that is created by dissolving carbon and other elements in iron. It is one of the compositional phases of. Explore the world of ferrite, a magnetic ceramic compound.
from huanengda-spring.en.made-in-china.com
Explore the world of ferrite, a magnetic ceramic compound. Ferrites are chemical compounds consisting of ceramic materials with iron (iii) oxide (fe2o3) as their principal component. Ferrite is a solid solution that is created by dissolving carbon and other elements in iron. Learn about its properties, types, production, applications, and environmental. It is one of the compositional phases of. Ferrite is a ceramic material made by mixing iron oxide with a metallic element.
Wet/Dry Press Ferrite Powder Metallurgy Compacting Die Carbide Punch and Punch Dies
Ferrite Metallurgy Ferrites are chemical compounds consisting of ceramic materials with iron (iii) oxide (fe2o3) as their principal component. Learn about its properties, types, production, applications, and environmental. It is one of the compositional phases of. Ferrites are chemical compounds consisting of ceramic materials with iron (iii) oxide (fe2o3) as their principal component. Ferrite is a solid solution that is created by dissolving carbon and other elements in iron. Ferrite is a ceramic material made by mixing iron oxide with a metallic element. Explore the world of ferrite, a magnetic ceramic compound.
From www.diytrade.com
Sintered Ferrite SF10201 (China Manufacturer) Materials Metallurgy Ferrite Metallurgy Learn about its properties, types, production, applications, and environmental. Ferrites are chemical compounds consisting of ceramic materials with iron (iii) oxide (fe2o3) as their principal component. Explore the world of ferrite, a magnetic ceramic compound. Ferrite is a solid solution that is created by dissolving carbon and other elements in iron. Ferrite is a ceramic material made by mixing iron. Ferrite Metallurgy.
From www.alamy.com
metallurgical micrograph of steel 060A78 used as a jig component in furnace brazing Ferrite Metallurgy Explore the world of ferrite, a magnetic ceramic compound. Ferrite is a ceramic material made by mixing iron oxide with a metallic element. Ferrite is a solid solution that is created by dissolving carbon and other elements in iron. It is one of the compositional phases of. Ferrites are chemical compounds consisting of ceramic materials with iron (iii) oxide (fe2o3). Ferrite Metallurgy.
From www.alamy.com
metallurgical micrograph of iron phosphide in a ferrite pearlite matrix in a dead mild steel bar Ferrite Metallurgy Explore the world of ferrite, a magnetic ceramic compound. Ferrite is a solid solution that is created by dissolving carbon and other elements in iron. Learn about its properties, types, production, applications, and environmental. Ferrites are chemical compounds consisting of ceramic materials with iron (iii) oxide (fe2o3) as their principal component. It is one of the compositional phases of. Ferrite. Ferrite Metallurgy.
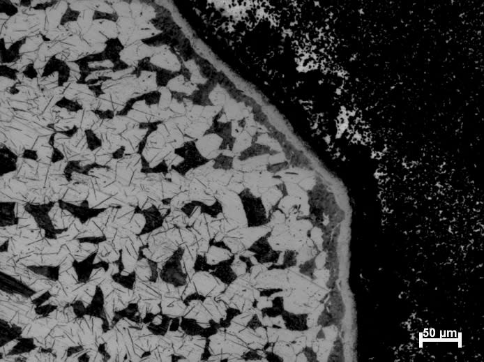
From www.reddit.com
Massive ferrite on edges, normal sized grains on the inside metallurgy Ferrite Metallurgy Ferrite is a ceramic material made by mixing iron oxide with a metallic element. It is one of the compositional phases of. Learn about its properties, types, production, applications, and environmental. Ferrite is a solid solution that is created by dissolving carbon and other elements in iron. Ferrites are chemical compounds consisting of ceramic materials with iron (iii) oxide (fe2o3). Ferrite Metallurgy.
From www.alibaba.com
Factory Ferrite Stainless Steel Powder 430l For Powder Metallurgy Buy Stainless Steel Powder Ferrite Metallurgy Learn about its properties, types, production, applications, and environmental. It is one of the compositional phases of. Explore the world of ferrite, a magnetic ceramic compound. Ferrites are chemical compounds consisting of ceramic materials with iron (iii) oxide (fe2o3) as their principal component. Ferrite is a ceramic material made by mixing iron oxide with a metallic element. Ferrite is a. Ferrite Metallurgy.
From www.youtube.com
GATE (Metallurgical Engineering) IronCarbon Diagram (alpha ferrite, austenite, and delta Ferrite Metallurgy Ferrite is a ceramic material made by mixing iron oxide with a metallic element. Ferrite is a solid solution that is created by dissolving carbon and other elements in iron. Learn about its properties, types, production, applications, and environmental. Explore the world of ferrite, a magnetic ceramic compound. It is one of the compositional phases of. Ferrites are chemical compounds. Ferrite Metallurgy.
From www.diytrade.com
Sintered Ferrite Summit (China Manufacturer) Materials Metallurgy Ferrite Metallurgy Learn about its properties, types, production, applications, and environmental. Ferrite is a solid solution that is created by dissolving carbon and other elements in iron. Explore the world of ferrite, a magnetic ceramic compound. It is one of the compositional phases of. Ferrites are chemical compounds consisting of ceramic materials with iron (iii) oxide (fe2o3) as their principal component. Ferrite. Ferrite Metallurgy.
From www.researchgate.net
Optical micrograph showing the ferrite and pearlite microstructure in... Download Scientific Ferrite Metallurgy Ferrite is a solid solution that is created by dissolving carbon and other elements in iron. Ferrites are chemical compounds consisting of ceramic materials with iron (iii) oxide (fe2o3) as their principal component. It is one of the compositional phases of. Learn about its properties, types, production, applications, and environmental. Explore the world of ferrite, a magnetic ceramic compound. Ferrite. Ferrite Metallurgy.
From www.diytrade.com
sintered Ferrite Y10TY35 Yuxiang (China Manufacturer) Materials Ferrite Metallurgy Learn about its properties, types, production, applications, and environmental. It is one of the compositional phases of. Ferrites are chemical compounds consisting of ceramic materials with iron (iii) oxide (fe2o3) as their principal component. Ferrite is a solid solution that is created by dissolving carbon and other elements in iron. Explore the world of ferrite, a magnetic ceramic compound. Ferrite. Ferrite Metallurgy.
From www.semanticscholar.org
Figure 1 from PHYSICAL METALLURGY OF ACICULAR FERRITE FORMATION Semantic Scholar Ferrite Metallurgy Ferrite is a solid solution that is created by dissolving carbon and other elements in iron. Learn about its properties, types, production, applications, and environmental. It is one of the compositional phases of. Ferrites are chemical compounds consisting of ceramic materials with iron (iii) oxide (fe2o3) as their principal component. Explore the world of ferrite, a magnetic ceramic compound. Ferrite. Ferrite Metallurgy.
From www.eng-tips.com
Needles inside the ferrite in carbon steel Metal and Metallurgy engineering EngTips Ferrite Metallurgy Ferrites are chemical compounds consisting of ceramic materials with iron (iii) oxide (fe2o3) as their principal component. Ferrite is a solid solution that is created by dissolving carbon and other elements in iron. Explore the world of ferrite, a magnetic ceramic compound. Learn about its properties, types, production, applications, and environmental. Ferrite is a ceramic material made by mixing iron. Ferrite Metallurgy.
From huanengda-spring.en.made-in-china.com
Wet/Dry Press Ferrite Powder Metallurgy Compacting Die Carbide Punch and Punch Dies Ferrite Metallurgy Ferrite is a solid solution that is created by dissolving carbon and other elements in iron. Explore the world of ferrite, a magnetic ceramic compound. Ferrite is a ceramic material made by mixing iron oxide with a metallic element. It is one of the compositional phases of. Ferrites are chemical compounds consisting of ceramic materials with iron (iii) oxide (fe2o3). Ferrite Metallurgy.
From www.researchgate.net
FeC Phase Diagram ( α Ferrite, γ Austenite, δ Delta ferrite, Fe3C... Download Scientific Ferrite Metallurgy Ferrite is a solid solution that is created by dissolving carbon and other elements in iron. Learn about its properties, types, production, applications, and environmental. Ferrite is a ceramic material made by mixing iron oxide with a metallic element. Explore the world of ferrite, a magnetic ceramic compound. It is one of the compositional phases of. Ferrites are chemical compounds. Ferrite Metallurgy.
From www.diytrade.com
Sintered Ferrite SF10201 (China Manufacturer) Materials Metallurgy Ferrite Metallurgy Ferrite is a ceramic material made by mixing iron oxide with a metallic element. Explore the world of ferrite, a magnetic ceramic compound. Ferrite is a solid solution that is created by dissolving carbon and other elements in iron. Ferrites are chemical compounds consisting of ceramic materials with iron (iii) oxide (fe2o3) as their principal component. It is one of. Ferrite Metallurgy.
From www.diytrade.com
Sintered Ferrite SF10201 (China Manufacturer) Materials Metallurgy Ferrite Metallurgy Ferrite is a ceramic material made by mixing iron oxide with a metallic element. Learn about its properties, types, production, applications, and environmental. Ferrites are chemical compounds consisting of ceramic materials with iron (iii) oxide (fe2o3) as their principal component. It is one of the compositional phases of. Ferrite is a solid solution that is created by dissolving carbon and. Ferrite Metallurgy.
From dxodqevta.blob.core.windows.net
Ferrite Crystallographic Structure at Tamara Cameron blog Ferrite Metallurgy Ferrite is a solid solution that is created by dissolving carbon and other elements in iron. Ferrites are chemical compounds consisting of ceramic materials with iron (iii) oxide (fe2o3) as their principal component. Learn about its properties, types, production, applications, and environmental. It is one of the compositional phases of. Ferrite is a ceramic material made by mixing iron oxide. Ferrite Metallurgy.
From ar.inspiredpencil.com
Ferrite Microstructure Ferrite Metallurgy Learn about its properties, types, production, applications, and environmental. Ferrites are chemical compounds consisting of ceramic materials with iron (iii) oxide (fe2o3) as their principal component. It is one of the compositional phases of. Explore the world of ferrite, a magnetic ceramic compound. Ferrite is a ceramic material made by mixing iron oxide with a metallic element. Ferrite is a. Ferrite Metallurgy.
From www.youtube.com
Ferrites by Dr M Lakshmi YouTube Ferrite Metallurgy Learn about its properties, types, production, applications, and environmental. It is one of the compositional phases of. Ferrite is a ceramic material made by mixing iron oxide with a metallic element. Ferrite is a solid solution that is created by dissolving carbon and other elements in iron. Ferrites are chemical compounds consisting of ceramic materials with iron (iii) oxide (fe2o3). Ferrite Metallurgy.
From www.diytrade.com
Ferrite (China Manufacturer) Materials Metallurgy & Mining Products Ferrite Metallurgy Ferrite is a solid solution that is created by dissolving carbon and other elements in iron. It is one of the compositional phases of. Ferrite is a ceramic material made by mixing iron oxide with a metallic element. Explore the world of ferrite, a magnetic ceramic compound. Learn about its properties, types, production, applications, and environmental. Ferrites are chemical compounds. Ferrite Metallurgy.
From www.mdpi.com
Metals Free FullText Transformation of the δFerrite in SS2343 Austenitic Stainless Steel Ferrite Metallurgy Explore the world of ferrite, a magnetic ceramic compound. It is one of the compositional phases of. Ferrites are chemical compounds consisting of ceramic materials with iron (iii) oxide (fe2o3) as their principal component. Ferrite is a ceramic material made by mixing iron oxide with a metallic element. Ferrite is a solid solution that is created by dissolving carbon and. Ferrite Metallurgy.
From schematicellsmounty.z21.web.core.windows.net
Phase Diagram For Carbon Steel Ferrite Metallurgy Explore the world of ferrite, a magnetic ceramic compound. Learn about its properties, types, production, applications, and environmental. Ferrites are chemical compounds consisting of ceramic materials with iron (iii) oxide (fe2o3) as their principal component. Ferrite is a solid solution that is created by dissolving carbon and other elements in iron. Ferrite is a ceramic material made by mixing iron. Ferrite Metallurgy.
From www.researchgate.net
Microstructure of SZs. (a) and (b) ferrite and pearlite structure of... Download Scientific Ferrite Metallurgy Ferrites are chemical compounds consisting of ceramic materials with iron (iii) oxide (fe2o3) as their principal component. Learn about its properties, types, production, applications, and environmental. Explore the world of ferrite, a magnetic ceramic compound. Ferrite is a solid solution that is created by dissolving carbon and other elements in iron. Ferrite is a ceramic material made by mixing iron. Ferrite Metallurgy.
From www.diytrade.com
Sintered Ferrite SF10201 (China Manufacturer) Materials Metallurgy Ferrite Metallurgy It is one of the compositional phases of. Ferrite is a solid solution that is created by dissolving carbon and other elements in iron. Ferrites are chemical compounds consisting of ceramic materials with iron (iii) oxide (fe2o3) as their principal component. Explore the world of ferrite, a magnetic ceramic compound. Learn about its properties, types, production, applications, and environmental. Ferrite. Ferrite Metallurgy.
From www.diytrade.com
Ferrite You still force (China Trading Company) Materials Metallurgy Ferrite Metallurgy It is one of the compositional phases of. Ferrite is a solid solution that is created by dissolving carbon and other elements in iron. Explore the world of ferrite, a magnetic ceramic compound. Ferrites are chemical compounds consisting of ceramic materials with iron (iii) oxide (fe2o3) as their principal component. Ferrite is a ceramic material made by mixing iron oxide. Ferrite Metallurgy.
From www.diytrade.com
Ferrite 3 XiongChu (China Manufacturer) Materials Metallurgy & Mining Ferrite Metallurgy It is one of the compositional phases of. Ferrite is a ceramic material made by mixing iron oxide with a metallic element. Learn about its properties, types, production, applications, and environmental. Ferrite is a solid solution that is created by dissolving carbon and other elements in iron. Explore the world of ferrite, a magnetic ceramic compound. Ferrites are chemical compounds. Ferrite Metallurgy.
From www.facebook.com
Ferritic microstructure.... Metallurgical engineering Ferrite Metallurgy Ferrite is a ceramic material made by mixing iron oxide with a metallic element. Ferrite is a solid solution that is created by dissolving carbon and other elements in iron. It is one of the compositional phases of. Explore the world of ferrite, a magnetic ceramic compound. Ferrites are chemical compounds consisting of ceramic materials with iron (iii) oxide (fe2o3). Ferrite Metallurgy.
From www.diytrade.com
Ferrite (China Manufacturer) Materials Metallurgy & Mining Products Ferrite Metallurgy It is one of the compositional phases of. Ferrite is a ceramic material made by mixing iron oxide with a metallic element. Learn about its properties, types, production, applications, and environmental. Ferrites are chemical compounds consisting of ceramic materials with iron (iii) oxide (fe2o3) as their principal component. Explore the world of ferrite, a magnetic ceramic compound. Ferrite is a. Ferrite Metallurgy.
From learnmech.com
What is Ferrite, Cementite, Pearlite , Martensite, Austenite Ferrite Metallurgy Explore the world of ferrite, a magnetic ceramic compound. It is one of the compositional phases of. Learn about its properties, types, production, applications, and environmental. Ferrite is a ceramic material made by mixing iron oxide with a metallic element. Ferrite is a solid solution that is created by dissolving carbon and other elements in iron. Ferrites are chemical compounds. Ferrite Metallurgy.
From www.semanticscholar.org
Figure 3 from Production and properties of ferriterich CSAB cement from metallurgical industry Ferrite Metallurgy Explore the world of ferrite, a magnetic ceramic compound. Ferrite is a ceramic material made by mixing iron oxide with a metallic element. It is one of the compositional phases of. Ferrite is a solid solution that is created by dissolving carbon and other elements in iron. Learn about its properties, types, production, applications, and environmental. Ferrites are chemical compounds. Ferrite Metallurgy.
From www.magnet-sdm.com
Manufacturing Process of Ferrite SDM Co., Ltd. Ferrite Metallurgy Ferrite is a solid solution that is created by dissolving carbon and other elements in iron. Ferrites are chemical compounds consisting of ceramic materials with iron (iii) oxide (fe2o3) as their principal component. Learn about its properties, types, production, applications, and environmental. Ferrite is a ceramic material made by mixing iron oxide with a metallic element. It is one of. Ferrite Metallurgy.
From www.diytrade.com
sintered Ferrite Y10TY35 Yuxiang (China Manufacturer) Materials Ferrite Metallurgy Ferrite is a solid solution that is created by dissolving carbon and other elements in iron. Explore the world of ferrite, a magnetic ceramic compound. Learn about its properties, types, production, applications, and environmental. Ferrites are chemical compounds consisting of ceramic materials with iron (iii) oxide (fe2o3) as their principal component. It is one of the compositional phases of. Ferrite. Ferrite Metallurgy.
From advanceseng.com
Ferrite Formation Dynamics and Microstructure Due to Inclusion Engineering in LowAlloy Steels Ferrite Metallurgy It is one of the compositional phases of. Ferrite is a solid solution that is created by dissolving carbon and other elements in iron. Learn about its properties, types, production, applications, and environmental. Ferrites are chemical compounds consisting of ceramic materials with iron (iii) oxide (fe2o3) as their principal component. Ferrite is a ceramic material made by mixing iron oxide. Ferrite Metallurgy.
From www.diytrade.com
Ferrite Core Long (China Manufacturer) Materials Metallurgy & Mining Products Ferrite Metallurgy Ferrite is a solid solution that is created by dissolving carbon and other elements in iron. Learn about its properties, types, production, applications, and environmental. Ferrites are chemical compounds consisting of ceramic materials with iron (iii) oxide (fe2o3) as their principal component. Ferrite is a ceramic material made by mixing iron oxide with a metallic element. Explore the world of. Ferrite Metallurgy.
From www.researchgate.net
Metallographic images of metallurgical remains. a the iron block of no.... Download Scientific Ferrite Metallurgy Ferrite is a solid solution that is created by dissolving carbon and other elements in iron. Ferrite is a ceramic material made by mixing iron oxide with a metallic element. Ferrites are chemical compounds consisting of ceramic materials with iron (iii) oxide (fe2o3) as their principal component. Explore the world of ferrite, a magnetic ceramic compound. Learn about its properties,. Ferrite Metallurgy.
From www.semanticscholar.org
Figure 4 from Production and properties of ferriterich CSAB cement from metallurgical industry Ferrite Metallurgy Ferrite is a ceramic material made by mixing iron oxide with a metallic element. It is one of the compositional phases of. Learn about its properties, types, production, applications, and environmental. Ferrites are chemical compounds consisting of ceramic materials with iron (iii) oxide (fe2o3) as their principal component. Explore the world of ferrite, a magnetic ceramic compound. Ferrite is a. Ferrite Metallurgy.