Cruise Control Not Working Subaru Legacy . the car has cruise, but it is currently not working due to a broken switch inside the steering column. i swapped all my cruise control stuff over to another legacy, the button the dash works, the relay clicks. there are several potential reasons why your subaru legacy’s cruise control may not be working: the most common reasons a subaru legacy cruise control isn't working are failed control module, sensor or switch issues, or. The lever was pretty stiff/sticky.
from ruivadelow.blogspot.com
the most common reasons a subaru legacy cruise control isn't working are failed control module, sensor or switch issues, or. there are several potential reasons why your subaru legacy’s cruise control may not be working: i swapped all my cruise control stuff over to another legacy, the button the dash works, the relay clicks. The lever was pretty stiff/sticky. the car has cruise, but it is currently not working due to a broken switch inside the steering column.
What Does It Mean When The Cruise Control Light Flashes Ruivadelow
Cruise Control Not Working Subaru Legacy there are several potential reasons why your subaru legacy’s cruise control may not be working: the most common reasons a subaru legacy cruise control isn't working are failed control module, sensor or switch issues, or. there are several potential reasons why your subaru legacy’s cruise control may not be working: The lever was pretty stiff/sticky. the car has cruise, but it is currently not working due to a broken switch inside the steering column. i swapped all my cruise control stuff over to another legacy, the button the dash works, the relay clicks.
From www.subaruoutback.org
2000 Outback Wagon Cruise Control not working Page 2 Subaru Outback Subaru Outback Forums Cruise Control Not Working Subaru Legacy there are several potential reasons why your subaru legacy’s cruise control may not be working: The lever was pretty stiff/sticky. the car has cruise, but it is currently not working due to a broken switch inside the steering column. the most common reasons a subaru legacy cruise control isn't working are failed control module, sensor or switch. Cruise Control Not Working Subaru Legacy.
From www.factoryoemparts.com
19982002 Subaru Forester 19951999 Subaru Legacy Cruise Control Switch New OEM Factory OEM Parts Cruise Control Not Working Subaru Legacy there are several potential reasons why your subaru legacy’s cruise control may not be working: the most common reasons a subaru legacy cruise control isn't working are failed control module, sensor or switch issues, or. The lever was pretty stiff/sticky. the car has cruise, but it is currently not working due to a broken switch inside the. Cruise Control Not Working Subaru Legacy.
From www.rostra.com
20122019 Subaru Impreza Cruise Control now available! Cruise Control Not Working Subaru Legacy the car has cruise, but it is currently not working due to a broken switch inside the steering column. there are several potential reasons why your subaru legacy’s cruise control may not be working: i swapped all my cruise control stuff over to another legacy, the button the dash works, the relay clicks. the most common. Cruise Control Not Working Subaru Legacy.
From www.sulegacy.com
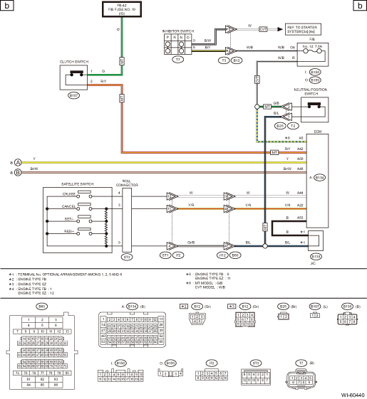
Subaru Legacy Service Manual Cruise control system wiring diagram Wiring system Cruise Control Not Working Subaru Legacy the most common reasons a subaru legacy cruise control isn't working are failed control module, sensor or switch issues, or. there are several potential reasons why your subaru legacy’s cruise control may not be working: The lever was pretty stiff/sticky. the car has cruise, but it is currently not working due to a broken switch inside the. Cruise Control Not Working Subaru Legacy.
From www.liveabout.com
Cruise Control Not Working? 9 Potential Causes Cruise Control Not Working Subaru Legacy the car has cruise, but it is currently not working due to a broken switch inside the steering column. the most common reasons a subaru legacy cruise control isn't working are failed control module, sensor or switch issues, or. there are several potential reasons why your subaru legacy’s cruise control may not be working: The lever was. Cruise Control Not Working Subaru Legacy.
From surrealmirage.com
Surrealmirage Subaru Legacy Swap Electrical info & notes Cruise Control Not Working Subaru Legacy i swapped all my cruise control stuff over to another legacy, the button the dash works, the relay clicks. the car has cruise, but it is currently not working due to a broken switch inside the steering column. the most common reasons a subaru legacy cruise control isn't working are failed control module, sensor or switch issues,. Cruise Control Not Working Subaru Legacy.
From subaru-bali.blogspot.com
Subaru Cruise Control Subaru Bali Cruise Control Not Working Subaru Legacy i swapped all my cruise control stuff over to another legacy, the button the dash works, the relay clicks. the car has cruise, but it is currently not working due to a broken switch inside the steering column. the most common reasons a subaru legacy cruise control isn't working are failed control module, sensor or switch issues,. Cruise Control Not Working Subaru Legacy.
From www.2carpros.com
Cruise Control Stopped Working After Steering Service? Cruise Control Not Working Subaru Legacy The lever was pretty stiff/sticky. the car has cruise, but it is currently not working due to a broken switch inside the steering column. the most common reasons a subaru legacy cruise control isn't working are failed control module, sensor or switch issues, or. there are several potential reasons why your subaru legacy’s cruise control may not. Cruise Control Not Working Subaru Legacy.
From portal-diagnostov.com
CRUISE CONTROL Subaru Legacy GT 1994 SYSTEM WIRING DIAGRAMS Wiring diagrams for cars Cruise Control Not Working Subaru Legacy the most common reasons a subaru legacy cruise control isn't working are failed control module, sensor or switch issues, or. The lever was pretty stiff/sticky. i swapped all my cruise control stuff over to another legacy, the button the dash works, the relay clicks. the car has cruise, but it is currently not working due to a. Cruise Control Not Working Subaru Legacy.
From garagefixdhurras.z14.web.core.windows.net
Subaru Check Engine Light And Cruise Blinking Cruise Control Not Working Subaru Legacy the car has cruise, but it is currently not working due to a broken switch inside the steering column. the most common reasons a subaru legacy cruise control isn't working are failed control module, sensor or switch issues, or. there are several potential reasons why your subaru legacy’s cruise control may not be working: i swapped. Cruise Control Not Working Subaru Legacy.
From workshop-manuals.com
Subaru Manuals > Legacy GT Sedan AWD F42.5L SOHC (2000) > Relays and Modules > Relays Cruise Control Not Working Subaru Legacy the car has cruise, but it is currently not working due to a broken switch inside the steering column. i swapped all my cruise control stuff over to another legacy, the button the dash works, the relay clicks. the most common reasons a subaru legacy cruise control isn't working are failed control module, sensor or switch issues,. Cruise Control Not Working Subaru Legacy.
From autoily.com
Cruise Control Not Working? (11 Reasons Why) Cruise Control Not Working Subaru Legacy there are several potential reasons why your subaru legacy’s cruise control may not be working: The lever was pretty stiff/sticky. i swapped all my cruise control stuff over to another legacy, the button the dash works, the relay clicks. the most common reasons a subaru legacy cruise control isn't working are failed control module, sensor or switch. Cruise Control Not Working Subaru Legacy.
From www.2carpros.com
Cruise Control Not Working the Cruise Control Will Not Turn On. Cruise Control Not Working Subaru Legacy The lever was pretty stiff/sticky. the car has cruise, but it is currently not working due to a broken switch inside the steering column. there are several potential reasons why your subaru legacy’s cruise control may not be working: the most common reasons a subaru legacy cruise control isn't working are failed control module, sensor or switch. Cruise Control Not Working Subaru Legacy.
From www.youtube.com
👉 How to Correctly Use Adaptive Cruise Control on a New Subaru YouTube Cruise Control Not Working Subaru Legacy there are several potential reasons why your subaru legacy’s cruise control may not be working: the most common reasons a subaru legacy cruise control isn't working are failed control module, sensor or switch issues, or. The lever was pretty stiff/sticky. i swapped all my cruise control stuff over to another legacy, the button the dash works, the. Cruise Control Not Working Subaru Legacy.
From www.2carpros.com
Cruise Control Not Working I Bought the Vehicle Used and the Cruise Control Not Working Subaru Legacy the car has cruise, but it is currently not working due to a broken switch inside the steering column. The lever was pretty stiff/sticky. i swapped all my cruise control stuff over to another legacy, the button the dash works, the relay clicks. there are several potential reasons why your subaru legacy’s cruise control may not be. Cruise Control Not Working Subaru Legacy.
From howard-yersblogdavis.blogspot.com
2005 Subaru Legacy Check Engine Light and Cruise Flashing Cruise Control Not Working Subaru Legacy the car has cruise, but it is currently not working due to a broken switch inside the steering column. The lever was pretty stiff/sticky. the most common reasons a subaru legacy cruise control isn't working are failed control module, sensor or switch issues, or. there are several potential reasons why your subaru legacy’s cruise control may not. Cruise Control Not Working Subaru Legacy.
From www.2carpros.com
Brakes Lights and Cruise Control Are Not Working? Cruise Control Not Working Subaru Legacy the most common reasons a subaru legacy cruise control isn't working are failed control module, sensor or switch issues, or. the car has cruise, but it is currently not working due to a broken switch inside the steering column. there are several potential reasons why your subaru legacy’s cruise control may not be working: The lever was. Cruise Control Not Working Subaru Legacy.
From ruivadelow.blogspot.com
What Does It Mean When The Cruise Control Light Flashes Ruivadelow Cruise Control Not Working Subaru Legacy The lever was pretty stiff/sticky. the car has cruise, but it is currently not working due to a broken switch inside the steering column. there are several potential reasons why your subaru legacy’s cruise control may not be working: i swapped all my cruise control stuff over to another legacy, the button the dash works, the relay. Cruise Control Not Working Subaru Legacy.
From www.youtube.com
SUBARU IMPREZA Cruise control location YouTube Cruise Control Not Working Subaru Legacy the car has cruise, but it is currently not working due to a broken switch inside the steering column. the most common reasons a subaru legacy cruise control isn't working are failed control module, sensor or switch issues, or. there are several potential reasons why your subaru legacy’s cruise control may not be working: i swapped. Cruise Control Not Working Subaru Legacy.
From www.youtube.com
WHY CRUISE CONTROL IS NOT WORKING. TOP 3 REASONS CRUISE IS NOT WORKING YouTube Cruise Control Not Working Subaru Legacy the car has cruise, but it is currently not working due to a broken switch inside the steering column. i swapped all my cruise control stuff over to another legacy, the button the dash works, the relay clicks. The lever was pretty stiff/sticky. there are several potential reasons why your subaru legacy’s cruise control may not be. Cruise Control Not Working Subaru Legacy.
From mechanicbase.com
5 Reasons Why Your Cruise Control Stopped Working Cruise Control Not Working Subaru Legacy the most common reasons a subaru legacy cruise control isn't working are failed control module, sensor or switch issues, or. The lever was pretty stiff/sticky. there are several potential reasons why your subaru legacy’s cruise control may not be working: i swapped all my cruise control stuff over to another legacy, the button the dash works, the. Cruise Control Not Working Subaru Legacy.
From www.accurateserviceinc.com
4 Reasons Why Your Cruise Control Stopped Working Cruise Control Not Working Subaru Legacy the car has cruise, but it is currently not working due to a broken switch inside the steering column. The lever was pretty stiff/sticky. there are several potential reasons why your subaru legacy’s cruise control may not be working: i swapped all my cruise control stuff over to another legacy, the button the dash works, the relay. Cruise Control Not Working Subaru Legacy.
From www.subaruoutback.org
2000 Outback Wagon Cruise Control not working Subaru Outback Subaru Outback Forums Cruise Control Not Working Subaru Legacy i swapped all my cruise control stuff over to another legacy, the button the dash works, the relay clicks. the car has cruise, but it is currently not working due to a broken switch inside the steering column. there are several potential reasons why your subaru legacy’s cruise control may not be working: The lever was pretty. Cruise Control Not Working Subaru Legacy.
From rerev.com
Cruise control not working — causes and fixes REREV Cruise Control Not Working Subaru Legacy The lever was pretty stiff/sticky. the car has cruise, but it is currently not working due to a broken switch inside the steering column. i swapped all my cruise control stuff over to another legacy, the button the dash works, the relay clicks. the most common reasons a subaru legacy cruise control isn't working are failed control. Cruise Control Not Working Subaru Legacy.
From www.justanswer.com
Subaru Cruise Control Switch, Fuse, Module & Troubleshooting JustAnswer Cruise Control Not Working Subaru Legacy the most common reasons a subaru legacy cruise control isn't working are failed control module, sensor or switch issues, or. i swapped all my cruise control stuff over to another legacy, the button the dash works, the relay clicks. there are several potential reasons why your subaru legacy’s cruise control may not be working: the car. Cruise Control Not Working Subaru Legacy.
From www.subaruoutback.org
2000 Outback Wagon Cruise Control not working Subaru Outback Subaru Outback Forums Cruise Control Not Working Subaru Legacy i swapped all my cruise control stuff over to another legacy, the button the dash works, the relay clicks. the car has cruise, but it is currently not working due to a broken switch inside the steering column. The lever was pretty stiff/sticky. there are several potential reasons why your subaru legacy’s cruise control may not be. Cruise Control Not Working Subaru Legacy.
From alquilercastilloshinchables.info
8 Photos Subaru Outback Warning Lights Cruise Control Flashing And Description Alqu Blog Cruise Control Not Working Subaru Legacy there are several potential reasons why your subaru legacy’s cruise control may not be working: i swapped all my cruise control stuff over to another legacy, the button the dash works, the relay clicks. the car has cruise, but it is currently not working due to a broken switch inside the steering column. the most common. Cruise Control Not Working Subaru Legacy.
From www.cashcarsbuyer.com
Cruise Control Not Working ️ Everything You Need to Know Cruise Control Not Working Subaru Legacy the most common reasons a subaru legacy cruise control isn't working are failed control module, sensor or switch issues, or. there are several potential reasons why your subaru legacy’s cruise control may not be working: the car has cruise, but it is currently not working due to a broken switch inside the steering column. The lever was. Cruise Control Not Working Subaru Legacy.
From www.subaruoutback.org
2000 Outback Wagon Cruise Control not working Subaru Outback Subaru Outback Forums Cruise Control Not Working Subaru Legacy the most common reasons a subaru legacy cruise control isn't working are failed control module, sensor or switch issues, or. i swapped all my cruise control stuff over to another legacy, the button the dash works, the relay clicks. The lever was pretty stiff/sticky. there are several potential reasons why your subaru legacy’s cruise control may not. Cruise Control Not Working Subaru Legacy.
From ackodrive.com
What is Cruise Control in a Car? Meaning and How it Works? Cruise Control Not Working Subaru Legacy i swapped all my cruise control stuff over to another legacy, the button the dash works, the relay clicks. there are several potential reasons why your subaru legacy’s cruise control may not be working: the car has cruise, but it is currently not working due to a broken switch inside the steering column. the most common. Cruise Control Not Working Subaru Legacy.
From www.youtube.com
How To Use Subaru Adaptive Cruise Control YouTube Cruise Control Not Working Subaru Legacy the most common reasons a subaru legacy cruise control isn't working are failed control module, sensor or switch issues, or. The lever was pretty stiff/sticky. i swapped all my cruise control stuff over to another legacy, the button the dash works, the relay clicks. there are several potential reasons why your subaru legacy’s cruise control may not. Cruise Control Not Working Subaru Legacy.
From repairherz99.z13.web.core.windows.net
Flashing Cruise Control Light Subaru Outback Cruise Control Not Working Subaru Legacy The lever was pretty stiff/sticky. there are several potential reasons why your subaru legacy’s cruise control may not be working: i swapped all my cruise control stuff over to another legacy, the button the dash works, the relay clicks. the most common reasons a subaru legacy cruise control isn't working are failed control module, sensor or switch. Cruise Control Not Working Subaru Legacy.
From www.youtube.com
Cruise Control Not Working How To Fix Cruise Control Steering Wheel Switches YouTube Cruise Control Not Working Subaru Legacy there are several potential reasons why your subaru legacy’s cruise control may not be working: The lever was pretty stiff/sticky. the car has cruise, but it is currently not working due to a broken switch inside the steering column. the most common reasons a subaru legacy cruise control isn't working are failed control module, sensor or switch. Cruise Control Not Working Subaru Legacy.
From www.decoratingspecial.com
2017 Subaru Legacy Check Engine Light Cruise Control Flashing Cruise Control Not Working Subaru Legacy The lever was pretty stiff/sticky. i swapped all my cruise control stuff over to another legacy, the button the dash works, the relay clicks. the most common reasons a subaru legacy cruise control isn't working are failed control module, sensor or switch issues, or. there are several potential reasons why your subaru legacy’s cruise control may not. Cruise Control Not Working Subaru Legacy.
From www.2carpros.com
Cruise Control Not Working I Bought the Vehicle Used and the Cruise Control Not Working Subaru Legacy i swapped all my cruise control stuff over to another legacy, the button the dash works, the relay clicks. the car has cruise, but it is currently not working due to a broken switch inside the steering column. the most common reasons a subaru legacy cruise control isn't working are failed control module, sensor or switch issues,. Cruise Control Not Working Subaru Legacy.