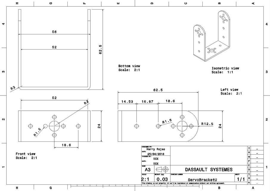
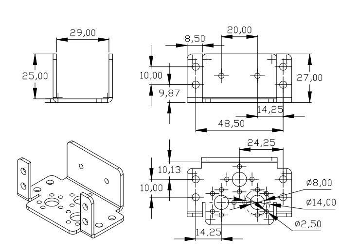
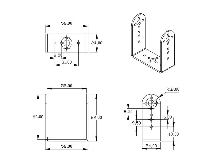
Servo Bracket Cad File . Design different types of brackets to hold servo motors specially mg995, mg996. For anyone designing their robot or automation system using our studica robotics construction set, you can find all the 3d step. A set of brackets for for your robots: Designed specifically to be easy to slip the servo in and out of the bracket. Join the grabcad community today to gain access and. # mg995 servo bracket a practical sturdy bracket for the mg995 servo. These cad files are provided to aid in building virtual models of robotic assemblies only. The grabcad library offers millions of free cad designs, cad files, and 3d models.
from speedyfpv.com
These cad files are provided to aid in building virtual models of robotic assemblies only. For anyone designing their robot or automation system using our studica robotics construction set, you can find all the 3d step. The grabcad library offers millions of free cad designs, cad files, and 3d models. A set of brackets for for your robots: Designed specifically to be easy to slip the servo in and out of the bracket. Join the grabcad community today to gain access and. Design different types of brackets to hold servo motors specially mg995, mg996. # mg995 servo bracket a practical sturdy bracket for the mg995 servo.
Robotic Clamp Gripper Claw Bracket Servo Controlled Mounted Grabber
Servo Bracket Cad File These cad files are provided to aid in building virtual models of robotic assemblies only. Designed specifically to be easy to slip the servo in and out of the bracket. Join the grabcad community today to gain access and. # mg995 servo bracket a practical sturdy bracket for the mg995 servo. These cad files are provided to aid in building virtual models of robotic assemblies only. For anyone designing their robot or automation system using our studica robotics construction set, you can find all the 3d step. A set of brackets for for your robots: Design different types of brackets to hold servo motors specially mg995, mg996. The grabcad library offers millions of free cad designs, cad files, and 3d models.
From bigamart.com
Jopto 2 Set Servo Motor Bracket, 2 DOF Short Pan and Tilt Servos Servo Bracket Cad File Design different types of brackets to hold servo motors specially mg995, mg996. These cad files are provided to aid in building virtual models of robotic assemblies only. Designed specifically to be easy to slip the servo in and out of the bracket. The grabcad library offers millions of free cad designs, cad files, and 3d models. # mg995 servo bracket. Servo Bracket Cad File.
From grabcad.com
Free CAD Designs, Files & 3D Models The GrabCAD Community Library Servo Bracket Cad File These cad files are provided to aid in building virtual models of robotic assemblies only. A set of brackets for for your robots: The grabcad library offers millions of free cad designs, cad files, and 3d models. # mg995 servo bracket a practical sturdy bracket for the mg995 servo. Design different types of brackets to hold servo motors specially mg995,. Servo Bracket Cad File.
From cults3d.com
Free STL file Servo Bracket・3D printable design to download・Cults Servo Bracket Cad File Designed specifically to be easy to slip the servo in and out of the bracket. These cad files are provided to aid in building virtual models of robotic assemblies only. Design different types of brackets to hold servo motors specially mg995, mg996. # mg995 servo bracket a practical sturdy bracket for the mg995 servo. For anyone designing their robot or. Servo Bracket Cad File.
From www.tinyosshop.com
MultiPurpose Servo Bracket Servo Bracket Cad File Join the grabcad community today to gain access and. Designed specifically to be easy to slip the servo in and out of the bracket. Design different types of brackets to hold servo motors specially mg995, mg996. For anyone designing their robot or automation system using our studica robotics construction set, you can find all the 3d step. These cad files. Servo Bracket Cad File.
From probots.co.in
Probots RDS3218 Digital Servo 20KG Dual Shaft 270 Degree With Metal Servo Bracket Cad File The grabcad library offers millions of free cad designs, cad files, and 3d models. Design different types of brackets to hold servo motors specially mg995, mg996. # mg995 servo bracket a practical sturdy bracket for the mg995 servo. For anyone designing their robot or automation system using our studica robotics construction set, you can find all the 3d step. Designed. Servo Bracket Cad File.
From www.damencnc.com
60x60 Servo Motor Bracket (MBA15D) for FK15 DamenCNC B.V. Servo Bracket Cad File Designed specifically to be easy to slip the servo in and out of the bracket. These cad files are provided to aid in building virtual models of robotic assemblies only. A set of brackets for for your robots: For anyone designing their robot or automation system using our studica robotics construction set, you can find all the 3d step. The. Servo Bracket Cad File.
From www.cadblocksfree.com
Bracket servo single Solidworks Model Thousands of free CAD blocks Servo Bracket Cad File A set of brackets for for your robots: Designed specifically to be easy to slip the servo in and out of the bracket. For anyone designing their robot or automation system using our studica robotics construction set, you can find all the 3d step. # mg995 servo bracket a practical sturdy bracket for the mg995 servo. The grabcad library offers. Servo Bracket Cad File.
From www.treatstock.com
SG90 Servo Bracket Mount 3D Printable Model on Treatstock Servo Bracket Cad File The grabcad library offers millions of free cad designs, cad files, and 3d models. Join the grabcad community today to gain access and. For anyone designing their robot or automation system using our studica robotics construction set, you can find all the 3d step. A set of brackets for for your robots: These cad files are provided to aid in. Servo Bracket Cad File.
From grabcad.com
Free CAD Designs, Files & 3D Models The GrabCAD Community Library Servo Bracket Cad File Designed specifically to be easy to slip the servo in and out of the bracket. # mg995 servo bracket a practical sturdy bracket for the mg995 servo. Join the grabcad community today to gain access and. The grabcad library offers millions of free cad designs, cad files, and 3d models. These cad files are provided to aid in building virtual. Servo Bracket Cad File.
From grabcad.com
Free CAD Designs, Files & 3D Models The GrabCAD Community Library Servo Bracket Cad File A set of brackets for for your robots: # mg995 servo bracket a practical sturdy bracket for the mg995 servo. These cad files are provided to aid in building virtual models of robotic assemblies only. Design different types of brackets to hold servo motors specially mg995, mg996. Designed specifically to be easy to slip the servo in and out of. Servo Bracket Cad File.
From grabcad.com
Free CAD Designs, Files & 3D Models The GrabCAD Community Library Servo Bracket Cad File Designed specifically to be easy to slip the servo in and out of the bracket. Design different types of brackets to hold servo motors specially mg995, mg996. For anyone designing their robot or automation system using our studica robotics construction set, you can find all the 3d step. A set of brackets for for your robots: # mg995 servo bracket. Servo Bracket Cad File.
From mito3d.com
mini servo bracket 3D Print Details Servo Bracket Cad File # mg995 servo bracket a practical sturdy bracket for the mg995 servo. Join the grabcad community today to gain access and. These cad files are provided to aid in building virtual models of robotic assemblies only. Designed specifically to be easy to slip the servo in and out of the bracket. A set of brackets for for your robots: For. Servo Bracket Cad File.
From cults3d.com
Free 3D file Servo Bracket mount HCSR04 Ultrasonic Sensor 🔌・3D Servo Bracket Cad File Design different types of brackets to hold servo motors specially mg995, mg996. These cad files are provided to aid in building virtual models of robotic assemblies only. For anyone designing their robot or automation system using our studica robotics construction set, you can find all the 3d step. Designed specifically to be easy to slip the servo in and out. Servo Bracket Cad File.
From cults3d.com
Free STL file Servo Mounting Bracket 🔧・3D print model to download・Cults Servo Bracket Cad File These cad files are provided to aid in building virtual models of robotic assemblies only. A set of brackets for for your robots: Join the grabcad community today to gain access and. Design different types of brackets to hold servo motors specially mg995, mg996. The grabcad library offers millions of free cad designs, cad files, and 3d models. Designed specifically. Servo Bracket Cad File.
From grabcad.com
Free CAD Designs, Files & 3D Models The GrabCAD Community Library Servo Bracket Cad File The grabcad library offers millions of free cad designs, cad files, and 3d models. # mg995 servo bracket a practical sturdy bracket for the mg995 servo. Join the grabcad community today to gain access and. Designed specifically to be easy to slip the servo in and out of the bracket. Design different types of brackets to hold servo motors specially. Servo Bracket Cad File.
From www.etsy.com
Dual Mount 4 Link Frame Bracket DXF File Etsy UK Servo Bracket Cad File A set of brackets for for your robots: For anyone designing their robot or automation system using our studica robotics construction set, you can find all the 3d step. The grabcad library offers millions of free cad designs, cad files, and 3d models. Design different types of brackets to hold servo motors specially mg995, mg996. Join the grabcad community today. Servo Bracket Cad File.
From grabcad.com
Servo bracket small 3D CAD Model Library GrabCAD Servo Bracket Cad File Join the grabcad community today to gain access and. For anyone designing their robot or automation system using our studica robotics construction set, you can find all the 3d step. Designed specifically to be easy to slip the servo in and out of the bracket. These cad files are provided to aid in building virtual models of robotic assemblies only.. Servo Bracket Cad File.
From speedyfpv.com
Robotic Clamp Gripper Claw Bracket Servo Controlled Mounted Grabber Servo Bracket Cad File Design different types of brackets to hold servo motors specially mg995, mg996. The grabcad library offers millions of free cad designs, cad files, and 3d models. Join the grabcad community today to gain access and. A set of brackets for for your robots: These cad files are provided to aid in building virtual models of robotic assemblies only. For anyone. Servo Bracket Cad File.
From www.amazon.in
Miuzei 20KG Digital Servo Motor High Torque Servo Metal Waterproof Servo Bracket Cad File These cad files are provided to aid in building virtual models of robotic assemblies only. Join the grabcad community today to gain access and. The grabcad library offers millions of free cad designs, cad files, and 3d models. A set of brackets for for your robots: For anyone designing their robot or automation system using our studica robotics construction set,. Servo Bracket Cad File.
From www.pinterest.fr
BRACKET DRAWING SHEET Technical drawing, Cad drawing, Perspective Servo Bracket Cad File Design different types of brackets to hold servo motors specially mg995, mg996. Designed specifically to be easy to slip the servo in and out of the bracket. A set of brackets for for your robots: Join the grabcad community today to gain access and. These cad files are provided to aid in building virtual models of robotic assemblies only. #. Servo Bracket Cad File.
From www.damencnc.com
130x130 Servo Motor Bracket (MBB25LG) DamenCNC B.V. Servo Bracket Cad File Join the grabcad community today to gain access and. These cad files are provided to aid in building virtual models of robotic assemblies only. # mg995 servo bracket a practical sturdy bracket for the mg995 servo. A set of brackets for for your robots: Designed specifically to be easy to slip the servo in and out of the bracket. The. Servo Bracket Cad File.
From grabcad.com
Free CAD Designs, Files & 3D Models The GrabCAD Community Library Servo Bracket Cad File The grabcad library offers millions of free cad designs, cad files, and 3d models. These cad files are provided to aid in building virtual models of robotic assemblies only. A set of brackets for for your robots: # mg995 servo bracket a practical sturdy bracket for the mg995 servo. For anyone designing their robot or automation system using our studica. Servo Bracket Cad File.
From www.tinyosshop.com
Long U Type Servo Bracket Servo Bracket Cad File Design different types of brackets to hold servo motors specially mg995, mg996. For anyone designing their robot or automation system using our studica robotics construction set, you can find all the 3d step. The grabcad library offers millions of free cad designs, cad files, and 3d models. These cad files are provided to aid in building virtual models of robotic. Servo Bracket Cad File.
From grabcad.com
Free CAD Designs, Files & 3D Models The GrabCAD Community Library Servo Bracket Cad File The grabcad library offers millions of free cad designs, cad files, and 3d models. Join the grabcad community today to gain access and. # mg995 servo bracket a practical sturdy bracket for the mg995 servo. A set of brackets for for your robots: Designed specifically to be easy to slip the servo in and out of the bracket. These cad. Servo Bracket Cad File.
From grabcad.com
Servo Brackets 3D CAD Model Library GrabCAD Servo Bracket Cad File # mg995 servo bracket a practical sturdy bracket for the mg995 servo. These cad files are provided to aid in building virtual models of robotic assemblies only. Join the grabcad community today to gain access and. For anyone designing their robot or automation system using our studica robotics construction set, you can find all the 3d step. Designed specifically to. Servo Bracket Cad File.
From www.vrogue.co
Hc Sr04 Ultrasonic Sensor 3d Cad Model Library Grabca vrogue.co Servo Bracket Cad File Join the grabcad community today to gain access and. Designed specifically to be easy to slip the servo in and out of the bracket. The grabcad library offers millions of free cad designs, cad files, and 3d models. Design different types of brackets to hold servo motors specially mg995, mg996. A set of brackets for for your robots: For anyone. Servo Bracket Cad File.
From grabcad.com
Servo Brackets 3D CAD Model Library GrabCAD Servo Bracket Cad File The grabcad library offers millions of free cad designs, cad files, and 3d models. A set of brackets for for your robots: Join the grabcad community today to gain access and. Designed specifically to be easy to slip the servo in and out of the bracket. These cad files are provided to aid in building virtual models of robotic assemblies. Servo Bracket Cad File.
From cults3d.com
Download STL file WLToys 12428 20KG Servo Bracket • 3D print object Servo Bracket Cad File Design different types of brackets to hold servo motors specially mg995, mg996. Join the grabcad community today to gain access and. These cad files are provided to aid in building virtual models of robotic assemblies only. The grabcad library offers millions of free cad designs, cad files, and 3d models. Designed specifically to be easy to slip the servo in. Servo Bracket Cad File.
From shopee.ph
Servo Bracket For Standard Servo Steering Bearing Bracket To DIY Servo Bracket Cad File A set of brackets for for your robots: # mg995 servo bracket a practical sturdy bracket for the mg995 servo. Join the grabcad community today to gain access and. These cad files are provided to aid in building virtual models of robotic assemblies only. Design different types of brackets to hold servo motors specially mg995, mg996. Designed specifically to be. Servo Bracket Cad File.
From 3dwarehouse.sketchup.com
Servo Bracket L 3D Warehouse Servo Bracket Cad File Designed specifically to be easy to slip the servo in and out of the bracket. These cad files are provided to aid in building virtual models of robotic assemblies only. For anyone designing their robot or automation system using our studica robotics construction set, you can find all the 3d step. # mg995 servo bracket a practical sturdy bracket for. Servo Bracket Cad File.
From www.shapeways.com
Railroad point, switch, turnout Servo Bracket x 8 (V2DXQ9XA2) by baztrains Servo Bracket Cad File Designed specifically to be easy to slip the servo in and out of the bracket. For anyone designing their robot or automation system using our studica robotics construction set, you can find all the 3d step. These cad files are provided to aid in building virtual models of robotic assemblies only. # mg995 servo bracket a practical sturdy bracket for. Servo Bracket Cad File.
From www.tinyosshop.com
MultiPurpose Servo Bracket Servo Bracket Cad File For anyone designing their robot or automation system using our studica robotics construction set, you can find all the 3d step. A set of brackets for for your robots: These cad files are provided to aid in building virtual models of robotic assemblies only. Design different types of brackets to hold servo motors specially mg995, mg996. The grabcad library offers. Servo Bracket Cad File.
From grabcad.com
Servo Brackets 3D CAD Model Library GrabCAD Servo Bracket Cad File Join the grabcad community today to gain access and. A set of brackets for for your robots: Designed specifically to be easy to slip the servo in and out of the bracket. The grabcad library offers millions of free cad designs, cad files, and 3d models. Design different types of brackets to hold servo motors specially mg995, mg996. # mg995. Servo Bracket Cad File.
From www.revrobotics.com
15mm Metal Flat Servo Bracket V2 4 Pack REV Robotics Servo Bracket Cad File Design different types of brackets to hold servo motors specially mg995, mg996. Designed specifically to be easy to slip the servo in and out of the bracket. For anyone designing their robot or automation system using our studica robotics construction set, you can find all the 3d step. These cad files are provided to aid in building virtual models of. Servo Bracket Cad File.
From wiki.lynxmotion.com
Brackets (SES) Servo Bracket Cad File A set of brackets for for your robots: These cad files are provided to aid in building virtual models of robotic assemblies only. The grabcad library offers millions of free cad designs, cad files, and 3d models. Designed specifically to be easy to slip the servo in and out of the bracket. Join the grabcad community today to gain access. Servo Bracket Cad File.