How To Make A Simple Flying Robot . That might sound like something completely out of science fiction, but believe it or not, engineers at. While the actual arrangement and aesthetics of the robot are up to you (its insane, diabolical creator), the components and technique required are largely the same regardless. Too many bad news from the. An experiment in constructing an autonomous flying robot. Have you ever seen miniature flying robotic insects in movies? Learn how to build your own robots on a budget with this comprehensive tutorial. Learn how to make an incredibly cheap, attractive, functional, rugged delta wing design airframe which can be used to learn how to fly or as the platform for an autonomous drone. You will need some basic tools, materials, and an arduino board to create custom robots with wheels,. Build a paper robobee model: Learn how to make a simple robot using arduino and basic components in this video tutorial. I wanted to make intelligent flying robots that can save lives, look for people in the mountains and in destroyed buildings.
from bigdiyideas.com
I wanted to make intelligent flying robots that can save lives, look for people in the mountains and in destroyed buildings. An experiment in constructing an autonomous flying robot. You will need some basic tools, materials, and an arduino board to create custom robots with wheels,. That might sound like something completely out of science fiction, but believe it or not, engineers at. Learn how to make an incredibly cheap, attractive, functional, rugged delta wing design airframe which can be used to learn how to fly or as the platform for an autonomous drone. Have you ever seen miniature flying robotic insects in movies? Build a paper robobee model: Learn how to make a simple robot using arduino and basic components in this video tutorial. Too many bad news from the. While the actual arrangement and aesthetics of the robot are up to you (its insane, diabolical creator), the components and technique required are largely the same regardless.
33 Fantastic Robot Crafts for Kids
How To Make A Simple Flying Robot Have you ever seen miniature flying robotic insects in movies? Have you ever seen miniature flying robotic insects in movies? I wanted to make intelligent flying robots that can save lives, look for people in the mountains and in destroyed buildings. Too many bad news from the. Learn how to make an incredibly cheap, attractive, functional, rugged delta wing design airframe which can be used to learn how to fly or as the platform for an autonomous drone. While the actual arrangement and aesthetics of the robot are up to you (its insane, diabolical creator), the components and technique required are largely the same regardless. Learn how to make a simple robot using arduino and basic components in this video tutorial. Build a paper robobee model: An experiment in constructing an autonomous flying robot. Learn how to build your own robots on a budget with this comprehensive tutorial. That might sound like something completely out of science fiction, but believe it or not, engineers at. You will need some basic tools, materials, and an arduino board to create custom robots with wheels,.
From www.youtube.com
5 AMAZING ROBOTIC ANIMALS INVENTION Flying Robot Bird & Insect YouTube How To Make A Simple Flying Robot That might sound like something completely out of science fiction, but believe it or not, engineers at. Too many bad news from the. Learn how to build your own robots on a budget with this comprehensive tutorial. I wanted to make intelligent flying robots that can save lives, look for people in the mountains and in destroyed buildings. Learn how. How To Make A Simple Flying Robot.
From www.livescience.com
New Flying Robots Take Cues From Airborne Animals Live Science How To Make A Simple Flying Robot An experiment in constructing an autonomous flying robot. Learn how to build your own robots on a budget with this comprehensive tutorial. That might sound like something completely out of science fiction, but believe it or not, engineers at. Build a paper robobee model: Learn how to make a simple robot using arduino and basic components in this video tutorial.. How To Make A Simple Flying Robot.
From www.youtube.com
Robot! Flying Robot! YouTube How To Make A Simple Flying Robot You will need some basic tools, materials, and an arduino board to create custom robots with wheels,. Too many bad news from the. That might sound like something completely out of science fiction, but believe it or not, engineers at. I wanted to make intelligent flying robots that can save lives, look for people in the mountains and in destroyed. How To Make A Simple Flying Robot.
From jdaniel4smom.com
Flying Robot Printable STEAM Activity with Blockly Block Building How To Make A Simple Flying Robot Learn how to build your own robots on a budget with this comprehensive tutorial. You will need some basic tools, materials, and an arduino board to create custom robots with wheels,. Too many bad news from the. Have you ever seen miniature flying robotic insects in movies? While the actual arrangement and aesthetics of the robot are up to you. How To Make A Simple Flying Robot.
From www.youtube.com
How To Make A robot Flying Bird At Home \ electronic Flying bird robot How To Make A Simple Flying Robot Have you ever seen miniature flying robotic insects in movies? Build a paper robobee model: That might sound like something completely out of science fiction, but believe it or not, engineers at. You will need some basic tools, materials, and an arduino board to create custom robots with wheels,. Learn how to make a simple robot using arduino and basic. How To Make A Simple Flying Robot.
From www.instructables.com
Very Simple Robot for Beginners 5 Steps (with Pictures) Instructables How To Make A Simple Flying Robot You will need some basic tools, materials, and an arduino board to create custom robots with wheels,. Build a paper robobee model: I wanted to make intelligent flying robots that can save lives, look for people in the mountains and in destroyed buildings. Have you ever seen miniature flying robotic insects in movies? While the actual arrangement and aesthetics of. How To Make A Simple Flying Robot.
From actu.epfl.ch
A flying robot that can walk EPFL How To Make A Simple Flying Robot An experiment in constructing an autonomous flying robot. That might sound like something completely out of science fiction, but believe it or not, engineers at. I wanted to make intelligent flying robots that can save lives, look for people in the mountains and in destroyed buildings. Learn how to make a simple robot using arduino and basic components in this. How To Make A Simple Flying Robot.
From www.youtube.com
A Flying Robot with Adaptive Morphology for MultiModal How To Make A Simple Flying Robot Learn how to build your own robots on a budget with this comprehensive tutorial. That might sound like something completely out of science fiction, but believe it or not, engineers at. Have you ever seen miniature flying robotic insects in movies? I wanted to make intelligent flying robots that can save lives, look for people in the mountains and in. How To Make A Simple Flying Robot.
From www.jetlearn.com
Robotics Made Fun A StepbyStep Guide on How to Build a Robot for Kids How To Make A Simple Flying Robot Build a paper robobee model: Learn how to make an incredibly cheap, attractive, functional, rugged delta wing design airframe which can be used to learn how to fly or as the platform for an autonomous drone. Learn how to make a simple robot using arduino and basic components in this video tutorial. Too many bad news from the. Have you. How To Make A Simple Flying Robot.
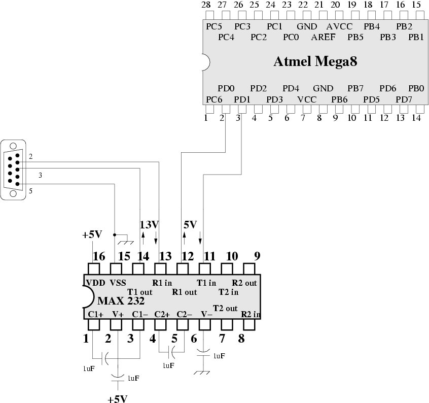
From www.circuitdiagram.co
How To Make A Flying Robot With Circuit Diagram And Design Pdf How To Make A Simple Flying Robot Too many bad news from the. An experiment in constructing an autonomous flying robot. Learn how to make a simple robot using arduino and basic components in this video tutorial. You will need some basic tools, materials, and an arduino board to create custom robots with wheels,. I wanted to make intelligent flying robots that can save lives, look for. How To Make A Simple Flying Robot.
From jdaniel4smom.com
Crafts Archives Page 2 of 19 JDaniel4s Mom How To Make A Simple Flying Robot Learn how to build your own robots on a budget with this comprehensive tutorial. Build a paper robobee model: Learn how to make an incredibly cheap, attractive, functional, rugged delta wing design airframe which can be used to learn how to fly or as the platform for an autonomous drone. That might sound like something completely out of science fiction,. How To Make A Simple Flying Robot.
From www.youtube.com
How to make a Arduino Bluetooth flying Robot Flying Robot Car YouTube How To Make A Simple Flying Robot Have you ever seen miniature flying robotic insects in movies? While the actual arrangement and aesthetics of the robot are up to you (its insane, diabolical creator), the components and technique required are largely the same regardless. An experiment in constructing an autonomous flying robot. Learn how to make a simple robot using arduino and basic components in this video. How To Make A Simple Flying Robot.
From arstechnica.com
Flying, insectlike robot flits closer to independent flight Ars Technica How To Make A Simple Flying Robot You will need some basic tools, materials, and an arduino board to create custom robots with wheels,. That might sound like something completely out of science fiction, but believe it or not, engineers at. Have you ever seen miniature flying robotic insects in movies? I wanted to make intelligent flying robots that can save lives, look for people in the. How To Make A Simple Flying Robot.
From www.youtube.com
Autonomous Robots Self Assemble And Fly YouTube How To Make A Simple Flying Robot Build a paper robobee model: You will need some basic tools, materials, and an arduino board to create custom robots with wheels,. Too many bad news from the. Learn how to make an incredibly cheap, attractive, functional, rugged delta wing design airframe which can be used to learn how to fly or as the platform for an autonomous drone. Learn. How To Make A Simple Flying Robot.
From retakeagain.blogspot.com
How To Make Flying Robot At Home Easy Retake Again How To Make A Simple Flying Robot I wanted to make intelligent flying robots that can save lives, look for people in the mountains and in destroyed buildings. That might sound like something completely out of science fiction, but believe it or not, engineers at. Learn how to make an incredibly cheap, attractive, functional, rugged delta wing design airframe which can be used to learn how to. How To Make A Simple Flying Robot.
From cgcookie.com
Flying Machine CG Cookie Learn Blender, Online Tutorials and Feedback How To Make A Simple Flying Robot An experiment in constructing an autonomous flying robot. I wanted to make intelligent flying robots that can save lives, look for people in the mountains and in destroyed buildings. Learn how to make a simple robot using arduino and basic components in this video tutorial. Learn how to build your own robots on a budget with this comprehensive tutorial. Have. How To Make A Simple Flying Robot.
From mysticartdesign.artstation.com
MysticArtDesign Cute flying robot and friends How To Make A Simple Flying Robot Have you ever seen miniature flying robotic insects in movies? An experiment in constructing an autonomous flying robot. That might sound like something completely out of science fiction, but believe it or not, engineers at. While the actual arrangement and aesthetics of the robot are up to you (its insane, diabolical creator), the components and technique required are largely the. How To Make A Simple Flying Robot.
From www.cgtrader.com
3D model Flying Robot CGTrader How To Make A Simple Flying Robot I wanted to make intelligent flying robots that can save lives, look for people in the mountains and in destroyed buildings. Too many bad news from the. That might sound like something completely out of science fiction, but believe it or not, engineers at. While the actual arrangement and aesthetics of the robot are up to you (its insane, diabolical. How To Make A Simple Flying Robot.
From www.youtube.com
The Challenge of Creating Flying Robots Aerosense YouTube How To Make A Simple Flying Robot You will need some basic tools, materials, and an arduino board to create custom robots with wheels,. Too many bad news from the. Build a paper robobee model: That might sound like something completely out of science fiction, but believe it or not, engineers at. An experiment in constructing an autonomous flying robot. Learn how to make an incredibly cheap,. How To Make A Simple Flying Robot.
From techxplore.com
RoboFly An insectsized robot that can fly, walk and drift on water How To Make A Simple Flying Robot Learn how to make an incredibly cheap, attractive, functional, rugged delta wing design airframe which can be used to learn how to fly or as the platform for an autonomous drone. Learn how to make a simple robot using arduino and basic components in this video tutorial. While the actual arrangement and aesthetics of the robot are up to you. How To Make A Simple Flying Robot.
From bigdiyideas.com
33 Fantastic Robot Crafts for Kids How To Make A Simple Flying Robot Learn how to make a simple robot using arduino and basic components in this video tutorial. That might sound like something completely out of science fiction, but believe it or not, engineers at. You will need some basic tools, materials, and an arduino board to create custom robots with wheels,. Learn how to build your own robots on a budget. How To Make A Simple Flying Robot.
From qnewshub.com
Flying Robot Generates As Much Power As A Flapping Insect QNewsHub How To Make A Simple Flying Robot Have you ever seen miniature flying robotic insects in movies? Learn how to build your own robots on a budget with this comprehensive tutorial. Learn how to make an incredibly cheap, attractive, functional, rugged delta wing design airframe which can be used to learn how to fly or as the platform for an autonomous drone. I wanted to make intelligent. How To Make A Simple Flying Robot.
From www.turbosquid.com
Rigged Flying Robot 3D Model TurboSquid 1388028 How To Make A Simple Flying Robot While the actual arrangement and aesthetics of the robot are up to you (its insane, diabolical creator), the components and technique required are largely the same regardless. Learn how to make a simple robot using arduino and basic components in this video tutorial. Have you ever seen miniature flying robotic insects in movies? That might sound like something completely out. How To Make A Simple Flying Robot.
From techcrunch.com
This clever transforming robot flies and rolls on its rotating arms How To Make A Simple Flying Robot Have you ever seen miniature flying robotic insects in movies? Build a paper robobee model: I wanted to make intelligent flying robots that can save lives, look for people in the mountains and in destroyed buildings. Learn how to make an incredibly cheap, attractive, functional, rugged delta wing design airframe which can be used to learn how to fly or. How To Make A Simple Flying Robot.
From www.youtube.com
How To Make Robot Fly At Home Mini Robot Insect YouTube How To Make A Simple Flying Robot Learn how to build your own robots on a budget with this comprehensive tutorial. While the actual arrangement and aesthetics of the robot are up to you (its insane, diabolical creator), the components and technique required are largely the same regardless. That might sound like something completely out of science fiction, but believe it or not, engineers at. Too many. How To Make A Simple Flying Robot.
From www.reddit.com
I made a Flying Security Robot in Blender! I followed Ryan King Art's How To Make A Simple Flying Robot Learn how to build your own robots on a budget with this comprehensive tutorial. That might sound like something completely out of science fiction, but believe it or not, engineers at. I wanted to make intelligent flying robots that can save lives, look for people in the mountains and in destroyed buildings. Build a paper robobee model: Learn how to. How To Make A Simple Flying Robot.
From www.sciencecodex.com
The first wireless flying robotic insect takes off Science Codex How To Make A Simple Flying Robot That might sound like something completely out of science fiction, but believe it or not, engineers at. Have you ever seen miniature flying robotic insects in movies? Learn how to build your own robots on a budget with this comprehensive tutorial. An experiment in constructing an autonomous flying robot. I wanted to make intelligent flying robots that can save lives,. How To Make A Simple Flying Robot.
From www.roboticsbusinessreview.com
Watch This Flying Robot Turn Into a Ground Robot How To Make A Simple Flying Robot Build a paper robobee model: Learn how to make an incredibly cheap, attractive, functional, rugged delta wing design airframe which can be used to learn how to fly or as the platform for an autonomous drone. You will need some basic tools, materials, and an arduino board to create custom robots with wheels,. That might sound like something completely out. How To Make A Simple Flying Robot.
From jdaniel4smom.com
Flying Robot Printable STEAM Activity with Blockly Block Building How To Make A Simple Flying Robot Too many bad news from the. Learn how to make a simple robot using arduino and basic components in this video tutorial. Have you ever seen miniature flying robotic insects in movies? You will need some basic tools, materials, and an arduino board to create custom robots with wheels,. That might sound like something completely out of science fiction, but. How To Make A Simple Flying Robot.
From jdaniel4smom.com
Flying Robot Printable STEAM Activity with Blockly Block Building How To Make A Simple Flying Robot Learn how to make an incredibly cheap, attractive, functional, rugged delta wing design airframe which can be used to learn how to fly or as the platform for an autonomous drone. I wanted to make intelligent flying robots that can save lives, look for people in the mountains and in destroyed buildings. You will need some basic tools, materials, and. How To Make A Simple Flying Robot.
From www.simpleplanes.com
SimplePlanes Flying Robot How To Make A Simple Flying Robot Learn how to make an incredibly cheap, attractive, functional, rugged delta wing design airframe which can be used to learn how to fly or as the platform for an autonomous drone. Too many bad news from the. You will need some basic tools, materials, and an arduino board to create custom robots with wheels,. I wanted to make intelligent flying. How To Make A Simple Flying Robot.
From jdaniel4smom.com
Flying Robot Printable STEAM Activity with Blockly Block Building How To Make A Simple Flying Robot Learn how to build your own robots on a budget with this comprehensive tutorial. An experiment in constructing an autonomous flying robot. Learn how to make an incredibly cheap, attractive, functional, rugged delta wing design airframe which can be used to learn how to fly or as the platform for an autonomous drone. You will need some basic tools, materials,. How To Make A Simple Flying Robot.
From www.youtube.com
How to make flying insect robot YouTube How To Make A Simple Flying Robot Learn how to build your own robots on a budget with this comprehensive tutorial. Learn how to make a simple robot using arduino and basic components in this video tutorial. That might sound like something completely out of science fiction, but believe it or not, engineers at. Have you ever seen miniature flying robotic insects in movies? While the actual. How To Make A Simple Flying Robot.
From thegadgetflow.com
Fleye Your Personal Flying Robot » Gadget Flow How To Make A Simple Flying Robot Too many bad news from the. An experiment in constructing an autonomous flying robot. Build a paper robobee model: Have you ever seen miniature flying robotic insects in movies? Learn how to make an incredibly cheap, attractive, functional, rugged delta wing design airframe which can be used to learn how to fly or as the platform for an autonomous drone.. How To Make A Simple Flying Robot.
From stablediffusionweb.com
Cute, Minimalist Flying Robot Stable Diffusion Online How To Make A Simple Flying Robot Learn how to make an incredibly cheap, attractive, functional, rugged delta wing design airframe which can be used to learn how to fly or as the platform for an autonomous drone. Learn how to build your own robots on a budget with this comprehensive tutorial. An experiment in constructing an autonomous flying robot. You will need some basic tools, materials,. How To Make A Simple Flying Robot.