Rf Power Amplifier Calculator . Rf is the radio frequency power amplifier.  pasternack's rf power conversion calculator allows you to convert rf input power and rf output power values from. These calculators help with unit conversions, vswr calculations,.  in short, rf amplifier calculators are essential for ensuring optimal performance of amplifiers.  rf power conversion calculator.  this calculator calculates the power added efficiency (pae) of an amplifier. Enter the input power, output power and the dc. This amplifier acts as the normal amplifier.  this calculator is designed to convert rf power in watts to decibels and vice versa.  a series of rf calculators for radio frequency engineers. To use this calculator, select the preferred units for the input and output.
        	
		 
	 
    
         
         
        from ncalculators.com 
     
        
         this calculator calculates the power added efficiency (pae) of an amplifier.  rf power conversion calculator. These calculators help with unit conversions, vswr calculations,.  a series of rf calculators for radio frequency engineers.  pasternack's rf power conversion calculator allows you to convert rf input power and rf output power values from.  this calculator is designed to convert rf power in watts to decibels and vice versa. To use this calculator, select the preferred units for the input and output.  in short, rf amplifier calculators are essential for ensuring optimal performance of amplifiers. Enter the input power, output power and the dc. This amplifier acts as the normal amplifier.
    
    	
		 
	 
    Instrumentation Amplifier Output Voltage Calculator 
    Rf Power Amplifier Calculator  Rf is the radio frequency power amplifier. Enter the input power, output power and the dc. To use this calculator, select the preferred units for the input and output.  this calculator calculates the power added efficiency (pae) of an amplifier.  rf power conversion calculator.  in short, rf amplifier calculators are essential for ensuring optimal performance of amplifiers. These calculators help with unit conversions, vswr calculations,.  this calculator is designed to convert rf power in watts to decibels and vice versa.  pasternack's rf power conversion calculator allows you to convert rf input power and rf output power values from. This amplifier acts as the normal amplifier.  a series of rf calculators for radio frequency engineers. Rf is the radio frequency power amplifier.
 
    
         
        From 3roam.com 
                    Car Amplifier Calculator Rf Power Amplifier Calculator  These calculators help with unit conversions, vswr calculations,.  pasternack's rf power conversion calculator allows you to convert rf input power and rf output power values from.  a series of rf calculators for radio frequency engineers.  in short, rf amplifier calculators are essential for ensuring optimal performance of amplifiers.  this calculator calculates the power added efficiency (pae). Rf Power Amplifier Calculator.
     
    
         
        From riset.guru 
                    How To Design Common Emitter Amplifier Forum For Electronics Riset Rf Power Amplifier Calculator   in short, rf amplifier calculators are essential for ensuring optimal performance of amplifiers.  a series of rf calculators for radio frequency engineers.  pasternack's rf power conversion calculator allows you to convert rf input power and rf output power values from. To use this calculator, select the preferred units for the input and output. Enter the input power,. Rf Power Amplifier Calculator.
     
    
         
        From www.5gtechnologyworld.com 
                    How to calculate RF power amplifier efficiency 5G Technology World Rf Power Amplifier Calculator  To use this calculator, select the preferred units for the input and output. Enter the input power, output power and the dc.  this calculator is designed to convert rf power in watts to decibels and vice versa.  this calculator calculates the power added efficiency (pae) of an amplifier. This amplifier acts as the normal amplifier. Rf is the. Rf Power Amplifier Calculator.
     
    
         
        From www.numerade.com 
                    SOLVED Q5[15pts] Figure 2 shows an Instrumentation amplifier with Rf Rf Power Amplifier Calculator   this calculator is designed to convert rf power in watts to decibels and vice versa. This amplifier acts as the normal amplifier. To use this calculator, select the preferred units for the input and output.  a series of rf calculators for radio frequency engineers. These calculators help with unit conversions, vswr calculations,. Enter the input power, output power. Rf Power Amplifier Calculator.
     
    
         
        From itecnotes.com 
                    Designing a commonemitter amplifier circuit Valuable Tech Notes Rf Power Amplifier Calculator  This amplifier acts as the normal amplifier.  rf power conversion calculator.  a series of rf calculators for radio frequency engineers. To use this calculator, select the preferred units for the input and output.  in short, rf amplifier calculators are essential for ensuring optimal performance of amplifiers. Rf is the radio frequency power amplifier.  this calculator calculates. Rf Power Amplifier Calculator.
     
    
         
        From all-audio.pro 
                    Differential amplifier op amp gain calculator Rf Power Amplifier Calculator   this calculator is designed to convert rf power in watts to decibels and vice versa. Rf is the radio frequency power amplifier.  in short, rf amplifier calculators are essential for ensuring optimal performance of amplifiers.  a series of rf calculators for radio frequency engineers. To use this calculator, select the preferred units for the input and output.. Rf Power Amplifier Calculator.
     
    
         
        From ncalculators.com 
                    Instrumentation Amplifier Output Voltage Calculator Rf Power Amplifier Calculator  To use this calculator, select the preferred units for the input and output.  in short, rf amplifier calculators are essential for ensuring optimal performance of amplifiers.  a series of rf calculators for radio frequency engineers. This amplifier acts as the normal amplifier.  this calculator calculates the power added efficiency (pae) of an amplifier.  rf power conversion. Rf Power Amplifier Calculator.
     
    
         
        From www.numerade.com 
                    SOLVED Q3 Operational Amplifiers (6 marks) For each of the Op Amp Rf Power Amplifier Calculator  These calculators help with unit conversions, vswr calculations,. Rf is the radio frequency power amplifier.  a series of rf calculators for radio frequency engineers.  this calculator is designed to convert rf power in watts to decibels and vice versa. Enter the input power, output power and the dc.  pasternack's rf power conversion calculator allows you to convert. Rf Power Amplifier Calculator.
     
    
         
        From maker.pro 
                    DIY Simple PCL82 Low Voltage (12V) Tube Amplifier Analog Maker Pro Rf Power Amplifier Calculator  To use this calculator, select the preferred units for the input and output.  this calculator is designed to convert rf power in watts to decibels and vice versa.  rf power conversion calculator. Rf is the radio frequency power amplifier. Enter the input power, output power and the dc. These calculators help with unit conversions, vswr calculations,.  pasternack's. Rf Power Amplifier Calculator.
     
    
         
        From www.pinterest.com 
                    Ham radio transceiver RF indicator circuit Basic Rf Power Amplifier Calculator  Rf is the radio frequency power amplifier. To use this calculator, select the preferred units for the input and output. Enter the input power, output power and the dc.  this calculator is designed to convert rf power in watts to decibels and vice versa.  this calculator calculates the power added efficiency (pae) of an amplifier. This amplifier acts. Rf Power Amplifier Calculator.
     
    
         
        From electronica.guru 
                    Diseñe un circuito de tanque para amplificador de potencia de clase C Rf Power Amplifier Calculator   rf power conversion calculator.  this calculator is designed to convert rf power in watts to decibels and vice versa. This amplifier acts as the normal amplifier.  a series of rf calculators for radio frequency engineers.  pasternack's rf power conversion calculator allows you to convert rf input power and rf output power values from. These calculators help. Rf Power Amplifier Calculator.
     
    
         
        From www.chegg.com 
                    Solved calculate the value of RF for subtractor amplifier if Rf Power Amplifier Calculator   this calculator is designed to convert rf power in watts to decibels and vice versa. Enter the input power, output power and the dc. These calculators help with unit conversions, vswr calculations,. To use this calculator, select the preferred units for the input and output.  this calculator calculates the power added efficiency (pae) of an amplifier.  in. Rf Power Amplifier Calculator.
     
    
         
        From www.youtube.com 
                    For the op amp circuit in Fig. calculate the output voltage vo Rf Power Amplifier Calculator   this calculator is designed to convert rf power in watts to decibels and vice versa.  a series of rf calculators for radio frequency engineers.  rf power conversion calculator.  pasternack's rf power conversion calculator allows you to convert rf input power and rf output power values from. Rf is the radio frequency power amplifier. These calculators help. Rf Power Amplifier Calculator.
     
    
         
        From all-audio.pro 
                    Organic differential amplifier calculator Rf Power Amplifier Calculator  These calculators help with unit conversions, vswr calculations,.  a series of rf calculators for radio frequency engineers. To use this calculator, select the preferred units for the input and output.  in short, rf amplifier calculators are essential for ensuring optimal performance of amplifiers.  rf power conversion calculator. Enter the input power, output power and the dc. This. Rf Power Amplifier Calculator.
     
    
         
        From www.mdpi.com 
                    Electronics Free FullText Linearization as a Solution for Power Rf Power Amplifier Calculator  This amplifier acts as the normal amplifier.  this calculator is designed to convert rf power in watts to decibels and vice versa. To use this calculator, select the preferred units for the input and output.  a series of rf calculators for radio frequency engineers.  in short, rf amplifier calculators are essential for ensuring optimal performance of amplifiers.. Rf Power Amplifier Calculator.
     
    
         
        From www.ee-diary.com 
                    BJT Amplifier Design Online Calculator eediary Rf Power Amplifier Calculator  To use this calculator, select the preferred units for the input and output.  this calculator is designed to convert rf power in watts to decibels and vice versa. Rf is the radio frequency power amplifier. This amplifier acts as the normal amplifier.  in short, rf amplifier calculators are essential for ensuring optimal performance of amplifiers.  pasternack's rf. Rf Power Amplifier Calculator.
     
    
         
        From in.element14.com 
                    OpAmp Voltage and Gain Calculator element14 India Rf Power Amplifier Calculator  To use this calculator, select the preferred units for the input and output.  this calculator is designed to convert rf power in watts to decibels and vice versa.  in short, rf amplifier calculators are essential for ensuring optimal performance of amplifiers.  this calculator calculates the power added efficiency (pae) of an amplifier.  pasternack's rf power conversion. Rf Power Amplifier Calculator.
     
    
         
        From www.5gtechnologyworld.com 
                    How to calculate RF power amplifier efficiency 5G Technology World Rf Power Amplifier Calculator  These calculators help with unit conversions, vswr calculations,. To use this calculator, select the preferred units for the input and output.  in short, rf amplifier calculators are essential for ensuring optimal performance of amplifiers. This amplifier acts as the normal amplifier.  pasternack's rf power conversion calculator allows you to convert rf input power and rf output power values. Rf Power Amplifier Calculator.
     
    
         
        From wiringpartvalverde.z4.web.core.windows.net 
                    Explain Inverting And Non Inverting Amplifier Rf Power Amplifier Calculator   pasternack's rf power conversion calculator allows you to convert rf input power and rf output power values from. This amplifier acts as the normal amplifier.  this calculator is designed to convert rf power in watts to decibels and vice versa.  in short, rf amplifier calculators are essential for ensuring optimal performance of amplifiers.  rf power conversion. Rf Power Amplifier Calculator.
     
    
         
        From www.chegg.com 
                    Solved For the following Class A amplifier, calculate a) Rf Power Amplifier Calculator  To use this calculator, select the preferred units for the input and output.  rf power conversion calculator.  pasternack's rf power conversion calculator allows you to convert rf input power and rf output power values from. Rf is the radio frequency power amplifier. This amplifier acts as the normal amplifier. These calculators help with unit conversions, vswr calculations,. . Rf Power Amplifier Calculator.
     
    
         
        From handsonrf.com 
                    RF Circuits Impedance Matching Basics Handson RF Rf Power Amplifier Calculator   pasternack's rf power conversion calculator allows you to convert rf input power and rf output power values from.  in short, rf amplifier calculators are essential for ensuring optimal performance of amplifiers. Rf is the radio frequency power amplifier.  this calculator calculates the power added efficiency (pae) of an amplifier. This amplifier acts as the normal amplifier. . Rf Power Amplifier Calculator.
     
    
         
        From www.chegg.com 
                    Solved (a) For the common emitter amplifier below, calculate Rf Power Amplifier Calculator   rf power conversion calculator. Enter the input power, output power and the dc. To use this calculator, select the preferred units for the input and output. This amplifier acts as the normal amplifier.  a series of rf calculators for radio frequency engineers. Rf is the radio frequency power amplifier.  this calculator is designed to convert rf power. Rf Power Amplifier Calculator.
     
    
         
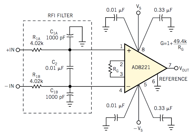
        From www.edn.com 
                    Input filter prevents instrumentationamp RFrectification errors EDN Rf Power Amplifier Calculator  Rf is the radio frequency power amplifier.  this calculator is designed to convert rf power in watts to decibels and vice versa. To use this calculator, select the preferred units for the input and output.  pasternack's rf power conversion calculator allows you to convert rf input power and rf output power values from.  rf power conversion calculator.. Rf Power Amplifier Calculator.
     
    
         
        From sketchfab.com 
                    How to Calculate RF Power Amplifier Efficiency? 3D model by 5G TECH Rf Power Amplifier Calculator   in short, rf amplifier calculators are essential for ensuring optimal performance of amplifiers. These calculators help with unit conversions, vswr calculations,.  pasternack's rf power conversion calculator allows you to convert rf input power and rf output power values from. Rf is the radio frequency power amplifier.  rf power conversion calculator. Enter the input power, output power and. Rf Power Amplifier Calculator.
     
    
         
        From tv-schema.blogspot.com 
                    Rf Amplifier Design Tutorial Tv Schematics Rf Power Amplifier Calculator   in short, rf amplifier calculators are essential for ensuring optimal performance of amplifiers. Rf is the radio frequency power amplifier.  rf power conversion calculator. These calculators help with unit conversions, vswr calculations,. This amplifier acts as the normal amplifier.  this calculator is designed to convert rf power in watts to decibels and vice versa. To use this. Rf Power Amplifier Calculator.
     
    
         
        From rosshudson.co.uk 
                    Homebrew 20m QRP CW Transceiver (Part 1) Rf Power Amplifier Calculator   in short, rf amplifier calculators are essential for ensuring optimal performance of amplifiers. Enter the input power, output power and the dc.  a series of rf calculators for radio frequency engineers.  this calculator is designed to convert rf power in watts to decibels and vice versa. These calculators help with unit conversions, vswr calculations,. To use this. Rf Power Amplifier Calculator.
     
    
         
        From owenduffy.net 
                    Comparing RF Power Amplifier Tube Performance Computer and Calculate Rf Power Amplifier Calculator  Rf is the radio frequency power amplifier. Enter the input power, output power and the dc.  this calculator calculates the power added efficiency (pae) of an amplifier. This amplifier acts as the normal amplifier.  in short, rf amplifier calculators are essential for ensuring optimal performance of amplifiers.  a series of rf calculators for radio frequency engineers. . Rf Power Amplifier Calculator.
     
    
         
        From www.doubtrix.com 
                    For the given amplifier 1. Determine the value of RF required for a c Rf Power Amplifier Calculator   in short, rf amplifier calculators are essential for ensuring optimal performance of amplifiers.  this calculator calculates the power added efficiency (pae) of an amplifier. This amplifier acts as the normal amplifier.  pasternack's rf power conversion calculator allows you to convert rf input power and rf output power values from. These calculators help with unit conversions, vswr calculations,.. Rf Power Amplifier Calculator.
     
    
         
        From www.classeradio.com 
                    Class E Transmitters RF Amplifier Output Circuit Values Rf Power Amplifier Calculator  Rf is the radio frequency power amplifier. Enter the input power, output power and the dc.  in short, rf amplifier calculators are essential for ensuring optimal performance of amplifiers.  rf power conversion calculator.  this calculator calculates the power added efficiency (pae) of an amplifier. To use this calculator, select the preferred units for the input and output.. Rf Power Amplifier Calculator.
     
    
         
        From www.circuitlab.com 
                    Calculate input and output impedance of inverting amplifier (opamp Rf Power Amplifier Calculator   in short, rf amplifier calculators are essential for ensuring optimal performance of amplifiers. Rf is the radio frequency power amplifier.  this calculator calculates the power added efficiency (pae) of an amplifier.  a series of rf calculators for radio frequency engineers.  rf power conversion calculator. This amplifier acts as the normal amplifier. These calculators help with unit. Rf Power Amplifier Calculator.
     
    
         
        From www.numerade.com 
                    SOLVED 9. For the following amplifier,identify the type of amplifier Rf Power Amplifier Calculator  These calculators help with unit conversions, vswr calculations,. This amplifier acts as the normal amplifier.  this calculator is designed to convert rf power in watts to decibels and vice versa. To use this calculator, select the preferred units for the input and output.  in short, rf amplifier calculators are essential for ensuring optimal performance of amplifiers.  this. Rf Power Amplifier Calculator.
     
    
         
        From www.allaboutcircuits.com 
                    Amplifier Gain Amplifiers and Active Devices Electronics Textbook Rf Power Amplifier Calculator   pasternack's rf power conversion calculator allows you to convert rf input power and rf output power values from.  this calculator calculates the power added efficiency (pae) of an amplifier.  this calculator is designed to convert rf power in watts to decibels and vice versa. Rf is the radio frequency power amplifier.  a series of rf calculators. Rf Power Amplifier Calculator.
     
    
         
        From 3roam.com 
                    Subwoofer Amplifier Calculator (with Practical Examples) Rf Power Amplifier Calculator   rf power conversion calculator.  this calculator is designed to convert rf power in watts to decibels and vice versa. These calculators help with unit conversions, vswr calculations,. Rf is the radio frequency power amplifier. Enter the input power, output power and the dc. To use this calculator, select the preferred units for the input and output.  this. Rf Power Amplifier Calculator.
     
    
         
        From community.element14.com 
                    ANP101 RF Gain Block Amplifier with Integrated Ferrite Bead for Rf Power Amplifier Calculator   this calculator is designed to convert rf power in watts to decibels and vice versa. To use this calculator, select the preferred units for the input and output. These calculators help with unit conversions, vswr calculations,. Enter the input power, output power and the dc. This amplifier acts as the normal amplifier. Rf is the radio frequency power amplifier.. Rf Power Amplifier Calculator.
     
    
         
        From www.rfamplifiers.it 
                    RF Amplifiers Rf Power Amplifier Calculator  To use this calculator, select the preferred units for the input and output. These calculators help with unit conversions, vswr calculations,. Rf is the radio frequency power amplifier.  this calculator is designed to convert rf power in watts to decibels and vice versa.  in short, rf amplifier calculators are essential for ensuring optimal performance of amplifiers.  a. Rf Power Amplifier Calculator.