L200 Heater Control Valve Location . If no heater valve and heat distribution is controlled by flap , got to check. I have a mitsubishi l200 (2003) and the cab heater will not switch off, it just constantly pumps out heat even with the fan off. Then if it has a heater control valve , check it is opening. I would think this is mechanical or. View and download mitsubishi l200 owner's manual online. L200 automobile pdf manual download. The heater blows warm air to the passenger side of the vehicle and cold air to the drivers side. We have 13 problems and solutions in our database for this model year of. There is a level door (def, panel/face/ floor etc) and the mode control blend, and the air recirculation damper door. Am car parts is the uk's most trusted place for mitsubishi l200 (k3_t, k2_t, k1_t, k0_t) heater control valves spare parts. More problems with the 2015 model year mitsubishi l200.
from www.ausautoparts.com.au
View and download mitsubishi l200 owner's manual online. We have 13 problems and solutions in our database for this model year of. Then if it has a heater control valve , check it is opening. I have a mitsubishi l200 (2003) and the cab heater will not switch off, it just constantly pumps out heat even with the fan off. More problems with the 2015 model year mitsubishi l200. I would think this is mechanical or. Am car parts is the uk's most trusted place for mitsubishi l200 (k3_t, k2_t, k1_t, k0_t) heater control valves spare parts. The heater blows warm air to the passenger side of the vehicle and cold air to the drivers side. If no heater valve and heat distribution is controlled by flap , got to check. L200 automobile pdf manual download.
Result Heater/aircon Controls for Mitsubishi TritonAus Auto Parts(1011)
L200 Heater Control Valve Location There is a level door (def, panel/face/ floor etc) and the mode control blend, and the air recirculation damper door. If no heater valve and heat distribution is controlled by flap , got to check. We have 13 problems and solutions in our database for this model year of. There is a level door (def, panel/face/ floor etc) and the mode control blend, and the air recirculation damper door. View and download mitsubishi l200 owner's manual online. Then if it has a heater control valve , check it is opening. I would think this is mechanical or. More problems with the 2015 model year mitsubishi l200. Am car parts is the uk's most trusted place for mitsubishi l200 (k3_t, k2_t, k1_t, k0_t) heater control valves spare parts. L200 automobile pdf manual download. I have a mitsubishi l200 (2003) and the cab heater will not switch off, it just constantly pumps out heat even with the fan off. The heater blows warm air to the passenger side of the vehicle and cold air to the drivers side.
From www.alibaba.com
Heater Core For Mitsubishi L200 K74t 4d56 K64t K86w 6g72 K94w 4d56 K96w L200 Heater Control Valve Location More problems with the 2015 model year mitsubishi l200. The heater blows warm air to the passenger side of the vehicle and cold air to the drivers side. I have a mitsubishi l200 (2003) and the cab heater will not switch off, it just constantly pumps out heat even with the fan off. There is a level door (def, panel/face/. L200 Heater Control Valve Location.
From www.pinterest.com
Pressure Pump Suction Control Valve SCV 2942000360 for Nissan Navara L200 Heater Control Valve Location View and download mitsubishi l200 owner's manual online. Then if it has a heater control valve , check it is opening. If no heater valve and heat distribution is controlled by flap , got to check. There is a level door (def, panel/face/ floor etc) and the mode control blend, and the air recirculation damper door. Am car parts is. L200 Heater Control Valve Location.
From www.youtube.com
P0089 suction control valve stuck / mitsubishi triton lost power YouTube L200 Heater Control Valve Location More problems with the 2015 model year mitsubishi l200. The heater blows warm air to the passenger side of the vehicle and cold air to the drivers side. View and download mitsubishi l200 owner's manual online. Am car parts is the uk's most trusted place for mitsubishi l200 (k3_t, k2_t, k1_t, k0_t) heater control valves spare parts. L200 automobile pdf. L200 Heater Control Valve Location.
From en.tongshirad.com
For MITSUBISHI L200 2006+HEATER OEM MN123461TONGSHI L200 Heater Control Valve Location More problems with the 2015 model year mitsubishi l200. View and download mitsubishi l200 owner's manual online. We have 13 problems and solutions in our database for this model year of. I have a mitsubishi l200 (2003) and the cab heater will not switch off, it just constantly pumps out heat even with the fan off. If no heater valve. L200 Heater Control Valve Location.
From www.amazon.ca
Suction Control Valve SCV 2942000360 Replacement For Mitsubishi L200 L200 Heater Control Valve Location Am car parts is the uk's most trusted place for mitsubishi l200 (k3_t, k2_t, k1_t, k0_t) heater control valves spare parts. Then if it has a heater control valve , check it is opening. I would think this is mechanical or. The heater blows warm air to the passenger side of the vehicle and cold air to the drivers side.. L200 Heater Control Valve Location.
From www.justanswer.com
Mitsubishi L200 Overdrive Solenoid Location Q&A on Transmission and L200 Heater Control Valve Location Then if it has a heater control valve , check it is opening. I would think this is mechanical or. There is a level door (def, panel/face/ floor etc) and the mode control blend, and the air recirculation damper door. We have 13 problems and solutions in our database for this model year of. L200 automobile pdf manual download. More. L200 Heater Control Valve Location.
From schematictimbres.z21.web.core.windows.net
Replace Blend Door Actuator 2005 Silverado L200 Heater Control Valve Location There is a level door (def, panel/face/ floor etc) and the mode control blend, and the air recirculation damper door. We have 13 problems and solutions in our database for this model year of. The heater blows warm air to the passenger side of the vehicle and cold air to the drivers side. If no heater valve and heat distribution. L200 Heater Control Valve Location.
From www.megazip.net
Heater control for 1996 2004 Mitsubishi L200/TRITON/SPORTERO/STRADA L200 Heater Control Valve Location I would think this is mechanical or. The heater blows warm air to the passenger side of the vehicle and cold air to the drivers side. I have a mitsubishi l200 (2003) and the cab heater will not switch off, it just constantly pumps out heat even with the fan off. Am car parts is the uk's most trusted place. L200 Heater Control Valve Location.
From zinref.ru
Mitsubishi L200. Manual part 865 L200 Heater Control Valve Location The heater blows warm air to the passenger side of the vehicle and cold air to the drivers side. I would think this is mechanical or. If no heater valve and heat distribution is controlled by flap , got to check. I have a mitsubishi l200 (2003) and the cab heater will not switch off, it just constantly pumps out. L200 Heater Control Valve Location.
From www.therangerstation.com
Ford Idle Air Control IAC Clean Replace The Ranger Station L200 Heater Control Valve Location Am car parts is the uk's most trusted place for mitsubishi l200 (k3_t, k2_t, k1_t, k0_t) heater control valves spare parts. We have 13 problems and solutions in our database for this model year of. I would think this is mechanical or. Then if it has a heater control valve , check it is opening. L200 automobile pdf manual download.. L200 Heater Control Valve Location.
From www.ebay.com
MITSUBISHI L200 Heater Matrix 06> 7801A382 eBay L200 Heater Control Valve Location I would think this is mechanical or. More problems with the 2015 model year mitsubishi l200. If no heater valve and heat distribution is controlled by flap , got to check. Then if it has a heater control valve , check it is opening. We have 13 problems and solutions in our database for this model year of. Am car. L200 Heater Control Valve Location.
From www.megazip.net
Heater unit & piping for 2009 Mitsubishi L200/TRITON/SPORTERO/STRADA L200 Heater Control Valve Location The heater blows warm air to the passenger side of the vehicle and cold air to the drivers side. Am car parts is the uk's most trusted place for mitsubishi l200 (k3_t, k2_t, k1_t, k0_t) heater control valves spare parts. If no heater valve and heat distribution is controlled by flap , got to check. I have a mitsubishi l200. L200 Heater Control Valve Location.
From www.pinterest.com
Diagram Of Saturn Engine Saturn, Ac wiring, Engineering L200 Heater Control Valve Location Then if it has a heater control valve , check it is opening. The heater blows warm air to the passenger side of the vehicle and cold air to the drivers side. I have a mitsubishi l200 (2003) and the cab heater will not switch off, it just constantly pumps out heat even with the fan off. If no heater. L200 Heater Control Valve Location.
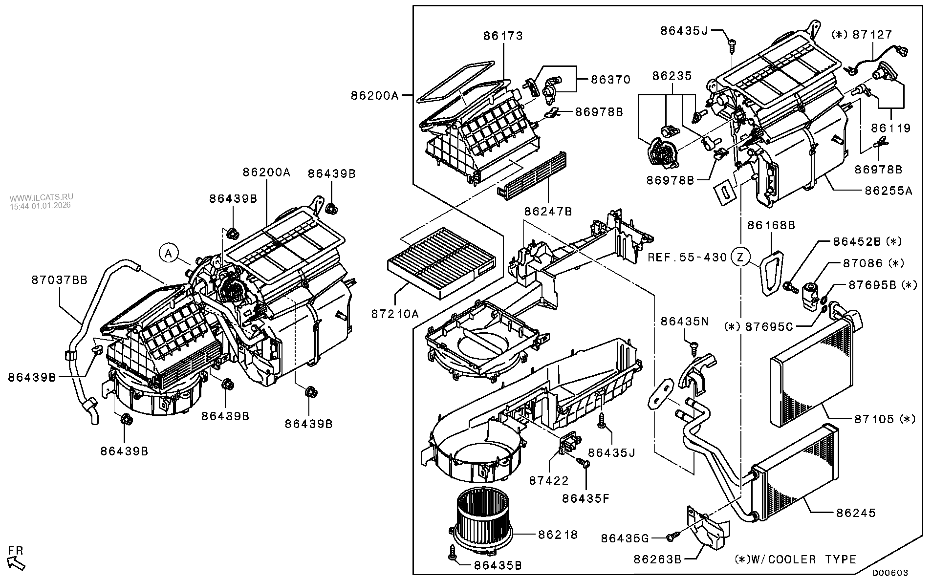
From www.ilcats.ru
HEATER UNIT & PIPING MITSUBISHI L200,TRITON,STRADA(G.EXP/MMTH)&(C80CC008D) L200 Heater Control Valve Location I would think this is mechanical or. There is a level door (def, panel/face/ floor etc) and the mode control blend, and the air recirculation damper door. We have 13 problems and solutions in our database for this model year of. Am car parts is the uk's most trusted place for mitsubishi l200 (k3_t, k2_t, k1_t, k0_t) heater control valves. L200 Heater Control Valve Location.
From www.justanswer.com
Q&A 2001 Saturn SL2 Engine, Radiator, and Cooling System Diagram L200 Heater Control Valve Location More problems with the 2015 model year mitsubishi l200. L200 automobile pdf manual download. I have a mitsubishi l200 (2003) and the cab heater will not switch off, it just constantly pumps out heat even with the fan off. If no heater valve and heat distribution is controlled by flap , got to check. We have 13 problems and solutions. L200 Heater Control Valve Location.
From partsouq.com
Electrical Mitsubishi L200,TRITON,STRADA General (EXPORT) KJ3T L200 Heater Control Valve Location Am car parts is the uk's most trusted place for mitsubishi l200 (k3_t, k2_t, k1_t, k0_t) heater control valves spare parts. L200 automobile pdf manual download. There is a level door (def, panel/face/ floor etc) and the mode control blend, and the air recirculation damper door. I have a mitsubishi l200 (2003) and the cab heater will not switch off,. L200 Heater Control Valve Location.
From www.justanswer.com
Q&A Replacing Condenser in 2003 Saturn L200 Expert Advice L200 Heater Control Valve Location The heater blows warm air to the passenger side of the vehicle and cold air to the drivers side. If no heater valve and heat distribution is controlled by flap , got to check. View and download mitsubishi l200 owner's manual online. I have a mitsubishi l200 (2003) and the cab heater will not switch off, it just constantly pumps. L200 Heater Control Valve Location.
From www.megazip.net
Heater control for 2008 2009 Mitsubishi L200/TRITON/SPORTERO/STRADA L200 Heater Control Valve Location If no heater valve and heat distribution is controlled by flap , got to check. L200 automobile pdf manual download. Then if it has a heater control valve , check it is opening. More problems with the 2015 model year mitsubishi l200. Am car parts is the uk's most trusted place for mitsubishi l200 (k3_t, k2_t, k1_t, k0_t) heater control. L200 Heater Control Valve Location.
From www.2carpros.com
Location of the A/C Heater Blend Door Actuator? L200 Heater Control Valve Location Then if it has a heater control valve , check it is opening. There is a level door (def, panel/face/ floor etc) and the mode control blend, and the air recirculation damper door. View and download mitsubishi l200 owner's manual online. The heater blows warm air to the passenger side of the vehicle and cold air to the drivers side.. L200 Heater Control Valve Location.
From www.nissan-navara.net
Changed Suction Control Valve (D40) (with pics) L200 Heater Control Valve Location More problems with the 2015 model year mitsubishi l200. If no heater valve and heat distribution is controlled by flap , got to check. I would think this is mechanical or. The heater blows warm air to the passenger side of the vehicle and cold air to the drivers side. I have a mitsubishi l200 (2003) and the cab heater. L200 Heater Control Valve Location.
From www.ebay.co.uk
FUEL HEATER CONTROL UNIT MITSUBISHI L200 K34T 2.5TD eBay L200 Heater Control Valve Location If no heater valve and heat distribution is controlled by flap , got to check. The heater blows warm air to the passenger side of the vehicle and cold air to the drivers side. I have a mitsubishi l200 (2003) and the cab heater will not switch off, it just constantly pumps out heat even with the fan off. Am. L200 Heater Control Valve Location.
From www.justanswer.com
Mitsubishi Triton Q&A Dashboard Symbols, Heater Not Working, Parts Diagram L200 Heater Control Valve Location L200 automobile pdf manual download. If no heater valve and heat distribution is controlled by flap , got to check. We have 13 problems and solutions in our database for this model year of. I would think this is mechanical or. There is a level door (def, panel/face/ floor etc) and the mode control blend, and the air recirculation damper. L200 Heater Control Valve Location.
From www.megazip.net
Heater control for 1986 1994 Mitsubishi L200/TRITON/SPORTERO/STRADA L200 Heater Control Valve Location The heater blows warm air to the passenger side of the vehicle and cold air to the drivers side. More problems with the 2015 model year mitsubishi l200. L200 automobile pdf manual download. Am car parts is the uk's most trusted place for mitsubishi l200 (k3_t, k2_t, k1_t, k0_t) heater control valves spare parts. Then if it has a heater. L200 Heater Control Valve Location.
From www.youtube.com
Heater Matrix Removal with dash in place YouTube L200 Heater Control Valve Location Then if it has a heater control valve , check it is opening. Am car parts is the uk's most trusted place for mitsubishi l200 (k3_t, k2_t, k1_t, k0_t) heater control valves spare parts. More problems with the 2015 model year mitsubishi l200. The heater blows warm air to the passenger side of the vehicle and cold air to the. L200 Heater Control Valve Location.
From howcarspecs.blogspot.com
L200 Dash Removal How Car Specs L200 Heater Control Valve Location I would think this is mechanical or. The heater blows warm air to the passenger side of the vehicle and cold air to the drivers side. We have 13 problems and solutions in our database for this model year of. If no heater valve and heat distribution is controlled by flap , got to check. Am car parts is the. L200 Heater Control Valve Location.
From www.megazip.net
Emission control for 1999 2007 Mitsubishi L200/TRITON/SPORTERO/STRADA L200 Heater Control Valve Location Am car parts is the uk's most trusted place for mitsubishi l200 (k3_t, k2_t, k1_t, k0_t) heater control valves spare parts. I have a mitsubishi l200 (2003) and the cab heater will not switch off, it just constantly pumps out heat even with the fan off. There is a level door (def, panel/face/ floor etc) and the mode control blend,. L200 Heater Control Valve Location.
From www.ausautoparts.com.au
Result Heater/aircon Controls for Mitsubishi TritonAus Auto Parts(1011) L200 Heater Control Valve Location I have a mitsubishi l200 (2003) and the cab heater will not switch off, it just constantly pumps out heat even with the fan off. There is a level door (def, panel/face/ floor etc) and the mode control blend, and the air recirculation damper door. I would think this is mechanical or. If no heater valve and heat distribution is. L200 Heater Control Valve Location.
From zinref.ru
Mitsubishi L200. Manual part 863 L200 Heater Control Valve Location There is a level door (def, panel/face/ floor etc) and the mode control blend, and the air recirculation damper door. More problems with the 2015 model year mitsubishi l200. We have 13 problems and solutions in our database for this model year of. I would think this is mechanical or. L200 automobile pdf manual download. I have a mitsubishi l200. L200 Heater Control Valve Location.
From www.pinterest.com
Freewheel Clutch Control Solenoid Valve MB620532 MR430381 MB937731 For L200 Heater Control Valve Location We have 13 problems and solutions in our database for this model year of. L200 automobile pdf manual download. I would think this is mechanical or. Then if it has a heater control valve , check it is opening. I have a mitsubishi l200 (2003) and the cab heater will not switch off, it just constantly pumps out heat even. L200 Heater Control Valve Location.
From www.megazip.net
Heater unit & piping for Mitsubishi L200/TRITON/SPORTERO/STRADA K26T L200 Heater Control Valve Location Am car parts is the uk's most trusted place for mitsubishi l200 (k3_t, k2_t, k1_t, k0_t) heater control valves spare parts. View and download mitsubishi l200 owner's manual online. I would think this is mechanical or. Then if it has a heater control valve , check it is opening. L200 automobile pdf manual download. I have a mitsubishi l200 (2003). L200 Heater Control Valve Location.
From workshopfeierabend101.z19.web.core.windows.net
2000 Gmc Sierra Heater Control Valve Location L200 Heater Control Valve Location Then if it has a heater control valve , check it is opening. The heater blows warm air to the passenger side of the vehicle and cold air to the drivers side. We have 13 problems and solutions in our database for this model year of. View and download mitsubishi l200 owner's manual online. I have a mitsubishi l200 (2003). L200 Heater Control Valve Location.
From zinref.ru
Mitsubishi L200. Manual part 864 L200 Heater Control Valve Location If no heater valve and heat distribution is controlled by flap , got to check. The heater blows warm air to the passenger side of the vehicle and cold air to the drivers side. L200 automobile pdf manual download. I would think this is mechanical or. View and download mitsubishi l200 owner's manual online. I have a mitsubishi l200 (2003). L200 Heater Control Valve Location.
From www.chrispinscarspares.co.uk
Mitsubishi L200 Heater Blower Motor & Resistor 2.4DID 2018 7802A310 L200 Heater Control Valve Location If no heater valve and heat distribution is controlled by flap , got to check. I have a mitsubishi l200 (2003) and the cab heater will not switch off, it just constantly pumps out heat even with the fan off. I would think this is mechanical or. There is a level door (def, panel/face/ floor etc) and the mode control. L200 Heater Control Valve Location.
From www.ebay.com.au
OE 2942002760 Suction Control Valve For Mitsubishi L200 Triton 2.5 L200 Heater Control Valve Location I have a mitsubishi l200 (2003) and the cab heater will not switch off, it just constantly pumps out heat even with the fan off. Am car parts is the uk's most trusted place for mitsubishi l200 (k3_t, k2_t, k1_t, k0_t) heater control valves spare parts. If no heater valve and heat distribution is controlled by flap , got to. L200 Heater Control Valve Location.
From www.autozone.com
Repair Guides Vacuum Diagrams Vacuum Diagrams L200 Heater Control Valve Location I would think this is mechanical or. The heater blows warm air to the passenger side of the vehicle and cold air to the drivers side. If no heater valve and heat distribution is controlled by flap , got to check. Am car parts is the uk's most trusted place for mitsubishi l200 (k3_t, k2_t, k1_t, k0_t) heater control valves. L200 Heater Control Valve Location.