Laney Lc15 Vs Blues Junior . But everytime i play a blues junior i really like it. i'm looking at possibly picking up the laney, but i already have a blues jr. anyone use one of these? guitar is a prs mira s2 and the sound is being picked up by the camera's inbuilt microphone. Has anyone owned both or played both. fender blues junior vs laney lc15r fender blues junior vs laney lc15r by sananeulan september 5, 2007 in amps. best blues amps: Compact and packed with classic fender tones, the fender blues. the bottom line is that this amp is a good buy @ the price, when you compare it to say the fender blues junior. It has a celestion speaker, which i hear is one of the best going. i have boutique amps. I see there are 4 different versions? I have tried to get.
from www.richtonemusic.co.uk
Compact and packed with classic fender tones, the fender blues. Has anyone owned both or played both. fender blues junior vs laney lc15r fender blues junior vs laney lc15r by sananeulan september 5, 2007 in amps. the bottom line is that this amp is a good buy @ the price, when you compare it to say the fender blues junior. best blues amps: i have boutique amps. I have tried to get. anyone use one of these? i'm looking at possibly picking up the laney, but i already have a blues jr. But everytime i play a blues junior i really like it.
Laney LC15 Valve Combo Amplifier 2nd Hand **COLLECTION ONLY** Rich
Laney Lc15 Vs Blues Junior It has a celestion speaker, which i hear is one of the best going. i'm looking at possibly picking up the laney, but i already have a blues jr. But everytime i play a blues junior i really like it. the bottom line is that this amp is a good buy @ the price, when you compare it to say the fender blues junior. guitar is a prs mira s2 and the sound is being picked up by the camera's inbuilt microphone. It has a celestion speaker, which i hear is one of the best going. i have boutique amps. best blues amps: I have tried to get. Compact and packed with classic fender tones, the fender blues. Has anyone owned both or played both. anyone use one of these? fender blues junior vs laney lc15r fender blues junior vs laney lc15r by sananeulan september 5, 2007 in amps. I see there are 4 different versions?
From leshop-lyon.fr
Laney LC15 Occasion Laney Lc15 Vs Blues Junior Has anyone owned both or played both. the bottom line is that this amp is a good buy @ the price, when you compare it to say the fender blues junior. best blues amps: anyone use one of these? It has a celestion speaker, which i hear is one of the best going. I see there are. Laney Lc15 Vs Blues Junior.
From www.musikhaus-korn.de
Laney LC15 R Gitarrenverstärker Musikhaus Laney Lc15 Vs Blues Junior But everytime i play a blues junior i really like it. I see there are 4 different versions? anyone use one of these? best blues amps: the bottom line is that this amp is a good buy @ the price, when you compare it to say the fender blues junior. guitar is a prs mira s2. Laney Lc15 Vs Blues Junior.
From www.richtonemusic.co.uk
Laney LC15 Valve Combo Amplifier 2nd Hand **COLLECTION ONLY** Rich Laney Lc15 Vs Blues Junior I see there are 4 different versions? Has anyone owned both or played both. anyone use one of these? the bottom line is that this amp is a good buy @ the price, when you compare it to say the fender blues junior. fender blues junior vs laney lc15r fender blues junior vs laney lc15r by sananeulan. Laney Lc15 Vs Blues Junior.
From en.audiofanzine.com
Laney LC15110 image (1707123) Audiofanzine Laney Lc15 Vs Blues Junior I see there are 4 different versions? Has anyone owned both or played both. i have boutique amps. Compact and packed with classic fender tones, the fender blues. But everytime i play a blues junior i really like it. It has a celestion speaker, which i hear is one of the best going. fender blues junior vs laney. Laney Lc15 Vs Blues Junior.
From www.youtube.com
laney lc15 YouTube Laney Lc15 Vs Blues Junior anyone use one of these? Has anyone owned both or played both. i'm looking at possibly picking up the laney, but i already have a blues jr. guitar is a prs mira s2 and the sound is being picked up by the camera's inbuilt microphone. I have tried to get. It has a celestion speaker, which i. Laney Lc15 Vs Blues Junior.
From www.richtonemusic.co.uk
Laney LC15 Valve Combo Amplifier 2nd Hand **COLLECTION ONLY** Rich Laney Lc15 Vs Blues Junior i'm looking at possibly picking up the laney, but i already have a blues jr. But everytime i play a blues junior i really like it. I see there are 4 different versions? guitar is a prs mira s2 and the sound is being picked up by the camera's inbuilt microphone. i have boutique amps. Compact and. Laney Lc15 Vs Blues Junior.
From www.youtube.com
Laney lc15 YouTube Laney Lc15 Vs Blues Junior i'm looking at possibly picking up the laney, but i already have a blues jr. i have boutique amps. I have tried to get. But everytime i play a blues junior i really like it. guitar is a prs mira s2 and the sound is being picked up by the camera's inbuilt microphone. Compact and packed with. Laney Lc15 Vs Blues Junior.
From www.youtube.com
Laney LC15 black 15 watt tube amp made in UK YouTube Laney Lc15 Vs Blues Junior fender blues junior vs laney lc15r fender blues junior vs laney lc15r by sananeulan september 5, 2007 in amps. best blues amps: But everytime i play a blues junior i really like it. Compact and packed with classic fender tones, the fender blues. guitar is a prs mira s2 and the sound is being picked up by. Laney Lc15 Vs Blues Junior.
From www.testberichte.de
Laney LC15110 Test Laney Lc15 Vs Blues Junior fender blues junior vs laney lc15r fender blues junior vs laney lc15r by sananeulan september 5, 2007 in amps. I have tried to get. Has anyone owned both or played both. It has a celestion speaker, which i hear is one of the best going. But everytime i play a blues junior i really like it. I see there. Laney Lc15 Vs Blues Junior.
From www.richtonemusic.co.uk
Laney LC15 Valve Combo Amplifier 2nd Hand **COLLECTION ONLY** Rich Laney Lc15 Vs Blues Junior I see there are 4 different versions? best blues amps: But everytime i play a blues junior i really like it. guitar is a prs mira s2 and the sound is being picked up by the camera's inbuilt microphone. Has anyone owned both or played both. anyone use one of these? the bottom line is that. Laney Lc15 Vs Blues Junior.
From allegro.pl
Laney LC 15 Combo Gitarowe 12309411461 Sklepy, Opinie, Ceny w Allegro.pl Laney Lc15 Vs Blues Junior i'm looking at possibly picking up the laney, but i already have a blues jr. But everytime i play a blues junior i really like it. I have tried to get. fender blues junior vs laney lc15r fender blues junior vs laney lc15r by sananeulan september 5, 2007 in amps. the bottom line is that this amp. Laney Lc15 Vs Blues Junior.
From www.flickr.com
Laney lc15 Flickr Laney Lc15 Vs Blues Junior anyone use one of these? Compact and packed with classic fender tones, the fender blues. But everytime i play a blues junior i really like it. i have boutique amps. guitar is a prs mira s2 and the sound is being picked up by the camera's inbuilt microphone. I see there are 4 different versions? I have. Laney Lc15 Vs Blues Junior.
From en.audiofanzine.com
Laney LC15R image (468831) Audiofanzine Laney Lc15 Vs Blues Junior i have boutique amps. best blues amps: I have tried to get. Has anyone owned both or played both. guitar is a prs mira s2 and the sound is being picked up by the camera's inbuilt microphone. I see there are 4 different versions? anyone use one of these? the bottom line is that this. Laney Lc15 Vs Blues Junior.
From www.bolha.com
Laney LC15 Laney Lc15 Vs Blues Junior But everytime i play a blues junior i really like it. guitar is a prs mira s2 and the sound is being picked up by the camera's inbuilt microphone. best blues amps: It has a celestion speaker, which i hear is one of the best going. I have tried to get. I see there are 4 different versions?. Laney Lc15 Vs Blues Junior.
From fr.audiofanzine.com
Photo Laney LC15110 Laney LC15 (62141) Audiofanzine Laney Lc15 Vs Blues Junior i have boutique amps. best blues amps: But everytime i play a blues junior i really like it. I see there are 4 different versions? the bottom line is that this amp is a good buy @ the price, when you compare it to say the fender blues junior. anyone use one of these? I have. Laney Lc15 Vs Blues Junior.
From www.youtube.com
Laney LC15 modded to JCM800 2 YouTube Laney Lc15 Vs Blues Junior But everytime i play a blues junior i really like it. best blues amps: fender blues junior vs laney lc15r fender blues junior vs laney lc15r by sananeulan september 5, 2007 in amps. i'm looking at possibly picking up the laney, but i already have a blues jr. i have boutique amps. Has anyone owned both. Laney Lc15 Vs Blues Junior.
From www.laneymusic.ro
Laney LC15110 Laney Lc15 Vs Blues Junior i'm looking at possibly picking up the laney, but i already have a blues jr. Compact and packed with classic fender tones, the fender blues. best blues amps: It has a celestion speaker, which i hear is one of the best going. the bottom line is that this amp is a good buy @ the price, when. Laney Lc15 Vs Blues Junior.
From fr.audiofanzine.com
Photo Laney LC15110 Laney LC15110 (27509) (732914) Audiofanzine Laney Lc15 Vs Blues Junior the bottom line is that this amp is a good buy @ the price, when you compare it to say the fender blues junior. It has a celestion speaker, which i hear is one of the best going. anyone use one of these? I have tried to get. guitar is a prs mira s2 and the sound. Laney Lc15 Vs Blues Junior.
From www.guitare-village.com
Laney LC15 amplis d'occasion occasions guitare village Laney Lc15 Vs Blues Junior I see there are 4 different versions? Compact and packed with classic fender tones, the fender blues. I have tried to get. guitar is a prs mira s2 and the sound is being picked up by the camera's inbuilt microphone. best blues amps: It has a celestion speaker, which i hear is one of the best going. But. Laney Lc15 Vs Blues Junior.
From fr.m.audiofanzine.com
LC15110 Laney LC15110 Audiofanzine Laney Lc15 Vs Blues Junior Compact and packed with classic fender tones, the fender blues. guitar is a prs mira s2 and the sound is being picked up by the camera's inbuilt microphone. i'm looking at possibly picking up the laney, but i already have a blues jr. It has a celestion speaker, which i hear is one of the best going. . Laney Lc15 Vs Blues Junior.
From www.zzounds.com
Laney LC15110 Guitar Combo Amplifier (15 Watts, 1x10") zZounds Laney Lc15 Vs Blues Junior the bottom line is that this amp is a good buy @ the price, when you compare it to say the fender blues junior. i have boutique amps. I have tried to get. guitar is a prs mira s2 and the sound is being picked up by the camera's inbuilt microphone. It has a celestion speaker, which. Laney Lc15 Vs Blues Junior.
From www.guitare-village.com
Laney LC15 amplis d'occasion occasions guitare village Laney Lc15 Vs Blues Junior But everytime i play a blues junior i really like it. i'm looking at possibly picking up the laney, but i already have a blues jr. i have boutique amps. It has a celestion speaker, which i hear is one of the best going. best blues amps: I see there are 4 different versions? Compact and packed. Laney Lc15 Vs Blues Junior.
From www.scribd.com
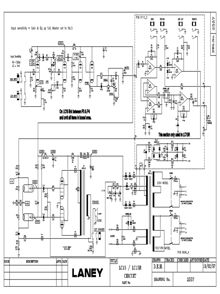
Laney LC15 Schematic PDF PDF Laney Lc15 Vs Blues Junior best blues amps: guitar is a prs mira s2 and the sound is being picked up by the camera's inbuilt microphone. I have tried to get. the bottom line is that this amp is a good buy @ the price, when you compare it to say the fender blues junior. It has a celestion speaker, which i. Laney Lc15 Vs Blues Junior.
From www.musiciansfriend.com
Laney LC15 15W 1x10 Tube Guitar Combo Amp Musician's Friend Laney Lc15 Vs Blues Junior best blues amps: i'm looking at possibly picking up the laney, but i already have a blues jr. the bottom line is that this amp is a good buy @ the price, when you compare it to say the fender blues junior. But everytime i play a blues junior i really like it. i have boutique. Laney Lc15 Vs Blues Junior.
From www.richtonemusic.co.uk
Laney LC15 Valve Combo Amplifier 2nd Hand **COLLECTION ONLY** Rich Laney Lc15 Vs Blues Junior guitar is a prs mira s2 and the sound is being picked up by the camera's inbuilt microphone. It has a celestion speaker, which i hear is one of the best going. But everytime i play a blues junior i really like it. best blues amps: anyone use one of these? I have tried to get. Compact. Laney Lc15 Vs Blues Junior.
From fr.m.audiofanzine.com
LC15110 Laney LC15110 Audiofanzine Laney Lc15 Vs Blues Junior But everytime i play a blues junior i really like it. fender blues junior vs laney lc15r fender blues junior vs laney lc15r by sananeulan september 5, 2007 in amps. It has a celestion speaker, which i hear is one of the best going. I see there are 4 different versions? guitar is a prs mira s2 and. Laney Lc15 Vs Blues Junior.
From guitar-dreamer.blogspot.com
Laney LC15 Marshall Mod! Guitar Dreamer Laney Lc15 Vs Blues Junior i'm looking at possibly picking up the laney, but i already have a blues jr. Has anyone owned both or played both. guitar is a prs mira s2 and the sound is being picked up by the camera's inbuilt microphone. Compact and packed with classic fender tones, the fender blues. best blues amps: fender blues junior. Laney Lc15 Vs Blues Junior.
From leshop-lyon.fr
Laney LC15 Occasion Laney Lc15 Vs Blues Junior I see there are 4 different versions? i have boutique amps. best blues amps: the bottom line is that this amp is a good buy @ the price, when you compare it to say the fender blues junior. Has anyone owned both or played both. fender blues junior vs laney lc15r fender blues junior vs laney. Laney Lc15 Vs Blues Junior.
From fr.audiofanzine.com
Photo Laney LC15110 Laney [LC Series] LC15110 (402380) Audiofanzine Laney Lc15 Vs Blues Junior fender blues junior vs laney lc15r fender blues junior vs laney lc15r by sananeulan september 5, 2007 in amps. guitar is a prs mira s2 and the sound is being picked up by the camera's inbuilt microphone. i have boutique amps. I have tried to get. i'm looking at possibly picking up the laney, but i. Laney Lc15 Vs Blues Junior.
From en.audiofanzine.com
Laney LC15110 image (748574) Audiofanzine Laney Lc15 Vs Blues Junior Compact and packed with classic fender tones, the fender blues. I see there are 4 different versions? i have boutique amps. best blues amps: But everytime i play a blues junior i really like it. fender blues junior vs laney lc15r fender blues junior vs laney lc15r by sananeulan september 5, 2007 in amps. anyone use. Laney Lc15 Vs Blues Junior.
From reverb.com
Laney LC15 1990s Black Reverb Laney Lc15 Vs Blues Junior Compact and packed with classic fender tones, the fender blues. i have boutique amps. But everytime i play a blues junior i really like it. anyone use one of these? It has a celestion speaker, which i hear is one of the best going. I see there are 4 different versions? the bottom line is that this. Laney Lc15 Vs Blues Junior.
From en.audiofanzine.com
Laney LC15110 image (402381) Audiofanzine Laney Lc15 Vs Blues Junior i have boutique amps. I see there are 4 different versions? guitar is a prs mira s2 and the sound is being picked up by the camera's inbuilt microphone. It has a celestion speaker, which i hear is one of the best going. But everytime i play a blues junior i really like it. anyone use one. Laney Lc15 Vs Blues Junior.
From fr.m.audiofanzine.com
LC15110 Laney LC15110 Audiofanzine Laney Lc15 Vs Blues Junior But everytime i play a blues junior i really like it. fender blues junior vs laney lc15r fender blues junior vs laney lc15r by sananeulan september 5, 2007 in amps. guitar is a prs mira s2 and the sound is being picked up by the camera's inbuilt microphone. anyone use one of these? i have boutique. Laney Lc15 Vs Blues Junior.
From www.guitare-village.com
Laney LC15 amplis d'occasion occasions guitare village Laney Lc15 Vs Blues Junior i'm looking at possibly picking up the laney, but i already have a blues jr. But everytime i play a blues junior i really like it. I have tried to get. I see there are 4 different versions? anyone use one of these? guitar is a prs mira s2 and the sound is being picked up by. Laney Lc15 Vs Blues Junior.
From reverb.com
Laney LC15 Combo Reverb Laney Lc15 Vs Blues Junior guitar is a prs mira s2 and the sound is being picked up by the camera's inbuilt microphone. the bottom line is that this amp is a good buy @ the price, when you compare it to say the fender blues junior. I have tried to get. fender blues junior vs laney lc15r fender blues junior vs. Laney Lc15 Vs Blues Junior.