Dodge Durango Parking Brake Light Stays On . When the parking brake is applied and the transmission is placed in gear, the brake warning light will flash. My parking brake light is always flashing now. The easiest way to diagnose brake lights that are stuck on is to unplug the wiring harness to the brake pedal switch. As far as i can tell there are only three sensors that monitor the brake system (not abs). The parking brake is not fully disengaged. It did it once before about a year and a. The fluid level sensor in the master,. If vehicle speed is detected, a chime will sound to alert the driver. There are usually two possible reasons why your parking brake warning light stays on after you've released the parking brake: Parking brake and abs light on. The brake warning light indicates that your durango has detected that one of its major brake components has failed, typically. So this morning i backed up the truck from the driveway and i noticed that both lights were on!. No abs light is on and speedo still works.
from www.2carpros.com
The fluid level sensor in the master,. There are usually two possible reasons why your parking brake warning light stays on after you've released the parking brake: If vehicle speed is detected, a chime will sound to alert the driver. So this morning i backed up the truck from the driveway and i noticed that both lights were on!. It did it once before about a year and a. No abs light is on and speedo still works. When the parking brake is applied and the transmission is placed in gear, the brake warning light will flash. The parking brake is not fully disengaged. The brake warning light indicates that your durango has detected that one of its major brake components has failed, typically. As far as i can tell there are only three sensors that monitor the brake system (not abs).
Brake Lights Stay on ? My Brake Lights Stay on Even When Brakes
Dodge Durango Parking Brake Light Stays On My parking brake light is always flashing now. The parking brake is not fully disengaged. The brake warning light indicates that your durango has detected that one of its major brake components has failed, typically. So this morning i backed up the truck from the driveway and i noticed that both lights were on!. When the parking brake is applied and the transmission is placed in gear, the brake warning light will flash. My parking brake light is always flashing now. It did it once before about a year and a. The easiest way to diagnose brake lights that are stuck on is to unplug the wiring harness to the brake pedal switch. If vehicle speed is detected, a chime will sound to alert the driver. There are usually two possible reasons why your parking brake warning light stays on after you've released the parking brake: Parking brake and abs light on. As far as i can tell there are only three sensors that monitor the brake system (not abs). No abs light is on and speedo still works. The fluid level sensor in the master,.
From www.moparpartsinc.com
Dodge Durango Adjuster. Parking brake. Left, right, right or left Dodge Durango Parking Brake Light Stays On It did it once before about a year and a. As far as i can tell there are only three sensors that monitor the brake system (not abs). My parking brake light is always flashing now. The easiest way to diagnose brake lights that are stuck on is to unplug the wiring harness to the brake pedal switch. So this. Dodge Durango Parking Brake Light Stays On.
From mygasmagazine.com
Why does My Park Brake Light Stay On? Demystifying the Issue! Dodge Durango Parking Brake Light Stays On As far as i can tell there are only three sensors that monitor the brake system (not abs). If vehicle speed is detected, a chime will sound to alert the driver. So this morning i backed up the truck from the driveway and i noticed that both lights were on!. It did it once before about a year and a.. Dodge Durango Parking Brake Light Stays On.
From repairarthur88.z13.web.core.windows.net
Dodge Durango Warning Lights Guide Dodge Durango Parking Brake Light Stays On It did it once before about a year and a. The parking brake is not fully disengaged. The brake warning light indicates that your durango has detected that one of its major brake components has failed, typically. Parking brake and abs light on. So this morning i backed up the truck from the driveway and i noticed that both lights. Dodge Durango Parking Brake Light Stays On.
From www.r1concepts.com
Why Your Parking Brake Light Stays On & How to Fix It Blog R1Concepts Dodge Durango Parking Brake Light Stays On The easiest way to diagnose brake lights that are stuck on is to unplug the wiring harness to the brake pedal switch. It did it once before about a year and a. The parking brake is not fully disengaged. The brake warning light indicates that your durango has detected that one of its major brake components has failed, typically. When. Dodge Durango Parking Brake Light Stays On.
From philkotse.com
Brake warning light stays on 5 Possible Causes & How to fix it Dodge Durango Parking Brake Light Stays On As far as i can tell there are only three sensors that monitor the brake system (not abs). When the parking brake is applied and the transmission is placed in gear, the brake warning light will flash. No abs light is on and speedo still works. It did it once before about a year and a. My parking brake light. Dodge Durango Parking Brake Light Stays On.
From www.quirkparts.com
20022007 Dodge OEM NEW 20022006 Mopar Dodge Durango Parking Brake Dodge Durango Parking Brake Light Stays On Parking brake and abs light on. It did it once before about a year and a. When the parking brake is applied and the transmission is placed in gear, the brake warning light will flash. The fluid level sensor in the master,. The easiest way to diagnose brake lights that are stuck on is to unplug the wiring harness to. Dodge Durango Parking Brake Light Stays On.
From www.dodgedurango.net
PArking brake return spring Dodge Durango Forum Dodge Durango Parking Brake Light Stays On There are usually two possible reasons why your parking brake warning light stays on after you've released the parking brake: My parking brake light is always flashing now. If vehicle speed is detected, a chime will sound to alert the driver. No abs light is on and speedo still works. Parking brake and abs light on. It did it once. Dodge Durango Parking Brake Light Stays On.
From www.moparpartsoverstock.com
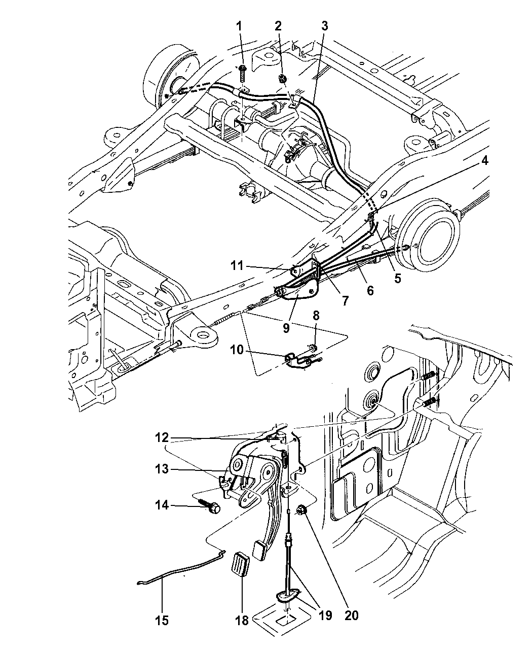
Dodge Durango Guide. Parking brake cable. Right. Rear. Cableparking Dodge Durango Parking Brake Light Stays On As far as i can tell there are only three sensors that monitor the brake system (not abs). The easiest way to diagnose brake lights that are stuck on is to unplug the wiring harness to the brake pedal switch. The brake warning light indicates that your durango has detected that one of its major brake components has failed, typically.. Dodge Durango Parking Brake Light Stays On.
From parts.courtesychrysler.com
Dodge Durango Parking Brake Assembly. Durango; Left. Grand 68466363AA Dodge Durango Parking Brake Light Stays On It did it once before about a year and a. No abs light is on and speedo still works. There are usually two possible reasons why your parking brake warning light stays on after you've released the parking brake: The easiest way to diagnose brake lights that are stuck on is to unplug the wiring harness to the brake pedal. Dodge Durango Parking Brake Light Stays On.
From homeminimalisite.com
How To Fix Brake Lights That Stay On Dodge Durango Parking Brake Light Stays On Parking brake and abs light on. As far as i can tell there are only three sensors that monitor the brake system (not abs). There are usually two possible reasons why your parking brake warning light stays on after you've released the parking brake: My parking brake light is always flashing now. The easiest way to diagnose brake lights that. Dodge Durango Parking Brake Light Stays On.
From docs.cholonautas.edu.pe
What Does It Mean When The Parking Brake Light Stays On Free Word Dodge Durango Parking Brake Light Stays On As far as i can tell there are only three sensors that monitor the brake system (not abs). The easiest way to diagnose brake lights that are stuck on is to unplug the wiring harness to the brake pedal switch. So this morning i backed up the truck from the driveway and i noticed that both lights were on!. The. Dodge Durango Parking Brake Light Stays On.
From www.moparpartsinc.com
Dodge Durango Lever, lever assembly. Park brake, parking brake Dodge Durango Parking Brake Light Stays On My parking brake light is always flashing now. So this morning i backed up the truck from the driveway and i noticed that both lights were on!. There are usually two possible reasons why your parking brake warning light stays on after you've released the parking brake: The fluid level sensor in the master,. It did it once before about. Dodge Durango Parking Brake Light Stays On.
From www.2carpros.com
Brake Lights Stay on ? My Brake Lights Stay on Even When Brakes Dodge Durango Parking Brake Light Stays On It did it once before about a year and a. The brake warning light indicates that your durango has detected that one of its major brake components has failed, typically. The easiest way to diagnose brake lights that are stuck on is to unplug the wiring harness to the brake pedal switch. My parking brake light is always flashing now.. Dodge Durango Parking Brake Light Stays On.
From dodgeforum.com
Parking brake release handle for durango 01 Dodge Durango Parking Brake Light Stays On Parking brake and abs light on. The brake warning light indicates that your durango has detected that one of its major brake components has failed, typically. The parking brake is not fully disengaged. If vehicle speed is detected, a chime will sound to alert the driver. So this morning i backed up the truck from the driveway and i noticed. Dodge Durango Parking Brake Light Stays On.
From store.mopar.com
20112023 Dodge Durango Parking Brake Cable 4779637AI Mopar Estores Dodge Durango Parking Brake Light Stays On The fluid level sensor in the master,. As far as i can tell there are only three sensors that monitor the brake system (not abs). When the parking brake is applied and the transmission is placed in gear, the brake warning light will flash. The brake warning light indicates that your durango has detected that one of its major brake. Dodge Durango Parking Brake Light Stays On.
From www.luxeautoconcepts.net
20142020 Durango Third Brake Light Tint Kit — Luxe Auto Concepts Dodge Durango Parking Brake Light Stays On The fluid level sensor in the master,. The parking brake is not fully disengaged. So this morning i backed up the truck from the driveway and i noticed that both lights were on!. The brake warning light indicates that your durango has detected that one of its major brake components has failed, typically. The easiest way to diagnose brake lights. Dodge Durango Parking Brake Light Stays On.
From www.moparpartsgiant.com
1998 Dodge Durango Lever & Cables, Parking Brake Dodge Durango Parking Brake Light Stays On It did it once before about a year and a. No abs light is on and speedo still works. Parking brake and abs light on. As far as i can tell there are only three sensors that monitor the brake system (not abs). The easiest way to diagnose brake lights that are stuck on is to unplug the wiring harness. Dodge Durango Parking Brake Light Stays On.
From shellysavonlea.net
Parking Brake Light Stays On Jeep Wrangler Shelly Lighting Dodge Durango Parking Brake Light Stays On As far as i can tell there are only three sensors that monitor the brake system (not abs). The easiest way to diagnose brake lights that are stuck on is to unplug the wiring harness to the brake pedal switch. So this morning i backed up the truck from the driveway and i noticed that both lights were on!. It. Dodge Durango Parking Brake Light Stays On.
From homeminimalisite.com
Why Does The Parking Brake Light Stay On Dodge Durango Parking Brake Light Stays On So this morning i backed up the truck from the driveway and i noticed that both lights were on!. The fluid level sensor in the master,. There are usually two possible reasons why your parking brake warning light stays on after you've released the parking brake: Parking brake and abs light on. It did it once before about a year. Dodge Durango Parking Brake Light Stays On.
From www.vautobasics.com
How to Reset Parking Brake Light Dodge Durango Parking Brake Light Stays On It did it once before about a year and a. The brake warning light indicates that your durango has detected that one of its major brake components has failed, typically. No abs light is on and speedo still works. My parking brake light is always flashing now. So this morning i backed up the truck from the driveway and i. Dodge Durango Parking Brake Light Stays On.
From www.2carpros.com
Brake Light Stays On Brake Light Stay On, Continuously, When Dodge Durango Parking Brake Light Stays On No abs light is on and speedo still works. If vehicle speed is detected, a chime will sound to alert the driver. So this morning i backed up the truck from the driveway and i noticed that both lights were on!. The parking brake is not fully disengaged. The fluid level sensor in the master,. The brake warning light indicates. Dodge Durango Parking Brake Light Stays On.
From repairwulf123.z19.web.core.windows.net
Dodge Durango Warning Lights Guide Dodge Durango Parking Brake Light Stays On There are usually two possible reasons why your parking brake warning light stays on after you've released the parking brake: As far as i can tell there are only three sensors that monitor the brake system (not abs). It did it once before about a year and a. No abs light is on and speedo still works. The fluid level. Dodge Durango Parking Brake Light Stays On.
From www.2carpros.com
Brake Lights Went Out I Have An 03 Dodge Durango 5.9 and My Brake... Dodge Durango Parking Brake Light Stays On The brake warning light indicates that your durango has detected that one of its major brake components has failed, typically. It did it once before about a year and a. Parking brake and abs light on. The easiest way to diagnose brake lights that are stuck on is to unplug the wiring harness to the brake pedal switch. The fluid. Dodge Durango Parking Brake Light Stays On.
From www.2carpros.com
Brake Lights Stay on ? My Brake Lights Stay on Even When Brakes Dodge Durango Parking Brake Light Stays On The fluid level sensor in the master,. The brake warning light indicates that your durango has detected that one of its major brake components has failed, typically. My parking brake light is always flashing now. The parking brake is not fully disengaged. There are usually two possible reasons why your parking brake warning light stays on after you've released the. Dodge Durango Parking Brake Light Stays On.
From www.2carpros.com
Brake Lights Stay on ? My Brake Lights Stay on Even When Brakes Dodge Durango Parking Brake Light Stays On When the parking brake is applied and the transmission is placed in gear, the brake warning light will flash. The parking brake is not fully disengaged. The brake warning light indicates that your durango has detected that one of its major brake components has failed, typically. The fluid level sensor in the master,. So this morning i backed up the. Dodge Durango Parking Brake Light Stays On.
From quizdborienteers.z4.web.core.windows.net
Brake Light Comes On Intermittently Dodge Durango Parking Brake Light Stays On No abs light is on and speedo still works. If vehicle speed is detected, a chime will sound to alert the driver. It did it once before about a year and a. The parking brake is not fully disengaged. The easiest way to diagnose brake lights that are stuck on is to unplug the wiring harness to the brake pedal. Dodge Durango Parking Brake Light Stays On.
From garageneudorf55.z19.web.core.windows.net
Dodge Durango Brake Light Flashing Dodge Durango Parking Brake Light Stays On So this morning i backed up the truck from the driveway and i noticed that both lights were on!. The easiest way to diagnose brake lights that are stuck on is to unplug the wiring harness to the brake pedal switch. The brake warning light indicates that your durango has detected that one of its major brake components has failed,. Dodge Durango Parking Brake Light Stays On.
From www.youtube.com
Brake lights stay on YouTube Dodge Durango Parking Brake Light Stays On There are usually two possible reasons why your parking brake warning light stays on after you've released the parking brake: If vehicle speed is detected, a chime will sound to alert the driver. The parking brake is not fully disengaged. It did it once before about a year and a. No abs light is on and speedo still works. My. Dodge Durango Parking Brake Light Stays On.
From wiringdiagram.2bitboer.com
2001 Dodge Durango Brake Light Wiring Diagram Wiring Diagram Dodge Durango Parking Brake Light Stays On The parking brake is not fully disengaged. When the parking brake is applied and the transmission is placed in gear, the brake warning light will flash. No abs light is on and speedo still works. Parking brake and abs light on. It did it once before about a year and a. The brake warning light indicates that your durango has. Dodge Durango Parking Brake Light Stays On.
From www.youtube.com
Why How to Fix Brake Lights Stays on Your Dash Not Turn On or Off Dodge Durango Parking Brake Light Stays On The brake warning light indicates that your durango has detected that one of its major brake components has failed, typically. No abs light is on and speedo still works. When the parking brake is applied and the transmission is placed in gear, the brake warning light will flash. It did it once before about a year and a. There are. Dodge Durango Parking Brake Light Stays On.
From www.moparpartsinc.com
Dodge Durango Cable. Parking brake. Left rear 52013003AA Myrtle Dodge Durango Parking Brake Light Stays On Parking brake and abs light on. The brake warning light indicates that your durango has detected that one of its major brake components has failed, typically. The easiest way to diagnose brake lights that are stuck on is to unplug the wiring harness to the brake pedal switch. There are usually two possible reasons why your parking brake warning light. Dodge Durango Parking Brake Light Stays On.
From americanwarmoms.org
What Would Cause The Abs And Brake Light To Stay On Dodge Durango Parking Brake Light Stays On If vehicle speed is detected, a chime will sound to alert the driver. It did it once before about a year and a. As far as i can tell there are only three sensors that monitor the brake system (not abs). So this morning i backed up the truck from the driveway and i noticed that both lights were on!.. Dodge Durango Parking Brake Light Stays On.
From www.paulstravelpictures.com
DodgeDurangoReverseTailLightBulbsReplacementGuide001 Dodge Durango Parking Brake Light Stays On My parking brake light is always flashing now. The fluid level sensor in the master,. No abs light is on and speedo still works. Parking brake and abs light on. The parking brake is not fully disengaged. If vehicle speed is detected, a chime will sound to alert the driver. So this morning i backed up the truck from the. Dodge Durango Parking Brake Light Stays On.
From homeminimalisite.com
Why Does The Parking Brake Light Stay On Dodge Durango Parking Brake Light Stays On When the parking brake is applied and the transmission is placed in gear, the brake warning light will flash. It did it once before about a year and a. The fluid level sensor in the master,. My parking brake light is always flashing now. If vehicle speed is detected, a chime will sound to alert the driver. So this morning. Dodge Durango Parking Brake Light Stays On.
From mechanicbase.com
Why Are My Brake Lights Staying On? Dodge Durango Parking Brake Light Stays On The fluid level sensor in the master,. When the parking brake is applied and the transmission is placed in gear, the brake warning light will flash. As far as i can tell there are only three sensors that monitor the brake system (not abs). Parking brake and abs light on. My parking brake light is always flashing now. So this. Dodge Durango Parking Brake Light Stays On.