M5 Countersunk Head Dimensions . This short post will give you the exact dimensions you need for. Iso 10642 specifies the tolerances and the permissable variation in form of hexagon socket countersunk head screws, and covers metric. Bs en iso 10642 hexagon socket countersunk head screws. Din 963 bs 4183 iso 2009. Basic dimensions for selected sizes. Engineering metric hardware design data. Symbols and designations of dimensions are defined in iso. M5 x 15mm countersunk head hexagon socket drive screw in grade 10.9 steel self colour with dimensional measurements and 3d model, in a. Accu’s metric socket countersunk screws are available in thread sizes ranging from m2 to m24, and lengths from 3mm up to. Unsure on what size countersunk hole to use for your ansi metric socket flat head fasteners?
from www.exploding-shed.com
Iso 10642 specifies the tolerances and the permissable variation in form of hexagon socket countersunk head screws, and covers metric. This short post will give you the exact dimensions you need for. Basic dimensions for selected sizes. Unsure on what size countersunk hole to use for your ansi metric socket flat head fasteners? Bs en iso 10642 hexagon socket countersunk head screws. M5 x 15mm countersunk head hexagon socket drive screw in grade 10.9 steel self colour with dimensional measurements and 3d model, in a. Accu’s metric socket countersunk screws are available in thread sizes ranging from m2 to m24, and lengths from 3mm up to. Symbols and designations of dimensions are defined in iso. Engineering metric hardware design data. Din 963 bs 4183 iso 2009.
Screw M5 x 30, countersunk head, PH drive 102202
M5 Countersunk Head Dimensions Bs en iso 10642 hexagon socket countersunk head screws. This short post will give you the exact dimensions you need for. Accu’s metric socket countersunk screws are available in thread sizes ranging from m2 to m24, and lengths from 3mm up to. Unsure on what size countersunk hole to use for your ansi metric socket flat head fasteners? Iso 10642 specifies the tolerances and the permissable variation in form of hexagon socket countersunk head screws, and covers metric. Basic dimensions for selected sizes. M5 x 15mm countersunk head hexagon socket drive screw in grade 10.9 steel self colour with dimensional measurements and 3d model, in a. Symbols and designations of dimensions are defined in iso. Engineering metric hardware design data. Din 963 bs 4183 iso 2009. Bs en iso 10642 hexagon socket countersunk head screws.
From www.micrometals.co.in
Stainless Steel Countersunk Screws , SS Countersunk Machine Screws india M5 Countersunk Head Dimensions Iso 10642 specifies the tolerances and the permissable variation in form of hexagon socket countersunk head screws, and covers metric. Engineering metric hardware design data. Symbols and designations of dimensions are defined in iso. Bs en iso 10642 hexagon socket countersunk head screws. Accu’s metric socket countersunk screws are available in thread sizes ranging from m2 to m24, and lengths. M5 Countersunk Head Dimensions.
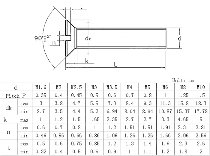
From catalog.pemnet.com
Part AECKSM54.0BZI, Countersunk Head Knurled Round Body Threaded M5 Countersunk Head Dimensions Iso 10642 specifies the tolerances and the permissable variation in form of hexagon socket countersunk head screws, and covers metric. Bs en iso 10642 hexagon socket countersunk head screws. Unsure on what size countersunk hole to use for your ansi metric socket flat head fasteners? Engineering metric hardware design data. Din 963 bs 4183 iso 2009. Basic dimensions for selected. M5 Countersunk Head Dimensions.
From www.villageinframe.com
Metric Countersunk Hole Dimensions Chart A Pictures Of Hole 2018 M5 Countersunk Head Dimensions Din 963 bs 4183 iso 2009. Unsure on what size countersunk hole to use for your ansi metric socket flat head fasteners? Accu’s metric socket countersunk screws are available in thread sizes ranging from m2 to m24, and lengths from 3mm up to. Basic dimensions for selected sizes. Bs en iso 10642 hexagon socket countersunk head screws. M5 x 15mm. M5 Countersunk Head Dimensions.
From edu.svet.gob.gt
100 And 81 Degree Flat Countersunk Head Screws Table ASME B M5 Countersunk Head Dimensions M5 x 15mm countersunk head hexagon socket drive screw in grade 10.9 steel self colour with dimensional measurements and 3d model, in a. Bs en iso 10642 hexagon socket countersunk head screws. Symbols and designations of dimensions are defined in iso. Iso 10642 specifies the tolerances and the permissable variation in form of hexagon socket countersunk head screws, and covers. M5 Countersunk Head Dimensions.
From ubicaciondepersonas.cdmx.gob.mx
M5 Cap Head Dimensions ubicaciondepersonas.cdmx.gob.mx M5 Countersunk Head Dimensions Unsure on what size countersunk hole to use for your ansi metric socket flat head fasteners? Bs en iso 10642 hexagon socket countersunk head screws. Symbols and designations of dimensions are defined in iso. Din 963 bs 4183 iso 2009. Iso 10642 specifies the tolerances and the permissable variation in form of hexagon socket countersunk head screws, and covers metric.. M5 Countersunk Head Dimensions.
From www.aliexpress.com
2 20pcs M5 M6 M8 M10 DIN7991 Metric Thread 304 Stainless Steel Flat M5 Countersunk Head Dimensions Basic dimensions for selected sizes. M5 x 15mm countersunk head hexagon socket drive screw in grade 10.9 steel self colour with dimensional measurements and 3d model, in a. Symbols and designations of dimensions are defined in iso. Engineering metric hardware design data. Accu’s metric socket countersunk screws are available in thread sizes ranging from m2 to m24, and lengths from. M5 Countersunk Head Dimensions.
From www.beaconcorporation.co.uk
DIN 7991 SOCKET COUNTERSUNK SCREW Beacon Corporation M5 Countersunk Head Dimensions Din 963 bs 4183 iso 2009. Accu’s metric socket countersunk screws are available in thread sizes ranging from m2 to m24, and lengths from 3mm up to. Symbols and designations of dimensions are defined in iso. Unsure on what size countersunk hole to use for your ansi metric socket flat head fasteners? Basic dimensions for selected sizes. Iso 10642 specifies. M5 Countersunk Head Dimensions.
From www.alibaba.com
Bolt C/w Two Hex. Stainless Steel M5 M6 M8 Flange Head Socket Tapered M5 Countersunk Head Dimensions Bs en iso 10642 hexagon socket countersunk head screws. Iso 10642 specifies the tolerances and the permissable variation in form of hexagon socket countersunk head screws, and covers metric. Engineering metric hardware design data. Din 963 bs 4183 iso 2009. Unsure on what size countersunk hole to use for your ansi metric socket flat head fasteners? M5 x 15mm countersunk. M5 Countersunk Head Dimensions.
From andrewsfasteners.uk
DIN 7991 Hexagon socket countersunk head cap screws basic dimensions M5 Countersunk Head Dimensions Accu’s metric socket countersunk screws are available in thread sizes ranging from m2 to m24, and lengths from 3mm up to. Symbols and designations of dimensions are defined in iso. Bs en iso 10642 hexagon socket countersunk head screws. Unsure on what size countersunk hole to use for your ansi metric socket flat head fasteners? This short post will give. M5 Countersunk Head Dimensions.
From www.damencnc.com
M5 Countersunk Washer 5.3x16x2.8mm DamenCNC B.V. M5 Countersunk Head Dimensions M5 x 15mm countersunk head hexagon socket drive screw in grade 10.9 steel self colour with dimensional measurements and 3d model, in a. Bs en iso 10642 hexagon socket countersunk head screws. Din 963 bs 4183 iso 2009. Engineering metric hardware design data. This short post will give you the exact dimensions you need for. Unsure on what size countersunk. M5 Countersunk Head Dimensions.
From www.ebay.com
M4 M5 Stainless Steel 316 A4 Hex Socket Flat Countersunk Head Screws M5 Countersunk Head Dimensions Symbols and designations of dimensions are defined in iso. M5 x 15mm countersunk head hexagon socket drive screw in grade 10.9 steel self colour with dimensional measurements and 3d model, in a. Bs en iso 10642 hexagon socket countersunk head screws. Iso 10642 specifies the tolerances and the permissable variation in form of hexagon socket countersunk head screws, and covers. M5 Countersunk Head Dimensions.
From www.ebay.co.uk
100XM1.6/M2/M2.5/M3/M4/M5/M6/M8Stainless Steel Flat Countersunk Head M5 Countersunk Head Dimensions Bs en iso 10642 hexagon socket countersunk head screws. This short post will give you the exact dimensions you need for. M5 x 15mm countersunk head hexagon socket drive screw in grade 10.9 steel self colour with dimensional measurements and 3d model, in a. Din 963 bs 4183 iso 2009. Iso 10642 specifies the tolerances and the permissable variation in. M5 Countersunk Head Dimensions.
From www.celticleague.net
Of God Get injured Vibrate m2 countersunk screw dimensions South M5 Countersunk Head Dimensions M5 x 15mm countersunk head hexagon socket drive screw in grade 10.9 steel self colour with dimensional measurements and 3d model, in a. Unsure on what size countersunk hole to use for your ansi metric socket flat head fasteners? Accu’s metric socket countersunk screws are available in thread sizes ranging from m2 to m24, and lengths from 3mm up to.. M5 Countersunk Head Dimensions.
From vn.misumi-ec.com
CSHCSBRM510 Hex Socket Flat Head Cap Bolt, SUNCO MISUMI Vietnam M5 Countersunk Head Dimensions Bs en iso 10642 hexagon socket countersunk head screws. Basic dimensions for selected sizes. Accu’s metric socket countersunk screws are available in thread sizes ranging from m2 to m24, and lengths from 3mm up to. Engineering metric hardware design data. M5 x 15mm countersunk head hexagon socket drive screw in grade 10.9 steel self colour with dimensional measurements and 3d. M5 Countersunk Head Dimensions.
From www.ebay.com
M4 M5 M6 Countersunk Flat Head Socket Screws 304 Stainless Steel Allen M5 Countersunk Head Dimensions Iso 10642 specifies the tolerances and the permissable variation in form of hexagon socket countersunk head screws, and covers metric. Engineering metric hardware design data. Unsure on what size countersunk hole to use for your ansi metric socket flat head fasteners? M5 x 15mm countersunk head hexagon socket drive screw in grade 10.9 steel self colour with dimensional measurements and. M5 Countersunk Head Dimensions.
From www.wkooa.com
Slotted Screws M1.6M5 Countersunk Flat Head WKOOA M5 Countersunk Head Dimensions M5 x 15mm countersunk head hexagon socket drive screw in grade 10.9 steel self colour with dimensional measurements and 3d model, in a. Din 963 bs 4183 iso 2009. Unsure on what size countersunk hole to use for your ansi metric socket flat head fasteners? Iso 10642 specifies the tolerances and the permissable variation in form of hexagon socket countersunk. M5 Countersunk Head Dimensions.
From shopee.ph
M4 M5 Countersunk Head Hex Socket Screws Nut With Flat/Spring Washer M5 Countersunk Head Dimensions M5 x 15mm countersunk head hexagon socket drive screw in grade 10.9 steel self colour with dimensional measurements and 3d model, in a. Din 963 bs 4183 iso 2009. This short post will give you the exact dimensions you need for. Engineering metric hardware design data. Accu’s metric socket countersunk screws are available in thread sizes ranging from m2 to. M5 Countersunk Head Dimensions.
From my.rs-online.com
RS PRO, M5 Countersunk Head, 12mm Stainless Steel Hexalobular Recess A2 M5 Countersunk Head Dimensions M5 x 15mm countersunk head hexagon socket drive screw in grade 10.9 steel self colour with dimensional measurements and 3d model, in a. Accu’s metric socket countersunk screws are available in thread sizes ranging from m2 to m24, and lengths from 3mm up to. Basic dimensions for selected sizes. Symbols and designations of dimensions are defined in iso. Engineering metric. M5 Countersunk Head Dimensions.
From www.ebay.co.uk
M3 M4 M5 M6 Flat Head Allen Bolts Hex Socket Screws Black Grade 10.9 M5 Countersunk Head Dimensions Iso 10642 specifies the tolerances and the permissable variation in form of hexagon socket countersunk head screws, and covers metric. Engineering metric hardware design data. Unsure on what size countersunk hole to use for your ansi metric socket flat head fasteners? Din 963 bs 4183 iso 2009. Symbols and designations of dimensions are defined in iso. Basic dimensions for selected. M5 Countersunk Head Dimensions.
From www.ebay.com
10/50x M2M2.5M3 M4M5M6 Hex Allen Hexagon Socket Flat Countersunk Head M5 Countersunk Head Dimensions This short post will give you the exact dimensions you need for. Basic dimensions for selected sizes. Symbols and designations of dimensions are defined in iso. Din 963 bs 4183 iso 2009. M5 x 15mm countersunk head hexagon socket drive screw in grade 10.9 steel self colour with dimensional measurements and 3d model, in a. Unsure on what size countersunk. M5 Countersunk Head Dimensions.
From www.titane-services.eu
Titanium screw Countersunk Bolt Din 7991 TA6V (Grade 5 M5 Countersunk Head Dimensions Unsure on what size countersunk hole to use for your ansi metric socket flat head fasteners? Accu’s metric socket countersunk screws are available in thread sizes ranging from m2 to m24, and lengths from 3mm up to. M5 x 15mm countersunk head hexagon socket drive screw in grade 10.9 steel self colour with dimensional measurements and 3d model, in a.. M5 Countersunk Head Dimensions.
From dxonmkjim.blob.core.windows.net
M3 Countersunk Socket Head Screw Dimensions at Juan Holbrook blog M5 Countersunk Head Dimensions Engineering metric hardware design data. Unsure on what size countersunk hole to use for your ansi metric socket flat head fasteners? Symbols and designations of dimensions are defined in iso. Iso 10642 specifies the tolerances and the permissable variation in form of hexagon socket countersunk head screws, and covers metric. Bs en iso 10642 hexagon socket countersunk head screws. Basic. M5 Countersunk Head Dimensions.
From engineersbible.com
Countersunk Hole Size for Socket Flat Head (ANSI Metric) M5 Countersunk Head Dimensions Iso 10642 specifies the tolerances and the permissable variation in form of hexagon socket countersunk head screws, and covers metric. This short post will give you the exact dimensions you need for. Symbols and designations of dimensions are defined in iso. Bs en iso 10642 hexagon socket countersunk head screws. Basic dimensions for selected sizes. Unsure on what size countersunk. M5 Countersunk Head Dimensions.
From www.alibaba.com
M3 M4 M5 Slotted Countersunk Head Machine Screw Din963 Buy Din963 M5 Countersunk Head Dimensions Engineering metric hardware design data. This short post will give you the exact dimensions you need for. Din 963 bs 4183 iso 2009. Iso 10642 specifies the tolerances and the permissable variation in form of hexagon socket countersunk head screws, and covers metric. Bs en iso 10642 hexagon socket countersunk head screws. Basic dimensions for selected sizes. Unsure on what. M5 Countersunk Head Dimensions.
From grabcad.com
Free CAD Designs, Files & 3D Models The GrabCAD Community Library M5 Countersunk Head Dimensions This short post will give you the exact dimensions you need for. Engineering metric hardware design data. Unsure on what size countersunk hole to use for your ansi metric socket flat head fasteners? M5 x 15mm countersunk head hexagon socket drive screw in grade 10.9 steel self colour with dimensional measurements and 3d model, in a. Symbols and designations of. M5 Countersunk Head Dimensions.
From www.fasteners.eu
DIN 7991 Hexagon socket countersunk head cap screws M5 Countersunk Head Dimensions This short post will give you the exact dimensions you need for. Engineering metric hardware design data. Bs en iso 10642 hexagon socket countersunk head screws. Symbols and designations of dimensions are defined in iso. Iso 10642 specifies the tolerances and the permissable variation in form of hexagon socket countersunk head screws, and covers metric. Basic dimensions for selected sizes.. M5 Countersunk Head Dimensions.
From shopee.ph
M5 Stainless Steel Flat Countersunk Head Hexagon DIN7991 M5 8mm 10mm M5 Countersunk Head Dimensions Unsure on what size countersunk hole to use for your ansi metric socket flat head fasteners? Iso 10642 specifies the tolerances and the permissable variation in form of hexagon socket countersunk head screws, and covers metric. M5 x 15mm countersunk head hexagon socket drive screw in grade 10.9 steel self colour with dimensional measurements and 3d model, in a. Symbols. M5 Countersunk Head Dimensions.
From sg.misumi-ec.com
MISUMI South East Asia Industrial Configurable Components Supply M5 Countersunk Head Dimensions Engineering metric hardware design data. Iso 10642 specifies the tolerances and the permissable variation in form of hexagon socket countersunk head screws, and covers metric. M5 x 15mm countersunk head hexagon socket drive screw in grade 10.9 steel self colour with dimensional measurements and 3d model, in a. Unsure on what size countersunk hole to use for your ansi metric. M5 Countersunk Head Dimensions.
From www.exploding-shed.com
Screw M5 x 30, countersunk head, PH drive 102202 M5 Countersunk Head Dimensions M5 x 15mm countersunk head hexagon socket drive screw in grade 10.9 steel self colour with dimensional measurements and 3d model, in a. This short post will give you the exact dimensions you need for. Basic dimensions for selected sizes. Accu’s metric socket countersunk screws are available in thread sizes ranging from m2 to m24, and lengths from 3mm up. M5 Countersunk Head Dimensions.
From ubicaciondepersonas.cdmx.gob.mx
M5 Dimensions ubicaciondepersonas.cdmx.gob.mx M5 Countersunk Head Dimensions This short post will give you the exact dimensions you need for. Engineering metric hardware design data. Unsure on what size countersunk hole to use for your ansi metric socket flat head fasteners? Accu’s metric socket countersunk screws are available in thread sizes ranging from m2 to m24, and lengths from 3mm up to. M5 x 15mm countersunk head hexagon. M5 Countersunk Head Dimensions.
From www.ebay.co.uk
M1.4M5 Countersunk Head Screw Phillips Screw Carbon Steel Black/Nickel M5 Countersunk Head Dimensions Engineering metric hardware design data. Din 963 bs 4183 iso 2009. This short post will give you the exact dimensions you need for. Symbols and designations of dimensions are defined in iso. Accu’s metric socket countersunk screws are available in thread sizes ranging from m2 to m24, and lengths from 3mm up to. Bs en iso 10642 hexagon socket countersunk. M5 Countersunk Head Dimensions.
From www.ebay.com.au
50pcs M2M5 Phillips Head Round Screw Bolt Hex Selflocking Nylock Nut M5 Countersunk Head Dimensions Bs en iso 10642 hexagon socket countersunk head screws. Din 963 bs 4183 iso 2009. Unsure on what size countersunk hole to use for your ansi metric socket flat head fasteners? Basic dimensions for selected sizes. Engineering metric hardware design data. M5 x 15mm countersunk head hexagon socket drive screw in grade 10.9 steel self colour with dimensional measurements and. M5 Countersunk Head Dimensions.
From unimaterna.com.br
Color Stainless Steel 304, Size 20mm Meets shop Screws 550pcs M5 Countersunk Head Dimensions M5 x 15mm countersunk head hexagon socket drive screw in grade 10.9 steel self colour with dimensional measurements and 3d model, in a. Engineering metric hardware design data. Din 963 bs 4183 iso 2009. Bs en iso 10642 hexagon socket countersunk head screws. Symbols and designations of dimensions are defined in iso. Accu’s metric socket countersunk screws are available in. M5 Countersunk Head Dimensions.
From dxonmkjim.blob.core.windows.net
M3 Countersunk Socket Head Screw Dimensions at Juan Holbrook blog M5 Countersunk Head Dimensions Din 963 bs 4183 iso 2009. This short post will give you the exact dimensions you need for. Accu’s metric socket countersunk screws are available in thread sizes ranging from m2 to m24, and lengths from 3mm up to. Unsure on what size countersunk hole to use for your ansi metric socket flat head fasteners? Bs en iso 10642 hexagon. M5 Countersunk Head Dimensions.
From us.misumi-ec.com
CSHCSHNST3BM550 Hex Socket Flat Head Cap Screw New JIS Nissan M5 Countersunk Head Dimensions Unsure on what size countersunk hole to use for your ansi metric socket flat head fasteners? Din 963 bs 4183 iso 2009. Engineering metric hardware design data. Accu’s metric socket countersunk screws are available in thread sizes ranging from m2 to m24, and lengths from 3mm up to. Iso 10642 specifies the tolerances and the permissable variation in form of. M5 Countersunk Head Dimensions.