Brake Lights And Turn Signals Not Working . Problems with the brake light switch. It can also be caused by a blown fuse, bad wirings, or corroded sockets or plugs. A faulty control light switch could also be to blame. Read us to know it all and the real solutions to fix the light source efficiently. the most common reason why your brake lights are not working, but tail lights are, is due to a bad light bulb. I feel telling you about this lie! brake lights not working, but the third brake light still works? some of the most common reasons that your brake lights are out or malfunctioning include: Emergency flashers have a socket or lamp issue; it gives heartache if the brake light and turn signal not working on one side, doesn't it? Brake light bulbs that have burned out. Brake light socket has gone bad or are corroded. It can also be caused by a blown fuse, a bad brake light switch, or issues with the wiring. here’s why brake lights not working but third light is: We’ll get into the details of what could’ve gone wrong with each of these three issues, how you can identify the issue and then solve it.
from www.2carpros.com
Brake light bulbs that have burned out. We’ll get into the details of what could’ve gone wrong with each of these three issues, how you can identify the issue and then solve it. the most common reason why your tail lights are not working but brake lights are is due to a bad or wrong type of light bulb installed. brake lights not working, but the third brake light still works? here’s why brake lights not working but third light is: Read us to know it all and the real solutions to fix the light source efficiently. some of the most common reasons that your brake lights are out or malfunctioning include: the most common reason why your brake lights are not working, but tail lights are, is due to a bad light bulb. It can also be caused by a blown fuse, a bad brake light switch, or issues with the wiring. A faulty control light switch could also be to blame.
Brake Lights and Turn Signals Not Working?
Brake Lights And Turn Signals Not Working brake lights not working, but the third brake light still works? it gives heartache if the brake light and turn signal not working on one side, doesn't it? some of the most common reasons that your brake lights are out or malfunctioning include: A faulty control light switch could also be to blame. Read us to know it all and the real solutions to fix the light source efficiently. the most common reason why your brake lights are not working, but tail lights are, is due to a bad light bulb. I feel telling you about this lie! It can also be caused by a blown fuse, bad wirings, or corroded sockets or plugs. Brake light bulbs that have burned out. Emergency flashers have a socket or lamp issue; Problems with the brake light switch. the most common reason why your tail lights are not working but brake lights are is due to a bad or wrong type of light bulb installed. here’s why brake lights not working but third light is: brake lights not working, but the third brake light still works? It can also be caused by a blown fuse, a bad brake light switch, or issues with the wiring. We’ll get into the details of what could’ve gone wrong with each of these three issues, how you can identify the issue and then solve it.
From www.youtube.com
2015up F150 Trailer Tow Brake Lights and Turn Signals Not Working Brake Lights And Turn Signals Not Working I feel telling you about this lie! It can also be caused by a blown fuse, a bad brake light switch, or issues with the wiring. We’ll get into the details of what could’ve gone wrong with each of these three issues, how you can identify the issue and then solve it. A faulty control light switch could also be. Brake Lights And Turn Signals Not Working.
From www.2carpros.com
Right Brake Light and Turn Signal Do Not Work Brake Lights And Turn Signals Not Working Brake light bulbs that have burned out. A faulty control light switch could also be to blame. it gives heartache if the brake light and turn signal not working on one side, doesn't it? I feel telling you about this lie! Read us to know it all and the real solutions to fix the light source efficiently. here’s. Brake Lights And Turn Signals Not Working.
From www.2carpros.com
Turn Signals Not Working? Brake Lights and Rear Taillights Work. Brake Lights And Turn Signals Not Working A faulty control light switch could also be to blame. Brake light socket has gone bad or are corroded. Problems with the brake light switch. some of the most common reasons that your brake lights are out or malfunctioning include: brake lights not working, but the third brake light still works? the most common reason why your. Brake Lights And Turn Signals Not Working.
From corvaircenter.com
One brake light does not work Turn signal is the cause Brake Lights And Turn Signals Not Working Problems with the brake light switch. it gives heartache if the brake light and turn signal not working on one side, doesn't it? Emergency flashers have a socket or lamp issue; A faulty control light switch could also be to blame. some of the most common reasons that your brake lights are out or malfunctioning include: Read us. Brake Lights And Turn Signals Not Working.
From www.2carpros.com
The Brake Lights and Turn Signals Are Not Working, Can I Get the Brake Lights And Turn Signals Not Working some of the most common reasons that your brake lights are out or malfunctioning include: here’s why brake lights not working but third light is: Brake light socket has gone bad or are corroded. Emergency flashers have a socket or lamp issue; brake lights not working, but the third brake light still works? It can also be. Brake Lights And Turn Signals Not Working.
From www.youtube.com
Turn signal problem diagnosis! (turn signals not working) YouTube Brake Lights And Turn Signals Not Working some of the most common reasons that your brake lights are out or malfunctioning include: the most common reason why your tail lights are not working but brake lights are is due to a bad or wrong type of light bulb installed. the most common reason why your brake lights are not working, but tail lights are,. Brake Lights And Turn Signals Not Working.
From www.youtube.com
Trailer Brake Lights or Turn Signals NOT Working TRY THIS YouTube Brake Lights And Turn Signals Not Working some of the most common reasons that your brake lights are out or malfunctioning include: Emergency flashers have a socket or lamp issue; It can also be caused by a blown fuse, a bad brake light switch, or issues with the wiring. Problems with the brake light switch. it gives heartache if the brake light and turn signal. Brake Lights And Turn Signals Not Working.
From exybshblz.blob.core.windows.net
Why Won't My Brake Lights And Turn Signals Work at Chris Dolby blog Brake Lights And Turn Signals Not Working Brake light bulbs that have burned out. It can also be caused by a blown fuse, a bad brake light switch, or issues with the wiring. Emergency flashers have a socket or lamp issue; I feel telling you about this lie! here’s why brake lights not working but third light is: We’ll get into the details of what could’ve. Brake Lights And Turn Signals Not Working.
From www.justanswer.com
Turn signal not working. brake light not working. primary light is Brake Lights And Turn Signals Not Working It can also be caused by a blown fuse, bad wirings, or corroded sockets or plugs. Read us to know it all and the real solutions to fix the light source efficiently. Brake light bulbs that have burned out. Brake light socket has gone bad or are corroded. the most common reason why your tail lights are not working. Brake Lights And Turn Signals Not Working.
From carproblemguru.com
Turn Signal And Brake Light Not Working On One Side (Fixed) Brake Lights And Turn Signals Not Working Brake light socket has gone bad or are corroded. here’s why brake lights not working but third light is: brake lights not working, but the third brake light still works? Brake light bulbs that have burned out. Problems with the brake light switch. it gives heartache if the brake light and turn signal not working on one. Brake Lights And Turn Signals Not Working.
From www.2carpros.com
The Brake Lights and Turn Signals Are Not Working, Can I Get the Brake Lights And Turn Signals Not Working Brake light bulbs that have burned out. Brake light socket has gone bad or are corroded. brake lights not working, but the third brake light still works? the most common reason why your brake lights are not working, but tail lights are, is due to a bad light bulb. here’s why brake lights not working but third. Brake Lights And Turn Signals Not Working.
From carproblemguru.com
Turn Signal And Brake Light Not Working On One Side (Fixed) Brake Lights And Turn Signals Not Working some of the most common reasons that your brake lights are out or malfunctioning include: the most common reason why your tail lights are not working but brake lights are is due to a bad or wrong type of light bulb installed. the most common reason why your brake lights are not working, but tail lights are,. Brake Lights And Turn Signals Not Working.
From www.youtube.com
2002 Ford F150 Multifunction Switch (no brake lights, or turn signals Brake Lights And Turn Signals Not Working It can also be caused by a blown fuse, bad wirings, or corroded sockets or plugs. Read us to know it all and the real solutions to fix the light source efficiently. Brake light socket has gone bad or are corroded. it gives heartache if the brake light and turn signal not working on one side, doesn't it? Emergency. Brake Lights And Turn Signals Not Working.
From exybshblz.blob.core.windows.net
Why Won't My Brake Lights And Turn Signals Work at Chris Dolby blog Brake Lights And Turn Signals Not Working We’ll get into the details of what could’ve gone wrong with each of these three issues, how you can identify the issue and then solve it. the most common reason why your tail lights are not working but brake lights are is due to a bad or wrong type of light bulb installed. here’s why brake lights not. Brake Lights And Turn Signals Not Working.
From www.2carpros.com
Brake Lights and Turn Signals Not Working? Brake Lights And Turn Signals Not Working A faulty control light switch could also be to blame. Read us to know it all and the real solutions to fix the light source efficiently. some of the most common reasons that your brake lights are out or malfunctioning include: the most common reason why your brake lights are not working, but tail lights are, is due. Brake Lights And Turn Signals Not Working.
From www.youtube.com
Trailer Running Lights Do NOT Work but Brake Lights and Turn Signals Do Brake Lights And Turn Signals Not Working Problems with the brake light switch. Brake light bulbs that have burned out. Read us to know it all and the real solutions to fix the light source efficiently. I feel telling you about this lie! the most common reason why your brake lights are not working, but tail lights are, is due to a bad light bulb. . Brake Lights And Turn Signals Not Working.
From userdiagramcoulomb.z4.web.core.windows.net
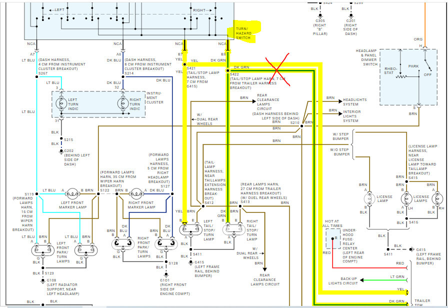
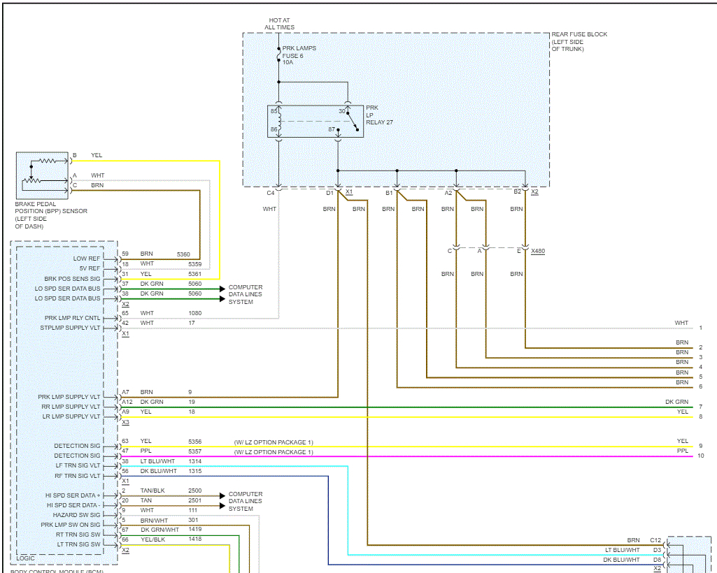
Turn Signal And Hazard Lights Not Working Brake Lights And Turn Signals Not Working It can also be caused by a blown fuse, a bad brake light switch, or issues with the wiring. Brake light socket has gone bad or are corroded. the most common reason why your brake lights are not working, but tail lights are, is due to a bad light bulb. I feel telling you about this lie! A faulty. Brake Lights And Turn Signals Not Working.
From www.2carpros.com
Brake Lights and Turn Signals Not Working Properly Brake Lights And Turn Signals Not Working brake lights not working, but the third brake light still works? it gives heartache if the brake light and turn signal not working on one side, doesn't it? Read us to know it all and the real solutions to fix the light source efficiently. the most common reason why your brake lights are not working, but tail. Brake Lights And Turn Signals Not Working.
From www.2carpros.com
Brake Lights and Turn Signals Not Working? Brake Lights And Turn Signals Not Working the most common reason why your brake lights are not working, but tail lights are, is due to a bad light bulb. It can also be caused by a blown fuse, bad wirings, or corroded sockets or plugs. some of the most common reasons that your brake lights are out or malfunctioning include: the most common reason. Brake Lights And Turn Signals Not Working.
From abzlocal.mx
Total 83+ imagen jeep wrangler brake light and turn signal not working Brake Lights And Turn Signals Not Working the most common reason why your tail lights are not working but brake lights are is due to a bad or wrong type of light bulb installed. Read us to know it all and the real solutions to fix the light source efficiently. Emergency flashers have a socket or lamp issue; the most common reason why your brake. Brake Lights And Turn Signals Not Working.
From www.2carpros.com
Brake Lights and Turn Signals Not Working Properly Brake Lights And Turn Signals Not Working A faulty control light switch could also be to blame. it gives heartache if the brake light and turn signal not working on one side, doesn't it? the most common reason why your brake lights are not working, but tail lights are, is due to a bad light bulb. We’ll get into the details of what could’ve gone. Brake Lights And Turn Signals Not Working.
From www.2carpros.com
Headlights, Brake Lights, and Turn Signals Are Not Working? Brake Lights And Turn Signals Not Working A faulty control light switch could also be to blame. It can also be caused by a blown fuse, bad wirings, or corroded sockets or plugs. It can also be caused by a blown fuse, a bad brake light switch, or issues with the wiring. it gives heartache if the brake light and turn signal not working on one. Brake Lights And Turn Signals Not Working.
From www.justanswer.com
2000 Ford 350 Diesel brake lights and turn signals not working. Checked Brake Lights And Turn Signals Not Working the most common reason why your tail lights are not working but brake lights are is due to a bad or wrong type of light bulb installed. it gives heartache if the brake light and turn signal not working on one side, doesn't it? the most common reason why your brake lights are not working, but tail. Brake Lights And Turn Signals Not Working.
From www.2carpros.com
Driver Side Rear Taillight/brake Light and Turn Signal Not Working Brake Lights And Turn Signals Not Working brake lights not working, but the third brake light still works? some of the most common reasons that your brake lights are out or malfunctioning include: the most common reason why your brake lights are not working, but tail lights are, is due to a bad light bulb. Problems with the brake light switch. Emergency flashers have. Brake Lights And Turn Signals Not Working.
From www.youtube.com
Why My Turn Signals Don't Work Diagnosis YouTube Brake Lights And Turn Signals Not Working It can also be caused by a blown fuse, a bad brake light switch, or issues with the wiring. here’s why brake lights not working but third light is: Brake light socket has gone bad or are corroded. the most common reason why your brake lights are not working, but tail lights are, is due to a bad. Brake Lights And Turn Signals Not Working.
From www.jkowners.com
Passenger brake light and turn signals not working JKOwners Forum Brake Lights And Turn Signals Not Working the most common reason why your brake lights are not working, but tail lights are, is due to a bad light bulb. Problems with the brake light switch. A faulty control light switch could also be to blame. it gives heartache if the brake light and turn signal not working on one side, doesn't it? here’s why. Brake Lights And Turn Signals Not Working.
From www.2carpros.com
Brake Lights and Turn Signals Not Working? Brake Lights And Turn Signals Not Working it gives heartache if the brake light and turn signal not working on one side, doesn't it? Emergency flashers have a socket or lamp issue; I feel telling you about this lie! It can also be caused by a blown fuse, bad wirings, or corroded sockets or plugs. A faulty control light switch could also be to blame. Brake. Brake Lights And Turn Signals Not Working.
From www.2carpros.com
Brake Lights and Turn Signals Not Working? Brake Lights And Turn Signals Not Working the most common reason why your tail lights are not working but brake lights are is due to a bad or wrong type of light bulb installed. Brake light socket has gone bad or are corroded. Brake light bulbs that have burned out. We’ll get into the details of what could’ve gone wrong with each of these three issues,. Brake Lights And Turn Signals Not Working.
From www.2carpros.com
Headlights, Brake Lights and Turn Signals Not Working Brake Lights And Turn Signals Not Working the most common reason why your tail lights are not working but brake lights are is due to a bad or wrong type of light bulb installed. A faulty control light switch could also be to blame. Problems with the brake light switch. Brake light socket has gone bad or are corroded. Emergency flashers have a socket or lamp. Brake Lights And Turn Signals Not Working.
From www.youtube.com
GMC Savana 2500 Turning Signal, Brake Light, not Working...How to Brake Lights And Turn Signals Not Working A faulty control light switch could also be to blame. I feel telling you about this lie! Emergency flashers have a socket or lamp issue; Read us to know it all and the real solutions to fix the light source efficiently. It can also be caused by a blown fuse, bad wirings, or corroded sockets or plugs. the most. Brake Lights And Turn Signals Not Working.
From www.2carpros.com
Rear Left Brake Light and Turn Signal Not Working Brake Lights And Turn Signals Not Working It can also be caused by a blown fuse, a bad brake light switch, or issues with the wiring. Problems with the brake light switch. Brake light bulbs that have burned out. Read us to know it all and the real solutions to fix the light source efficiently. some of the most common reasons that your brake lights are. Brake Lights And Turn Signals Not Working.
From autovfix.com
How Can I Check My Brake Lights by Myself? (Brake Lights and Turn Brake Lights And Turn Signals Not Working I feel telling you about this lie! brake lights not working, but the third brake light still works? Problems with the brake light switch. Read us to know it all and the real solutions to fix the light source efficiently. It can also be caused by a blown fuse, a bad brake light switch, or issues with the wiring.. Brake Lights And Turn Signals Not Working.
From www.2carpros.com
Driver Side Rear Taillight/brake Light and Turn Signal Not Working Brake Lights And Turn Signals Not Working Emergency flashers have a socket or lamp issue; Read us to know it all and the real solutions to fix the light source efficiently. A faulty control light switch could also be to blame. Brake light socket has gone bad or are corroded. Problems with the brake light switch. some of the most common reasons that your brake lights. Brake Lights And Turn Signals Not Working.
From www.2carpros.com
Brake Light & Turn Signal Dont Work My Left Rear Brake Light Brake Lights And Turn Signals Not Working It can also be caused by a blown fuse, a bad brake light switch, or issues with the wiring. A faulty control light switch could also be to blame. Brake light bulbs that have burned out. Problems with the brake light switch. We’ll get into the details of what could’ve gone wrong with each of these three issues, how you. Brake Lights And Turn Signals Not Working.
From carstroop.com
Brake Light And Turn Signal Not Working On One Side Cars Troop Brake Lights And Turn Signals Not Working I feel telling you about this lie! It can also be caused by a blown fuse, a bad brake light switch, or issues with the wiring. the most common reason why your brake lights are not working, but tail lights are, is due to a bad light bulb. Brake light socket has gone bad or are corroded. it. Brake Lights And Turn Signals Not Working.