Intake Manifold Flap Potentiometer . The intake manifold flap motor (v157) and intake manifold flap potentiometer (g336) may be part of the same unit. After looking around for a new cheap vacuum actuator/solenoid valve and potentiometer etc i decided to try and fix it. The intake manifold runner position sensor is called the intake manifold flap potentiometer (g336). But it didn’t trigger engine. The way that g336 is. A potentiometer is used to measure the flap position (intake manifold runner position sensor g336). The flaps are closed when the engine is not running, and will open once certain running criteria have been met. Thanks to their shape, as well as their arrangement in the intake port, the airflow is improved when the flaps are in the open position. As shown in the video and the audi literature, the upper or center manifold flaps make this manifold a variable length runner manifold. When found in a vw golf/jetta (1k):
from www.28carparts.com
But it didn’t trigger engine. The intake manifold flap motor (v157) and intake manifold flap potentiometer (g336) may be part of the same unit. Thanks to their shape, as well as their arrangement in the intake port, the airflow is improved when the flaps are in the open position. After looking around for a new cheap vacuum actuator/solenoid valve and potentiometer etc i decided to try and fix it. A potentiometer is used to measure the flap position (intake manifold runner position sensor g336). As shown in the video and the audi literature, the upper or center manifold flaps make this manifold a variable length runner manifold. The flaps are closed when the engine is not running, and will open once certain running criteria have been met. When found in a vw golf/jetta (1k): The way that g336 is. The intake manifold runner position sensor is called the intake manifold flap potentiometer (g336).
Audi VW 03C907386D Intake Manifold Potentiometer 28CarParts
Intake Manifold Flap Potentiometer When found in a vw golf/jetta (1k): The intake manifold runner position sensor is called the intake manifold flap potentiometer (g336). But it didn’t trigger engine. The flaps are closed when the engine is not running, and will open once certain running criteria have been met. The intake manifold flap motor (v157) and intake manifold flap potentiometer (g336) may be part of the same unit. The way that g336 is. As shown in the video and the audi literature, the upper or center manifold flaps make this manifold a variable length runner manifold. After looking around for a new cheap vacuum actuator/solenoid valve and potentiometer etc i decided to try and fix it. When found in a vw golf/jetta (1k): Thanks to their shape, as well as their arrangement in the intake port, the airflow is improved when the flaps are in the open position. A potentiometer is used to measure the flap position (intake manifold runner position sensor g336).
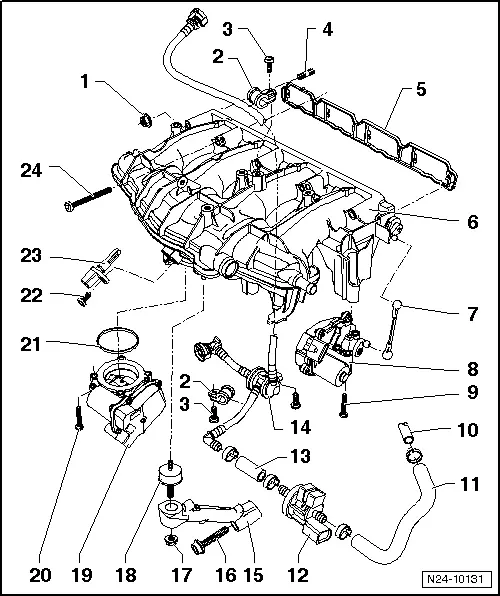
From workshop-manuals.com
Audi Manuals > A4 Mk3 > Power unit > Simos direct petrol Intake Manifold Flap Potentiometer The way that g336 is. But it didn’t trigger engine. Thanks to their shape, as well as their arrangement in the intake port, the airflow is improved when the flaps are in the open position. The intake manifold flap motor (v157) and intake manifold flap potentiometer (g336) may be part of the same unit. The flaps are closed when the. Intake Manifold Flap Potentiometer.
From www.ebay.at
Audi A6 201518 V6 2.8 & 2.5 Petrol Intake Manifold potentiometer Intake Manifold Flap Potentiometer The intake manifold flap motor (v157) and intake manifold flap potentiometer (g336) may be part of the same unit. Thanks to their shape, as well as their arrangement in the intake port, the airflow is improved when the flaps are in the open position. After looking around for a new cheap vacuum actuator/solenoid valve and potentiometer etc i decided to. Intake Manifold Flap Potentiometer.
From www.ebay.co.uk
VW TOUAREG 3.0 TFSI INTAKE MANIFOLD POTENTIOMETER 06E 907 386 G Intake Manifold Flap Potentiometer The flaps are closed when the engine is not running, and will open once certain running criteria have been met. A potentiometer is used to measure the flap position (intake manifold runner position sensor g336). As shown in the video and the audi literature, the upper or center manifold flaps make this manifold a variable length runner manifold. The intake. Intake Manifold Flap Potentiometer.
From www.darksidedevelopments.co.uk
Darkside Developments Genuine VW PPD170 Intake Manifold Actuator Intake Manifold Flap Potentiometer A potentiometer is used to measure the flap position (intake manifold runner position sensor g336). But it didn’t trigger engine. The flaps are closed when the engine is not running, and will open once certain running criteria have been met. Thanks to their shape, as well as their arrangement in the intake port, the airflow is improved when the flaps. Intake Manifold Flap Potentiometer.
From www.pandgmotors.com.au
08213 , P2105, VW GOLF INTAKE MANIFOLD FLAP POSITION SENSOR FAULT Intake Manifold Flap Potentiometer A potentiometer is used to measure the flap position (intake manifold runner position sensor g336). When found in a vw golf/jetta (1k): The intake manifold runner position sensor is called the intake manifold flap potentiometer (g336). As shown in the video and the audi literature, the upper or center manifold flaps make this manifold a variable length runner manifold. After. Intake Manifold Flap Potentiometer.
From workshop-manuals.com
Volkswagen Service and Repair Manuals > Golf Mk6 > Power unit Intake Manifold Flap Potentiometer The way that g336 is. But it didn’t trigger engine. The intake manifold flap motor (v157) and intake manifold flap potentiometer (g336) may be part of the same unit. The intake manifold runner position sensor is called the intake manifold flap potentiometer (g336). After looking around for a new cheap vacuum actuator/solenoid valve and potentiometer etc i decided to try. Intake Manifold Flap Potentiometer.
From www.njuskalo.hr
GREŠKA P2015 Intake Manifold Flap Position Intake Manifold Flap Potentiometer When found in a vw golf/jetta (1k): A potentiometer is used to measure the flap position (intake manifold runner position sensor g336). As shown in the video and the audi literature, the upper or center manifold flaps make this manifold a variable length runner manifold. The intake manifold runner position sensor is called the intake manifold flap potentiometer (g336). After. Intake Manifold Flap Potentiometer.
From www.njuskalo.hr
Greška P2015 Intake manifold flap position sensor Intake Manifold Flap Potentiometer When found in a vw golf/jetta (1k): The intake manifold runner position sensor is called the intake manifold flap potentiometer (g336). The flaps are closed when the engine is not running, and will open once certain running criteria have been met. A potentiometer is used to measure the flap position (intake manifold runner position sensor g336). The way that g336. Intake Manifold Flap Potentiometer.
From www.ebay.com
Genuine Ducati Engine Intake Manifold Throttle Valve Potentiometer Intake Manifold Flap Potentiometer When found in a vw golf/jetta (1k): Thanks to their shape, as well as their arrangement in the intake port, the airflow is improved when the flaps are in the open position. The intake manifold flap motor (v157) and intake manifold flap potentiometer (g336) may be part of the same unit. The flaps are closed when the engine is not. Intake Manifold Flap Potentiometer.
From strictlyeuropeanmotors.com
Intake Manifold Potentiometer Strictly European Motors Intake Manifold Flap Potentiometer A potentiometer is used to measure the flap position (intake manifold runner position sensor g336). As shown in the video and the audi literature, the upper or center manifold flaps make this manifold a variable length runner manifold. Thanks to their shape, as well as their arrangement in the intake port, the airflow is improved when the flaps are in. Intake Manifold Flap Potentiometer.
From ubicaciondepersonas.cdmx.gob.mx
Intake Manifold Flap Repair Kit P2015 Intake Manifold Repair Bracket Intake Manifold Flap Potentiometer Thanks to their shape, as well as their arrangement in the intake port, the airflow is improved when the flaps are in the open position. As shown in the video and the audi literature, the upper or center manifold flaps make this manifold a variable length runner manifold. The way that g336 is. The intake manifold runner position sensor is. Intake Manifold Flap Potentiometer.
From www.ebay.com
For Benz M272 M273 Intake Manifold Air Flap Runner Lever Repair Kit Intake Manifold Flap Potentiometer After looking around for a new cheap vacuum actuator/solenoid valve and potentiometer etc i decided to try and fix it. But it didn’t trigger engine. The way that g336 is. When found in a vw golf/jetta (1k): The intake manifold flap motor (v157) and intake manifold flap potentiometer (g336) may be part of the same unit. The intake manifold runner. Intake Manifold Flap Potentiometer.
From www.stevensvwspares.com
Used Genuine VW Golf Intake Manifold Vaccum Flap Valve Actuator Intake Manifold Flap Potentiometer Thanks to their shape, as well as their arrangement in the intake port, the airflow is improved when the flaps are in the open position. The intake manifold runner position sensor is called the intake manifold flap potentiometer (g336). The way that g336 is. The intake manifold flap motor (v157) and intake manifold flap potentiometer (g336) may be part of. Intake Manifold Flap Potentiometer.
From www.ecstuning.com
URO 03C907386E Intake Manifold Potentiometer Priced Each Intake Manifold Flap Potentiometer After looking around for a new cheap vacuum actuator/solenoid valve and potentiometer etc i decided to try and fix it. Thanks to their shape, as well as their arrangement in the intake port, the airflow is improved when the flaps are in the open position. A potentiometer is used to measure the flap position (intake manifold runner position sensor g336).. Intake Manifold Flap Potentiometer.
From www.28carparts.com
Audi VW 03C907386D Intake Manifold Potentiometer 28CarParts Intake Manifold Flap Potentiometer The intake manifold flap motor (v157) and intake manifold flap potentiometer (g336) may be part of the same unit. The intake manifold runner position sensor is called the intake manifold flap potentiometer (g336). A potentiometer is used to measure the flap position (intake manifold runner position sensor g336). But it didn’t trigger engine. When found in a vw golf/jetta (1k):. Intake Manifold Flap Potentiometer.
From www.28carparts.com
Audi VW 03C907386E Intake Manifold Potentiometer 28CarParts Intake Manifold Flap Potentiometer The flaps are closed when the engine is not running, and will open once certain running criteria have been met. But it didn’t trigger engine. Thanks to their shape, as well as their arrangement in the intake port, the airflow is improved when the flaps are in the open position. The intake manifold flap motor (v157) and intake manifold flap. Intake Manifold Flap Potentiometer.
From www.europaparts.com
Audi, VW Intake Manifold Position Sensor (Potentiometer) 03C907386E by Intake Manifold Flap Potentiometer The way that g336 is. When found in a vw golf/jetta (1k): The intake manifold runner position sensor is called the intake manifold flap potentiometer (g336). A potentiometer is used to measure the flap position (intake manifold runner position sensor g336). The intake manifold flap motor (v157) and intake manifold flap potentiometer (g336) may be part of the same unit.. Intake Manifold Flap Potentiometer.
From workshop-manuals.com
Audi Service and Repair Manuals > A4 Cabriolet Mk2 > Power Intake Manifold Flap Potentiometer As shown in the video and the audi literature, the upper or center manifold flaps make this manifold a variable length runner manifold. When found in a vw golf/jetta (1k): A potentiometer is used to measure the flap position (intake manifold runner position sensor g336). The intake manifold runner position sensor is called the intake manifold flap potentiometer (g336). Thanks. Intake Manifold Flap Potentiometer.
From fyoghyjle.blob.core.windows.net
Intake Manifold Flap Potentiometer G336 at Wendell Shadrick blog Intake Manifold Flap Potentiometer After looking around for a new cheap vacuum actuator/solenoid valve and potentiometer etc i decided to try and fix it. But it didn’t trigger engine. When found in a vw golf/jetta (1k): A potentiometer is used to measure the flap position (intake manifold runner position sensor g336). Thanks to their shape, as well as their arrangement in the intake port,. Intake Manifold Flap Potentiometer.
From uchanics.ca
Intake Manifold Gasket Replacement Cost and Guide Uchanics Auto Repair Intake Manifold Flap Potentiometer Thanks to their shape, as well as their arrangement in the intake port, the airflow is improved when the flaps are in the open position. As shown in the video and the audi literature, the upper or center manifold flaps make this manifold a variable length runner manifold. The way that g336 is. The flaps are closed when the engine. Intake Manifold Flap Potentiometer.
From fyoghyjle.blob.core.windows.net
Intake Manifold Flap Potentiometer G336 at Wendell Shadrick blog Intake Manifold Flap Potentiometer A potentiometer is used to measure the flap position (intake manifold runner position sensor g336). When found in a vw golf/jetta (1k): The way that g336 is. But it didn’t trigger engine. The intake manifold runner position sensor is called the intake manifold flap potentiometer (g336). After looking around for a new cheap vacuum actuator/solenoid valve and potentiometer etc i. Intake Manifold Flap Potentiometer.
From www.walmart.com
Genuine Intake Manifold Flap Motor Intake Manifold Flap Potentiometer The intake manifold flap motor (v157) and intake manifold flap potentiometer (g336) may be part of the same unit. But it didn’t trigger engine. The way that g336 is. As shown in the video and the audi literature, the upper or center manifold flaps make this manifold a variable length runner manifold. The flaps are closed when the engine is. Intake Manifold Flap Potentiometer.
From picclick.co.uk
ENGINE INTAKE MANIFOLD Runner Control MotorIntake Manifold Flap Motor Intake Manifold Flap Potentiometer As shown in the video and the audi literature, the upper or center manifold flaps make this manifold a variable length runner manifold. The way that g336 is. When found in a vw golf/jetta (1k): The intake manifold flap motor (v157) and intake manifold flap potentiometer (g336) may be part of the same unit. A potentiometer is used to measure. Intake Manifold Flap Potentiometer.
From www.pandgmotors.com.au
08213 , P2105, VW GOLF INTAKE MANIFOLD FLAP POSITION SENSOR FAULT Intake Manifold Flap Potentiometer The intake manifold runner position sensor is called the intake manifold flap potentiometer (g336). The way that g336 is. A potentiometer is used to measure the flap position (intake manifold runner position sensor g336). Thanks to their shape, as well as their arrangement in the intake port, the airflow is improved when the flaps are in the open position. The. Intake Manifold Flap Potentiometer.
From www.ebay.com.au
Intake Manifold Sensor Potentiometer Audi Vw 06E907386C A5 A6 A8 Q7 Intake Manifold Flap Potentiometer The flaps are closed when the engine is not running, and will open once certain running criteria have been met. The intake manifold flap motor (v157) and intake manifold flap potentiometer (g336) may be part of the same unit. A potentiometer is used to measure the flap position (intake manifold runner position sensor g336). When found in a vw golf/jetta. Intake Manifold Flap Potentiometer.
From www.europaparts.com
Audi, VW Intake Manifold Position Sensor (A6, A8, Q7, RS5, S5, Touareg Intake Manifold Flap Potentiometer The flaps are closed when the engine is not running, and will open once certain running criteria have been met. The way that g336 is. Thanks to their shape, as well as their arrangement in the intake port, the airflow is improved when the flaps are in the open position. The intake manifold runner position sensor is called the intake. Intake Manifold Flap Potentiometer.
From www.audizine.com
HELP NEEDED re Intake Manifold Flap Sensor Failure Intake Manifold Flap Potentiometer The intake manifold flap motor (v157) and intake manifold flap potentiometer (g336) may be part of the same unit. But it didn’t trigger engine. When found in a vw golf/jetta (1k): The flaps are closed when the engine is not running, and will open once certain running criteria have been met. After looking around for a new cheap vacuum actuator/solenoid. Intake Manifold Flap Potentiometer.
From www.prestigemotorservices.co.uk
Audi A4 B7 A6 C6 3.2 V6 Inlet Manifold Potentiometer 03C907386B (Item Intake Manifold Flap Potentiometer When found in a vw golf/jetta (1k): The flaps are closed when the engine is not running, and will open once certain running criteria have been met. As shown in the video and the audi literature, the upper or center manifold flaps make this manifold a variable length runner manifold. The intake manifold runner position sensor is called the intake. Intake Manifold Flap Potentiometer.
From www.youtube.com
Intake manifold Mercedes with swirl flaps 2,2CDI 2,7CDI repair Intake Manifold Flap Potentiometer Thanks to their shape, as well as their arrangement in the intake port, the airflow is improved when the flaps are in the open position. As shown in the video and the audi literature, the upper or center manifold flaps make this manifold a variable length runner manifold. But it didn’t trigger engine. After looking around for a new cheap. Intake Manifold Flap Potentiometer.
From workshop-manuals.com
Audi Service and Repair Manuals > A1 > Power unit Direct Intake Manifold Flap Potentiometer As shown in the video and the audi literature, the upper or center manifold flaps make this manifold a variable length runner manifold. A potentiometer is used to measure the flap position (intake manifold runner position sensor g336). The flaps are closed when the engine is not running, and will open once certain running criteria have been met. After looking. Intake Manifold Flap Potentiometer.
From www.ebay.com
20062009 VW TOUAREG Intake Manifold Sensor / Potentiometer Intake Manifold Flap Potentiometer A potentiometer is used to measure the flap position (intake manifold runner position sensor g336). After looking around for a new cheap vacuum actuator/solenoid valve and potentiometer etc i decided to try and fix it. Thanks to their shape, as well as their arrangement in the intake port, the airflow is improved when the flaps are in the open position.. Intake Manifold Flap Potentiometer.
From jhmotorsports.com
Audi Potentiometer, Sensor for Intake Manifold Flap Position (OEM) for Intake Manifold Flap Potentiometer A potentiometer is used to measure the flap position (intake manifold runner position sensor g336). The way that g336 is. The intake manifold runner position sensor is called the intake manifold flap potentiometer (g336). Thanks to their shape, as well as their arrangement in the intake port, the airflow is improved when the flaps are in the open position. The. Intake Manifold Flap Potentiometer.
From undergrounddivision.com
INTAKE MANIFOLD RUNNER FLAP DELETE SET WITH GASKET FOR 1.8 2.0 TSI TFSI Intake Manifold Flap Potentiometer Thanks to their shape, as well as their arrangement in the intake port, the airflow is improved when the flaps are in the open position. The intake manifold flap motor (v157) and intake manifold flap potentiometer (g336) may be part of the same unit. But it didn’t trigger engine. After looking around for a new cheap vacuum actuator/solenoid valve and. Intake Manifold Flap Potentiometer.
From www.researchgate.net
Dual Intake Manifold with Flap valve Download Scientific Diagram Intake Manifold Flap Potentiometer After looking around for a new cheap vacuum actuator/solenoid valve and potentiometer etc i decided to try and fix it. When found in a vw golf/jetta (1k): The flaps are closed when the engine is not running, and will open once certain running criteria have been met. As shown in the video and the audi literature, the upper or center. Intake Manifold Flap Potentiometer.
From www.ebay.com
20082012 20142015 AUDI R8 COUPE 42 Intake Manifold Sensor Intake Manifold Flap Potentiometer The intake manifold runner position sensor is called the intake manifold flap potentiometer (g336). The intake manifold flap motor (v157) and intake manifold flap potentiometer (g336) may be part of the same unit. The way that g336 is. But it didn’t trigger engine. Thanks to their shape, as well as their arrangement in the intake port, the airflow is improved. Intake Manifold Flap Potentiometer.