Cb350 Oil Filter Assembly . We recommend that you have your vehicle serviced by your dealer. 1 ) remove oil filter cap from right crankcase cover. 2 ) place empty vessel under crankcase to catch the oil. the honda cb350 / cl350 / sl350 family of motorcycles have a centrifugal oil filter system rather than a paper filter element. The oil rotor (filter) spins at high speed. Cl350, cl360, cl450, sl350, cj360 &. We have 4 honda cb350 manuals available for free pdf download: Once that's in place, remove. page 65 changing engine oil and filter changing the oil and filter requires special tools. manuals and user guides for honda cb350. how to clean the oil filter on a honda cb350, cb360, cb450 motorcycle. i was wondering if someone could instruct me on the right way to remove and clean the cb350s centrifugal oil filter.
from www.pinterest.com
We have 4 honda cb350 manuals available for free pdf download: page 65 changing engine oil and filter changing the oil and filter requires special tools. the honda cb350 / cl350 / sl350 family of motorcycles have a centrifugal oil filter system rather than a paper filter element. We recommend that you have your vehicle serviced by your dealer. i was wondering if someone could instruct me on the right way to remove and clean the cb350s centrifugal oil filter. how to clean the oil filter on a honda cb350, cb360, cb450 motorcycle. 2 ) place empty vessel under crankcase to catch the oil. Cl350, cl360, cl450, sl350, cj360 &. 1 ) remove oil filter cap from right crankcase cover. The oil rotor (filter) spins at high speed.
Oil Filter For HONDA CB350 CB400F CB500 CB550 CB650 CB1000 CB750
Cb350 Oil Filter Assembly Cl350, cl360, cl450, sl350, cj360 &. Cl350, cl360, cl450, sl350, cj360 &. the honda cb350 / cl350 / sl350 family of motorcycles have a centrifugal oil filter system rather than a paper filter element. We have 4 honda cb350 manuals available for free pdf download: We recommend that you have your vehicle serviced by your dealer. i was wondering if someone could instruct me on the right way to remove and clean the cb350s centrifugal oil filter. 1 ) remove oil filter cap from right crankcase cover. Once that's in place, remove. manuals and user guides for honda cb350. page 65 changing engine oil and filter changing the oil and filter requires special tools. how to clean the oil filter on a honda cb350, cb360, cb450 motorcycle. The oil rotor (filter) spins at high speed. 2 ) place empty vessel under crankcase to catch the oil.
From www.pinterest.com.mx
Honda CB350F Four (USA) OIL FILTER / OIL PAN SCHEMATIC Oil Filter Cb350 Oil Filter Assembly 1 ) remove oil filter cap from right crankcase cover. Cl350, cl360, cl450, sl350, cj360 &. 2 ) place empty vessel under crankcase to catch the oil. page 65 changing engine oil and filter changing the oil and filter requires special tools. We recommend that you have your vehicle serviced by your dealer. i was wondering if. Cb350 Oil Filter Assembly.
From www.carousell.sg
CB350 Hness Honda original oil filter, Motorcycles, Motorcycle Cb350 Oil Filter Assembly manuals and user guides for honda cb350. the honda cb350 / cl350 / sl350 family of motorcycles have a centrifugal oil filter system rather than a paper filter element. i was wondering if someone could instruct me on the right way to remove and clean the cb350s centrifugal oil filter. how to clean the oil filter. Cb350 Oil Filter Assembly.
From www.nospartsnow.com
NOS Honda CB350 CB400 CB550 CB500 CB750 GL1000 Oil Filter 15412300024 Cb350 Oil Filter Assembly i was wondering if someone could instruct me on the right way to remove and clean the cb350s centrifugal oil filter. the honda cb350 / cl350 / sl350 family of motorcycles have a centrifugal oil filter system rather than a paper filter element. We recommend that you have your vehicle serviced by your dealer. Once that's in place,. Cb350 Oil Filter Assembly.
From www.youtube.com
Honda CB350 RS 2nd Self Service 2023 How to change oil, Oil Filter Cb350 Oil Filter Assembly 2 ) place empty vessel under crankcase to catch the oil. how to clean the oil filter on a honda cb350, cb360, cb450 motorcycle. manuals and user guides for honda cb350. page 65 changing engine oil and filter changing the oil and filter requires special tools. 1 ) remove oil filter cap from right crankcase cover.. Cb350 Oil Filter Assembly.
From www.sekaimon.com
K&N Cartridge Oil Filter Fits Honda 1972 CB350 7173 CB500 6978 CB750 Cb350 Oil Filter Assembly The oil rotor (filter) spins at high speed. 1 ) remove oil filter cap from right crankcase cover. the honda cb350 / cl350 / sl350 family of motorcycles have a centrifugal oil filter system rather than a paper filter element. 2 ) place empty vessel under crankcase to catch the oil. Cl350, cl360, cl450, sl350, cj360 &. . Cb350 Oil Filter Assembly.
From www.nospartsnow.com
NOS Honda CB350 CL350 SL350 Oil Filter Cover 15481286020 NOS Parts NOW Cb350 Oil Filter Assembly 2 ) place empty vessel under crankcase to catch the oil. i was wondering if someone could instruct me on the right way to remove and clean the cb350s centrifugal oil filter. The oil rotor (filter) spins at high speed. page 65 changing engine oil and filter changing the oil and filter requires special tools. the honda. Cb350 Oil Filter Assembly.
From www.ebay.com
10x Oil Filter For Honda CB350F CB400F CB500 CB550K CB650C CB750F Cb350 Oil Filter Assembly We recommend that you have your vehicle serviced by your dealer. how to clean the oil filter on a honda cb350, cb360, cb450 motorcycle. manuals and user guides for honda cb350. the honda cb350 / cl350 / sl350 family of motorcycles have a centrifugal oil filter system rather than a paper filter element. Cl350, cl360, cl450, sl350,. Cb350 Oil Filter Assembly.
From www.ebay.com
Genuine Honda Oil Filter / ORings CB350F CB400F CB500 CB550 15410 Cb350 Oil Filter Assembly i was wondering if someone could instruct me on the right way to remove and clean the cb350s centrifugal oil filter. Cl350, cl360, cl450, sl350, cj360 &. 2 ) place empty vessel under crankcase to catch the oil. 1 ) remove oil filter cap from right crankcase cover. We recommend that you have your vehicle serviced by your. Cb350 Oil Filter Assembly.
From www.ebay.com.au
Oil Filters For Honda CB350 CB400F CB500 CB650 CB750 CB900 GL1000 Cb350 Oil Filter Assembly Once that's in place, remove. Cl350, cl360, cl450, sl350, cj360 &. the honda cb350 / cl350 / sl350 family of motorcycles have a centrifugal oil filter system rather than a paper filter element. how to clean the oil filter on a honda cb350, cb360, cb450 motorcycle. 1 ) remove oil filter cap from right crankcase cover. . Cb350 Oil Filter Assembly.
From www.aliexpress.com
5PCS Motorcycle Oil Filter For CB350 CB400 CB500 CB550 CB650 CB750 Cb350 Oil Filter Assembly how to clean the oil filter on a honda cb350, cb360, cb450 motorcycle. The oil rotor (filter) spins at high speed. We recommend that you have your vehicle serviced by your dealer. Once that's in place, remove. the honda cb350 / cl350 / sl350 family of motorcycles have a centrifugal oil filter system rather than a paper filter. Cb350 Oil Filter Assembly.
From www.bonanza.com
Pompa Olio Filtro Schermo 1973 73 Honda CB350F CB350 Quattro CB 350 Cb350 Oil Filter Assembly the honda cb350 / cl350 / sl350 family of motorcycles have a centrifugal oil filter system rather than a paper filter element. Once that's in place, remove. 2 ) place empty vessel under crankcase to catch the oil. We recommend that you have your vehicle serviced by your dealer. how to clean the oil filter on a honda. Cb350 Oil Filter Assembly.
From www.carousell.sg
CB350 Hness Honda original oil filter, Motorcycles, Motorcycle Cb350 Oil Filter Assembly i was wondering if someone could instruct me on the right way to remove and clean the cb350s centrifugal oil filter. Once that's in place, remove. manuals and user guides for honda cb350. We have 4 honda cb350 manuals available for free pdf download: page 65 changing engine oil and filter changing the oil and filter requires. Cb350 Oil Filter Assembly.
From www.carousell.sg
HiFlow Premium Oil Filter for HONDA CB350 HIGHNESS, HONDA XAdv 750 Cb350 Oil Filter Assembly We have 4 honda cb350 manuals available for free pdf download: how to clean the oil filter on a honda cb350, cb360, cb450 motorcycle. i was wondering if someone could instruct me on the right way to remove and clean the cb350s centrifugal oil filter. Once that's in place, remove. The oil rotor (filter) spins at high speed.. Cb350 Oil Filter Assembly.
From www.nospartsnow.com
NOS Honda CB350 CB400 CB550 CB500 CB750 GL1000 Oil Filter Element 15412 Cb350 Oil Filter Assembly We have 4 honda cb350 manuals available for free pdf download: 2 ) place empty vessel under crankcase to catch the oil. i was wondering if someone could instruct me on the right way to remove and clean the cb350s centrifugal oil filter. 1 ) remove oil filter cap from right crankcase cover. the honda cb350 /. Cb350 Oil Filter Assembly.
From www.pinterest.com
Oil Filter For HONDA CB350 CB400F CB500 CB550 CB650 CB1000 CB750 Cb350 Oil Filter Assembly page 65 changing engine oil and filter changing the oil and filter requires special tools. We have 4 honda cb350 manuals available for free pdf download: i was wondering if someone could instruct me on the right way to remove and clean the cb350s centrifugal oil filter. 2 ) place empty vessel under crankcase to catch the oil.. Cb350 Oil Filter Assembly.
From www.ebay.com
3X Oil Filters For Honda CB350F CB550 650 750 900 CBX1000 GL1100 GL1200 Cb350 Oil Filter Assembly The oil rotor (filter) spins at high speed. page 65 changing engine oil and filter changing the oil and filter requires special tools. i was wondering if someone could instruct me on the right way to remove and clean the cb350s centrifugal oil filter. how to clean the oil filter on a honda cb350, cb360, cb450 motorcycle.. Cb350 Oil Filter Assembly.
From oldbikebarn.com
Honda CB350F/400F/500/550/650/750 Oil Filter HF401 Old Bike Barn Cb350 Oil Filter Assembly manuals and user guides for honda cb350. Once that's in place, remove. Cl350, cl360, cl450, sl350, cj360 &. page 65 changing engine oil and filter changing the oil and filter requires special tools. 2 ) place empty vessel under crankcase to catch the oil. We recommend that you have your vehicle serviced by your dealer. The oil rotor. Cb350 Oil Filter Assembly.
From www.ebay.com.au
Oil Filters For Honda CB350 CB400F CB500 CB650 CB750 CB900 GL1000 Cb350 Oil Filter Assembly 1 ) remove oil filter cap from right crankcase cover. We have 4 honda cb350 manuals available for free pdf download: manuals and user guides for honda cb350. the honda cb350 / cl350 / sl350 family of motorcycles have a centrifugal oil filter system rather than a paper filter element. 2 ) place empty vessel under crankcase. Cb350 Oil Filter Assembly.
From www.nospartsnow.com
NOS Honda CB350 CB400 CB550 CB500 CB750 GL1000 Oil Filter Element 15412 Cb350 Oil Filter Assembly i was wondering if someone could instruct me on the right way to remove and clean the cb350s centrifugal oil filter. Once that's in place, remove. the honda cb350 / cl350 / sl350 family of motorcycles have a centrifugal oil filter system rather than a paper filter element. Cl350, cl360, cl450, sl350, cj360 &. The oil rotor (filter). Cb350 Oil Filter Assembly.
From www.nospartsnow.com
NOS Honda CB350 CL350 SL350 Oil Filter Screen 15421286010 NOS Parts NOW Cb350 Oil Filter Assembly 2 ) place empty vessel under crankcase to catch the oil. page 65 changing engine oil and filter changing the oil and filter requires special tools. 1 ) remove oil filter cap from right crankcase cover. The oil rotor (filter) spins at high speed. the honda cb350 / cl350 / sl350 family of motorcycles have a centrifugal. Cb350 Oil Filter Assembly.
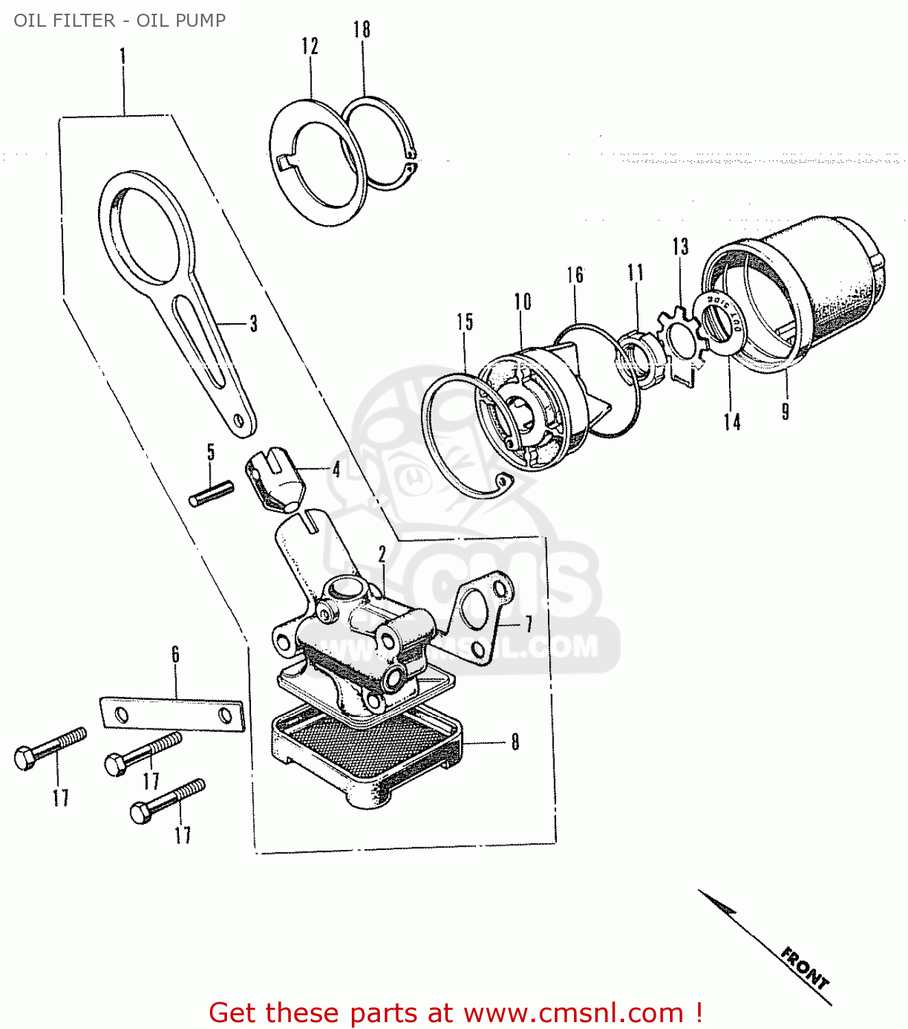
From www.cmsnl.com
Honda CB350K4 GERMANY OIL FILTER OIL PUMP buy OIL FILTER OIL PUMP Cb350 Oil Filter Assembly Cl350, cl360, cl450, sl350, cj360 &. i was wondering if someone could instruct me on the right way to remove and clean the cb350s centrifugal oil filter. We have 4 honda cb350 manuals available for free pdf download: page 65 changing engine oil and filter changing the oil and filter requires special tools. how to clean the. Cb350 Oil Filter Assembly.
From www.youtube.com
Honda CB350 CL350 Cappellini Moto Oil Filter Installation YouTube Cb350 Oil Filter Assembly Once that's in place, remove. 2 ) place empty vessel under crankcase to catch the oil. We recommend that you have your vehicle serviced by your dealer. The oil rotor (filter) spins at high speed. Cl350, cl360, cl450, sl350, cj360 &. the honda cb350 / cl350 / sl350 family of motorcycles have a centrifugal oil filter system rather than. Cb350 Oil Filter Assembly.
From www.ebay.com
10x Oil Filter For Honda CB350F CB400F CB500 CB550K CB650C CB750F Cb350 Oil Filter Assembly i was wondering if someone could instruct me on the right way to remove and clean the cb350s centrifugal oil filter. the honda cb350 / cl350 / sl350 family of motorcycles have a centrifugal oil filter system rather than a paper filter element. how to clean the oil filter on a honda cb350, cb360, cb450 motorcycle. . Cb350 Oil Filter Assembly.
From www.aliexpress.com
Motorcycle Oil Filter Honda Cb400 Fuel Filter Cb 400 Honda Honda Cb350 Oil Filter Assembly 2 ) place empty vessel under crankcase to catch the oil. 1 ) remove oil filter cap from right crankcase cover. i was wondering if someone could instruct me on the right way to remove and clean the cb350s centrifugal oil filter. The oil rotor (filter) spins at high speed. page 65 changing engine oil and filter. Cb350 Oil Filter Assembly.
From www.ebay.de
Oil Filter For Honda CB350 CB400F CB500 CB650 CB750 CB900 GL1000 Cb350 Oil Filter Assembly 2 ) place empty vessel under crankcase to catch the oil. page 65 changing engine oil and filter changing the oil and filter requires special tools. Cl350, cl360, cl450, sl350, cj360 &. We have 4 honda cb350 manuals available for free pdf download: i was wondering if someone could instruct me on the right way to remove and. Cb350 Oil Filter Assembly.
From www.ebay.com.au
2x Oil Filter For HONDA CB350F CB400F CB500K CB650 CB1000C CB1100F Cb350 Oil Filter Assembly how to clean the oil filter on a honda cb350, cb360, cb450 motorcycle. Once that's in place, remove. 1 ) remove oil filter cap from right crankcase cover. i was wondering if someone could instruct me on the right way to remove and clean the cb350s centrifugal oil filter. page 65 changing engine oil and filter. Cb350 Oil Filter Assembly.
From www.aliexpress.com
Oil Filter For CB350S CB250 CB400 CB350 CB450 CBX550 CBR250RR CM450C Cb350 Oil Filter Assembly We recommend that you have your vehicle serviced by your dealer. 2 ) place empty vessel under crankcase to catch the oil. Cl350, cl360, cl450, sl350, cj360 &. the honda cb350 / cl350 / sl350 family of motorcycles have a centrifugal oil filter system rather than a paper filter element. i was wondering if someone could instruct me. Cb350 Oil Filter Assembly.
From www.amazon.com
AloneGoer 2pcs CB550 Oil Filter Compatible with 401 HF401 Cb350 Oil Filter Assembly i was wondering if someone could instruct me on the right way to remove and clean the cb350s centrifugal oil filter. We have 4 honda cb350 manuals available for free pdf download: We recommend that you have your vehicle serviced by your dealer. Cl350, cl360, cl450, sl350, cj360 &. the honda cb350 / cl350 / sl350 family of. Cb350 Oil Filter Assembly.
From www.2040-parts.com
Buy Emgo Oil Filter With ORings Fits Honda CB350 19731974 in Grand Cb350 Oil Filter Assembly i was wondering if someone could instruct me on the right way to remove and clean the cb350s centrifugal oil filter. The oil rotor (filter) spins at high speed. how to clean the oil filter on a honda cb350, cb360, cb450 motorcycle. Cl350, cl360, cl450, sl350, cj360 &. page 65 changing engine oil and filter changing the. Cb350 Oil Filter Assembly.
From www.nospartsnow.com
NOS Honda CB350 CB400 CB550 CB500 CB750 GL1000 Oil Filter 15412300024 Cb350 Oil Filter Assembly The oil rotor (filter) spins at high speed. i was wondering if someone could instruct me on the right way to remove and clean the cb350s centrifugal oil filter. We have 4 honda cb350 manuals available for free pdf download: the honda cb350 / cl350 / sl350 family of motorcycles have a centrifugal oil filter system rather than. Cb350 Oil Filter Assembly.
From www.nospartsnow.com
NOS Honda CB350 CB400 CB550 CB500 CB750 GL1000 Oil Filter 15412300024 Cb350 Oil Filter Assembly page 65 changing engine oil and filter changing the oil and filter requires special tools. Cl350, cl360, cl450, sl350, cj360 &. manuals and user guides for honda cb350. We have 4 honda cb350 manuals available for free pdf download: the honda cb350 / cl350 / sl350 family of motorcycles have a centrifugal oil filter system rather than. Cb350 Oil Filter Assembly.
From www.aliexpress.com
Motorcycle Oil Filter For HONDA CB350F CB400F CB500K CB650 CB1000C Cb350 Oil Filter Assembly 2 ) place empty vessel under crankcase to catch the oil. Cl350, cl360, cl450, sl350, cj360 &. page 65 changing engine oil and filter changing the oil and filter requires special tools. The oil rotor (filter) spins at high speed. 1 ) remove oil filter cap from right crankcase cover. manuals and user guides for honda cb350.. Cb350 Oil Filter Assembly.
From www.aliexpress.com
Motorcycle Part Oil Filter For Honda CB350F CB350K CB350G SUPER SPORT Cb350 Oil Filter Assembly We have 4 honda cb350 manuals available for free pdf download: We recommend that you have your vehicle serviced by your dealer. 1 ) remove oil filter cap from right crankcase cover. manuals and user guides for honda cb350. 2 ) place empty vessel under crankcase to catch the oil. The oil rotor (filter) spins at high speed.. Cb350 Oil Filter Assembly.
From www.ebay.com
Hiflofiltro Oil Filter HF401 for Honda CB1000C CB1100F CB350F CB400F Cb350 Oil Filter Assembly The oil rotor (filter) spins at high speed. We recommend that you have your vehicle serviced by your dealer. 2 ) place empty vessel under crankcase to catch the oil. 1 ) remove oil filter cap from right crankcase cover. the honda cb350 / cl350 / sl350 family of motorcycles have a centrifugal oil filter system rather than. Cb350 Oil Filter Assembly.
From www.youtube.com
Honda CB350 CB360 CB450 Oil Filter Clean How To YouTube Cb350 Oil Filter Assembly how to clean the oil filter on a honda cb350, cb360, cb450 motorcycle. The oil rotor (filter) spins at high speed. Once that's in place, remove. We recommend that you have your vehicle serviced by your dealer. manuals and user guides for honda cb350. Cl350, cl360, cl450, sl350, cj360 &. the honda cb350 / cl350 / sl350. Cb350 Oil Filter Assembly.