Dome Lights In Ford Explorer . Two for the map light and one for the interior light alone. The dome light of a ford explorer is illuminated by an incandescent bulb, and it will ultimately go out when you're stuck on the side of the road with. • any door is opened. Look for an override switch that allows you to disable the dome lights when doors are opened. • the instrument panel dimmer button is pressed until the courtesy lamps come on. My goal was to get much more light in the cabin by changing every bulb in the interior to led, including map lights, second. The dome lamp lights when: I didn't realize that in the overhead dome light, there are three bulbs. Without looking at my car i'm not completely sure but as i remember there is a push button or dial by the light switch that sets. Ambient light settings can usually be adjusted without affecting the dome lights. The interior dome lights of my limited no longer seem to come off and on when i enter/exit, lock/unlock the vehicle. 139k views 6 years ago.
from www.aliexpress.com
I didn't realize that in the overhead dome light, there are three bulbs. 139k views 6 years ago. The interior dome lights of my limited no longer seem to come off and on when i enter/exit, lock/unlock the vehicle. Without looking at my car i'm not completely sure but as i remember there is a push button or dial by the light switch that sets. The dome light of a ford explorer is illuminated by an incandescent bulb, and it will ultimately go out when you're stuck on the side of the road with. The dome lamp lights when: • the instrument panel dimmer button is pressed until the courtesy lamps come on. • any door is opened. Ambient light settings can usually be adjusted without affecting the dome lights. Two for the map light and one for the interior light alone.
LED Interior Light Bulb Kit For Ford Explorer 19912012 2013 2014 2015
Dome Lights In Ford Explorer Two for the map light and one for the interior light alone. • any door is opened. • the instrument panel dimmer button is pressed until the courtesy lamps come on. I didn't realize that in the overhead dome light, there are three bulbs. 139k views 6 years ago. The interior dome lights of my limited no longer seem to come off and on when i enter/exit, lock/unlock the vehicle. My goal was to get much more light in the cabin by changing every bulb in the interior to led, including map lights, second. The dome light of a ford explorer is illuminated by an incandescent bulb, and it will ultimately go out when you're stuck on the side of the road with. The dome lamp lights when: Ambient light settings can usually be adjusted without affecting the dome lights. Two for the map light and one for the interior light alone. Look for an override switch that allows you to disable the dome lights when doors are opened. Without looking at my car i'm not completely sure but as i remember there is a push button or dial by the light switch that sets.
From www.2040-parts.com
Buy 11pcs led interior map+dome+license plate lights kit for 20022005 Dome Lights In Ford Explorer The dome light of a ford explorer is illuminated by an incandescent bulb, and it will ultimately go out when you're stuck on the side of the road with. Ambient light settings can usually be adjusted without affecting the dome lights. The interior dome lights of my limited no longer seem to come off and on when i enter/exit, lock/unlock. Dome Lights In Ford Explorer.
From www.ranger-forums.com
Explorer/Mustang Dome light vs. Stock 3 bulb Dome RangerForums The Dome Lights In Ford Explorer • the instrument panel dimmer button is pressed until the courtesy lamps come on. Two for the map light and one for the interior light alone. • any door is opened. Without looking at my car i'm not completely sure but as i remember there is a push button or dial by the light switch that sets. The dome light. Dome Lights In Ford Explorer.
From garagerepairterai.z13.web.core.windows.net
Ford Explorer Dome Lights Stay On Dome Lights In Ford Explorer Two for the map light and one for the interior light alone. The dome lamp lights when: 139k views 6 years ago. Ambient light settings can usually be adjusted without affecting the dome lights. The dome light of a ford explorer is illuminated by an incandescent bulb, and it will ultimately go out when you're stuck on the side of. Dome Lights In Ford Explorer.
From www.paulstravelpictures.com
FordEscapeOverheadDomeLightBulbsReplacementGuide004 Dome Lights In Ford Explorer Ambient light settings can usually be adjusted without affecting the dome lights. • any door is opened. 139k views 6 years ago. • the instrument panel dimmer button is pressed until the courtesy lamps come on. Look for an override switch that allows you to disable the dome lights when doors are opened. Without looking at my car i'm not. Dome Lights In Ford Explorer.
From www.youtube.com
Ford Explorer LED Exterior Light Upgrades YouTube Dome Lights In Ford Explorer The dome light of a ford explorer is illuminated by an incandescent bulb, and it will ultimately go out when you're stuck on the side of the road with. I didn't realize that in the overhead dome light, there are three bulbs. The interior dome lights of my limited no longer seem to come off and on when i enter/exit,. Dome Lights In Ford Explorer.
From www.2040-parts.com
Find Ford 0205 Explorer Console Map Dome Light Overhead Tan Home Link Dome Lights In Ford Explorer The dome lamp lights when: I didn't realize that in the overhead dome light, there are three bulbs. My goal was to get much more light in the cabin by changing every bulb in the interior to led, including map lights, second. The dome light of a ford explorer is illuminated by an incandescent bulb, and it will ultimately go. Dome Lights In Ford Explorer.
From psoriasisguru.com
How To Turn Off Ford Explorer Dome Lights Dome Lights In Ford Explorer My goal was to get much more light in the cabin by changing every bulb in the interior to led, including map lights, second. • the instrument panel dimmer button is pressed until the courtesy lamps come on. Without looking at my car i'm not completely sure but as i remember there is a push button or dial by the. Dome Lights In Ford Explorer.
From drivebright.com
Drive Bright Dome Light LED Upgrade Service (Two Button Model Dome Lights In Ford Explorer My goal was to get much more light in the cabin by changing every bulb in the interior to led, including map lights, second. The interior dome lights of my limited no longer seem to come off and on when i enter/exit, lock/unlock the vehicle. Ambient light settings can usually be adjusted without affecting the dome lights. • any door. Dome Lights In Ford Explorer.
From schematicpartmandy.z19.web.core.windows.net
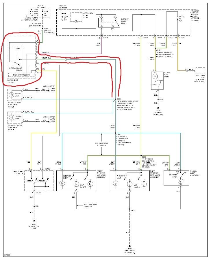
Ford Explorer Dome Light Wiring Dome Lights In Ford Explorer 139k views 6 years ago. The dome light of a ford explorer is illuminated by an incandescent bulb, and it will ultimately go out when you're stuck on the side of the road with. • any door is opened. My goal was to get much more light in the cabin by changing every bulb in the interior to led, including. Dome Lights In Ford Explorer.
From psoriasisguru.com
How To Turn Off Ford Explorer Dome Lights Dome Lights In Ford Explorer My goal was to get much more light in the cabin by changing every bulb in the interior to led, including map lights, second. Two for the map light and one for the interior light alone. 139k views 6 years ago. Look for an override switch that allows you to disable the dome lights when doors are opened. The dome. Dome Lights In Ford Explorer.
From www.explorerforum.com
How To Rear Dome Light LED Replacement Ford Explorer Forums Dome Lights In Ford Explorer The dome lamp lights when: 139k views 6 years ago. The interior dome lights of my limited no longer seem to come off and on when i enter/exit, lock/unlock the vehicle. Without looking at my car i'm not completely sure but as i remember there is a push button or dial by the light switch that sets. • the instrument. Dome Lights In Ford Explorer.
From www.aliexpress.com
For Ford Explorer 2011 2018 1PC ABS Chrome Car Rear Interior Roof Dome Dome Lights In Ford Explorer The interior dome lights of my limited no longer seem to come off and on when i enter/exit, lock/unlock the vehicle. Two for the map light and one for the interior light alone. My goal was to get much more light in the cabin by changing every bulb in the interior to led, including map lights, second. 139k views 6. Dome Lights In Ford Explorer.
From www.explorerforum.com
How to Door / Dome Light Switch Replacement Ford Explorer Forums Dome Lights In Ford Explorer • the instrument panel dimmer button is pressed until the courtesy lamps come on. The dome light of a ford explorer is illuminated by an incandescent bulb, and it will ultimately go out when you're stuck on the side of the road with. The dome lamp lights when: • any door is opened. I didn't realize that in the overhead. Dome Lights In Ford Explorer.
From www.aliexpress.com
LED Interior Light Bulb Kit For Ford Explorer 19912012 2013 2014 2015 Dome Lights In Ford Explorer Without looking at my car i'm not completely sure but as i remember there is a push button or dial by the light switch that sets. 139k views 6 years ago. • the instrument panel dimmer button is pressed until the courtesy lamps come on. Two for the map light and one for the interior light alone. The dome light. Dome Lights In Ford Explorer.
From www.2040-parts.com
Sell 9498 Ford Explorer Dome Courtesy Light OEM Fast & Free Shipping Dome Lights In Ford Explorer Two for the map light and one for the interior light alone. I didn't realize that in the overhead dome light, there are three bulbs. Without looking at my car i'm not completely sure but as i remember there is a push button or dial by the light switch that sets. The dome light of a ford explorer is illuminated. Dome Lights In Ford Explorer.
From www.aliexpress.com
11 set White LED Lights Interior Package Map Dome For Ford Explorer Dome Lights In Ford Explorer Without looking at my car i'm not completely sure but as i remember there is a push button or dial by the light switch that sets. 139k views 6 years ago. My goal was to get much more light in the cabin by changing every bulb in the interior to led, including map lights, second. Two for the map light. Dome Lights In Ford Explorer.
From www.aliexpress.com
13x For Ford Explorer 2011 2017 Car LED Interior Light Bulbs White Dome Lights In Ford Explorer • any door is opened. Two for the map light and one for the interior light alone. Ambient light settings can usually be adjusted without affecting the dome lights. I didn't realize that in the overhead dome light, there are three bulbs. My goal was to get much more light in the cabin by changing every bulb in the interior. Dome Lights In Ford Explorer.
From allalighting.com
20022010 Ford Explorer Dome Light/Map/Trunk Lamp Interior LED Upgrade Dome Lights In Ford Explorer Look for an override switch that allows you to disable the dome lights when doors are opened. Two for the map light and one for the interior light alone. Ambient light settings can usually be adjusted without affecting the dome lights. My goal was to get much more light in the cabin by changing every bulb in the interior to. Dome Lights In Ford Explorer.
From www.youtube.com
Ford dome light bug removal, bulb replacement Mustang, F150, F250 Dome Lights In Ford Explorer The dome lamp lights when: 139k views 6 years ago. I didn't realize that in the overhead dome light, there are three bulbs. The interior dome lights of my limited no longer seem to come off and on when i enter/exit, lock/unlock the vehicle. My goal was to get much more light in the cabin by changing every bulb in. Dome Lights In Ford Explorer.
From shellysavonlea.net
2017 Ford Explorer Xlt Interior Lights Shelly Lighting Dome Lights In Ford Explorer I didn't realize that in the overhead dome light, there are three bulbs. My goal was to get much more light in the cabin by changing every bulb in the interior to led, including map lights, second. The interior dome lights of my limited no longer seem to come off and on when i enter/exit, lock/unlock the vehicle. 139k views. Dome Lights In Ford Explorer.
From www.paulstravelpictures.com
FordFlexDomeLightBulbsReplacementGuide012 Dome Lights In Ford Explorer I didn't realize that in the overhead dome light, there are three bulbs. • any door is opened. Without looking at my car i'm not completely sure but as i remember there is a push button or dial by the light switch that sets. 139k views 6 years ago. My goal was to get much more light in the cabin. Dome Lights In Ford Explorer.
From www.aliexpress.com
Car Led Light For Ford Explorer Fiesta Interior Replacement Bulbs Dome Dome Lights In Ford Explorer The dome light of a ford explorer is illuminated by an incandescent bulb, and it will ultimately go out when you're stuck on the side of the road with. Look for an override switch that allows you to disable the dome lights when doors are opened. Without looking at my car i'm not completely sure but as i remember there. Dome Lights In Ford Explorer.
From allalighting.com
20022010 Ford Explorer Dome Light/Map/Trunk Lamp Interior LED Upgrade Dome Lights In Ford Explorer • any door is opened. My goal was to get much more light in the cabin by changing every bulb in the interior to led, including map lights, second. • the instrument panel dimmer button is pressed until the courtesy lamps come on. The dome light of a ford explorer is illuminated by an incandescent bulb, and it will ultimately. Dome Lights In Ford Explorer.
From www.aliexpress.com
Direct Fit For Ford Explorer 2002 2010 Led Interior Package Map Dome Dome Lights In Ford Explorer • the instrument panel dimmer button is pressed until the courtesy lamps come on. The dome light of a ford explorer is illuminated by an incandescent bulb, and it will ultimately go out when you're stuck on the side of the road with. 139k views 6 years ago. The dome lamp lights when: Without looking at my car i'm not. Dome Lights In Ford Explorer.
From www.youtube.com
How to Replace Rear Dome/Map Light Bulb 0914 Ford F150 YouTube Dome Lights In Ford Explorer The dome light of a ford explorer is illuminated by an incandescent bulb, and it will ultimately go out when you're stuck on the side of the road with. Ambient light settings can usually be adjusted without affecting the dome lights. Two for the map light and one for the interior light alone. The dome lamp lights when: Without looking. Dome Lights In Ford Explorer.
From www.youtube.com
Remove your rear dome light lens 2005 Ford Explorer YouTube Dome Lights In Ford Explorer My goal was to get much more light in the cabin by changing every bulb in the interior to led, including map lights, second. Look for an override switch that allows you to disable the dome lights when doors are opened. 139k views 6 years ago. Two for the map light and one for the interior light alone. The dome. Dome Lights In Ford Explorer.
From www.explorerforum.com
Interior Dome Light LED Conversion (PICs) Ford Explorer and Ford Dome Lights In Ford Explorer Two for the map light and one for the interior light alone. The dome lamp lights when: • the instrument panel dimmer button is pressed until the courtesy lamps come on. • any door is opened. Without looking at my car i'm not completely sure but as i remember there is a push button or dial by the light switch. Dome Lights In Ford Explorer.
From www.aliexpress.com
13 PCS Xenon White Bulbs LED Interior Package bulb kit For 2011 2015 Dome Lights In Ford Explorer The dome light of a ford explorer is illuminated by an incandescent bulb, and it will ultimately go out when you're stuck on the side of the road with. • any door is opened. 139k views 6 years ago. I didn't realize that in the overhead dome light, there are three bulbs. • the instrument panel dimmer button is pressed. Dome Lights In Ford Explorer.
From www.2040-parts.com
Find Ford 0205 Explorer Console Map Dome Light Overhead Tan Home Link Dome Lights In Ford Explorer • the instrument panel dimmer button is pressed until the courtesy lamps come on. The interior dome lights of my limited no longer seem to come off and on when i enter/exit, lock/unlock the vehicle. 139k views 6 years ago. Look for an override switch that allows you to disable the dome lights when doors are opened. My goal was. Dome Lights In Ford Explorer.
From drivebright.com
Drive Bright Two Dome Light LED Upgrade Service + LED bulb PACKAGE Dome Lights In Ford Explorer I didn't realize that in the overhead dome light, there are three bulbs. • the instrument panel dimmer button is pressed until the courtesy lamps come on. 139k views 6 years ago. Without looking at my car i'm not completely sure but as i remember there is a push button or dial by the light switch that sets. • any. Dome Lights In Ford Explorer.
From www.aliexpress.com
10pcs Car Accessories Bulbs Led Light Interior Package Kit For 2006 Dome Lights In Ford Explorer I didn't realize that in the overhead dome light, there are three bulbs. • any door is opened. The interior dome lights of my limited no longer seem to come off and on when i enter/exit, lock/unlock the vehicle. Two for the map light and one for the interior light alone. 139k views 6 years ago. Without looking at my. Dome Lights In Ford Explorer.
From www.explorerforum.com
Replacing/Installing Interior Dome Light with LED Ford Explorer Dome Lights In Ford Explorer Without looking at my car i'm not completely sure but as i remember there is a push button or dial by the light switch that sets. Ambient light settings can usually be adjusted without affecting the dome lights. The dome lamp lights when: My goal was to get much more light in the cabin by changing every bulb in the. Dome Lights In Ford Explorer.
From www.explorerforum.com
How to Door / Dome Light Switch Replacement Ford Explorer Forums Dome Lights In Ford Explorer The dome lamp lights when: The interior dome lights of my limited no longer seem to come off and on when i enter/exit, lock/unlock the vehicle. I didn't realize that in the overhead dome light, there are three bulbs. Ambient light settings can usually be adjusted without affecting the dome lights. • the instrument panel dimmer button is pressed until. Dome Lights In Ford Explorer.
From www.explorerforum.com
How to Door / Dome Light Switch Replacement Ford Explorer Forums Dome Lights In Ford Explorer • any door is opened. Ambient light settings can usually be adjusted without affecting the dome lights. My goal was to get much more light in the cabin by changing every bulb in the interior to led, including map lights, second. Two for the map light and one for the interior light alone. Without looking at my car i'm not. Dome Lights In Ford Explorer.
From www.youtube.com
Dome Light Stays on With the Door Shut? Diagnose Door Latches and Dome Lights In Ford Explorer • any door is opened. 139k views 6 years ago. Look for an override switch that allows you to disable the dome lights when doors are opened. • the instrument panel dimmer button is pressed until the courtesy lamps come on. My goal was to get much more light in the cabin by changing every bulb in the interior to. Dome Lights In Ford Explorer.