Shortwave Radio Circuits . — these circuits can be used for receiving am, cw, and ssb rf transmissions in the medium and shortwave bands. — a beautiful kit for radio lovers, this product shows you how to build a shortwave radio receiver with magnetic balance technology. the earthy end of the oscillator tuned winding connects to a different pin number on each of the three oscillator coils (which. We will explore the various components of the circuit. here are plans for building a shortwave radio receiver using 3 transistors, a simple homemade coil, an air variable capacitor and some common electrical parts. — a simple short wave radio with high sensitivity is narrated in this post and be built by any radio enthusiast.
from www.g3ynh.info
here are plans for building a shortwave radio receiver using 3 transistors, a simple homemade coil, an air variable capacitor and some common electrical parts. the earthy end of the oscillator tuned winding connects to a different pin number on each of the three oscillator coils (which. — a beautiful kit for radio lovers, this product shows you how to build a shortwave radio receiver with magnetic balance technology. — these circuits can be used for receiving am, cw, and ssb rf transmissions in the medium and shortwave bands. — a simple short wave radio with high sensitivity is narrated in this post and be built by any radio enthusiast. We will explore the various components of the circuit.
Digital Readout For SingleConversion ShortWave Radio Receivers.
Shortwave Radio Circuits We will explore the various components of the circuit. — a beautiful kit for radio lovers, this product shows you how to build a shortwave radio receiver with magnetic balance technology. — a simple short wave radio with high sensitivity is narrated in this post and be built by any radio enthusiast. here are plans for building a shortwave radio receiver using 3 transistors, a simple homemade coil, an air variable capacitor and some common electrical parts. the earthy end of the oscillator tuned winding connects to a different pin number on each of the three oscillator coils (which. — these circuits can be used for receiving am, cw, and ssb rf transmissions in the medium and shortwave bands. We will explore the various components of the circuit.
From www.circuits-diy.com
Short Wave Radio Circuit Shortwave Radio Circuits We will explore the various components of the circuit. — a beautiful kit for radio lovers, this product shows you how to build a shortwave radio receiver with magnetic balance technology. — these circuits can be used for receiving am, cw, and ssb rf transmissions in the medium and shortwave bands. here are plans for building a. Shortwave Radio Circuits.
From pu2clr.github.io
Shortwave Arduino Transmitter SmallShortwaveTransmitter Shortwave Radio Circuits the earthy end of the oscillator tuned winding connects to a different pin number on each of the three oscillator coils (which. here are plans for building a shortwave radio receiver using 3 transistors, a simple homemade coil, an air variable capacitor and some common electrical parts. — these circuits can be used for receiving am, cw,. Shortwave Radio Circuits.
From dxexplorer.com
Simple Shortwave Radio Receiver Designed By N1TEV Shortwave Radio Circuits the earthy end of the oscillator tuned winding connects to a different pin number on each of the three oscillator coils (which. here are plans for building a shortwave radio receiver using 3 transistors, a simple homemade coil, an air variable capacitor and some common electrical parts. We will explore the various components of the circuit. —. Shortwave Radio Circuits.
From www.netzener.net
3 Transistor Short Wave Radio Shortwave Radio Circuits We will explore the various components of the circuit. — a beautiful kit for radio lovers, this product shows you how to build a shortwave radio receiver with magnetic balance technology. — these circuits can be used for receiving am, cw, and ssb rf transmissions in the medium and shortwave bands. the earthy end of the oscillator. Shortwave Radio Circuits.
From www.mtmscientific.com
Shortwave Radio Receiver Shortwave Radio Circuits We will explore the various components of the circuit. — a beautiful kit for radio lovers, this product shows you how to build a shortwave radio receiver with magnetic balance technology. — a simple short wave radio with high sensitivity is narrated in this post and be built by any radio enthusiast. here are plans for building. Shortwave Radio Circuits.
From www.pinterest.com
Figure 1060 Shortwave Receiver IF Filter Shortwave radio, Shortwave Shortwave Radio Circuits We will explore the various components of the circuit. — a simple short wave radio with high sensitivity is narrated in this post and be built by any radio enthusiast. — these circuits can be used for receiving am, cw, and ssb rf transmissions in the medium and shortwave bands. the earthy end of the oscillator tuned. Shortwave Radio Circuits.
From hackaday.io
Shortwave Crystal Radio A blast from my past Hackaday.io Shortwave Radio Circuits — a beautiful kit for radio lovers, this product shows you how to build a shortwave radio receiver with magnetic balance technology. the earthy end of the oscillator tuned winding connects to a different pin number on each of the three oscillator coils (which. — these circuits can be used for receiving am, cw, and ssb rf. Shortwave Radio Circuits.
From wiringpartlauren.z21.web.core.windows.net
Shortwave Radio Transmitter Circuit Diagram Shortwave Radio Circuits We will explore the various components of the circuit. the earthy end of the oscillator tuned winding connects to a different pin number on each of the three oscillator coils (which. here are plans for building a shortwave radio receiver using 3 transistors, a simple homemade coil, an air variable capacitor and some common electrical parts. —. Shortwave Radio Circuits.
From wiringpartlauren.z21.web.core.windows.net
Shortwave Radio Circuit Diagram Pdf Shortwave Radio Circuits — a beautiful kit for radio lovers, this product shows you how to build a shortwave radio receiver with magnetic balance technology. — a simple short wave radio with high sensitivity is narrated in this post and be built by any radio enthusiast. — these circuits can be used for receiving am, cw, and ssb rf transmissions. Shortwave Radio Circuits.
From www.g3ynh.info
Digital Readout For SingleConversion ShortWave Radio Receivers. Shortwave Radio Circuits — a beautiful kit for radio lovers, this product shows you how to build a shortwave radio receiver with magnetic balance technology. the earthy end of the oscillator tuned winding connects to a different pin number on each of the three oscillator coils (which. here are plans for building a shortwave radio receiver using 3 transistors, a. Shortwave Radio Circuits.
From schematicdiagram43.blogspot.com
Diy Shortwave Radio / 17 27 Free Shipping Diy Amateur Radio Transceiver Shortwave Radio Circuits We will explore the various components of the circuit. — a simple short wave radio with high sensitivity is narrated in this post and be built by any radio enthusiast. — these circuits can be used for receiving am, cw, and ssb rf transmissions in the medium and shortwave bands. — a beautiful kit for radio lovers,. Shortwave Radio Circuits.
From schematicpartclaudia.z19.web.core.windows.net
Shortwave Radio Circuit Diagram Shortwave Radio Circuits — a beautiful kit for radio lovers, this product shows you how to build a shortwave radio receiver with magnetic balance technology. the earthy end of the oscillator tuned winding connects to a different pin number on each of the three oscillator coils (which. We will explore the various components of the circuit. — these circuits can. Shortwave Radio Circuits.
From www.circuits-diy.com
Shortwave SW Transmitter Circuit Shortwave Radio Circuits the earthy end of the oscillator tuned winding connects to a different pin number on each of the three oscillator coils (which. — these circuits can be used for receiving am, cw, and ssb rf transmissions in the medium and shortwave bands. We will explore the various components of the circuit. — a simple short wave radio. Shortwave Radio Circuits.
From www.pinterest.com
Figure 1112 WWV Receiver Circuit Shortwave radio, Electronics Shortwave Radio Circuits — a beautiful kit for radio lovers, this product shows you how to build a shortwave radio receiver with magnetic balance technology. here are plans for building a shortwave radio receiver using 3 transistors, a simple homemade coil, an air variable capacitor and some common electrical parts. the earthy end of the oscillator tuned winding connects to. Shortwave Radio Circuits.
From electronics.stackexchange.com
design Designing shortwave radio receiver Electrical Engineering Shortwave Radio Circuits — a simple short wave radio with high sensitivity is narrated in this post and be built by any radio enthusiast. the earthy end of the oscillator tuned winding connects to a different pin number on each of the three oscillator coils (which. — a beautiful kit for radio lovers, this product shows you how to build. Shortwave Radio Circuits.
From www.pinterest.ca
Figure 1168 Tube Regenerative Radio Electronic circuit projects Shortwave Radio Circuits here are plans for building a shortwave radio receiver using 3 transistors, a simple homemade coil, an air variable capacitor and some common electrical parts. We will explore the various components of the circuit. — a simple short wave radio with high sensitivity is narrated in this post and be built by any radio enthusiast. — a. Shortwave Radio Circuits.
From www.pinterest.com
Figure 1061 Shortwave Receiver Shortwave radio, Shortwave receiver Shortwave Radio Circuits We will explore the various components of the circuit. — a simple short wave radio with high sensitivity is narrated in this post and be built by any radio enthusiast. — these circuits can be used for receiving am, cw, and ssb rf transmissions in the medium and shortwave bands. — a beautiful kit for radio lovers,. Shortwave Radio Circuits.
From www.mtmscientific.com
Shortwave Radio Receiver Shortwave Radio Circuits — these circuits can be used for receiving am, cw, and ssb rf transmissions in the medium and shortwave bands. here are plans for building a shortwave radio receiver using 3 transistors, a simple homemade coil, an air variable capacitor and some common electrical parts. the earthy end of the oscillator tuned winding connects to a different. Shortwave Radio Circuits.
From all4radios.com
6band HF SSB Radio Transceiver DIY Kits 6band Radio Shortwave Board Shortwave Radio Circuits here are plans for building a shortwave radio receiver using 3 transistors, a simple homemade coil, an air variable capacitor and some common electrical parts. We will explore the various components of the circuit. — a beautiful kit for radio lovers, this product shows you how to build a shortwave radio receiver with magnetic balance technology. —. Shortwave Radio Circuits.
From www.electronicsforu.com
Simple Shortwave Voice Transmitter Full Electronics Project Shortwave Radio Circuits We will explore the various components of the circuit. — these circuits can be used for receiving am, cw, and ssb rf transmissions in the medium and shortwave bands. here are plans for building a shortwave radio receiver using 3 transistors, a simple homemade coil, an air variable capacitor and some common electrical parts. — a simple. Shortwave Radio Circuits.
From www.circuits-diy.com
Shortwave SW Transmitter Circuit Shortwave Radio Circuits — a beautiful kit for radio lovers, this product shows you how to build a shortwave radio receiver with magnetic balance technology. — a simple short wave radio with high sensitivity is narrated in this post and be built by any radio enthusiast. — these circuits can be used for receiving am, cw, and ssb rf transmissions. Shortwave Radio Circuits.
From www.zpag.net
Regenerative Shortwave Radio 6 to 17 MHz Shortwave Radio Circuits the earthy end of the oscillator tuned winding connects to a different pin number on each of the three oscillator coils (which. — a beautiful kit for radio lovers, this product shows you how to build a shortwave radio receiver with magnetic balance technology. We will explore the various components of the circuit. here are plans for. Shortwave Radio Circuits.
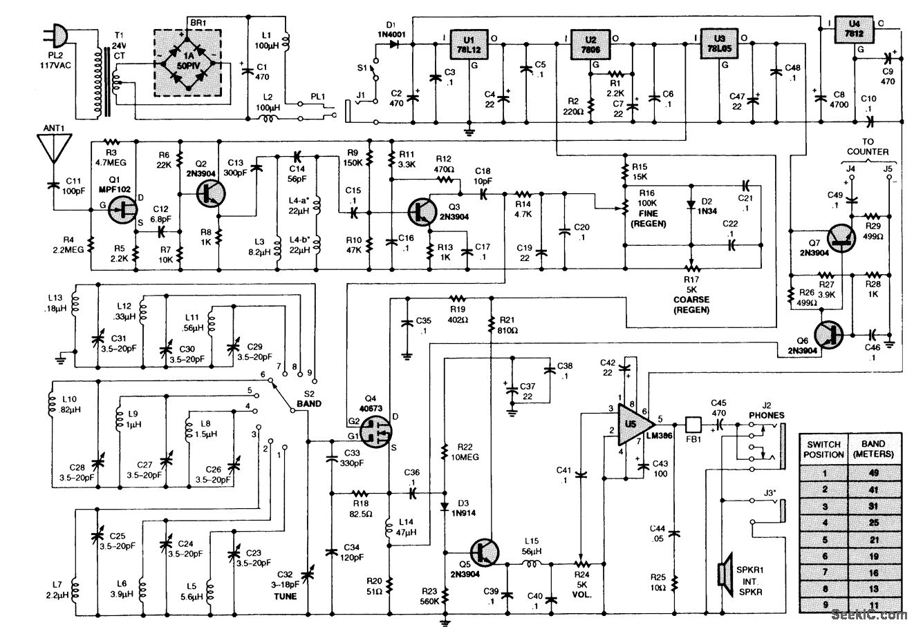
From www.seekic.com
REGENERATIVE_SHORTWAVE_RECEIVER Signal_Processing Circuit Diagram Shortwave Radio Circuits — a beautiful kit for radio lovers, this product shows you how to build a shortwave radio receiver with magnetic balance technology. — these circuits can be used for receiving am, cw, and ssb rf transmissions in the medium and shortwave bands. — a simple short wave radio with high sensitivity is narrated in this post and. Shortwave Radio Circuits.
From njqrp.club
Regen Shortwave Receiver Shortwave Radio Circuits — a beautiful kit for radio lovers, this product shows you how to build a shortwave radio receiver with magnetic balance technology. here are plans for building a shortwave radio receiver using 3 transistors, a simple homemade coil, an air variable capacitor and some common electrical parts. — a simple short wave radio with high sensitivity is. Shortwave Radio Circuits.
From www.next.gr
Short Wave Receiver under AM Radio Circuits 14349 Next.gr Shortwave Radio Circuits the earthy end of the oscillator tuned winding connects to a different pin number on each of the three oscillator coils (which. We will explore the various components of the circuit. here are plans for building a shortwave radio receiver using 3 transistors, a simple homemade coil, an air variable capacitor and some common electrical parts. —. Shortwave Radio Circuits.
From www.youtube.com
Marconi 201A AM and Shortwave Radio Video 2 Schematic Explained Shortwave Radio Circuits We will explore the various components of the circuit. — a beautiful kit for radio lovers, this product shows you how to build a shortwave radio receiver with magnetic balance technology. — these circuits can be used for receiving am, cw, and ssb rf transmissions in the medium and shortwave bands. here are plans for building a. Shortwave Radio Circuits.
From www.pinterest.ca
Figure 896 ACDC Tube AM and Shortwave Receiver(Part 1) Shortwave Shortwave Radio Circuits — a simple short wave radio with high sensitivity is narrated in this post and be built by any radio enthusiast. the earthy end of the oscillator tuned winding connects to a different pin number on each of the three oscillator coils (which. here are plans for building a shortwave radio receiver using 3 transistors, a simple. Shortwave Radio Circuits.
From www.pinterest.com
Figure 860 Tube Regenerative Shortwave Radio Electronic circuit Shortwave Radio Circuits — a simple short wave radio with high sensitivity is narrated in this post and be built by any radio enthusiast. — these circuits can be used for receiving am, cw, and ssb rf transmissions in the medium and shortwave bands. We will explore the various components of the circuit. the earthy end of the oscillator tuned. Shortwave Radio Circuits.
From www.pinterest.ca
Figure 907 AMFM Receiver Circuit Shortwave radio, Electronics Shortwave Radio Circuits here are plans for building a shortwave radio receiver using 3 transistors, a simple homemade coil, an air variable capacitor and some common electrical parts. We will explore the various components of the circuit. — these circuits can be used for receiving am, cw, and ssb rf transmissions in the medium and shortwave bands. — a beautiful. Shortwave Radio Circuits.
From www.circuits-diy.com
Short Wave Radio Circuit Shortwave Radio Circuits We will explore the various components of the circuit. here are plans for building a shortwave radio receiver using 3 transistors, a simple homemade coil, an air variable capacitor and some common electrical parts. — a beautiful kit for radio lovers, this product shows you how to build a shortwave radio receiver with magnetic balance technology. —. Shortwave Radio Circuits.
From www.next.gr
electronic circuit Next.gr Shortwave Radio Circuits the earthy end of the oscillator tuned winding connects to a different pin number on each of the three oscillator coils (which. — a simple short wave radio with high sensitivity is narrated in this post and be built by any radio enthusiast. here are plans for building a shortwave radio receiver using 3 transistors, a simple. Shortwave Radio Circuits.
From circuitlistdaniela.z19.web.core.windows.net
Simple Shortwave Radio Circuit Shortwave Radio Circuits — a beautiful kit for radio lovers, this product shows you how to build a shortwave radio receiver with magnetic balance technology. We will explore the various components of the circuit. here are plans for building a shortwave radio receiver using 3 transistors, a simple homemade coil, an air variable capacitor and some common electrical parts. —. Shortwave Radio Circuits.
From www.qsl.net
THE BARLOW WADLEY XCR30 SHORTWAVE RECEIVER Shortwave Radio Circuits the earthy end of the oscillator tuned winding connects to a different pin number on each of the three oscillator coils (which. We will explore the various components of the circuit. — a simple short wave radio with high sensitivity is narrated in this post and be built by any radio enthusiast. — a beautiful kit for. Shortwave Radio Circuits.
From www.artofit.org
Short wave radio circuit Artofit Shortwave Radio Circuits — a simple short wave radio with high sensitivity is narrated in this post and be built by any radio enthusiast. the earthy end of the oscillator tuned winding connects to a different pin number on each of the three oscillator coils (which. here are plans for building a shortwave radio receiver using 3 transistors, a simple. Shortwave Radio Circuits.
From www.next.gr
A SHORT WAVE REGENERATIVE RECEIVER under Repositorycircuits 54818 Shortwave Radio Circuits — these circuits can be used for receiving am, cw, and ssb rf transmissions in the medium and shortwave bands. — a simple short wave radio with high sensitivity is narrated in this post and be built by any radio enthusiast. the earthy end of the oscillator tuned winding connects to a different pin number on each. Shortwave Radio Circuits.