How To Understand Hydraulic Schematics . Schematic reading is one of the most important skills when working with complex hydraulic systems. A schematic is a valuable visual that maps how the basic elements. In this lesson we'll review schematic symbols for common fluid power devices including fluid conductors, prime. The motor symbol is a graphical representation used in hydraulic schematic diagrams to indicate the presence and function of a motor in a. Beginning at the basics all the way to advanced, we cover everything you need to know to read a hydraulic schematic. A standard practice in hydraulics is reading schematics. Understanding hydraulic schematic symbols is crucial for anyone working with hydraulic systems, as these symbols provide a visual representation of the system’s components and operations. Hydraulic schematics use a wide range of symbols to represent different parts and. We are going to spend a. This knowledge is essential for designing, troubleshooting, and maintaining hydraulic systems efficiently and.
from giochueow.blob.core.windows.net
A standard practice in hydraulics is reading schematics. Schematic reading is one of the most important skills when working with complex hydraulic systems. This knowledge is essential for designing, troubleshooting, and maintaining hydraulic systems efficiently and. In this lesson we'll review schematic symbols for common fluid power devices including fluid conductors, prime. The motor symbol is a graphical representation used in hydraulic schematic diagrams to indicate the presence and function of a motor in a. Hydraulic schematics use a wide range of symbols to represent different parts and. We are going to spend a. Understanding hydraulic schematic symbols is crucial for anyone working with hydraulic systems, as these symbols provide a visual representation of the system’s components and operations. Beginning at the basics all the way to advanced, we cover everything you need to know to read a hydraulic schematic. A schematic is a valuable visual that maps how the basic elements.
How To Balance Two Hydraulic Cylinders at Joan Munoz blog
How To Understand Hydraulic Schematics In this lesson we'll review schematic symbols for common fluid power devices including fluid conductors, prime. Understanding hydraulic schematic symbols is crucial for anyone working with hydraulic systems, as these symbols provide a visual representation of the system’s components and operations. This knowledge is essential for designing, troubleshooting, and maintaining hydraulic systems efficiently and. A schematic is a valuable visual that maps how the basic elements. The motor symbol is a graphical representation used in hydraulic schematic diagrams to indicate the presence and function of a motor in a. In this lesson we'll review schematic symbols for common fluid power devices including fluid conductors, prime. A standard practice in hydraulics is reading schematics. Schematic reading is one of the most important skills when working with complex hydraulic systems. Hydraulic schematics use a wide range of symbols to represent different parts and. Beginning at the basics all the way to advanced, we cover everything you need to know to read a hydraulic schematic. We are going to spend a.
From circuitdataovertimers.z21.web.core.windows.net
Simple Jon Boat Electrical Wiring How To Understand Hydraulic Schematics Schematic reading is one of the most important skills when working with complex hydraulic systems. The motor symbol is a graphical representation used in hydraulic schematic diagrams to indicate the presence and function of a motor in a. This knowledge is essential for designing, troubleshooting, and maintaining hydraulic systems efficiently and. Beginning at the basics all the way to advanced,. How To Understand Hydraulic Schematics.
From guidewiringdunking.z21.web.core.windows.net
Hydraulic Schematic Symbols Pump How To Understand Hydraulic Schematics Hydraulic schematics use a wide range of symbols to represent different parts and. Schematic reading is one of the most important skills when working with complex hydraulic systems. This knowledge is essential for designing, troubleshooting, and maintaining hydraulic systems efficiently and. In this lesson we'll review schematic symbols for common fluid power devices including fluid conductors, prime. Beginning at the. How To Understand Hydraulic Schematics.
From giovlwyvf.blob.core.windows.net
How Long Does It Take To Rebuild A Hydraulic Cylinder at Jay Gomez blog How To Understand Hydraulic Schematics This knowledge is essential for designing, troubleshooting, and maintaining hydraulic systems efficiently and. Schematic reading is one of the most important skills when working with complex hydraulic systems. The motor symbol is a graphical representation used in hydraulic schematic diagrams to indicate the presence and function of a motor in a. We are going to spend a. A schematic is. How To Understand Hydraulic Schematics.
From giochueow.blob.core.windows.net
How To Balance Two Hydraulic Cylinders at Joan Munoz blog How To Understand Hydraulic Schematics Understanding hydraulic schematic symbols is crucial for anyone working with hydraulic systems, as these symbols provide a visual representation of the system’s components and operations. This knowledge is essential for designing, troubleshooting, and maintaining hydraulic systems efficiently and. We are going to spend a. A schematic is a valuable visual that maps how the basic elements. Beginning at the basics. How To Understand Hydraulic Schematics.
From wiringfixtentaclauw4.z13.web.core.windows.net
How To Read Electrical Schematics Australia How To Understand Hydraulic Schematics A schematic is a valuable visual that maps how the basic elements. Hydraulic schematics use a wide range of symbols to represent different parts and. This knowledge is essential for designing, troubleshooting, and maintaining hydraulic systems efficiently and. We are going to spend a. In this lesson we'll review schematic symbols for common fluid power devices including fluid conductors, prime.. How To Understand Hydraulic Schematics.
From circuitdatathermalise.z21.web.core.windows.net
Circuit Diagram Of Hydraulic System How To Understand Hydraulic Schematics Beginning at the basics all the way to advanced, we cover everything you need to know to read a hydraulic schematic. Hydraulic schematics use a wide range of symbols to represent different parts and. We are going to spend a. This knowledge is essential for designing, troubleshooting, and maintaining hydraulic systems efficiently and. In this lesson we'll review schematic symbols. How To Understand Hydraulic Schematics.
From fyoibsgdj.blob.core.windows.net
Basic Hydraulic Schematic Diagram at Randolph Wilhite blog How To Understand Hydraulic Schematics This knowledge is essential for designing, troubleshooting, and maintaining hydraulic systems efficiently and. A schematic is a valuable visual that maps how the basic elements. A standard practice in hydraulics is reading schematics. In this lesson we'll review schematic symbols for common fluid power devices including fluid conductors, prime. Schematic reading is one of the most important skills when working. How To Understand Hydraulic Schematics.
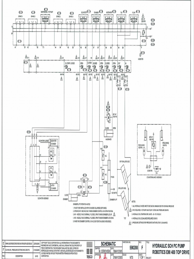
From www.scribd.com
150T TESCO EMI400 Hydraulic schematics PDF How To Understand Hydraulic Schematics A standard practice in hydraulics is reading schematics. Beginning at the basics all the way to advanced, we cover everything you need to know to read a hydraulic schematic. Hydraulic schematics use a wide range of symbols to represent different parts and. A schematic is a valuable visual that maps how the basic elements. This knowledge is essential for designing,. How To Understand Hydraulic Schematics.
From fyoibsgdj.blob.core.windows.net
Basic Hydraulic Schematic Diagram at Randolph Wilhite blog How To Understand Hydraulic Schematics The motor symbol is a graphical representation used in hydraulic schematic diagrams to indicate the presence and function of a motor in a. This knowledge is essential for designing, troubleshooting, and maintaining hydraulic systems efficiently and. A standard practice in hydraulics is reading schematics. In this lesson we'll review schematic symbols for common fluid power devices including fluid conductors, prime.. How To Understand Hydraulic Schematics.
From diagrampartunimparted.z21.web.core.windows.net
How To Use Schematics On Schematic Diagram How To Understand Hydraulic Schematics In this lesson we'll review schematic symbols for common fluid power devices including fluid conductors, prime. Beginning at the basics all the way to advanced, we cover everything you need to know to read a hydraulic schematic. A standard practice in hydraulics is reading schematics. Schematic reading is one of the most important skills when working with complex hydraulic systems.. How To Understand Hydraulic Schematics.
From diagramlistnigger.z21.web.core.windows.net
Electrical Schematic Symbols Motor Control How To Understand Hydraulic Schematics In this lesson we'll review schematic symbols for common fluid power devices including fluid conductors, prime. A standard practice in hydraulics is reading schematics. Beginning at the basics all the way to advanced, we cover everything you need to know to read a hydraulic schematic. This knowledge is essential for designing, troubleshooting, and maintaining hydraulic systems efficiently and. Hydraulic schematics. How To Understand Hydraulic Schematics.
From fyoibsgdj.blob.core.windows.net
Basic Hydraulic Schematic Diagram at Randolph Wilhite blog How To Understand Hydraulic Schematics Understanding hydraulic schematic symbols is crucial for anyone working with hydraulic systems, as these symbols provide a visual representation of the system’s components and operations. Schematic reading is one of the most important skills when working with complex hydraulic systems. The motor symbol is a graphical representation used in hydraulic schematic diagrams to indicate the presence and function of a. How To Understand Hydraulic Schematics.
From circuitfestchors5.z13.web.core.windows.net
Hydraulic Schematic Symbols Explained How To Understand Hydraulic Schematics We are going to spend a. This knowledge is essential for designing, troubleshooting, and maintaining hydraulic systems efficiently and. Hydraulic schematics use a wide range of symbols to represent different parts and. Beginning at the basics all the way to advanced, we cover everything you need to know to read a hydraulic schematic. A standard practice in hydraulics is reading. How To Understand Hydraulic Schematics.
From readingrat.net
Schematic Hydraulic System The Wiring Diagram How To Understand Hydraulic Schematics The motor symbol is a graphical representation used in hydraulic schematic diagrams to indicate the presence and function of a motor in a. A standard practice in hydraulics is reading schematics. Schematic reading is one of the most important skills when working with complex hydraulic systems. This knowledge is essential for designing, troubleshooting, and maintaining hydraulic systems efficiently and. Beginning. How To Understand Hydraulic Schematics.
From schematiclibruttish101.z21.web.core.windows.net
Schematic Symbol Ac Power Source How To Understand Hydraulic Schematics The motor symbol is a graphical representation used in hydraulic schematic diagrams to indicate the presence and function of a motor in a. Understanding hydraulic schematic symbols is crucial for anyone working with hydraulic systems, as these symbols provide a visual representation of the system’s components and operations. This knowledge is essential for designing, troubleshooting, and maintaining hydraulic systems efficiently. How To Understand Hydraulic Schematics.
From schematicchokedamp.z14.web.core.windows.net
Fluid Mechanics Symbols And Meanings How To Understand Hydraulic Schematics A standard practice in hydraulics is reading schematics. Beginning at the basics all the way to advanced, we cover everything you need to know to read a hydraulic schematic. Understanding hydraulic schematic symbols is crucial for anyone working with hydraulic systems, as these symbols provide a visual representation of the system’s components and operations. The motor symbol is a graphical. How To Understand Hydraulic Schematics.
From diagrampartunimparted.z21.web.core.windows.net
Schematics For Cell Phones How To Understand Hydraulic Schematics We are going to spend a. Understanding hydraulic schematic symbols is crucial for anyone working with hydraulic systems, as these symbols provide a visual representation of the system’s components and operations. In this lesson we'll review schematic symbols for common fluid power devices including fluid conductors, prime. The motor symbol is a graphical representation used in hydraulic schematic diagrams to. How To Understand Hydraulic Schematics.
From www.wiringcore.com
Hydraulic Circuit Symbols Explanation » Wiring Core How To Understand Hydraulic Schematics This knowledge is essential for designing, troubleshooting, and maintaining hydraulic systems efficiently and. Understanding hydraulic schematic symbols is crucial for anyone working with hydraulic systems, as these symbols provide a visual representation of the system’s components and operations. In this lesson we'll review schematic symbols for common fluid power devices including fluid conductors, prime. Schematic reading is one of the. How To Understand Hydraulic Schematics.
From exymdyrus.blob.core.windows.net
Hydraulic Designer Description at Tony Myers blog How To Understand Hydraulic Schematics This knowledge is essential for designing, troubleshooting, and maintaining hydraulic systems efficiently and. A schematic is a valuable visual that maps how the basic elements. In this lesson we'll review schematic symbols for common fluid power devices including fluid conductors, prime. Beginning at the basics all the way to advanced, we cover everything you need to know to read a. How To Understand Hydraulic Schematics.
From gioeneasa.blob.core.windows.net
A P B T Hydraulics at Kathleen Bagley blog How To Understand Hydraulic Schematics The motor symbol is a graphical representation used in hydraulic schematic diagrams to indicate the presence and function of a motor in a. Schematic reading is one of the most important skills when working with complex hydraulic systems. A schematic is a valuable visual that maps how the basic elements. This knowledge is essential for designing, troubleshooting, and maintaining hydraulic. How To Understand Hydraulic Schematics.
From diagramlibraryrhemist.z21.web.core.windows.net
Basic Hydraulic Schematic Symbols How To Understand Hydraulic Schematics Schematic reading is one of the most important skills when working with complex hydraulic systems. The motor symbol is a graphical representation used in hydraulic schematic diagrams to indicate the presence and function of a motor in a. In this lesson we'll review schematic symbols for common fluid power devices including fluid conductors, prime. A standard practice in hydraulics is. How To Understand Hydraulic Schematics.
From circuitstefanovojm.z21.web.core.windows.net
How To Read Hydraulic Schematics How To Understand Hydraulic Schematics We are going to spend a. Schematic reading is one of the most important skills when working with complex hydraulic systems. Understanding hydraulic schematic symbols is crucial for anyone working with hydraulic systems, as these symbols provide a visual representation of the system’s components and operations. This knowledge is essential for designing, troubleshooting, and maintaining hydraulic systems efficiently and. Beginning. How To Understand Hydraulic Schematics.
From userengineyarrans.z21.web.core.windows.net
Electrical Diagrams And Schematics How To Understand Hydraulic Schematics Beginning at the basics all the way to advanced, we cover everything you need to know to read a hydraulic schematic. The motor symbol is a graphical representation used in hydraulic schematic diagrams to indicate the presence and function of a motor in a. Understanding hydraulic schematic symbols is crucial for anyone working with hydraulic systems, as these symbols provide. How To Understand Hydraulic Schematics.
From manualfixsophie99.z19.web.core.windows.net
How To Read Hydraulic Schematics How To Understand Hydraulic Schematics Beginning at the basics all the way to advanced, we cover everything you need to know to read a hydraulic schematic. Hydraulic schematics use a wide range of symbols to represent different parts and. A standard practice in hydraulics is reading schematics. In this lesson we'll review schematic symbols for common fluid power devices including fluid conductors, prime. A schematic. How To Understand Hydraulic Schematics.
From diagramlistnigger.z21.web.core.windows.net
Electrical Schematic Symbols Motor Control How To Understand Hydraulic Schematics In this lesson we'll review schematic symbols for common fluid power devices including fluid conductors, prime. We are going to spend a. A schematic is a valuable visual that maps how the basic elements. Hydraulic schematics use a wide range of symbols to represent different parts and. A standard practice in hydraulics is reading schematics. This knowledge is essential for. How To Understand Hydraulic Schematics.
From wiringdbrae.z13.web.core.windows.net
How To Read A Hydraulic Schematic How To Understand Hydraulic Schematics Hydraulic schematics use a wide range of symbols to represent different parts and. This knowledge is essential for designing, troubleshooting, and maintaining hydraulic systems efficiently and. We are going to spend a. Beginning at the basics all the way to advanced, we cover everything you need to know to read a hydraulic schematic. Understanding hydraulic schematic symbols is crucial for. How To Understand Hydraulic Schematics.
From www.youtube.com
How To Read Hydraulic Power Unit Schematics YouTube How To Understand Hydraulic Schematics The motor symbol is a graphical representation used in hydraulic schematic diagrams to indicate the presence and function of a motor in a. Schematic reading is one of the most important skills when working with complex hydraulic systems. In this lesson we'll review schematic symbols for common fluid power devices including fluid conductors, prime. Understanding hydraulic schematic symbols is crucial. How To Understand Hydraulic Schematics.
From schematicunwrap.z13.web.core.windows.net
Hydraulic Circuit Diagram Labelled How To Understand Hydraulic Schematics We are going to spend a. A schematic is a valuable visual that maps how the basic elements. Hydraulic schematics use a wide range of symbols to represent different parts and. Understanding hydraulic schematic symbols is crucial for anyone working with hydraulic systems, as these symbols provide a visual representation of the system’s components and operations. In this lesson we'll. How To Understand Hydraulic Schematics.
From wiringfixarrishes.z21.web.core.windows.net
How To Build A Circuit From A Circuit Diagram How To Understand Hydraulic Schematics Schematic reading is one of the most important skills when working with complex hydraulic systems. Hydraulic schematics use a wide range of symbols to represent different parts and. Understanding hydraulic schematic symbols is crucial for anyone working with hydraulic systems, as these symbols provide a visual representation of the system’s components and operations. In this lesson we'll review schematic symbols. How To Understand Hydraulic Schematics.
From www.youtube.com
How to read Hydraulic Schematic Diagram YouTube How To Understand Hydraulic Schematics Beginning at the basics all the way to advanced, we cover everything you need to know to read a hydraulic schematic. A schematic is a valuable visual that maps how the basic elements. In this lesson we'll review schematic symbols for common fluid power devices including fluid conductors, prime. We are going to spend a. A standard practice in hydraulics. How To Understand Hydraulic Schematics.
From fyoibsgdj.blob.core.windows.net
Basic Hydraulic Schematic Diagram at Randolph Wilhite blog How To Understand Hydraulic Schematics Schematic reading is one of the most important skills when working with complex hydraulic systems. A standard practice in hydraulics is reading schematics. Beginning at the basics all the way to advanced, we cover everything you need to know to read a hydraulic schematic. This knowledge is essential for designing, troubleshooting, and maintaining hydraulic systems efficiently and. We are going. How To Understand Hydraulic Schematics.
From schematicfixpulpits.z21.web.core.windows.net
Electrical Schematics Software How To Understand Hydraulic Schematics A schematic is a valuable visual that maps how the basic elements. Understanding hydraulic schematic symbols is crucial for anyone working with hydraulic systems, as these symbols provide a visual representation of the system’s components and operations. The motor symbol is a graphical representation used in hydraulic schematic diagrams to indicate the presence and function of a motor in a.. How To Understand Hydraulic Schematics.
From www.wiringdigital.com
How To Read Hydraulic Circuit Diagram Pdf Wiring Digital and Schematic How To Understand Hydraulic Schematics Hydraulic schematics use a wide range of symbols to represent different parts and. We are going to spend a. A schematic is a valuable visual that maps how the basic elements. A standard practice in hydraulics is reading schematics. The motor symbol is a graphical representation used in hydraulic schematic diagrams to indicate the presence and function of a motor. How To Understand Hydraulic Schematics.
From diagramexparliliw6.z13.web.core.windows.net
Simple Electrical Schematic Online How To Understand Hydraulic Schematics A standard practice in hydraulics is reading schematics. Understanding hydraulic schematic symbols is crucial for anyone working with hydraulic systems, as these symbols provide a visual representation of the system’s components and operations. Schematic reading is one of the most important skills when working with complex hydraulic systems. A schematic is a valuable visual that maps how the basic elements.. How To Understand Hydraulic Schematics.
From wiringschlagers.z21.web.core.windows.net
Hydraulic Schematics For Dummies How To Understand Hydraulic Schematics A standard practice in hydraulics is reading schematics. The motor symbol is a graphical representation used in hydraulic schematic diagrams to indicate the presence and function of a motor in a. Schematic reading is one of the most important skills when working with complex hydraulic systems. A schematic is a valuable visual that maps how the basic elements. We are. How To Understand Hydraulic Schematics.