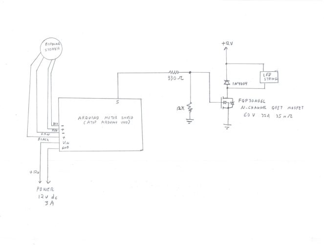
Arduino Zoetrope . Essentially, it's a 3d gif! In this diy coding tutorial, we will learn how to make a zoetrope using arduino. We will use a motor to rotate the still images backward and forward using a circuit. A mechanism consisting of two. My design uses an arduino pro mini powered by a system of brushes and a magnet and hall effect sensor for position detection. Circuit design arduino project 10 zoetrope by michael yang created by michael yang432 with tinkercad The zeotrope is a device that creates illusions, making a drawing of papers come to life. These illusions are created by the motion of the spinning disc and the constant flash of the light, this combination creates the animation. For this arduino project, we use some still images to make a moving image using a motor. Create moving images in forward and reverse with your arduino when you connect a dc motor to an h.
from vimeo.com
We will use a motor to rotate the still images backward and forward using a circuit. Essentially, it's a 3d gif! In this diy coding tutorial, we will learn how to make a zoetrope using arduino. A mechanism consisting of two. For this arduino project, we use some still images to make a moving image using a motor. My design uses an arduino pro mini powered by a system of brushes and a magnet and hall effect sensor for position detection. These illusions are created by the motion of the spinning disc and the constant flash of the light, this combination creates the animation. Create moving images in forward and reverse with your arduino when you connect a dc motor to an h. Circuit design arduino project 10 zoetrope by michael yang created by michael yang432 with tinkercad The zeotrope is a device that creates illusions, making a drawing of papers come to life.
arduino zoetrope / arduino project book num 10 on Vimeo
Arduino Zoetrope For this arduino project, we use some still images to make a moving image using a motor. These illusions are created by the motion of the spinning disc and the constant flash of the light, this combination creates the animation. We will use a motor to rotate the still images backward and forward using a circuit. My design uses an arduino pro mini powered by a system of brushes and a magnet and hall effect sensor for position detection. Create moving images in forward and reverse with your arduino when you connect a dc motor to an h. For this arduino project, we use some still images to make a moving image using a motor. Essentially, it's a 3d gif! In this diy coding tutorial, we will learn how to make a zoetrope using arduino. The zeotrope is a device that creates illusions, making a drawing of papers come to life. Circuit design arduino project 10 zoetrope by michael yang created by michael yang432 with tinkercad A mechanism consisting of two.
From forum.arduino.cc
Project 10 Zoetrope HBridge Debugging The Arduino Starter Kit Arduino Zoetrope We will use a motor to rotate the still images backward and forward using a circuit. The zeotrope is a device that creates illusions, making a drawing of papers come to life. My design uses an arduino pro mini powered by a system of brushes and a magnet and hall effect sensor for position detection. Circuit design arduino project 10. Arduino Zoetrope.
From www.youtube.com
Arduino Tutorial 10 Zoetrope YouTube Arduino Zoetrope We will use a motor to rotate the still images backward and forward using a circuit. These illusions are created by the motion of the spinning disc and the constant flash of the light, this combination creates the animation. A mechanism consisting of two. The zeotrope is a device that creates illusions, making a drawing of papers come to life.. Arduino Zoetrope.
From create.arduino.cc
Zoetrope Arduino Project Hub Arduino Zoetrope For this arduino project, we use some still images to make a moving image using a motor. My design uses an arduino pro mini powered by a system of brushes and a magnet and hall effect sensor for position detection. A mechanism consisting of two. These illusions are created by the motion of the spinning disc and the constant flash. Arduino Zoetrope.
From www.youtube.com
Arduino Zoetrope YouTube Arduino Zoetrope Circuit design arduino project 10 zoetrope by michael yang created by michael yang432 with tinkercad My design uses an arduino pro mini powered by a system of brushes and a magnet and hall effect sensor for position detection. These illusions are created by the motion of the spinning disc and the constant flash of the light, this combination creates the. Arduino Zoetrope.
From www.youtube.com
Arduino Start Kit Lesson 10 (Zoetrope) YouTube Arduino Zoetrope My design uses an arduino pro mini powered by a system of brushes and a magnet and hall effect sensor for position detection. The zeotrope is a device that creates illusions, making a drawing of papers come to life. Circuit design arduino project 10 zoetrope by michael yang created by michael yang432 with tinkercad We will use a motor to. Arduino Zoetrope.
From www.pinoo.io
Arduino Ide'de Pinoo İle Zoetrope Pinoo Robotics Arduino Zoetrope In this diy coding tutorial, we will learn how to make a zoetrope using arduino. My design uses an arduino pro mini powered by a system of brushes and a magnet and hall effect sensor for position detection. Essentially, it's a 3d gif! Circuit design arduino project 10 zoetrope by michael yang created by michael yang432 with tinkercad A mechanism. Arduino Zoetrope.
From www.youtube.com
Arduino Project Zoetrope YouTube Arduino Zoetrope A mechanism consisting of two. In this diy coding tutorial, we will learn how to make a zoetrope using arduino. Essentially, it's a 3d gif! We will use a motor to rotate the still images backward and forward using a circuit. Circuit design arduino project 10 zoetrope by michael yang created by michael yang432 with tinkercad My design uses an. Arduino Zoetrope.
From www.youtube.com
Arduino Powered Zoetrope Animation YouTube Arduino Zoetrope In this diy coding tutorial, we will learn how to make a zoetrope using arduino. These illusions are created by the motion of the spinning disc and the constant flash of the light, this combination creates the animation. Circuit design arduino project 10 zoetrope by michael yang created by michael yang432 with tinkercad My design uses an arduino pro mini. Arduino Zoetrope.
From www.youtube.com
Arduino Projects Book Project 10 Zoetrope YouTube Arduino Zoetrope For this arduino project, we use some still images to make a moving image using a motor. The zeotrope is a device that creates illusions, making a drawing of papers come to life. These illusions are created by the motion of the spinning disc and the constant flash of the light, this combination creates the animation. In this diy coding. Arduino Zoetrope.
From www.youtube.com
Arduino stopmotion puppet armature Zoetrope driven by Dragonframe YouTube Arduino Zoetrope These illusions are created by the motion of the spinning disc and the constant flash of the light, this combination creates the animation. A mechanism consisting of two. Circuit design arduino project 10 zoetrope by michael yang created by michael yang432 with tinkercad In this diy coding tutorial, we will learn how to make a zoetrope using arduino. Essentially, it's. Arduino Zoetrope.
From www.youtube.com
Arduino Project Book Zoetrope (10) YouTube Arduino Zoetrope We will use a motor to rotate the still images backward and forward using a circuit. For this arduino project, we use some still images to make a moving image using a motor. Create moving images in forward and reverse with your arduino when you connect a dc motor to an h. My design uses an arduino pro mini powered. Arduino Zoetrope.
From www.youtube.com
Arduino Project 10 Zoetrope YouTube Arduino Zoetrope For this arduino project, we use some still images to make a moving image using a motor. A mechanism consisting of two. My design uses an arduino pro mini powered by a system of brushes and a magnet and hall effect sensor for position detection. Circuit design arduino project 10 zoetrope by michael yang created by michael yang432 with tinkercad. Arduino Zoetrope.
From duino4projects.com
Digital Zoetrope using Arduino Arduino Zoetrope A mechanism consisting of two. Create moving images in forward and reverse with your arduino when you connect a dc motor to an h. Circuit design arduino project 10 zoetrope by michael yang created by michael yang432 with tinkercad In this diy coding tutorial, we will learn how to make a zoetrope using arduino. For this arduino project, we use. Arduino Zoetrope.
From myprojectideas.com
How To Make A Zoetrope Using Arduino Arduino Project My Project Ideas Arduino Zoetrope Circuit design arduino project 10 zoetrope by michael yang created by michael yang432 with tinkercad For this arduino project, we use some still images to make a moving image using a motor. We will use a motor to rotate the still images backward and forward using a circuit. Create moving images in forward and reverse with your arduino when you. Arduino Zoetrope.
From www.instructables.com
Arduino Zoetrope 5 Steps Instructables Arduino Zoetrope For this arduino project, we use some still images to make a moving image using a motor. We will use a motor to rotate the still images backward and forward using a circuit. The zeotrope is a device that creates illusions, making a drawing of papers come to life. Create moving images in forward and reverse with your arduino when. Arduino Zoetrope.
From www.instructables.com
Arduino Zoetrope 5 Steps Instructables Arduino Zoetrope We will use a motor to rotate the still images backward and forward using a circuit. For this arduino project, we use some still images to make a moving image using a motor. In this diy coding tutorial, we will learn how to make a zoetrope using arduino. A mechanism consisting of two. My design uses an arduino pro mini. Arduino Zoetrope.
From www.youtube.com
Arduino UNO Zoetrope Animation test YouTube Arduino Zoetrope The zeotrope is a device that creates illusions, making a drawing of papers come to life. For this arduino project, we use some still images to make a moving image using a motor. These illusions are created by the motion of the spinning disc and the constant flash of the light, this combination creates the animation. A mechanism consisting of. Arduino Zoetrope.
From www.youtube.com
Arduino Project 10 Zoetrope YouTube Arduino Zoetrope These illusions are created by the motion of the spinning disc and the constant flash of the light, this combination creates the animation. We will use a motor to rotate the still images backward and forward using a circuit. The zeotrope is a device that creates illusions, making a drawing of papers come to life. Essentially, it's a 3d gif!. Arduino Zoetrope.
From visualthinkmap.blogspot.com
Ink & Play Blog Arduino Zoetrope Arduino Zoetrope A mechanism consisting of two. Create moving images in forward and reverse with your arduino when you connect a dc motor to an h. My design uses an arduino pro mini powered by a system of brushes and a magnet and hall effect sensor for position detection. For this arduino project, we use some still images to make a moving. Arduino Zoetrope.
From duino4projects.com
Zoetrope With Pinoo ArduinoPowered Animation Fun for All Ages Arduino Zoetrope For this arduino project, we use some still images to make a moving image using a motor. We will use a motor to rotate the still images backward and forward using a circuit. A mechanism consisting of two. These illusions are created by the motion of the spinning disc and the constant flash of the light, this combination creates the. Arduino Zoetrope.
From vimeo.com
arduino zoetrope / arduino project book num 10 on Vimeo Arduino Zoetrope For this arduino project, we use some still images to make a moving image using a motor. These illusions are created by the motion of the spinning disc and the constant flash of the light, this combination creates the animation. Circuit design arduino project 10 zoetrope by michael yang created by michael yang432 with tinkercad Essentially, it's a 3d gif!. Arduino Zoetrope.
From www.youtube.com
Make Arduino Starter Kit Project 10 Zoetrope YouTube Arduino Zoetrope For this arduino project, we use some still images to make a moving image using a motor. Essentially, it's a 3d gif! These illusions are created by the motion of the spinning disc and the constant flash of the light, this combination creates the animation. Create moving images in forward and reverse with your arduino when you connect a dc. Arduino Zoetrope.
From www.youtube.com
Zootrope arduino 3 YouTube Arduino Zoetrope We will use a motor to rotate the still images backward and forward using a circuit. Essentially, it's a 3d gif! My design uses an arduino pro mini powered by a system of brushes and a magnet and hall effect sensor for position detection. A mechanism consisting of two. Circuit design arduino project 10 zoetrope by michael yang created by. Arduino Zoetrope.
From www.youtube.com
Arduino Starter Kit Project 10 Zoetrope YouTube Arduino Zoetrope For this arduino project, we use some still images to make a moving image using a motor. My design uses an arduino pro mini powered by a system of brushes and a magnet and hall effect sensor for position detection. Circuit design arduino project 10 zoetrope by michael yang created by michael yang432 with tinkercad Create moving images in forward. Arduino Zoetrope.
From www.youtube.com
Arduino Starter Kit Projects Project 10 Zoetrope YouTube Arduino Zoetrope These illusions are created by the motion of the spinning disc and the constant flash of the light, this combination creates the animation. For this arduino project, we use some still images to make a moving image using a motor. My design uses an arduino pro mini powered by a system of brushes and a magnet and hall effect sensor. Arduino Zoetrope.
From www.youtube.com
Arduino Project 10 Zoetrope What Not To Do! YouTube Arduino Zoetrope Circuit design arduino project 10 zoetrope by michael yang created by michael yang432 with tinkercad Essentially, it's a 3d gif! Create moving images in forward and reverse with your arduino when you connect a dc motor to an h. My design uses an arduino pro mini powered by a system of brushes and a magnet and hall effect sensor for. Arduino Zoetrope.
From www.youtube.com
Stroboscope / Zoetrope with Arduino and DVD spindle brushless motor Arduino Zoetrope For this arduino project, we use some still images to make a moving image using a motor. The zeotrope is a device that creates illusions, making a drawing of papers come to life. In this diy coding tutorial, we will learn how to make a zoetrope using arduino. Circuit design arduino project 10 zoetrope by michael yang created by michael. Arduino Zoetrope.
From create.arduino.cc
Zoetrope Arduino Project Hub Arduino Zoetrope My design uses an arduino pro mini powered by a system of brushes and a magnet and hall effect sensor for position detection. Circuit design arduino project 10 zoetrope by michael yang created by michael yang432 with tinkercad Essentially, it's a 3d gif! These illusions are created by the motion of the spinning disc and the constant flash of the. Arduino Zoetrope.
From www.youtube.com
Arduino project 10 Zoetrope YouTube Arduino Zoetrope These illusions are created by the motion of the spinning disc and the constant flash of the light, this combination creates the animation. Circuit design arduino project 10 zoetrope by michael yang created by michael yang432 with tinkercad A mechanism consisting of two. For this arduino project, we use some still images to make a moving image using a motor.. Arduino Zoetrope.
From www.instructables.com
Digital Zoetrope 6 Steps (with Pictures) Instructables Arduino Zoetrope A mechanism consisting of two. The zeotrope is a device that creates illusions, making a drawing of papers come to life. These illusions are created by the motion of the spinning disc and the constant flash of the light, this combination creates the animation. For this arduino project, we use some still images to make a moving image using a. Arduino Zoetrope.
From www.youtube.com
Project 10 Arduino Zoetrope YouTube Arduino Zoetrope Circuit design arduino project 10 zoetrope by michael yang created by michael yang432 with tinkercad My design uses an arduino pro mini powered by a system of brushes and a magnet and hall effect sensor for position detection. The zeotrope is a device that creates illusions, making a drawing of papers come to life. A mechanism consisting of two. In. Arduino Zoetrope.
From www.youtube.com
Zoetrope Using Arduino Arduino Project YouTube Arduino Zoetrope Essentially, it's a 3d gif! Create moving images in forward and reverse with your arduino when you connect a dc motor to an h. The zeotrope is a device that creates illusions, making a drawing of papers come to life. In this diy coding tutorial, we will learn how to make a zoetrope using arduino. A mechanism consisting of two.. Arduino Zoetrope.
From www.youtube.com
Arduino Zoetrope YouTube Arduino Zoetrope For this arduino project, we use some still images to make a moving image using a motor. We will use a motor to rotate the still images backward and forward using a circuit. Circuit design arduino project 10 zoetrope by michael yang created by michael yang432 with tinkercad In this diy coding tutorial, we will learn how to make a. Arduino Zoetrope.
From www.youtube.com
Arduino UNO Zoetrope モーターの機能テスト (こども・大人の科学・工作教室 T2ES) YouTube Arduino Zoetrope My design uses an arduino pro mini powered by a system of brushes and a magnet and hall effect sensor for position detection. A mechanism consisting of two. We will use a motor to rotate the still images backward and forward using a circuit. Circuit design arduino project 10 zoetrope by michael yang created by michael yang432 with tinkercad These. Arduino Zoetrope.
From www.youtube.com
Arduino Zoetrope Walkthrough Learn Electronics with Arduino Project 10 Arduino Zoetrope These illusions are created by the motion of the spinning disc and the constant flash of the light, this combination creates the animation. Essentially, it's a 3d gif! A mechanism consisting of two. The zeotrope is a device that creates illusions, making a drawing of papers come to life. Create moving images in forward and reverse with your arduino when. Arduino Zoetrope.