What Is A Microphone Amplifier Circuit . This circuit can be used as “small mic and loudspeaker system” for. in this article we are going to see how to build a microphone amplifier circuit with operational amplifier lm324. an audio amplifier is an electronic device that increases the power of an audio signal, allowing it to be heard at higher volumes through speakers or. The microphone is an electrical component (transducer) device that converts. what is a microphone? simple mic audio amplifier can amplify sound that is given from microphone. in this instructable i will show you how i made this fun but useful project upon a minimal microphone amplifier which may.
from lcamtuf.substack.com
simple mic audio amplifier can amplify sound that is given from microphone. The microphone is an electrical component (transducer) device that converts. in this article we are going to see how to build a microphone amplifier circuit with operational amplifier lm324. This circuit can be used as “small mic and loudspeaker system” for. in this instructable i will show you how i made this fun but useful project upon a minimal microphone amplifier which may. what is a microphone? an audio amplifier is an electronic device that increases the power of an audio signal, allowing it to be heard at higher volumes through speakers or.
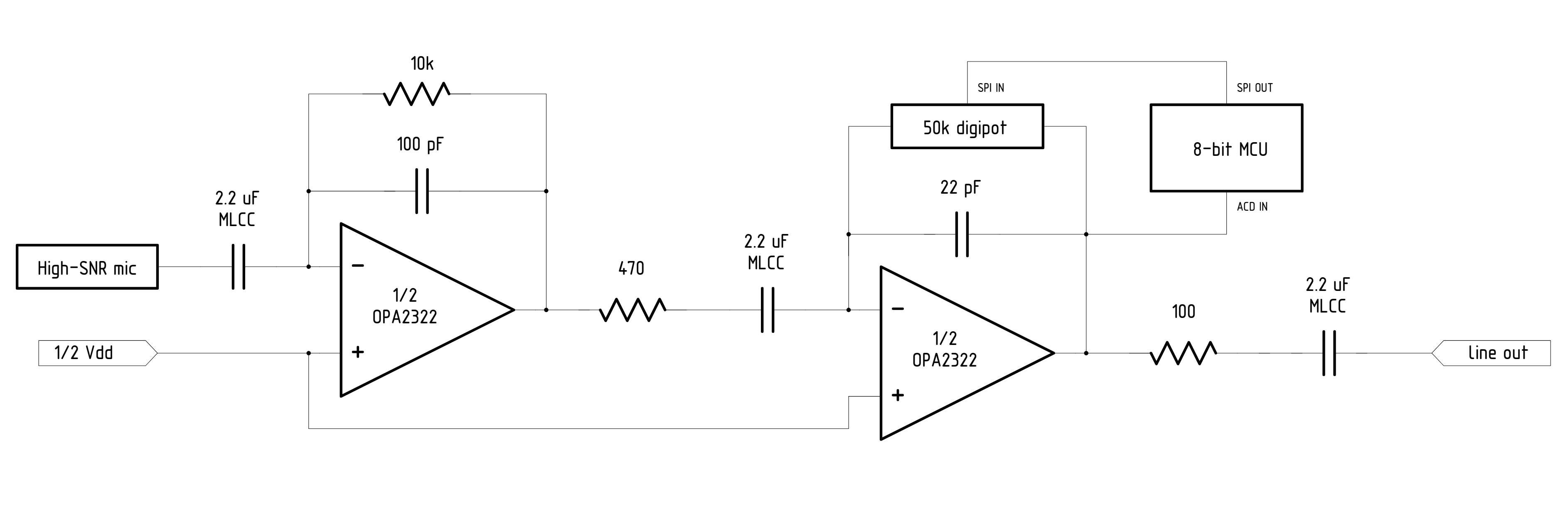
Building a decent microphone amplifier lcamtuf’s thing
What Is A Microphone Amplifier Circuit This circuit can be used as “small mic and loudspeaker system” for. This circuit can be used as “small mic and loudspeaker system” for. simple mic audio amplifier can amplify sound that is given from microphone. in this instructable i will show you how i made this fun but useful project upon a minimal microphone amplifier which may. The microphone is an electrical component (transducer) device that converts. in this article we are going to see how to build a microphone amplifier circuit with operational amplifier lm324. what is a microphone? an audio amplifier is an electronic device that increases the power of an audio signal, allowing it to be heard at higher volumes through speakers or.
From www.circuits-diy.com
Simple Microphone to Speaker Amplifier Circuit What Is A Microphone Amplifier Circuit what is a microphone? The microphone is an electrical component (transducer) device that converts. in this instructable i will show you how i made this fun but useful project upon a minimal microphone amplifier which may. This circuit can be used as “small mic and loudspeaker system” for. simple mic audio amplifier can amplify sound that is. What Is A Microphone Amplifier Circuit.
From www.youtube.com
What is an op amp? Operational Amplifier tutorial & super spy What Is A Microphone Amplifier Circuit in this article we are going to see how to build a microphone amplifier circuit with operational amplifier lm324. This circuit can be used as “small mic and loudspeaker system” for. in this instructable i will show you how i made this fun but useful project upon a minimal microphone amplifier which may. what is a microphone?. What Is A Microphone Amplifier Circuit.
From www.circuits-diy.com
AntiAcoustic Feedback Circuit For Microphone/Amplifier Systems What Is A Microphone Amplifier Circuit simple mic audio amplifier can amplify sound that is given from microphone. This circuit can be used as “small mic and loudspeaker system” for. what is a microphone? in this instructable i will show you how i made this fun but useful project upon a minimal microphone amplifier which may. an audio amplifier is an electronic. What Is A Microphone Amplifier Circuit.
From www.homemade-circuits.com
How to Build a Microphone Amplifier Circuit Homemade Circuit Projects What Is A Microphone Amplifier Circuit The microphone is an electrical component (transducer) device that converts. what is a microphone? This circuit can be used as “small mic and loudspeaker system” for. in this article we are going to see how to build a microphone amplifier circuit with operational amplifier lm324. simple mic audio amplifier can amplify sound that is given from microphone.. What Is A Microphone Amplifier Circuit.
From enginelibrarydavid77.z13.web.core.windows.net
Condenser Microphone Amplifier Circuit Diagram What Is A Microphone Amplifier Circuit in this instructable i will show you how i made this fun but useful project upon a minimal microphone amplifier which may. what is a microphone? This circuit can be used as “small mic and loudspeaker system” for. in this article we are going to see how to build a microphone amplifier circuit with operational amplifier lm324.. What Is A Microphone Amplifier Circuit.
From diagrampartkonig.z13.web.core.windows.net
Microphone Amplifier Circuit Diagram What Is A Microphone Amplifier Circuit This circuit can be used as “small mic and loudspeaker system” for. in this article we are going to see how to build a microphone amplifier circuit with operational amplifier lm324. The microphone is an electrical component (transducer) device that converts. simple mic audio amplifier can amplify sound that is given from microphone. an audio amplifier is. What Is A Microphone Amplifier Circuit.
From circuitdigest.com
Simple Microphone to Speaker Amplifier Circuit Diagram What Is A Microphone Amplifier Circuit in this instructable i will show you how i made this fun but useful project upon a minimal microphone amplifier which may. an audio amplifier is an electronic device that increases the power of an audio signal, allowing it to be heard at higher volumes through speakers or. The microphone is an electrical component (transducer) device that converts.. What Is A Microphone Amplifier Circuit.
From lcamtuf.substack.com
Building a decent microphone amplifier lcamtuf’s thing What Is A Microphone Amplifier Circuit in this instructable i will show you how i made this fun but useful project upon a minimal microphone amplifier which may. in this article we are going to see how to build a microphone amplifier circuit with operational amplifier lm324. an audio amplifier is an electronic device that increases the power of an audio signal, allowing. What Is A Microphone Amplifier Circuit.
From www.youtube.com
how to make electret microphone amplifier circuit Electret Microphone What Is A Microphone Amplifier Circuit an audio amplifier is an electronic device that increases the power of an audio signal, allowing it to be heard at higher volumes through speakers or. simple mic audio amplifier can amplify sound that is given from microphone. in this article we are going to see how to build a microphone amplifier circuit with operational amplifier lm324.. What Is A Microphone Amplifier Circuit.
From www.artofit.org
Simple microphone mic amplifier circuits Artofit What Is A Microphone Amplifier Circuit simple mic audio amplifier can amplify sound that is given from microphone. what is a microphone? in this instructable i will show you how i made this fun but useful project upon a minimal microphone amplifier which may. The microphone is an electrical component (transducer) device that converts. This circuit can be used as “small mic and. What Is A Microphone Amplifier Circuit.
From www.hobbyprojects.com
Microphone Amplifier Circuit Diagram Project Alarms & Security What Is A Microphone Amplifier Circuit an audio amplifier is an electronic device that increases the power of an audio signal, allowing it to be heard at higher volumes through speakers or. in this article we are going to see how to build a microphone amplifier circuit with operational amplifier lm324. This circuit can be used as “small mic and loudspeaker system” for. . What Is A Microphone Amplifier Circuit.
From partdiagrammirjaninung.z13.web.core.windows.net
Microphone Amplifier Circuit Using Transistor What Is A Microphone Amplifier Circuit simple mic audio amplifier can amplify sound that is given from microphone. an audio amplifier is an electronic device that increases the power of an audio signal, allowing it to be heard at higher volumes through speakers or. in this article we are going to see how to build a microphone amplifier circuit with operational amplifier lm324.. What Is A Microphone Amplifier Circuit.
From makingcircuits.com
Simple Microphone (MIC) Amplifier Circuits What Is A Microphone Amplifier Circuit simple mic audio amplifier can amplify sound that is given from microphone. what is a microphone? an audio amplifier is an electronic device that increases the power of an audio signal, allowing it to be heard at higher volumes through speakers or. in this article we are going to see how to build a microphone amplifier. What Is A Microphone Amplifier Circuit.
From itecnotes.com
Electronic Reducing noise in microphone amplifier circuit at higher What Is A Microphone Amplifier Circuit simple mic audio amplifier can amplify sound that is given from microphone. The microphone is an electrical component (transducer) device that converts. This circuit can be used as “small mic and loudspeaker system” for. in this article we are going to see how to build a microphone amplifier circuit with operational amplifier lm324. in this instructable i. What Is A Microphone Amplifier Circuit.
From bitluni.net
Electret microphone amplifier bitluni's lab What Is A Microphone Amplifier Circuit an audio amplifier is an electronic device that increases the power of an audio signal, allowing it to be heard at higher volumes through speakers or. This circuit can be used as “small mic and loudspeaker system” for. simple mic audio amplifier can amplify sound that is given from microphone. The microphone is an electrical component (transducer) device. What Is A Microphone Amplifier Circuit.
From www.circuits-diy.com
Simple Microphone to Speaker Amplifier Circuit What Is A Microphone Amplifier Circuit The microphone is an electrical component (transducer) device that converts. This circuit can be used as “small mic and loudspeaker system” for. in this instructable i will show you how i made this fun but useful project upon a minimal microphone amplifier which may. in this article we are going to see how to build a microphone amplifier. What Is A Microphone Amplifier Circuit.
From www.caretxdigital.com
simple microphone circuit diagram Wiring Diagram and Schematics What Is A Microphone Amplifier Circuit in this instructable i will show you how i made this fun but useful project upon a minimal microphone amplifier which may. simple mic audio amplifier can amplify sound that is given from microphone. The microphone is an electrical component (transducer) device that converts. what is a microphone? in this article we are going to see. What Is A Microphone Amplifier Circuit.
From guidemerszebn.z14.web.core.windows.net
Microphone Amplifier Circuit Using Transistor What Is A Microphone Amplifier Circuit simple mic audio amplifier can amplify sound that is given from microphone. what is a microphone? an audio amplifier is an electronic device that increases the power of an audio signal, allowing it to be heard at higher volumes through speakers or. in this article we are going to see how to build a microphone amplifier. What Is A Microphone Amplifier Circuit.
From www.circuits-diy.com
Microphone Preamplifier Circuit Using TL071 OpAmp What Is A Microphone Amplifier Circuit in this instructable i will show you how i made this fun but useful project upon a minimal microphone amplifier which may. an audio amplifier is an electronic device that increases the power of an audio signal, allowing it to be heard at higher volumes through speakers or. what is a microphone? The microphone is an electrical. What Is A Microphone Amplifier Circuit.
From www.eleccircuit.com
3 Low noise microphone preamplifier circuit using NE5532 LF356 What Is A Microphone Amplifier Circuit The microphone is an electrical component (transducer) device that converts. what is a microphone? in this article we are going to see how to build a microphone amplifier circuit with operational amplifier lm324. an audio amplifier is an electronic device that increases the power of an audio signal, allowing it to be heard at higher volumes through. What Is A Microphone Amplifier Circuit.
From bestengineeringprojects.com
Dynamic Microphone Preamplifier Circuit Engineering Projects What Is A Microphone Amplifier Circuit The microphone is an electrical component (transducer) device that converts. in this instructable i will show you how i made this fun but useful project upon a minimal microphone amplifier which may. an audio amplifier is an electronic device that increases the power of an audio signal, allowing it to be heard at higher volumes through speakers or.. What Is A Microphone Amplifier Circuit.
From www.youtube.com
How to make Mic Pre Amplifier Circuit using BC547 Very Sensetive What Is A Microphone Amplifier Circuit in this article we are going to see how to build a microphone amplifier circuit with operational amplifier lm324. an audio amplifier is an electronic device that increases the power of an audio signal, allowing it to be heard at higher volumes through speakers or. The microphone is an electrical component (transducer) device that converts. in this. What Is A Microphone Amplifier Circuit.
From wiredatainternetjn.z22.web.core.windows.net
Microphone Amplifier Circuit Using Transistor What Is A Microphone Amplifier Circuit in this article we are going to see how to build a microphone amplifier circuit with operational amplifier lm324. an audio amplifier is an electronic device that increases the power of an audio signal, allowing it to be heard at higher volumes through speakers or. This circuit can be used as “small mic and loudspeaker system” for. The. What Is A Microphone Amplifier Circuit.
From schematicumerj.z14.web.core.windows.net
Microphone Amplifier Circuit Using Transistor What Is A Microphone Amplifier Circuit in this article we are going to see how to build a microphone amplifier circuit with operational amplifier lm324. an audio amplifier is an electronic device that increases the power of an audio signal, allowing it to be heard at higher volumes through speakers or. This circuit can be used as “small mic and loudspeaker system” for. . What Is A Microphone Amplifier Circuit.
From userdatascratching.z22.web.core.windows.net
Dynamic Microphone Amplifier Circuit Diagram What Is A Microphone Amplifier Circuit what is a microphone? an audio amplifier is an electronic device that increases the power of an audio signal, allowing it to be heard at higher volumes through speakers or. simple mic audio amplifier can amplify sound that is given from microphone. in this article we are going to see how to build a microphone amplifier. What Is A Microphone Amplifier Circuit.
From www.circuits-diy.com
Condenser Mic Preamplifier Circuit using BC547 Transistor What Is A Microphone Amplifier Circuit in this instructable i will show you how i made this fun but useful project upon a minimal microphone amplifier which may. simple mic audio amplifier can amplify sound that is given from microphone. what is a microphone? in this article we are going to see how to build a microphone amplifier circuit with operational amplifier. What Is A Microphone Amplifier Circuit.
From www.pinterest.de
What is an op amp? Operational Amplifier tutorial super spy microphone What Is A Microphone Amplifier Circuit The microphone is an electrical component (transducer) device that converts. in this article we are going to see how to build a microphone amplifier circuit with operational amplifier lm324. simple mic audio amplifier can amplify sound that is given from microphone. This circuit can be used as “small mic and loudspeaker system” for. what is a microphone?. What Is A Microphone Amplifier Circuit.
From www.eleccircuit.com
3 Low noise microphone preamplifier circuit using NE5532 LF356 What Is A Microphone Amplifier Circuit The microphone is an electrical component (transducer) device that converts. an audio amplifier is an electronic device that increases the power of an audio signal, allowing it to be heard at higher volumes through speakers or. This circuit can be used as “small mic and loudspeaker system” for. what is a microphone? simple mic audio amplifier can. What Is A Microphone Amplifier Circuit.
From www.circuits-diy.com
Simple Microphone to Speaker Amplifier Circuit What Is A Microphone Amplifier Circuit in this instructable i will show you how i made this fun but useful project upon a minimal microphone amplifier which may. an audio amplifier is an electronic device that increases the power of an audio signal, allowing it to be heard at higher volumes through speakers or. This circuit can be used as “small mic and loudspeaker. What Is A Microphone Amplifier Circuit.
From www.circuits-diy.com
Simple Microphone to Speaker Amplifier Circuit What Is A Microphone Amplifier Circuit an audio amplifier is an electronic device that increases the power of an audio signal, allowing it to be heard at higher volumes through speakers or. in this instructable i will show you how i made this fun but useful project upon a minimal microphone amplifier which may. what is a microphone? The microphone is an electrical. What Is A Microphone Amplifier Circuit.
From ampli.deminasi.com
Electret Microphone Amplifier Circuit Diagram What Is A Microphone Amplifier Circuit in this instructable i will show you how i made this fun but useful project upon a minimal microphone amplifier which may. what is a microphone? an audio amplifier is an electronic device that increases the power of an audio signal, allowing it to be heard at higher volumes through speakers or. The microphone is an electrical. What Is A Microphone Amplifier Circuit.
From engineenginefrueh.z19.web.core.windows.net
Condenser Microphone Amplifier Circuit What Is A Microphone Amplifier Circuit This circuit can be used as “small mic and loudspeaker system” for. an audio amplifier is an electronic device that increases the power of an audio signal, allowing it to be heard at higher volumes through speakers or. in this article we are going to see how to build a microphone amplifier circuit with operational amplifier lm324. . What Is A Microphone Amplifier Circuit.
From www.youtube.com
how to make a mic amplifier at home.Mic circuit. YouTube What Is A Microphone Amplifier Circuit This circuit can be used as “small mic and loudspeaker system” for. simple mic audio amplifier can amplify sound that is given from microphone. in this article we are going to see how to build a microphone amplifier circuit with operational amplifier lm324. an audio amplifier is an electronic device that increases the power of an audio. What Is A Microphone Amplifier Circuit.
From makingcircuits.com
Simple Microphone (MIC) Amplifier Circuits What Is A Microphone Amplifier Circuit what is a microphone? simple mic audio amplifier can amplify sound that is given from microphone. This circuit can be used as “small mic and loudspeaker system” for. The microphone is an electrical component (transducer) device that converts. in this article we are going to see how to build a microphone amplifier circuit with operational amplifier lm324.. What Is A Microphone Amplifier Circuit.
From electronicshelpcare.net
Microphone circuit diagram for amplifier Electronics Help Care What Is A Microphone Amplifier Circuit simple mic audio amplifier can amplify sound that is given from microphone. what is a microphone? The microphone is an electrical component (transducer) device that converts. This circuit can be used as “small mic and loudspeaker system” for. in this article we are going to see how to build a microphone amplifier circuit with operational amplifier lm324.. What Is A Microphone Amplifier Circuit.