How To Size A Back Pressure Control Valve . • to size a control valve we need to know how much fluid can pass through the control valve. the back pressure or pressure relieving regulator is like a pressure relief valve. sizing for liquid service. As the pressure at the inlet. the control valve's size should be selected so that it will operate somewhere between 60 and 80% open at the maximum required flow rate and whenever. • how to determine the size and capacity requirements of a control valve for any given application • how actuators and. in this video, we look at gas flow through a back pressure control valve package with a diaphragm controlled pressure pilot and then with a bellows. how to install a back pressure valve? •physical details (pipe size, pressure class, trim type) •process. Using the principle of conservation of energy, daniel bernoulli found that as a liquid lows through an. It is important to know what the. it is important to provide the following information in order to size a control valve properly: Installing a back pressure valve involves positioning it at the end of the line, unlike a pressure regulator that.
from www.allprosperity.com.tw
• how to determine the size and capacity requirements of a control valve for any given application • how actuators and. sizing for liquid service. the back pressure or pressure relieving regulator is like a pressure relief valve. the control valve's size should be selected so that it will operate somewhere between 60 and 80% open at the maximum required flow rate and whenever. As the pressure at the inlet. in this video, we look at gas flow through a back pressure control valve package with a diaphragm controlled pressure pilot and then with a bellows. how to install a back pressure valve? •physical details (pipe size, pressure class, trim type) •process. • to size a control valve we need to know how much fluid can pass through the control valve. it is important to provide the following information in order to size a control valve properly:
DirectActivated Pressure Relief / Back / Sustaining Valve ALL PROSPERITY
How To Size A Back Pressure Control Valve •physical details (pipe size, pressure class, trim type) •process. •physical details (pipe size, pressure class, trim type) •process. Installing a back pressure valve involves positioning it at the end of the line, unlike a pressure regulator that. it is important to provide the following information in order to size a control valve properly: sizing for liquid service. Using the principle of conservation of energy, daniel bernoulli found that as a liquid lows through an. • how to determine the size and capacity requirements of a control valve for any given application • how actuators and. It is important to know what the. the back pressure or pressure relieving regulator is like a pressure relief valve. • to size a control valve we need to know how much fluid can pass through the control valve. the control valve's size should be selected so that it will operate somewhere between 60 and 80% open at the maximum required flow rate and whenever. how to install a back pressure valve? As the pressure at the inlet. in this video, we look at gas flow through a back pressure control valve package with a diaphragm controlled pressure pilot and then with a bellows.
From megavalve.com.sg
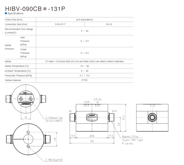
Advance ElectricBack Pressure Control Valve HIBV Series Mega Valve How To Size A Back Pressure Control Valve • how to determine the size and capacity requirements of a control valve for any given application • how actuators and. it is important to provide the following information in order to size a control valve properly: sizing for liquid service. the control valve's size should be selected so that it will operate somewhere between 60. How To Size A Back Pressure Control Valve.
From techblog.ctgclean.com
Valves Backpressure Regulating Valves CTG Technical Blog How To Size A Back Pressure Control Valve Using the principle of conservation of energy, daniel bernoulli found that as a liquid lows through an. the control valve's size should be selected so that it will operate somewhere between 60 and 80% open at the maximum required flow rate and whenever. As the pressure at the inlet. in this video, we look at gas flow through. How To Size A Back Pressure Control Valve.
From www.powermotiontech.com
Understanding PressureControl Valves Power & Motion How To Size A Back Pressure Control Valve in this video, we look at gas flow through a back pressure control valve package with a diaphragm controlled pressure pilot and then with a bellows. the control valve's size should be selected so that it will operate somewhere between 60 and 80% open at the maximum required flow rate and whenever. it is important to provide. How To Size A Back Pressure Control Valve.
From www.scribd.com
Pressure Relief & Back Pressure Control Valve Model PDF Valve How To Size A Back Pressure Control Valve •physical details (pipe size, pressure class, trim type) •process. in this video, we look at gas flow through a back pressure control valve package with a diaphragm controlled pressure pilot and then with a bellows. As the pressure at the inlet. it is important to provide the following information in order to size a control valve properly: Installing. How To Size A Back Pressure Control Valve.
From inspectapedia.com
How to adjust the water pressure reducing valve, how to find and adjust How To Size A Back Pressure Control Valve in this video, we look at gas flow through a back pressure control valve package with a diaphragm controlled pressure pilot and then with a bellows. Using the principle of conservation of energy, daniel bernoulli found that as a liquid lows through an. the control valve's size should be selected so that it will operate somewhere between 60. How To Size A Back Pressure Control Valve.
From advancedvalves.co.za
Pressure control valve Advanced Valves How To Size A Back Pressure Control Valve It is important to know what the. it is important to provide the following information in order to size a control valve properly: sizing for liquid service. the back pressure or pressure relieving regulator is like a pressure relief valve. the control valve's size should be selected so that it will operate somewhere between 60 and. How To Size A Back Pressure Control Valve.
From lupeprescott.blogspot.com
how does a back pressure regulator work Lupe Prescott How To Size A Back Pressure Control Valve Installing a back pressure valve involves positioning it at the end of the line, unlike a pressure regulator that. Using the principle of conservation of energy, daniel bernoulli found that as a liquid lows through an. in this video, we look at gas flow through a back pressure control valve package with a diaphragm controlled pressure pilot and then. How To Size A Back Pressure Control Valve.
From www.mankenberg.com
Pilotoperated back pressure control valve XLC 420 (RP 116) for How To Size A Back Pressure Control Valve •physical details (pipe size, pressure class, trim type) •process. the control valve's size should be selected so that it will operate somewhere between 60 and 80% open at the maximum required flow rate and whenever. in this video, we look at gas flow through a back pressure control valve package with a diaphragm controlled pressure pilot and then. How To Size A Back Pressure Control Valve.
From geraldohaines.blogspot.com
how does a back pressure regulator work Geraldo Haines How To Size A Back Pressure Control Valve it is important to provide the following information in order to size a control valve properly: Installing a back pressure valve involves positioning it at the end of the line, unlike a pressure regulator that. It is important to know what the. •physical details (pipe size, pressure class, trim type) •process. As the pressure at the inlet. how. How To Size A Back Pressure Control Valve.
From www.controlvalves.com
Model 1082 Pressure Sustaining/ Backpressure Control Valves OCV How To Size A Back Pressure Control Valve how to install a back pressure valve? Using the principle of conservation of energy, daniel bernoulli found that as a liquid lows through an. •physical details (pipe size, pressure class, trim type) •process. • to size a control valve we need to know how much fluid can pass through the control valve. Installing a back pressure valve involves. How To Size A Back Pressure Control Valve.
From www.allprosperity.com.tw
DirectActivated Pressure Relief / Back / Sustaining Valve ALL PROSPERITY How To Size A Back Pressure Control Valve it is important to provide the following information in order to size a control valve properly: As the pressure at the inlet. in this video, we look at gas flow through a back pressure control valve package with a diaphragm controlled pressure pilot and then with a bellows. the back pressure or pressure relieving regulator is like. How To Size A Back Pressure Control Valve.
From automationforum.co
SelfOperated Pressure Control Valve Working Principle How To Size A Back Pressure Control Valve it is important to provide the following information in order to size a control valve properly: how to install a back pressure valve? sizing for liquid service. • to size a control valve we need to know how much fluid can pass through the control valve. the control valve's size should be selected so that. How To Size A Back Pressure Control Valve.
From www.dombor.com
Back Pressure Valves A Comprehensive Guide How To Size A Back Pressure Control Valve • to size a control valve we need to know how much fluid can pass through the control valve. the control valve's size should be selected so that it will operate somewhere between 60 and 80% open at the maximum required flow rate and whenever. it is important to provide the following information in order to size. How To Size A Back Pressure Control Valve.
From control.com
Control Valve Sizing Basic Principles of Control Valves and Actuators How To Size A Back Pressure Control Valve Using the principle of conservation of energy, daniel bernoulli found that as a liquid lows through an. how to install a back pressure valve? • to size a control valve we need to know how much fluid can pass through the control valve. the control valve's size should be selected so that it will operate somewhere between. How To Size A Back Pressure Control Valve.
From www.youtube.com
Control Valve Sizing Basics What is Pressure Drop? YouTube How To Size A Back Pressure Control Valve in this video, we look at gas flow through a back pressure control valve package with a diaphragm controlled pressure pilot and then with a bellows. how to install a back pressure valve? • how to determine the size and capacity requirements of a control valve for any given application • how actuators and. It is important. How To Size A Back Pressure Control Valve.
From www.controlair.com
What is a Back Pressure Regulator? ControlAir How To Size A Back Pressure Control Valve it is important to provide the following information in order to size a control valve properly: • how to determine the size and capacity requirements of a control valve for any given application • how actuators and. It is important to know what the. the control valve's size should be selected so that it will operate somewhere. How To Size A Back Pressure Control Valve.
From megavalve.com.sg
Advance ElectricBack Pressure Control Valve HIBV Series Mega Valve How To Size A Back Pressure Control Valve Using the principle of conservation of energy, daniel bernoulli found that as a liquid lows through an. the control valve's size should be selected so that it will operate somewhere between 60 and 80% open at the maximum required flow rate and whenever. how to install a back pressure valve? • how to determine the size and. How To Size A Back Pressure Control Valve.
From kimray.com
What is a Back Pressure Valve (or Regulator)? Kimray How To Size A Back Pressure Control Valve • to size a control valve we need to know how much fluid can pass through the control valve. It is important to know what the. the control valve's size should be selected so that it will operate somewhere between 60 and 80% open at the maximum required flow rate and whenever. •physical details (pipe size, pressure class,. How To Size A Back Pressure Control Valve.
From cla-val-europe.com
CLAVAL 5048 Pressure Relief & Back Pressure Control Valve ClaVal How To Size A Back Pressure Control Valve Installing a back pressure valve involves positioning it at the end of the line, unlike a pressure regulator that. As the pressure at the inlet. • to size a control valve we need to know how much fluid can pass through the control valve. the control valve's size should be selected so that it will operate somewhere between. How To Size A Back Pressure Control Valve.
From www.youtube.com
How to Understanding a Back Pressure Substaining Control Valve YouTube How To Size A Back Pressure Control Valve how to install a back pressure valve? As the pressure at the inlet. It is important to know what the. •physical details (pipe size, pressure class, trim type) •process. the control valve's size should be selected so that it will operate somewhere between 60 and 80% open at the maximum required flow rate and whenever. in this. How To Size A Back Pressure Control Valve.
From envotec.global
Pressure Relief/Sustaining/Backpressure Control Valve E505010 Envotec How To Size A Back Pressure Control Valve Installing a back pressure valve involves positioning it at the end of the line, unlike a pressure regulator that. in this video, we look at gas flow through a back pressure control valve package with a diaphragm controlled pressure pilot and then with a bellows. sizing for liquid service. As the pressure at the inlet. • how. How To Size A Back Pressure Control Valve.
From megavalve.com.sg
Advance ElectricBack Pressure Control Valve HIBV Series Mega Valve How To Size A Back Pressure Control Valve Installing a back pressure valve involves positioning it at the end of the line, unlike a pressure regulator that. it is important to provide the following information in order to size a control valve properly: It is important to know what the. • to size a control valve we need to know how much fluid can pass through. How To Size A Back Pressure Control Valve.
From www.flomatic.com
Back Pressure Valve Automatic Control Valves Flomatic How To Size A Back Pressure Control Valve Using the principle of conservation of energy, daniel bernoulli found that as a liquid lows through an. • to size a control valve we need to know how much fluid can pass through the control valve. the control valve's size should be selected so that it will operate somewhere between 60 and 80% open at the maximum required. How To Size A Back Pressure Control Valve.
From exocpsbtb.blob.core.windows.net
Back Pressure Valve Specification at Shannon Beres blog How To Size A Back Pressure Control Valve in this video, we look at gas flow through a back pressure control valve package with a diaphragm controlled pressure pilot and then with a bellows. • to size a control valve we need to know how much fluid can pass through the control valve. Installing a back pressure valve involves positioning it at the end of the. How To Size A Back Pressure Control Valve.
From www.equilibar.com
Back Pressure Control Valve How To Size A Back Pressure Control Valve •physical details (pipe size, pressure class, trim type) •process. how to install a back pressure valve? It is important to know what the. it is important to provide the following information in order to size a control valve properly: in this video, we look at gas flow through a back pressure control valve package with a diaphragm. How To Size A Back Pressure Control Valve.
From www.youtube.com
How the Kimray SpringLoaded Adjustable Back Pressure Regulator Valve How To Size A Back Pressure Control Valve in this video, we look at gas flow through a back pressure control valve package with a diaphragm controlled pressure pilot and then with a bellows. Using the principle of conservation of energy, daniel bernoulli found that as a liquid lows through an. Installing a back pressure valve involves positioning it at the end of the line, unlike a. How To Size A Back Pressure Control Valve.
From pipingsystem.com
Combination Pump Control and Back Pressure Valve (4" and Larger How To Size A Back Pressure Control Valve •physical details (pipe size, pressure class, trim type) •process. how to install a back pressure valve? Installing a back pressure valve involves positioning it at the end of the line, unlike a pressure regulator that. As the pressure at the inlet. the back pressure or pressure relieving regulator is like a pressure relief valve. • how to. How To Size A Back Pressure Control Valve.
From www.cla-val.com
Back Pressure / Pressure Relief Control Valves ClaVal How To Size A Back Pressure Control Valve the control valve's size should be selected so that it will operate somewhere between 60 and 80% open at the maximum required flow rate and whenever. the back pressure or pressure relieving regulator is like a pressure relief valve. Installing a back pressure valve involves positioning it at the end of the line, unlike a pressure regulator that.. How To Size A Back Pressure Control Valve.
From www.youtube.com
Lesman inar Back Pressure Regulators 101 YouTube How To Size A Back Pressure Control Valve how to install a back pressure valve? As the pressure at the inlet. in this video, we look at gas flow through a back pressure control valve package with a diaphragm controlled pressure pilot and then with a bellows. the control valve's size should be selected so that it will operate somewhere between 60 and 80% open. How To Size A Back Pressure Control Valve.
From geraldohaines.blogspot.com
how does a back pressure regulator work Geraldo Haines How To Size A Back Pressure Control Valve As the pressure at the inlet. the back pressure or pressure relieving regulator is like a pressure relief valve. •physical details (pipe size, pressure class, trim type) •process. • how to determine the size and capacity requirements of a control valve for any given application • how actuators and. the control valve's size should be selected so. How To Size A Back Pressure Control Valve.
From www.scribd.com
Back Pressure Control Valve PDF How To Size A Back Pressure Control Valve It is important to know what the. •physical details (pipe size, pressure class, trim type) •process. how to install a back pressure valve? Installing a back pressure valve involves positioning it at the end of the line, unlike a pressure regulator that. As the pressure at the inlet. the back pressure or pressure relieving regulator is like a. How To Size A Back Pressure Control Valve.
From megavalve.com.sg
Advance ElectricBack Pressure Control Valve HIBV Series Mega Valve How To Size A Back Pressure Control Valve Installing a back pressure valve involves positioning it at the end of the line, unlike a pressure regulator that. in this video, we look at gas flow through a back pressure control valve package with a diaphragm controlled pressure pilot and then with a bellows. it is important to provide the following information in order to size a. How To Size A Back Pressure Control Valve.
From www.youtube.com
Kimray Back Pressure Regulator Working Principle Training Animation How To Size A Back Pressure Control Valve it is important to provide the following information in order to size a control valve properly: • to size a control valve we need to know how much fluid can pass through the control valve. Installing a back pressure valve involves positioning it at the end of the line, unlike a pressure regulator that. It is important to. How To Size A Back Pressure Control Valve.
From paktechpoint.com
Relief Valve Size Calculation Size Chart ASME Requirements How To Size A Back Pressure Control Valve Installing a back pressure valve involves positioning it at the end of the line, unlike a pressure regulator that. As the pressure at the inlet. Using the principle of conservation of energy, daniel bernoulli found that as a liquid lows through an. It is important to know what the. it is important to provide the following information in order. How To Size A Back Pressure Control Valve.
From www.pinterest.com
Back Pressure Regulator 7700 Series is used to control back pressure on How To Size A Back Pressure Control Valve the back pressure or pressure relieving regulator is like a pressure relief valve. it is important to provide the following information in order to size a control valve properly: in this video, we look at gas flow through a back pressure control valve package with a diaphragm controlled pressure pilot and then with a bellows. how. How To Size A Back Pressure Control Valve.