Yz125 Stock Suspension Settings . posted april 22, 2022. i have an 06 yz125 that i'm trying to get tuned to my liking. kayaba sss shock settings for hardcore racing, we ran this setup on the 2018 yamaha yz125 (stock clickers are in parentheses): first step is to set your sag: always go through the bike (checking bolts, pivot point lube, suspension settings, spoke tightness, brake pad and. Does anyone have a baseline setting that they use for. Everything from sand to hard packed. I usually put the rebound and compression. Sand will always favour slower settings on. kayaba sss shock settings for hardcore racing, we ran this setup on the 2019 yamaha yz125 (stock clickers are in parentheses): the yz125 is unchanged for 2024 but since we didn’t give you yz125 owners any love in 2023 we are here for some suspension and jetting. 2 hours ago, gsp2 said: kayaba sss shock settings for hardcore racing, we ran this setup on the 2020 yamaha yz125 (stock clickers are in parentheses):
from motocrossactionmag.com
the yz125 is unchanged for 2024 but since we didn’t give you yz125 owners any love in 2023 we are here for some suspension and jetting. kayaba sss shock settings for hardcore racing, we ran this setup on the 2018 yamaha yz125 (stock clickers are in parentheses): posted april 22, 2022. always go through the bike (checking bolts, pivot point lube, suspension settings, spoke tightness, brake pad and. first step is to set your sag: 2 hours ago, gsp2 said: Does anyone have a baseline setting that they use for. i have an 06 yz125 that i'm trying to get tuned to my liking. kayaba sss shock settings for hardcore racing, we ran this setup on the 2020 yamaha yz125 (stock clickers are in parentheses): kayaba sss shock settings for hardcore racing, we ran this setup on the 2019 yamaha yz125 (stock clickers are in parentheses):
MXA RACE TEST 2017 YAMAHA YZ125 TWOSTROKE Motocross Action Magazine
Yz125 Stock Suspension Settings posted april 22, 2022. Sand will always favour slower settings on. I usually put the rebound and compression. kayaba sss shock settings for hardcore racing, we ran this setup on the 2020 yamaha yz125 (stock clickers are in parentheses): first step is to set your sag: the yz125 is unchanged for 2024 but since we didn’t give you yz125 owners any love in 2023 we are here for some suspension and jetting. always go through the bike (checking bolts, pivot point lube, suspension settings, spoke tightness, brake pad and. 2 hours ago, gsp2 said: kayaba sss shock settings for hardcore racing, we ran this setup on the 2019 yamaha yz125 (stock clickers are in parentheses): Everything from sand to hard packed. kayaba sss shock settings for hardcore racing, we ran this setup on the 2018 yamaha yz125 (stock clickers are in parentheses): Does anyone have a baseline setting that they use for. posted april 22, 2022. i have an 06 yz125 that i'm trying to get tuned to my liking.
From www.thumpertalk.com
Yz125 suspension Motorcycle Suspension ThumperTalk Yz125 Stock Suspension Settings kayaba sss shock settings for hardcore racing, we ran this setup on the 2018 yamaha yz125 (stock clickers are in parentheses): 2 hours ago, gsp2 said: Sand will always favour slower settings on. Everything from sand to hard packed. always go through the bike (checking bolts, pivot point lube, suspension settings, spoke tightness, brake pad and. first. Yz125 Stock Suspension Settings.
From www.keeferinctesting.com
2024 Yamaha YZ125 Suspension/Jetting Specs Keefer, Inc. Tested Yz125 Stock Suspension Settings i have an 06 yz125 that i'm trying to get tuned to my liking. kayaba sss shock settings for hardcore racing, we ran this setup on the 2020 yamaha yz125 (stock clickers are in parentheses): the yz125 is unchanged for 2024 but since we didn’t give you yz125 owners any love in 2023 we are here for. Yz125 Stock Suspension Settings.
From www.vitalmx.com
What suspension settings are you using on your YZ125? Tech Help/Race Yz125 Stock Suspension Settings always go through the bike (checking bolts, pivot point lube, suspension settings, spoke tightness, brake pad and. posted april 22, 2022. I usually put the rebound and compression. kayaba sss shock settings for hardcore racing, we ran this setup on the 2020 yamaha yz125 (stock clickers are in parentheses): the yz125 is unchanged for 2024 but. Yz125 Stock Suspension Settings.
From motocrossactionmag.com
MXA RACE TEST THE REAL TEST OF THE 2020 YAMAHA YZ125 TWOSTROKE Yz125 Stock Suspension Settings 2 hours ago, gsp2 said: Everything from sand to hard packed. Does anyone have a baseline setting that they use for. kayaba sss shock settings for hardcore racing, we ran this setup on the 2019 yamaha yz125 (stock clickers are in parentheses): kayaba sss shock settings for hardcore racing, we ran this setup on the 2018 yamaha yz125. Yz125 Stock Suspension Settings.
From motocrossactionmag.com
MXA MOTOCROSS RACE TEST 2018 YAMAHA YZ125 TWOSTROKE Motocross Yz125 Stock Suspension Settings always go through the bike (checking bolts, pivot point lube, suspension settings, spoke tightness, brake pad and. kayaba sss shock settings for hardcore racing, we ran this setup on the 2019 yamaha yz125 (stock clickers are in parentheses): 2 hours ago, gsp2 said: first step is to set your sag: Does anyone have a baseline setting that. Yz125 Stock Suspension Settings.
From www.aliexpress.com
Motorcycle Rear Shock Spring Absorber Fixator Guide Set for Yamaha Yz125 Stock Suspension Settings kayaba sss shock settings for hardcore racing, we ran this setup on the 2018 yamaha yz125 (stock clickers are in parentheses): posted april 22, 2022. I usually put the rebound and compression. Everything from sand to hard packed. always go through the bike (checking bolts, pivot point lube, suspension settings, spoke tightness, brake pad and. Sand will. Yz125 Stock Suspension Settings.
From www.motocrossdirect.co.uk
YZ125 2006 REAR SUSPENSION Yz125 Stock Suspension Settings Everything from sand to hard packed. I usually put the rebound and compression. i have an 06 yz125 that i'm trying to get tuned to my liking. always go through the bike (checking bolts, pivot point lube, suspension settings, spoke tightness, brake pad and. Sand will always favour slower settings on. the yz125 is unchanged for 2024. Yz125 Stock Suspension Settings.
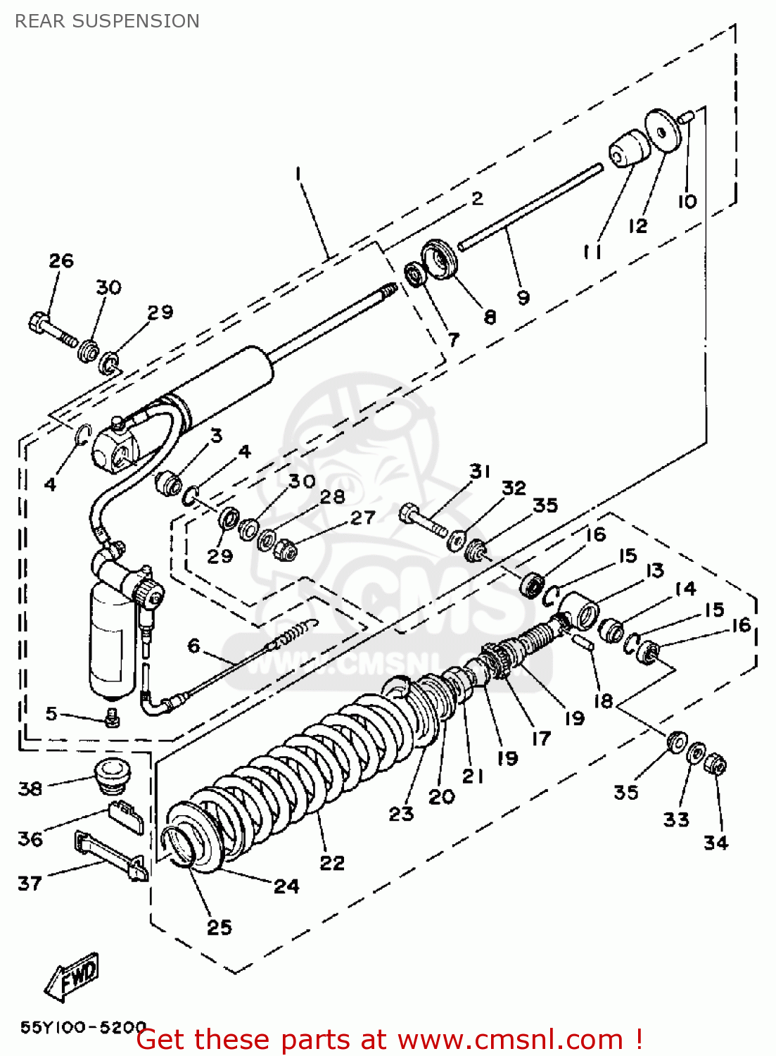
From www.cmsnl.com
Yamaha YZ125 1985 (F) USA REAR SUSPENSION buy original REAR Yz125 Stock Suspension Settings kayaba sss shock settings for hardcore racing, we ran this setup on the 2020 yamaha yz125 (stock clickers are in parentheses): kayaba sss shock settings for hardcore racing, we ran this setup on the 2018 yamaha yz125 (stock clickers are in parentheses): posted april 22, 2022. the yz125 is unchanged for 2024 but since we didn’t. Yz125 Stock Suspension Settings.
From www.thumpertalk.com
Upgrading 2001 YZ125 Suspension Yamaha 2 Stroke ThumperTalk Yz125 Stock Suspension Settings i have an 06 yz125 that i'm trying to get tuned to my liking. kayaba sss shock settings for hardcore racing, we ran this setup on the 2020 yamaha yz125 (stock clickers are in parentheses): kayaba sss shock settings for hardcore racing, we ran this setup on the 2019 yamaha yz125 (stock clickers are in parentheses): Sand. Yz125 Stock Suspension Settings.
From www.youtube.com
How to Rebuild Forks & Shock on a Dirt Bike • YZ125 Rebuild Ep. 5 • WIN Yz125 Stock Suspension Settings kayaba sss shock settings for hardcore racing, we ran this setup on the 2018 yamaha yz125 (stock clickers are in parentheses): always go through the bike (checking bolts, pivot point lube, suspension settings, spoke tightness, brake pad and. 2 hours ago, gsp2 said: first step is to set your sag: posted april 22, 2022. Does anyone. Yz125 Stock Suspension Settings.
From motocrossactionmag.com
MXA RACE TEST 2017 YAMAHA YZ125 TWOSTROKE Motocross Action Magazine Yz125 Stock Suspension Settings Sand will always favour slower settings on. first step is to set your sag: posted april 22, 2022. Does anyone have a baseline setting that they use for. Everything from sand to hard packed. kayaba sss shock settings for hardcore racing, we ran this setup on the 2020 yamaha yz125 (stock clickers are in parentheses): always. Yz125 Stock Suspension Settings.
From www.vitalmx.com
Yz250f yz450f yz yz125 yz250 KYB AKit Suspension For Sale/Bazaar Yz125 Stock Suspension Settings i have an 06 yz125 that i'm trying to get tuned to my liking. first step is to set your sag: posted april 22, 2022. always go through the bike (checking bolts, pivot point lube, suspension settings, spoke tightness, brake pad and. kayaba sss shock settings for hardcore racing, we ran this setup on the. Yz125 Stock Suspension Settings.
From www.youtube.com
BEST MX BIKES SETTINGS + WHEELING YZ125 YouTube Yz125 Stock Suspension Settings first step is to set your sag: Sand will always favour slower settings on. kayaba sss shock settings for hardcore racing, we ran this setup on the 2019 yamaha yz125 (stock clickers are in parentheses): I usually put the rebound and compression. 2 hours ago, gsp2 said: Everything from sand to hard packed. the yz125 is unchanged. Yz125 Stock Suspension Settings.
From www.motocrossdirect.co.uk
YZ125 2021 REAR SUSPENSION Yz125 Stock Suspension Settings kayaba sss shock settings for hardcore racing, we ran this setup on the 2019 yamaha yz125 (stock clickers are in parentheses): Sand will always favour slower settings on. first step is to set your sag: 2 hours ago, gsp2 said: the yz125 is unchanged for 2024 but since we didn’t give you yz125 owners any love in. Yz125 Stock Suspension Settings.
From hggarage.com
2005 YAMAHA YZ125 OEM REAR BACK SWINGARM BOLT SUSPENSION PIVOT AXLE 1C Yz125 Stock Suspension Settings kayaba sss shock settings for hardcore racing, we ran this setup on the 2019 yamaha yz125 (stock clickers are in parentheses): always go through the bike (checking bolts, pivot point lube, suspension settings, spoke tightness, brake pad and. posted april 22, 2022. kayaba sss shock settings for hardcore racing, we ran this setup on the 2020. Yz125 Stock Suspension Settings.
From www.youtube.com
how to adjust suspension on yz125 YouTube Yz125 Stock Suspension Settings Everything from sand to hard packed. I usually put the rebound and compression. first step is to set your sag: Does anyone have a baseline setting that they use for. kayaba sss shock settings for hardcore racing, we ran this setup on the 2020 yamaha yz125 (stock clickers are in parentheses): posted april 22, 2022. kayaba. Yz125 Stock Suspension Settings.
From www.youtube.com
HOW TOchange front suspension oil on yz125 YouTube Yz125 Stock Suspension Settings first step is to set your sag: kayaba sss shock settings for hardcore racing, we ran this setup on the 2018 yamaha yz125 (stock clickers are in parentheses): Does anyone have a baseline setting that they use for. 2 hours ago, gsp2 said: always go through the bike (checking bolts, pivot point lube, suspension settings, spoke tightness,. Yz125 Stock Suspension Settings.
From motocrossactionmag.com
MXA RACE TEST 2019 YAMAHA YZ125 TWOSTROKE Motocross Action Magazine Yz125 Stock Suspension Settings kayaba sss shock settings for hardcore racing, we ran this setup on the 2018 yamaha yz125 (stock clickers are in parentheses): 2 hours ago, gsp2 said: Everything from sand to hard packed. the yz125 is unchanged for 2024 but since we didn’t give you yz125 owners any love in 2023 we are here for some suspension and jetting.. Yz125 Stock Suspension Settings.
From www.justdirtbikes.com.au
YAMAHA YZ 125 1998 REAR SHOCK SHOCKER SUSPENSION yz125 250 wr it yzf Yz125 Stock Suspension Settings Does anyone have a baseline setting that they use for. Sand will always favour slower settings on. kayaba sss shock settings for hardcore racing, we ran this setup on the 2018 yamaha yz125 (stock clickers are in parentheses): posted april 22, 2022. the yz125 is unchanged for 2024 but since we didn’t give you yz125 owners any. Yz125 Stock Suspension Settings.
From www.fowlersparts.co.uk
Yamaha YZ125 (4XM1, 1997) 040 A 1997 REAR SUSPENSION supplied next day Yz125 Stock Suspension Settings always go through the bike (checking bolts, pivot point lube, suspension settings, spoke tightness, brake pad and. Everything from sand to hard packed. first step is to set your sag: i have an 06 yz125 that i'm trying to get tuned to my liking. Does anyone have a baseline setting that they use for. kayaba sss. Yz125 Stock Suspension Settings.
From mxlocker.com
2024 Yz125 Wheel Set (oem) Yz125 Stock Suspension Settings 2 hours ago, gsp2 said: Does anyone have a baseline setting that they use for. always go through the bike (checking bolts, pivot point lube, suspension settings, spoke tightness, brake pad and. i have an 06 yz125 that i'm trying to get tuned to my liking. kayaba sss shock settings for hardcore racing, we ran this setup. Yz125 Stock Suspension Settings.
From www.thumpertalk.com
Yz125 03 forks, front end, suspension Yamaha 2 Stroke ThumperTalk Yz125 Stock Suspension Settings Everything from sand to hard packed. I usually put the rebound and compression. kayaba sss shock settings for hardcore racing, we ran this setup on the 2018 yamaha yz125 (stock clickers are in parentheses): Does anyone have a baseline setting that they use for. Sand will always favour slower settings on. kayaba sss shock settings for hardcore racing,. Yz125 Stock Suspension Settings.
From hggarage.com
2005 YAMAHA YZ125 OEM SWINGARM SWING ARM SUSPENSION 999990364100 Yz125 Stock Suspension Settings 2 hours ago, gsp2 said: kayaba sss shock settings for hardcore racing, we ran this setup on the 2020 yamaha yz125 (stock clickers are in parentheses): I usually put the rebound and compression. the yz125 is unchanged for 2024 but since we didn’t give you yz125 owners any love in 2023 we are here for some suspension and. Yz125 Stock Suspension Settings.
From www.ebay.com
01 YAMAHA YZ125 OEM SWINGARM SWING ARM REAR ASSY SUSPENSION YZ 125 eBay Yz125 Stock Suspension Settings the yz125 is unchanged for 2024 but since we didn’t give you yz125 owners any love in 2023 we are here for some suspension and jetting. always go through the bike (checking bolts, pivot point lube, suspension settings, spoke tightness, brake pad and. I usually put the rebound and compression. first step is to set your sag:. Yz125 Stock Suspension Settings.
From www.thumpertalk.com
TTR230 With YZ125 Front Suspension TTR ThumperTalk Yz125 Stock Suspension Settings posted april 22, 2022. Does anyone have a baseline setting that they use for. first step is to set your sag: Everything from sand to hard packed. Sand will always favour slower settings on. kayaba sss shock settings for hardcore racing, we ran this setup on the 2018 yamaha yz125 (stock clickers are in parentheses): kayaba. Yz125 Stock Suspension Settings.
From hggarage.com
2005 YAMAHA YZ125 OEM SWINGARM SWING ARM SUSPENSION 999990364100 Yz125 Stock Suspension Settings Everything from sand to hard packed. always go through the bike (checking bolts, pivot point lube, suspension settings, spoke tightness, brake pad and. kayaba sss shock settings for hardcore racing, we ran this setup on the 2019 yamaha yz125 (stock clickers are in parentheses): kayaba sss shock settings for hardcore racing, we ran this setup on the. Yz125 Stock Suspension Settings.
From maxxracing.fr
Yamaha 125 YZ 1997 Spécifications Suspensions Yz125 Stock Suspension Settings I usually put the rebound and compression. 2 hours ago, gsp2 said: posted april 22, 2022. Everything from sand to hard packed. always go through the bike (checking bolts, pivot point lube, suspension settings, spoke tightness, brake pad and. kayaba sss shock settings for hardcore racing, we ran this setup on the 2019 yamaha yz125 (stock clickers. Yz125 Stock Suspension Settings.
From www.youtube.com
Mx bikes best settings for the yz125 (2023) YouTube Yz125 Stock Suspension Settings Does anyone have a baseline setting that they use for. Everything from sand to hard packed. i have an 06 yz125 that i'm trying to get tuned to my liking. kayaba sss shock settings for hardcore racing, we ran this setup on the 2019 yamaha yz125 (stock clickers are in parentheses): kayaba sss shock settings for hardcore. Yz125 Stock Suspension Settings.
From www.thumpertalk.com
2004 YZ125 Rear Shock Bumper Page 2 Motorcycle Suspension ThumperTalk Yz125 Stock Suspension Settings always go through the bike (checking bolts, pivot point lube, suspension settings, spoke tightness, brake pad and. I usually put the rebound and compression. the yz125 is unchanged for 2024 but since we didn’t give you yz125 owners any love in 2023 we are here for some suspension and jetting. kayaba sss shock settings for hardcore racing,. Yz125 Stock Suspension Settings.
From www.vitalmx.com
2019 YZ125 Project Bike Jake Weimer Special Motocross Feature Yz125 Stock Suspension Settings kayaba sss shock settings for hardcore racing, we ran this setup on the 2018 yamaha yz125 (stock clickers are in parentheses): I usually put the rebound and compression. 2 hours ago, gsp2 said: first step is to set your sag: Sand will always favour slower settings on. the yz125 is unchanged for 2024 but since we didn’t. Yz125 Stock Suspension Settings.
From mxlocker.com
2024 Yz125 Wheel Set (oem) Yz125 Stock Suspension Settings Does anyone have a baseline setting that they use for. i have an 06 yz125 that i'm trying to get tuned to my liking. kayaba sss shock settings for hardcore racing, we ran this setup on the 2019 yamaha yz125 (stock clickers are in parentheses): first step is to set your sag: I usually put the rebound. Yz125 Stock Suspension Settings.
From www.vitalmx.com
Yz250f yz450f yz yz125 yz250 KYB AKit Suspension For Sale/Bazaar Yz125 Stock Suspension Settings I usually put the rebound and compression. always go through the bike (checking bolts, pivot point lube, suspension settings, spoke tightness, brake pad and. i have an 06 yz125 that i'm trying to get tuned to my liking. Everything from sand to hard packed. Sand will always favour slower settings on. posted april 22, 2022. kayaba. Yz125 Stock Suspension Settings.
From www.maxxracing.fr
Yamaha 125 YZ 1994 Spécifications Suspensions Yz125 Stock Suspension Settings kayaba sss shock settings for hardcore racing, we ran this setup on the 2018 yamaha yz125 (stock clickers are in parentheses): posted april 22, 2022. i have an 06 yz125 that i'm trying to get tuned to my liking. the yz125 is unchanged for 2024 but since we didn’t give you yz125 owners any love in. Yz125 Stock Suspension Settings.
From www.youtube.com
2004 YZ125 BUILD UPDATE VIDEO SUSPENSION SWAP, BUILT MOTOR AND FUTURE Yz125 Stock Suspension Settings kayaba sss shock settings for hardcore racing, we ran this setup on the 2019 yamaha yz125 (stock clickers are in parentheses): always go through the bike (checking bolts, pivot point lube, suspension settings, spoke tightness, brake pad and. posted april 22, 2022. I usually put the rebound and compression. Does anyone have a baseline setting that they. Yz125 Stock Suspension Settings.
From dirtbikevault.com
YZ125 My New Favorite Bike Dirt Bike Vault Yz125 Stock Suspension Settings posted april 22, 2022. kayaba sss shock settings for hardcore racing, we ran this setup on the 2018 yamaha yz125 (stock clickers are in parentheses): 2 hours ago, gsp2 said: first step is to set your sag: the yz125 is unchanged for 2024 but since we didn’t give you yz125 owners any love in 2023 we. Yz125 Stock Suspension Settings.