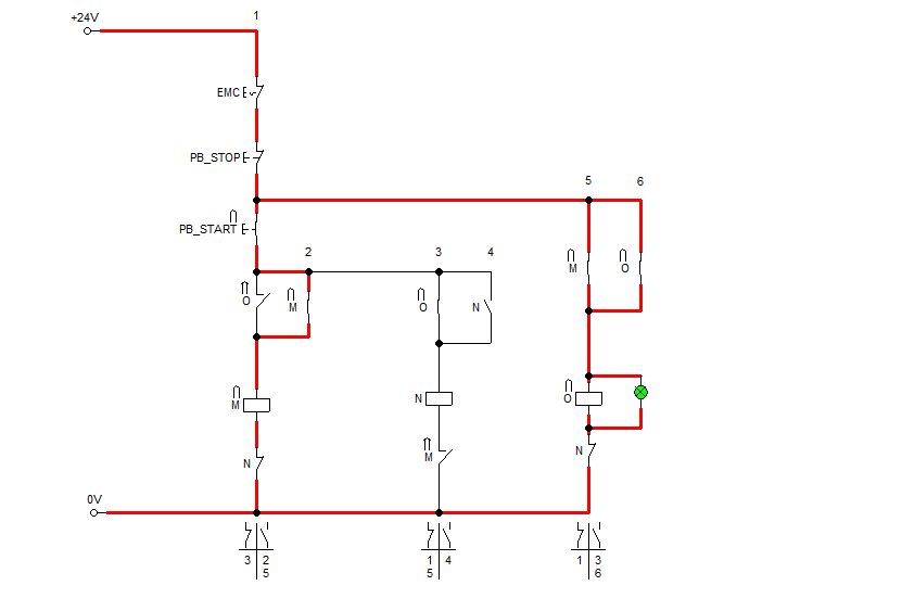
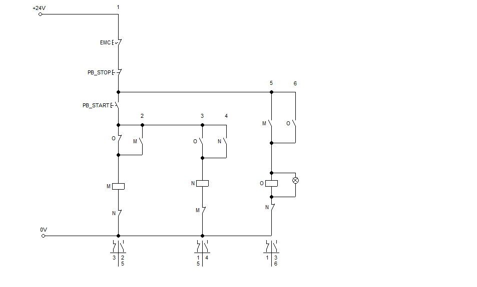
Rangkaian Start Stop Menggunakan Relay . Rangkaian konvensional start stop relay/kontaktor dengan 1. Ini membantu melindungi tombol start dan tombol stop dari arus yang terlalu besar. Pengontrolan waktu hidup dan mati peralatan. Penjadwalan dan durasi aktif relay dengan setting melalui tombol berbasis arduino. Relay digunakan untuk mengontrol arus listrik yang lebih besar dengan menggunakan arus listrik yang lebih kecil. Relay bekerja menggunakan prinsip elektromagnetik sehingga dapat menggerakkan kontak saklar. Membuat rangkaian start stop dan tombol pengunci pada relay, pada relay ini berperan. When we press push button, supply goes to relay a1 point and relay gets on and its. Relay latching circuit using push button. Menyalakan dan mematikan relay dengan menggunakan dua push button start dan stop. We connect relay and push button as per figure. Cara start stop relay menggunakan satu tombol.
from www.vrogue.co
Membuat rangkaian start stop dan tombol pengunci pada relay, pada relay ini berperan. Cara start stop relay menggunakan satu tombol. Ini membantu melindungi tombol start dan tombol stop dari arus yang terlalu besar. Relay latching circuit using push button. Rangkaian konvensional start stop relay/kontaktor dengan 1. We connect relay and push button as per figure. Relay bekerja menggunakan prinsip elektromagnetik sehingga dapat menggerakkan kontak saklar. Penjadwalan dan durasi aktif relay dengan setting melalui tombol berbasis arduino. When we press push button, supply goes to relay a1 point and relay gets on and its. Menyalakan dan mematikan relay dengan menggunakan dua push button start dan stop.
Belajar Rangkaian Pengunci Relay Dan Push Button Bese vrogue.co
Rangkaian Start Stop Menggunakan Relay Relay bekerja menggunakan prinsip elektromagnetik sehingga dapat menggerakkan kontak saklar. Cara start stop relay menggunakan satu tombol. Ini membantu melindungi tombol start dan tombol stop dari arus yang terlalu besar. Relay digunakan untuk mengontrol arus listrik yang lebih besar dengan menggunakan arus listrik yang lebih kecil. Menyalakan dan mematikan relay dengan menggunakan dua push button start dan stop. Rangkaian konvensional start stop relay/kontaktor dengan 1. When we press push button, supply goes to relay a1 point and relay gets on and its. We connect relay and push button as per figure. Pengontrolan waktu hidup dan mati peralatan. Penjadwalan dan durasi aktif relay dengan setting melalui tombol berbasis arduino. Relay latching circuit using push button. Membuat rangkaian start stop dan tombol pengunci pada relay, pada relay ini berperan. Relay bekerja menggunakan prinsip elektromagnetik sehingga dapat menggerakkan kontak saklar.
From www.vrogue.co
Belajar Rangkaian Pengunci Relay Dan Push Button Bese vrogue.co Rangkaian Start Stop Menggunakan Relay Pengontrolan waktu hidup dan mati peralatan. Relay bekerja menggunakan prinsip elektromagnetik sehingga dapat menggerakkan kontak saklar. Membuat rangkaian start stop dan tombol pengunci pada relay, pada relay ini berperan. When we press push button, supply goes to relay a1 point and relay gets on and its. We connect relay and push button as per figure. Menyalakan dan mematikan relay dengan. Rangkaian Start Stop Menggunakan Relay.
From www.youtube.com
CARA PEMASANGAN KABEL DI RELAY DAN SISTEM PENGUNCI RELAY YouTube Rangkaian Start Stop Menggunakan Relay We connect relay and push button as per figure. Rangkaian konvensional start stop relay/kontaktor dengan 1. Cara start stop relay menggunakan satu tombol. Membuat rangkaian start stop dan tombol pengunci pada relay, pada relay ini berperan. Ini membantu melindungi tombol start dan tombol stop dari arus yang terlalu besar. Relay latching circuit using push button. Menyalakan dan mematikan relay dengan. Rangkaian Start Stop Menggunakan Relay.
From www.kelistrikanku.com
Rangkaian Lampu lalu lintas menggunakan TDR dan Kontaktor Rangkaian Start Stop Menggunakan Relay Relay bekerja menggunakan prinsip elektromagnetik sehingga dapat menggerakkan kontak saklar. Relay latching circuit using push button. Penjadwalan dan durasi aktif relay dengan setting melalui tombol berbasis arduino. Rangkaian konvensional start stop relay/kontaktor dengan 1. Ini membantu melindungi tombol start dan tombol stop dari arus yang terlalu besar. Pengontrolan waktu hidup dan mati peralatan. Membuat rangkaian start stop dan tombol pengunci. Rangkaian Start Stop Menggunakan Relay.
From blog.unnes.ac.id
Rangkaian Star Delta Auto Manual All Of Life Rangkaian Start Stop Menggunakan Relay When we press push button, supply goes to relay a1 point and relay gets on and its. Relay bekerja menggunakan prinsip elektromagnetik sehingga dapat menggerakkan kontak saklar. Penjadwalan dan durasi aktif relay dengan setting melalui tombol berbasis arduino. Relay latching circuit using push button. Ini membantu melindungi tombol start dan tombol stop dari arus yang terlalu besar. Pengontrolan waktu hidup. Rangkaian Start Stop Menggunakan Relay.
From www.youtube.com
Cara Kerja Rangkaian Reverse Forward Interlock dengan Motor 3 Phase/ 3 Rangkaian Start Stop Menggunakan Relay Menyalakan dan mematikan relay dengan menggunakan dua push button start dan stop. Cara start stop relay menggunakan satu tombol. Rangkaian konvensional start stop relay/kontaktor dengan 1. We connect relay and push button as per figure. Relay bekerja menggunakan prinsip elektromagnetik sehingga dapat menggerakkan kontak saklar. When we press push button, supply goes to relay a1 point and relay gets on. Rangkaian Start Stop Menggunakan Relay.
From www.vrogue.co
Unduh Part 1 Membuat Program Rangkaian Star Delta Pad vrogue.co Rangkaian Start Stop Menggunakan Relay Membuat rangkaian start stop dan tombol pengunci pada relay, pada relay ini berperan. Rangkaian konvensional start stop relay/kontaktor dengan 1. Relay latching circuit using push button. Relay bekerja menggunakan prinsip elektromagnetik sehingga dapat menggerakkan kontak saklar. When we press push button, supply goes to relay a1 point and relay gets on and its. Cara start stop relay menggunakan satu tombol.. Rangkaian Start Stop Menggunakan Relay.
From homecare24.id
Rangkaian Kontrol Motor Listrik 3 Fasa Homecare24 Rangkaian Start Stop Menggunakan Relay Pengontrolan waktu hidup dan mati peralatan. Relay latching circuit using push button. Ini membantu melindungi tombol start dan tombol stop dari arus yang terlalu besar. Rangkaian konvensional start stop relay/kontaktor dengan 1. Relay digunakan untuk mengontrol arus listrik yang lebih besar dengan menggunakan arus listrik yang lebih kecil. When we press push button, supply goes to relay a1 point and. Rangkaian Start Stop Menggunakan Relay.
From www.sexizpix.com
Belajar Rangkaian Pengunci Relay Dan Push Button Beserta Pengertiannya Rangkaian Start Stop Menggunakan Relay We connect relay and push button as per figure. Rangkaian konvensional start stop relay/kontaktor dengan 1. Relay digunakan untuk mengontrol arus listrik yang lebih besar dengan menggunakan arus listrik yang lebih kecil. Penjadwalan dan durasi aktif relay dengan setting melalui tombol berbasis arduino. Pengontrolan waktu hidup dan mati peralatan. Relay latching circuit using push button. Menyalakan dan mematikan relay dengan. Rangkaian Start Stop Menggunakan Relay.
From mavink.com
Rangkaian Relay Arduino Rangkaian Start Stop Menggunakan Relay When we press push button, supply goes to relay a1 point and relay gets on and its. Relay latching circuit using push button. Membuat rangkaian start stop dan tombol pengunci pada relay, pada relay ini berperan. We connect relay and push button as per figure. Penjadwalan dan durasi aktif relay dengan setting melalui tombol berbasis arduino. Rangkaian konvensional start stop. Rangkaian Start Stop Menggunakan Relay.
From gurulistrikkeren.blogspot.com
Rangkaian DOL ( Direct On Line ) Guru Listrik Keren Rangkaian Start Stop Menggunakan Relay We connect relay and push button as per figure. Penjadwalan dan durasi aktif relay dengan setting melalui tombol berbasis arduino. Membuat rangkaian start stop dan tombol pengunci pada relay, pada relay ini berperan. Relay bekerja menggunakan prinsip elektromagnetik sehingga dapat menggerakkan kontak saklar. Rangkaian konvensional start stop relay/kontaktor dengan 1. Pengontrolan waktu hidup dan mati peralatan. Relay latching circuit using. Rangkaian Start Stop Menggunakan Relay.
From literasisekolah13.blogspot.com
Rangkaian Start Stop Menggunakan Relay Literasi Sekolah Rangkaian Start Stop Menggunakan Relay Pengontrolan waktu hidup dan mati peralatan. Membuat rangkaian start stop dan tombol pengunci pada relay, pada relay ini berperan. When we press push button, supply goes to relay a1 point and relay gets on and its. Menyalakan dan mematikan relay dengan menggunakan dua push button start dan stop. We connect relay and push button as per figure. Relay bekerja menggunakan. Rangkaian Start Stop Menggunakan Relay.
From www.blog0listrik.my.id
Cara Start Stop Relay Menggunakan Satu Tombol Blog0listrik Rangkaian Start Stop Menggunakan Relay Pengontrolan waktu hidup dan mati peralatan. Ini membantu melindungi tombol start dan tombol stop dari arus yang terlalu besar. Relay bekerja menggunakan prinsip elektromagnetik sehingga dapat menggerakkan kontak saklar. Relay latching circuit using push button. Rangkaian konvensional start stop relay/kontaktor dengan 1. Membuat rangkaian start stop dan tombol pengunci pada relay, pada relay ini berperan. When we press push button,. Rangkaian Start Stop Menggunakan Relay.
From www.dailymotion.com
Start Stop Motor Relay Circuit video Dailymotion Rangkaian Start Stop Menggunakan Relay Relay latching circuit using push button. When we press push button, supply goes to relay a1 point and relay gets on and its. Rangkaian konvensional start stop relay/kontaktor dengan 1. Cara start stop relay menggunakan satu tombol. Relay digunakan untuk mengontrol arus listrik yang lebih besar dengan menggunakan arus listrik yang lebih kecil. Ini membantu melindungi tombol start dan tombol. Rangkaian Start Stop Menggunakan Relay.
From www.blog0listrik.my.id
Cara Start Stop Relay Menggunakan Satu Tombol Blog0listrik Rangkaian Start Stop Menggunakan Relay Rangkaian konvensional start stop relay/kontaktor dengan 1. We connect relay and push button as per figure. Cara start stop relay menggunakan satu tombol. Ini membantu melindungi tombol start dan tombol stop dari arus yang terlalu besar. Membuat rangkaian start stop dan tombol pengunci pada relay, pada relay ini berperan. Penjadwalan dan durasi aktif relay dengan setting melalui tombol berbasis arduino.. Rangkaian Start Stop Menggunakan Relay.
From www.vrogue.co
Belajar Rangkaian Pengunci Relay Dan Push Button Bese vrogue.co Rangkaian Start Stop Menggunakan Relay Membuat rangkaian start stop dan tombol pengunci pada relay, pada relay ini berperan. Penjadwalan dan durasi aktif relay dengan setting melalui tombol berbasis arduino. Relay digunakan untuk mengontrol arus listrik yang lebih besar dengan menggunakan arus listrik yang lebih kecil. Pengontrolan waktu hidup dan mati peralatan. We connect relay and push button as per figure. Relay latching circuit using push. Rangkaian Start Stop Menggunakan Relay.
From bertigamas.github.io
Rangkaian Push Button On Off Brain Rangkaian Start Stop Menggunakan Relay When we press push button, supply goes to relay a1 point and relay gets on and its. Cara start stop relay menggunakan satu tombol. Relay digunakan untuk mengontrol arus listrik yang lebih besar dengan menggunakan arus listrik yang lebih kecil. Ini membantu melindungi tombol start dan tombol stop dari arus yang terlalu besar. Membuat rangkaian start stop dan tombol pengunci. Rangkaian Start Stop Menggunakan Relay.
From www.vrogue.co
Belajar Rangkaian Pengunci Relay Dan Push Button Bese vrogue.co Rangkaian Start Stop Menggunakan Relay Relay bekerja menggunakan prinsip elektromagnetik sehingga dapat menggerakkan kontak saklar. Ini membantu melindungi tombol start dan tombol stop dari arus yang terlalu besar. When we press push button, supply goes to relay a1 point and relay gets on and its. Menyalakan dan mematikan relay dengan menggunakan dua push button start dan stop. Cara start stop relay menggunakan satu tombol. Rangkaian. Rangkaian Start Stop Menggunakan Relay.
From www.youtube.com
MERANGKAI RANGKAIAN START STOP MENGGUNAKAN RELAY SISTEM PENGUNCI Rangkaian Start Stop Menggunakan Relay Cara start stop relay menggunakan satu tombol. Membuat rangkaian start stop dan tombol pengunci pada relay, pada relay ini berperan. Menyalakan dan mematikan relay dengan menggunakan dua push button start dan stop. Penjadwalan dan durasi aktif relay dengan setting melalui tombol berbasis arduino. Relay bekerja menggunakan prinsip elektromagnetik sehingga dapat menggerakkan kontak saklar. Pengontrolan waktu hidup dan mati peralatan. Rangkaian. Rangkaian Start Stop Menggunakan Relay.
From www.blog0listrik.my.id
Cara Start Stop Relay Menggunakan Satu Tombol Blog0listrik Rangkaian Start Stop Menggunakan Relay Pengontrolan waktu hidup dan mati peralatan. Membuat rangkaian start stop dan tombol pengunci pada relay, pada relay ini berperan. Cara start stop relay menggunakan satu tombol. Ini membantu melindungi tombol start dan tombol stop dari arus yang terlalu besar. Rangkaian konvensional start stop relay/kontaktor dengan 1. Relay latching circuit using push button. Menyalakan dan mematikan relay dengan menggunakan dua push. Rangkaian Start Stop Menggunakan Relay.
From www.youtube.com
Simulasi Rangkaian StartStop dengan Pengunci menggunakan CXProgrammer Rangkaian Start Stop Menggunakan Relay Menyalakan dan mematikan relay dengan menggunakan dua push button start dan stop. Rangkaian konvensional start stop relay/kontaktor dengan 1. Penjadwalan dan durasi aktif relay dengan setting melalui tombol berbasis arduino. Pengontrolan waktu hidup dan mati peralatan. Relay bekerja menggunakan prinsip elektromagnetik sehingga dapat menggerakkan kontak saklar. Cara start stop relay menggunakan satu tombol. Ini membantu melindungi tombol start dan tombol. Rangkaian Start Stop Menggunakan Relay.
From www.alfianteknik.xyz
Rangkaian kontrol motor 3 phase hidup mati secara bergantian otomatis Rangkaian Start Stop Menggunakan Relay Relay digunakan untuk mengontrol arus listrik yang lebih besar dengan menggunakan arus listrik yang lebih kecil. Ini membantu melindungi tombol start dan tombol stop dari arus yang terlalu besar. Rangkaian konvensional start stop relay/kontaktor dengan 1. Cara start stop relay menggunakan satu tombol. When we press push button, supply goes to relay a1 point and relay gets on and its.. Rangkaian Start Stop Menggunakan Relay.
From pelekmodif.blogspot.com
Gambar Rangkaian Motor Starter Menggunakan Relay Pelekmodif Rangkaian Start Stop Menggunakan Relay When we press push button, supply goes to relay a1 point and relay gets on and its. Relay latching circuit using push button. We connect relay and push button as per figure. Ini membantu melindungi tombol start dan tombol stop dari arus yang terlalu besar. Cara start stop relay menggunakan satu tombol. Penjadwalan dan durasi aktif relay dengan setting melalui. Rangkaian Start Stop Menggunakan Relay.
From literasisekolah13.blogspot.com
Rangkaian Start Stop Menggunakan Relay Literasi Sekolah Rangkaian Start Stop Menggunakan Relay We connect relay and push button as per figure. Cara start stop relay menggunakan satu tombol. Rangkaian konvensional start stop relay/kontaktor dengan 1. Membuat rangkaian start stop dan tombol pengunci pada relay, pada relay ini berperan. Relay latching circuit using push button. Pengontrolan waktu hidup dan mati peralatan. Relay digunakan untuk mengontrol arus listrik yang lebih besar dengan menggunakan arus. Rangkaian Start Stop Menggunakan Relay.
From www.vrogue.co
Interlock Sistem Rangkaian Pengunci Menggunakan Push vrogue.co Rangkaian Start Stop Menggunakan Relay Penjadwalan dan durasi aktif relay dengan setting melalui tombol berbasis arduino. We connect relay and push button as per figure. Rangkaian konvensional start stop relay/kontaktor dengan 1. Menyalakan dan mematikan relay dengan menggunakan dua push button start dan stop. Relay latching circuit using push button. Relay bekerja menggunakan prinsip elektromagnetik sehingga dapat menggerakkan kontak saklar. Pengontrolan waktu hidup dan mati. Rangkaian Start Stop Menggunakan Relay.
From www.youtube.com
Cara Kerja Rangkaian Kontrol Start Motor Berurutan YouTube Rangkaian Start Stop Menggunakan Relay Relay bekerja menggunakan prinsip elektromagnetik sehingga dapat menggerakkan kontak saklar. Cara start stop relay menggunakan satu tombol. We connect relay and push button as per figure. Pengontrolan waktu hidup dan mati peralatan. Relay digunakan untuk mengontrol arus listrik yang lebih besar dengan menggunakan arus listrik yang lebih kecil. Membuat rangkaian start stop dan tombol pengunci pada relay, pada relay ini. Rangkaian Start Stop Menggunakan Relay.
From www.rokhmad.com
Job sheet 11 Rangkaian PLC untuk mengontrol 2 buah motor listrik Rangkaian Start Stop Menggunakan Relay When we press push button, supply goes to relay a1 point and relay gets on and its. Pengontrolan waktu hidup dan mati peralatan. Rangkaian konvensional start stop relay/kontaktor dengan 1. Relay bekerja menggunakan prinsip elektromagnetik sehingga dapat menggerakkan kontak saklar. Relay latching circuit using push button. Penjadwalan dan durasi aktif relay dengan setting melalui tombol berbasis arduino. Relay digunakan untuk. Rangkaian Start Stop Menggunakan Relay.
From www.teknik-otomotif.com
Rangkaian Kelistrikan Sistem Starter Mobil Rangkaian Start Stop Menggunakan Relay Relay latching circuit using push button. We connect relay and push button as per figure. Ini membantu melindungi tombol start dan tombol stop dari arus yang terlalu besar. When we press push button, supply goes to relay a1 point and relay gets on and its. Pengontrolan waktu hidup dan mati peralatan. Rangkaian konvensional start stop relay/kontaktor dengan 1. Membuat rangkaian. Rangkaian Start Stop Menggunakan Relay.
From www.vrogue.co
Belajar Rangkaian Pengunci Relay Dan Push Button Bese vrogue.co Rangkaian Start Stop Menggunakan Relay Menyalakan dan mematikan relay dengan menggunakan dua push button start dan stop. Membuat rangkaian start stop dan tombol pengunci pada relay, pada relay ini berperan. Relay bekerja menggunakan prinsip elektromagnetik sehingga dapat menggerakkan kontak saklar. Penjadwalan dan durasi aktif relay dengan setting melalui tombol berbasis arduino. We connect relay and push button as per figure. Relay digunakan untuk mengontrol arus. Rangkaian Start Stop Menggunakan Relay.
From www.youtube.com
Cara Merakit Panel Rangkaian Motor 3 Fasa Start Auto dan Manual YouTube Rangkaian Start Stop Menggunakan Relay Rangkaian konvensional start stop relay/kontaktor dengan 1. Cara start stop relay menggunakan satu tombol. Relay latching circuit using push button. Relay digunakan untuk mengontrol arus listrik yang lebih besar dengan menggunakan arus listrik yang lebih kecil. When we press push button, supply goes to relay a1 point and relay gets on and its. Relay bekerja menggunakan prinsip elektromagnetik sehingga dapat. Rangkaian Start Stop Menggunakan Relay.
From www.teknik-otomotif.com
Rangkaian Kelistrikan Lampu Kepala Pengendali Negatif Tanpa Relay dan Rangkaian Start Stop Menggunakan Relay Penjadwalan dan durasi aktif relay dengan setting melalui tombol berbasis arduino. Membuat rangkaian start stop dan tombol pengunci pada relay, pada relay ini berperan. Menyalakan dan mematikan relay dengan menggunakan dua push button start dan stop. Relay latching circuit using push button. Pengontrolan waktu hidup dan mati peralatan. Rangkaian konvensional start stop relay/kontaktor dengan 1. Relay bekerja menggunakan prinsip elektromagnetik. Rangkaian Start Stop Menggunakan Relay.
From www.vrogue.co
Belajar Rangkaian Pengunci Relay Dan Push Button Bese vrogue.co Rangkaian Start Stop Menggunakan Relay Menyalakan dan mematikan relay dengan menggunakan dua push button start dan stop. Ini membantu melindungi tombol start dan tombol stop dari arus yang terlalu besar. Pengontrolan waktu hidup dan mati peralatan. Relay bekerja menggunakan prinsip elektromagnetik sehingga dapat menggerakkan kontak saklar. Relay digunakan untuk mengontrol arus listrik yang lebih besar dengan menggunakan arus listrik yang lebih kecil. Penjadwalan dan durasi. Rangkaian Start Stop Menggunakan Relay.
From automotivexist.blogspot.com
Cara Memasang Relay Pada Klakson Mobil Rangkaian Start Stop Menggunakan Relay Pengontrolan waktu hidup dan mati peralatan. Cara start stop relay menggunakan satu tombol. Relay bekerja menggunakan prinsip elektromagnetik sehingga dapat menggerakkan kontak saklar. Relay digunakan untuk mengontrol arus listrik yang lebih besar dengan menggunakan arus listrik yang lebih kecil. Penjadwalan dan durasi aktif relay dengan setting melalui tombol berbasis arduino. We connect relay and push button as per figure. When. Rangkaian Start Stop Menggunakan Relay.
From www.vrogue.co
87 Rangkaian Lampu Jalan Menggunakan Timer vrogue.co Rangkaian Start Stop Menggunakan Relay When we press push button, supply goes to relay a1 point and relay gets on and its. Membuat rangkaian start stop dan tombol pengunci pada relay, pada relay ini berperan. Relay digunakan untuk mengontrol arus listrik yang lebih besar dengan menggunakan arus listrik yang lebih kecil. Rangkaian konvensional start stop relay/kontaktor dengan 1. Pengontrolan waktu hidup dan mati peralatan. Relay. Rangkaian Start Stop Menggunakan Relay.
From www.rokhmad.com
Job sheet 11 Rangkaian PLC untuk mengontrol 2 buah motor listrik Rangkaian Start Stop Menggunakan Relay Ini membantu melindungi tombol start dan tombol stop dari arus yang terlalu besar. Pengontrolan waktu hidup dan mati peralatan. Menyalakan dan mematikan relay dengan menggunakan dua push button start dan stop. Relay bekerja menggunakan prinsip elektromagnetik sehingga dapat menggerakkan kontak saklar. Rangkaian konvensional start stop relay/kontaktor dengan 1. We connect relay and push button as per figure. Membuat rangkaian start. Rangkaian Start Stop Menggunakan Relay.
From www.vrogue.co
Rangkaian Starting Dol Motor 3 Fasa Menggunakan Simur vrogue.co Rangkaian Start Stop Menggunakan Relay Pengontrolan waktu hidup dan mati peralatan. We connect relay and push button as per figure. Relay digunakan untuk mengontrol arus listrik yang lebih besar dengan menggunakan arus listrik yang lebih kecil. When we press push button, supply goes to relay a1 point and relay gets on and its. Cara start stop relay menggunakan satu tombol. Membuat rangkaian start stop dan. Rangkaian Start Stop Menggunakan Relay.