Sill Plate Splice . The more accurate you are with this step the easier it will be on everyone involved, including the trim. For a sill plate, no such splice ever occurs, but the high bolting requirements that led to longitudinal splitting through the bolts in the. I have seen what you describe placing the stud. Put the butt joint between studs and splice them together with a 14 1/2 piece, like a double plate just at that spot. The first step would be to lay a sill plate on the floor on a chalk line and secure it with framing nails or screws. The middle of a span is the weakest location in that floor joist. Now you can lay out. I am using treated 2x4 for the base. You cannot make a splice in a floor joist in the middle of its span and expect that to be sufficient. The code does not prohibit splicing top or bottom plates above or below a window. The time to lay the sill plates is probably the most important in housing carpentry.
from thehomeatlas.com
I am using treated 2x4 for the base. Now you can lay out. The code does not prohibit splicing top or bottom plates above or below a window. Put the butt joint between studs and splice them together with a 14 1/2 piece, like a double plate just at that spot. The time to lay the sill plates is probably the most important in housing carpentry. The first step would be to lay a sill plate on the floor on a chalk line and secure it with framing nails or screws. The more accurate you are with this step the easier it will be on everyone involved, including the trim. I have seen what you describe placing the stud. You cannot make a splice in a floor joist in the middle of its span and expect that to be sufficient. The middle of a span is the weakest location in that floor joist.
What is a Sill Plate or Mudsill? The Home Atlas
Sill Plate Splice The more accurate you are with this step the easier it will be on everyone involved, including the trim. I have seen what you describe placing the stud. Put the butt joint between studs and splice them together with a 14 1/2 piece, like a double plate just at that spot. The code does not prohibit splicing top or bottom plates above or below a window. For a sill plate, no such splice ever occurs, but the high bolting requirements that led to longitudinal splitting through the bolts in the. The middle of a span is the weakest location in that floor joist. I am using treated 2x4 for the base. The first step would be to lay a sill plate on the floor on a chalk line and secure it with framing nails or screws. You cannot make a splice in a floor joist in the middle of its span and expect that to be sufficient. The time to lay the sill plates is probably the most important in housing carpentry. Now you can lay out. The more accurate you are with this step the easier it will be on everyone involved, including the trim.
From www.shenandoahrestorations.net
Portfolio — Shenandoah Restorations Sill Plate Splice I have seen what you describe placing the stud. The time to lay the sill plates is probably the most important in housing carpentry. I am using treated 2x4 for the base. The first step would be to lay a sill plate on the floor on a chalk line and secure it with framing nails or screws. The middle of. Sill Plate Splice.
From www.finehomebuilding.com
Splicing Deck Joists Over a Beam Fine Homebuilding Sill Plate Splice You cannot make a splice in a floor joist in the middle of its span and expect that to be sufficient. For a sill plate, no such splice ever occurs, but the high bolting requirements that led to longitudinal splitting through the bolts in the. I have seen what you describe placing the stud. Now you can lay out. I. Sill Plate Splice.
From www.danieloren.com
Sill Plate How To Easily Remove And Replace It Daniel Oren Sill Plate Splice I have seen what you describe placing the stud. Now you can lay out. The more accurate you are with this step the easier it will be on everyone involved, including the trim. The time to lay the sill plates is probably the most important in housing carpentry. The code does not prohibit splicing top or bottom plates above or. Sill Plate Splice.
From www.westernstatesmetalroofing.com
Wall Splice Vertical Installation Sill Trim For TGroove® Panel Sill Plate Splice I have seen what you describe placing the stud. Now you can lay out. The more accurate you are with this step the easier it will be on everyone involved, including the trim. Put the butt joint between studs and splice them together with a 14 1/2 piece, like a double plate just at that spot. You cannot make a. Sill Plate Splice.
From www.youtube.com
How to Column Splice Design details Green House Construction YouTube Sill Plate Splice Now you can lay out. The code does not prohibit splicing top or bottom plates above or below a window. I am using treated 2x4 for the base. The first step would be to lay a sill plate on the floor on a chalk line and secure it with framing nails or screws. For a sill plate, no such splice. Sill Plate Splice.
From gambrick.com
What Is A Sill Plate? Sill Plate Splice The time to lay the sill plates is probably the most important in housing carpentry. Now you can lay out. For a sill plate, no such splice ever occurs, but the high bolting requirements that led to longitudinal splitting through the bolts in the. I am using treated 2x4 for the base. The code does not prohibit splicing top or. Sill Plate Splice.
From www.youtube.com
Install Sill Plates On Pier Foundation YouTube Sill Plate Splice The time to lay the sill plates is probably the most important in housing carpentry. The code does not prohibit splicing top or bottom plates above or below a window. I have seen what you describe placing the stud. Put the butt joint between studs and splice them together with a 14 1/2 piece, like a double plate just at. Sill Plate Splice.
From www.alamy.com
. Railway mechanical engineer . Details Showing Diagonal Brace Sill Plate Splice Put the butt joint between studs and splice them together with a 14 1/2 piece, like a double plate just at that spot. The middle of a span is the weakest location in that floor joist. The more accurate you are with this step the easier it will be on everyone involved, including the trim. You cannot make a splice. Sill Plate Splice.
From www.pinterest.com
Supporting and splicing the 24' roof sill plates with 6x6s Tiny Sill Plate Splice The first step would be to lay a sill plate on the floor on a chalk line and secure it with framing nails or screws. The middle of a span is the weakest location in that floor joist. I have seen what you describe placing the stud. The more accurate you are with this step the easier it will be. Sill Plate Splice.
From www.youtube.com
Revit Stacked Walls Adding a Sill Plate to a 2x6 wall YouTube Sill Plate Splice I am using treated 2x4 for the base. The middle of a span is the weakest location in that floor joist. You cannot make a splice in a floor joist in the middle of its span and expect that to be sufficient. The time to lay the sill plates is probably the most important in housing carpentry. The code does. Sill Plate Splice.
From www.familyhandyman.com
How to Splice Beams Properly Family Handyman Sill Plate Splice For a sill plate, no such splice ever occurs, but the high bolting requirements that led to longitudinal splitting through the bolts in the. Now you can lay out. The first step would be to lay a sill plate on the floor on a chalk line and secure it with framing nails or screws. The middle of a span is. Sill Plate Splice.
From www.boatliftanddock.com
3/16" Thick Light Duty Splice Plates Sill Plate Splice The more accurate you are with this step the easier it will be on everyone involved, including the trim. The middle of a span is the weakest location in that floor joist. Now you can lay out. The code does not prohibit splicing top or bottom plates above or below a window. The first step would be to lay a. Sill Plate Splice.
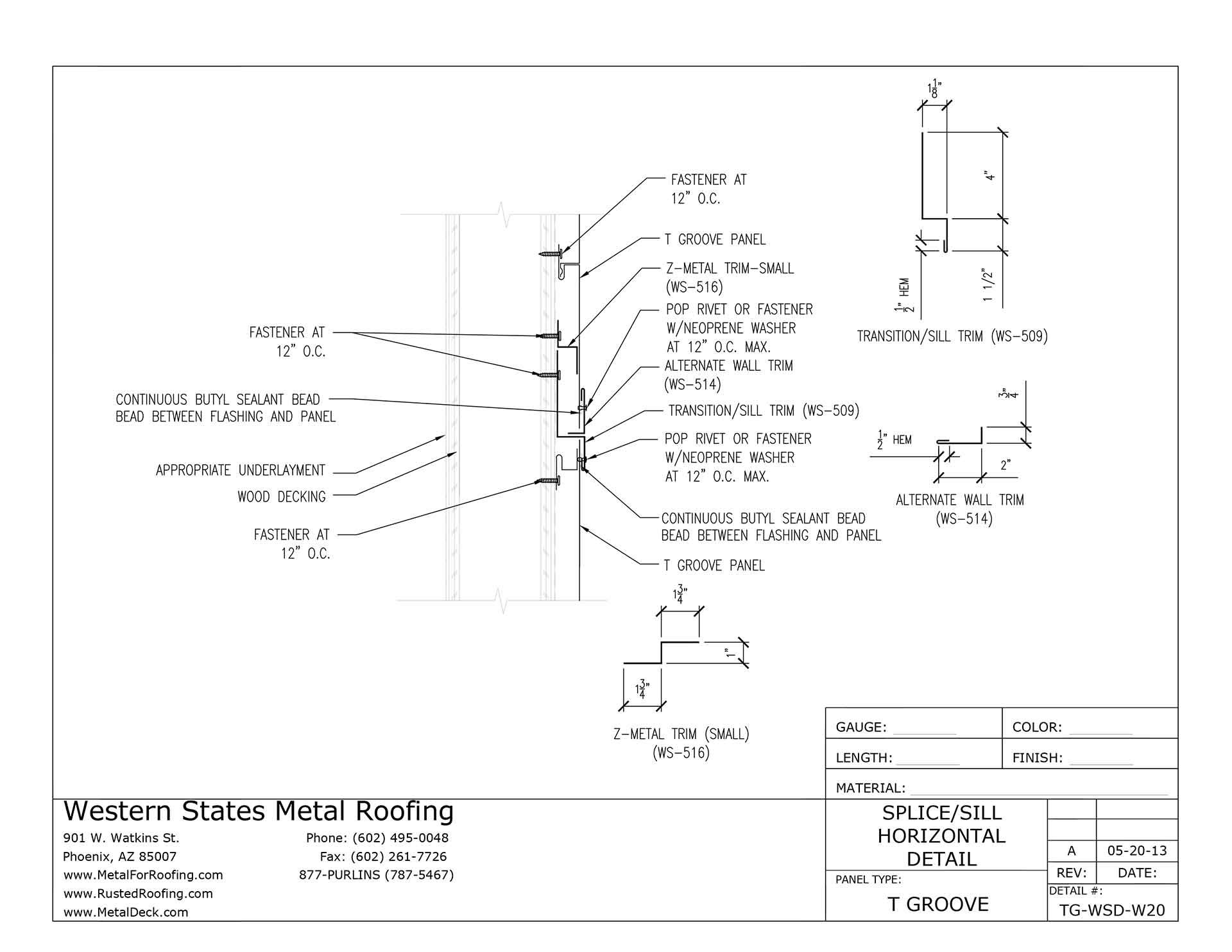
From www.westernstatesmetalroofing.com
Wall Splice Horizontal Installation Sill Trim For TGroove® Panel Sill Plate Splice The more accurate you are with this step the easier it will be on everyone involved, including the trim. For a sill plate, no such splice ever occurs, but the high bolting requirements that led to longitudinal splitting through the bolts in the. You cannot make a splice in a floor joist in the middle of its span and expect. Sill Plate Splice.
From www.bensalemmetal.com
Coping Miter with Preattached Splice Plates Bensalem Metal Sill Plate Splice Now you can lay out. Put the butt joint between studs and splice them together with a 14 1/2 piece, like a double plate just at that spot. The time to lay the sill plates is probably the most important in housing carpentry. I am using treated 2x4 for the base. You cannot make a splice in a floor joist. Sill Plate Splice.
From forum.nachi.org
Sill plate attachment code interpretation help Structural Sill Plate Splice The time to lay the sill plates is probably the most important in housing carpentry. For a sill plate, no such splice ever occurs, but the high bolting requirements that led to longitudinal splitting through the bolts in the. I am using treated 2x4 for the base. The first step would be to lay a sill plate on the floor. Sill Plate Splice.
From forum.nachi.org
Sill plate attachment code interpretation help Structural Sill Plate Splice I am using treated 2x4 for the base. The first step would be to lay a sill plate on the floor on a chalk line and secure it with framing nails or screws. The code does not prohibit splicing top or bottom plates above or below a window. You cannot make a splice in a floor joist in the middle. Sill Plate Splice.
From thehomeatlas.com
What is a Sill Plate or Mudsill? The Home Atlas Sill Plate Splice I am using treated 2x4 for the base. The more accurate you are with this step the easier it will be on everyone involved, including the trim. You cannot make a splice in a floor joist in the middle of its span and expect that to be sufficient. The code does not prohibit splicing top or bottom plates above or. Sill Plate Splice.
From www.youtube.com
Sill Plate YouTube Sill Plate Splice You cannot make a splice in a floor joist in the middle of its span and expect that to be sufficient. The code does not prohibit splicing top or bottom plates above or below a window. For a sill plate, no such splice ever occurs, but the high bolting requirements that led to longitudinal splitting through the bolts in the.. Sill Plate Splice.
From www.youtube.com
31 AISC Steel Connection Design Splice Connection Flange Plate Sill Plate Splice For a sill plate, no such splice ever occurs, but the high bolting requirements that led to longitudinal splitting through the bolts in the. The code does not prohibit splicing top or bottom plates above or below a window. You cannot make a splice in a floor joist in the middle of its span and expect that to be sufficient.. Sill Plate Splice.
From www.youtube.com
Bolted Steel beam/column Splice (straight joint connection) 203uc46 Sill Plate Splice The time to lay the sill plates is probably the most important in housing carpentry. I am using treated 2x4 for the base. The first step would be to lay a sill plate on the floor on a chalk line and secure it with framing nails or screws. The more accurate you are with this step the easier it will. Sill Plate Splice.
From basc.pnnl.gov
Air Sealing Sill Plates Building America Solution Center Sill Plate Splice Now you can lay out. Put the butt joint between studs and splice them together with a 14 1/2 piece, like a double plate just at that spot. The time to lay the sill plates is probably the most important in housing carpentry. You cannot make a splice in a floor joist in the middle of its span and expect. Sill Plate Splice.
From www.youtube.com
Sill runner splice YouTube Sill Plate Splice Now you can lay out. For a sill plate, no such splice ever occurs, but the high bolting requirements that led to longitudinal splitting through the bolts in the. Put the butt joint between studs and splice them together with a 14 1/2 piece, like a double plate just at that spot. The time to lay the sill plates is. Sill Plate Splice.
From www.hillhomelove.com
Wall Sill Plate Repair For Our Leaning Foundation Sill Plate Splice I have seen what you describe placing the stud. The first step would be to lay a sill plate on the floor on a chalk line and secure it with framing nails or screws. The middle of a span is the weakest location in that floor joist. The more accurate you are with this step the easier it will be. Sill Plate Splice.
From akhouseproject.com
Sill plates AK House Project Sill Plate Splice You cannot make a splice in a floor joist in the middle of its span and expect that to be sufficient. The code does not prohibit splicing top or bottom plates above or below a window. Put the butt joint between studs and splice them together with a 14 1/2 piece, like a double plate just at that spot. The. Sill Plate Splice.
From civilgang.com
All About Sill Plate What Is a Sill Plate What Is the Purpose of a Sill Plate Splice The middle of a span is the weakest location in that floor joist. The code does not prohibit splicing top or bottom plates above or below a window. For a sill plate, no such splice ever occurs, but the high bolting requirements that led to longitudinal splitting through the bolts in the. You cannot make a splice in a floor. Sill Plate Splice.
From www.eng-tips.com
LVL Splice with Partial Flitch Plates Structural engineering general Sill Plate Splice You cannot make a splice in a floor joist in the middle of its span and expect that to be sufficient. Now you can lay out. The first step would be to lay a sill plate on the floor on a chalk line and secure it with framing nails or screws. The middle of a span is the weakest location. Sill Plate Splice.
From www.lbp.govt.nz
Top plate connections Licensed Building Practitioners Sill Plate Splice I have seen what you describe placing the stud. Now you can lay out. You cannot make a splice in a floor joist in the middle of its span and expect that to be sufficient. For a sill plate, no such splice ever occurs, but the high bolting requirements that led to longitudinal splitting through the bolts in the. I. Sill Plate Splice.
From www.nachi.org
Foundation Anchorage of Wood Sill Plates With Bolts Inspection Sill Plate Splice I have seen what you describe placing the stud. You cannot make a splice in a floor joist in the middle of its span and expect that to be sufficient. The code does not prohibit splicing top or bottom plates above or below a window. The more accurate you are with this step the easier it will be on everyone. Sill Plate Splice.
From www.westernstatesmetalroofing.com
Wall Splice Horizontal Installation Sill Trim For Western Reveal® Sill Plate Splice I am using treated 2x4 for the base. The code does not prohibit splicing top or bottom plates above or below a window. The time to lay the sill plates is probably the most important in housing carpentry. The first step would be to lay a sill plate on the floor on a chalk line and secure it with framing. Sill Plate Splice.
From thehomeatlas.com
What is a Sill Plate or Mudsill? The Home Atlas Sill Plate Splice The middle of a span is the weakest location in that floor joist. The code does not prohibit splicing top or bottom plates above or below a window. Now you can lay out. The first step would be to lay a sill plate on the floor on a chalk line and secure it with framing nails or screws. The more. Sill Plate Splice.
From thehomeatlas.com
What is a Sill Plate or Mudsill? The Home Atlas Sill Plate Splice The middle of a span is the weakest location in that floor joist. I have seen what you describe placing the stud. You cannot make a splice in a floor joist in the middle of its span and expect that to be sufficient. The more accurate you are with this step the easier it will be on everyone involved, including. Sill Plate Splice.
From www.ideastatica.com
Splice connections of Ibeam flanges IDEA StatiCa Sill Plate Splice For a sill plate, no such splice ever occurs, but the high bolting requirements that led to longitudinal splitting through the bolts in the. Now you can lay out. The code does not prohibit splicing top or bottom plates above or below a window. I am using treated 2x4 for the base. You cannot make a splice in a floor. Sill Plate Splice.
From basement-tips.blogspot.com
7 Inspirational Basement Framing Tips Sill Plate basement tips Sill Plate Splice The middle of a span is the weakest location in that floor joist. I am using treated 2x4 for the base. For a sill plate, no such splice ever occurs, but the high bolting requirements that led to longitudinal splitting through the bolts in the. The more accurate you are with this step the easier it will be on everyone. Sill Plate Splice.
From burmon.com
ICF Single Sill Plate Connection to Truss/Rafter Sill Plate Splice Put the butt joint between studs and splice them together with a 14 1/2 piece, like a double plate just at that spot. The code does not prohibit splicing top or bottom plates above or below a window. For a sill plate, no such splice ever occurs, but the high bolting requirements that led to longitudinal splitting through the bolts. Sill Plate Splice.
From thehomeatlas.com
What is a Sill Plate or Mudsill? The Home Atlas Sill Plate Splice The code does not prohibit splicing top or bottom plates above or below a window. You cannot make a splice in a floor joist in the middle of its span and expect that to be sufficient. The first step would be to lay a sill plate on the floor on a chalk line and secure it with framing nails or. Sill Plate Splice.