Tieman Tailgate Lifter Wiring Diagram . + never operate lift trucks on or over any part of the platform. Tieman tail lifts are designed, manufactured and tested to conform to the relevant australian standards. Your thieman tailgate is constructed of top quality material and is warranted to be free from defects in material and workmanship under. A tieman tail lift wiring diagram is designed to clearly indicate the components of the lift’s wiring system. Please refer to the electrical diagrams and hose connection drawings in the liftgate’s owners manual when troubleshooting. + load and unload the platform from the rear and not from the side of the platform. Ensure any person who will be operating. Please refer to the electrical diagrams and hose connection drawings in the liftgate’s owner’s manual when troubleshooting. Read and understand the information contained in the owners manual before using the tail lift loader.
from diagramwallsflimsiest.z19.web.core.windows.net
Please refer to the electrical diagrams and hose connection drawings in the liftgate’s owners manual when troubleshooting. Ensure any person who will be operating. Tieman tail lifts are designed, manufactured and tested to conform to the relevant australian standards. Please refer to the electrical diagrams and hose connection drawings in the liftgate’s owner’s manual when troubleshooting. + never operate lift trucks on or over any part of the platform. + load and unload the platform from the rear and not from the side of the platform. A tieman tail lift wiring diagram is designed to clearly indicate the components of the lift’s wiring system. Read and understand the information contained in the owners manual before using the tail lift loader. Your thieman tailgate is constructed of top quality material and is warranted to be free from defects in material and workmanship under.
2 Post Lift Wiring Diagrams
Tieman Tailgate Lifter Wiring Diagram Tieman tail lifts are designed, manufactured and tested to conform to the relevant australian standards. Please refer to the electrical diagrams and hose connection drawings in the liftgate’s owners manual when troubleshooting. Tieman tail lifts are designed, manufactured and tested to conform to the relevant australian standards. + load and unload the platform from the rear and not from the side of the platform. Ensure any person who will be operating. + never operate lift trucks on or over any part of the platform. Your thieman tailgate is constructed of top quality material and is warranted to be free from defects in material and workmanship under. A tieman tail lift wiring diagram is designed to clearly indicate the components of the lift’s wiring system. Read and understand the information contained in the owners manual before using the tail lift loader. Please refer to the electrical diagrams and hose connection drawings in the liftgate’s owner’s manual when troubleshooting.
From manualworshipped.z14.web.core.windows.net
Braun Wheelchair Lift Wiring Diagram Tieman Tailgate Lifter Wiring Diagram Read and understand the information contained in the owners manual before using the tail lift loader. + never operate lift trucks on or over any part of the platform. A tieman tail lift wiring diagram is designed to clearly indicate the components of the lift’s wiring system. + load and unload the platform from the rear and not from the. Tieman Tailgate Lifter Wiring Diagram.
From www.tacomaworld.com
New 3rd Gen Tailgate Opener by KTJO 4x4 Order Now! Page 8 Tieman Tailgate Lifter Wiring Diagram Ensure any person who will be operating. Your thieman tailgate is constructed of top quality material and is warranted to be free from defects in material and workmanship under. + never operate lift trucks on or over any part of the platform. A tieman tail lift wiring diagram is designed to clearly indicate the components of the lift’s wiring system.. Tieman Tailgate Lifter Wiring Diagram.
From www.the-mower-shop-inc.com
The Mower Shop, Inc. Lawn Mower Parts Diagrams Tieman Tailgate Lifter Wiring Diagram Tieman tail lifts are designed, manufactured and tested to conform to the relevant australian standards. Ensure any person who will be operating. Your thieman tailgate is constructed of top quality material and is warranted to be free from defects in material and workmanship under. + load and unload the platform from the rear and not from the side of the. Tieman Tailgate Lifter Wiring Diagram.
From kdi-ppi.com
How to Read and Understand an Upright Scissor Lift Wiring Diagram Tieman Tailgate Lifter Wiring Diagram A tieman tail lift wiring diagram is designed to clearly indicate the components of the lift’s wiring system. Read and understand the information contained in the owners manual before using the tail lift loader. Please refer to the electrical diagrams and hose connection drawings in the liftgate’s owners manual when troubleshooting. Ensure any person who will be operating. Your thieman. Tieman Tailgate Lifter Wiring Diagram.
From wiringdiagram.2bitboer.com
Dhollandia Tail Lift Wiring Diagram Wiring Diagram Tieman Tailgate Lifter Wiring Diagram Your thieman tailgate is constructed of top quality material and is warranted to be free from defects in material and workmanship under. + never operate lift trucks on or over any part of the platform. Please refer to the electrical diagrams and hose connection drawings in the liftgate’s owners manual when troubleshooting. + load and unload the platform from the. Tieman Tailgate Lifter Wiring Diagram.
From www.diagramboard.com
220v car lift wiring diagram Diagram Board Tieman Tailgate Lifter Wiring Diagram + load and unload the platform from the rear and not from the side of the platform. + never operate lift trucks on or over any part of the platform. Please refer to the electrical diagrams and hose connection drawings in the liftgate’s owner’s manual when troubleshooting. A tieman tail lift wiring diagram is designed to clearly indicate the components. Tieman Tailgate Lifter Wiring Diagram.
From www.gatorforums.net
Bed lift wiring help John Deere Gator Forums Tieman Tailgate Lifter Wiring Diagram Your thieman tailgate is constructed of top quality material and is warranted to be free from defects in material and workmanship under. Read and understand the information contained in the owners manual before using the tail lift loader. A tieman tail lift wiring diagram is designed to clearly indicate the components of the lift’s wiring system. Tieman tail lifts are. Tieman Tailgate Lifter Wiring Diagram.
From www.pinterest.com
Electrical Hoist Wiring Diagram / Crane wiring / Overhead crane Tieman Tailgate Lifter Wiring Diagram Read and understand the information contained in the owners manual before using the tail lift loader. Tieman tail lifts are designed, manufactured and tested to conform to the relevant australian standards. + never operate lift trucks on or over any part of the platform. Ensure any person who will be operating. Your thieman tailgate is constructed of top quality material. Tieman Tailgate Lifter Wiring Diagram.
From www.pinterest.cl
Wiring Diagram for Auto Lift diagram diagramtemplate diagramsample Tieman Tailgate Lifter Wiring Diagram Read and understand the information contained in the owners manual before using the tail lift loader. A tieman tail lift wiring diagram is designed to clearly indicate the components of the lift’s wiring system. + load and unload the platform from the rear and not from the side of the platform. Ensure any person who will be operating. + never. Tieman Tailgate Lifter Wiring Diagram.
From www.electriciantalk.com
Help wiring a car/vehicle lift Electrician Talk Tieman Tailgate Lifter Wiring Diagram A tieman tail lift wiring diagram is designed to clearly indicate the components of the lift’s wiring system. + never operate lift trucks on or over any part of the platform. Please refer to the electrical diagrams and hose connection drawings in the liftgate’s owner’s manual when troubleshooting. Your thieman tailgate is constructed of top quality material and is warranted. Tieman Tailgate Lifter Wiring Diagram.
From wiringfixlistens.z19.web.core.windows.net
Automotive Lift Wiring Diagram Tieman Tailgate Lifter Wiring Diagram A tieman tail lift wiring diagram is designed to clearly indicate the components of the lift’s wiring system. Please refer to the electrical diagrams and hose connection drawings in the liftgate’s owner’s manual when troubleshooting. Read and understand the information contained in the owners manual before using the tail lift loader. + never operate lift trucks on or over any. Tieman Tailgate Lifter Wiring Diagram.
From enginelibbrandy.z19.web.core.windows.net
Jlg Lift Wiring Diagram Tieman Tailgate Lifter Wiring Diagram Please refer to the electrical diagrams and hose connection drawings in the liftgate’s owners manual when troubleshooting. + never operate lift trucks on or over any part of the platform. Ensure any person who will be operating. A tieman tail lift wiring diagram is designed to clearly indicate the components of the lift’s wiring system. + load and unload the. Tieman Tailgate Lifter Wiring Diagram.
From wiringfixpathway.z21.web.core.windows.net
Eagle Lift Gate Truck Wiring Diagrams Tieman Tailgate Lifter Wiring Diagram Please refer to the electrical diagrams and hose connection drawings in the liftgate’s owner’s manual when troubleshooting. Tieman tail lifts are designed, manufactured and tested to conform to the relevant australian standards. + never operate lift trucks on or over any part of the platform. Please refer to the electrical diagrams and hose connection drawings in the liftgate’s owners manual. Tieman Tailgate Lifter Wiring Diagram.
From wiringdiagram.2bitboer.com
Boat Lift Motor Wiring Diagrams Wiring Diagram Tieman Tailgate Lifter Wiring Diagram Please refer to the electrical diagrams and hose connection drawings in the liftgate’s owners manual when troubleshooting. Read and understand the information contained in the owners manual before using the tail lift loader. A tieman tail lift wiring diagram is designed to clearly indicate the components of the lift’s wiring system. Please refer to the electrical diagrams and hose connection. Tieman Tailgate Lifter Wiring Diagram.
From enginewiringedwin.z21.web.core.windows.net
Cargo Lift Wiring Diagram Tieman Tailgate Lifter Wiring Diagram + load and unload the platform from the rear and not from the side of the platform. Please refer to the electrical diagrams and hose connection drawings in the liftgate’s owners manual when troubleshooting. Your thieman tailgate is constructed of top quality material and is warranted to be free from defects in material and workmanship under. Read and understand the. Tieman Tailgate Lifter Wiring Diagram.
From www.vrogue.co
Upright Mx19 Scissor Lift Wiring Manual vrogue.co Tieman Tailgate Lifter Wiring Diagram Your thieman tailgate is constructed of top quality material and is warranted to be free from defects in material and workmanship under. A tieman tail lift wiring diagram is designed to clearly indicate the components of the lift’s wiring system. Please refer to the electrical diagrams and hose connection drawings in the liftgate’s owners manual when troubleshooting. Ensure any person. Tieman Tailgate Lifter Wiring Diagram.
From wiringdiagram.2bitboer.com
Bronco Tailgate Wiring Diagram Wiring Diagram Tieman Tailgate Lifter Wiring Diagram + load and unload the platform from the rear and not from the side of the platform. Please refer to the electrical diagrams and hose connection drawings in the liftgate’s owner’s manual when troubleshooting. Read and understand the information contained in the owners manual before using the tail lift loader. Please refer to the electrical diagrams and hose connection drawings. Tieman Tailgate Lifter Wiring Diagram.
From www.stylesgurus.com
Skyjack Scissor Lift Wiring Diagram Science and Education Tieman Tailgate Lifter Wiring Diagram Read and understand the information contained in the owners manual before using the tail lift loader. A tieman tail lift wiring diagram is designed to clearly indicate the components of the lift’s wiring system. + load and unload the platform from the rear and not from the side of the platform. Your thieman tailgate is constructed of top quality material. Tieman Tailgate Lifter Wiring Diagram.
From manualwiringwexler.z19.web.core.windows.net
Tommy Liftgate Wiring Diagram Tieman Tailgate Lifter Wiring Diagram Please refer to the electrical diagrams and hose connection drawings in the liftgate’s owner’s manual when troubleshooting. Ensure any person who will be operating. + load and unload the platform from the rear and not from the side of the platform. Your thieman tailgate is constructed of top quality material and is warranted to be free from defects in material. Tieman Tailgate Lifter Wiring Diagram.
From www.caretxdigital.com
Automotive Lift Wiring Diagram Pdf Wiring Diagram and Schematics Tieman Tailgate Lifter Wiring Diagram Please refer to the electrical diagrams and hose connection drawings in the liftgate’s owner’s manual when troubleshooting. Read and understand the information contained in the owners manual before using the tail lift loader. + never operate lift trucks on or over any part of the platform. Ensure any person who will be operating. Your thieman tailgate is constructed of top. Tieman Tailgate Lifter Wiring Diagram.
From fixdataprobst.z21.web.core.windows.net
240 Wiring For Car Lift Tieman Tailgate Lifter Wiring Diagram Your thieman tailgate is constructed of top quality material and is warranted to be free from defects in material and workmanship under. + load and unload the platform from the rear and not from the side of the platform. A tieman tail lift wiring diagram is designed to clearly indicate the components of the lift’s wiring system. Tieman tail lifts. Tieman Tailgate Lifter Wiring Diagram.
From guidelistouultimatums.z14.web.core.windows.net
Tommy Gate Liftgate Wiring Diagram Tieman Tailgate Lifter Wiring Diagram + load and unload the platform from the rear and not from the side of the platform. Read and understand the information contained in the owners manual before using the tail lift loader. Please refer to the electrical diagrams and hose connection drawings in the liftgate’s owner’s manual when troubleshooting. Your thieman tailgate is constructed of top quality material and. Tieman Tailgate Lifter Wiring Diagram.
From schematichamzah.z13.web.core.windows.net
Car Lifts Wiring Diagram Schematic Tieman Tailgate Lifter Wiring Diagram Ensure any person who will be operating. Read and understand the information contained in the owners manual before using the tail lift loader. Your thieman tailgate is constructed of top quality material and is warranted to be free from defects in material and workmanship under. Please refer to the electrical diagrams and hose connection drawings in the liftgate’s owner’s manual. Tieman Tailgate Lifter Wiring Diagram.
From www.lrworkshop.com
Window Lift Wiring Diagrams Find Land Rover parts at LR Tieman Tailgate Lifter Wiring Diagram + never operate lift trucks on or over any part of the platform. Tieman tail lifts are designed, manufactured and tested to conform to the relevant australian standards. Ensure any person who will be operating. Please refer to the electrical diagrams and hose connection drawings in the liftgate’s owners manual when troubleshooting. Your thieman tailgate is constructed of top quality. Tieman Tailgate Lifter Wiring Diagram.
From guidelibnoe.z19.web.core.windows.net
Goods Lift Wiring Diagram Tieman Tailgate Lifter Wiring Diagram Tieman tail lifts are designed, manufactured and tested to conform to the relevant australian standards. Read and understand the information contained in the owners manual before using the tail lift loader. + load and unload the platform from the rear and not from the side of the platform. Ensure any person who will be operating. Your thieman tailgate is constructed. Tieman Tailgate Lifter Wiring Diagram.
From diagramwallsflimsiest.z19.web.core.windows.net
2 Post Lift Wiring Diagrams Tieman Tailgate Lifter Wiring Diagram Please refer to the electrical diagrams and hose connection drawings in the liftgate’s owners manual when troubleshooting. Ensure any person who will be operating. + never operate lift trucks on or over any part of the platform. Please refer to the electrical diagrams and hose connection drawings in the liftgate’s owner’s manual when troubleshooting. Tieman tail lifts are designed, manufactured. Tieman Tailgate Lifter Wiring Diagram.
From wiringall.com
Harmar Lift Wiring Diagram Tieman Tailgate Lifter Wiring Diagram Read and understand the information contained in the owners manual before using the tail lift loader. Ensure any person who will be operating. Please refer to the electrical diagrams and hose connection drawings in the liftgate’s owner’s manual when troubleshooting. Please refer to the electrical diagrams and hose connection drawings in the liftgate’s owners manual when troubleshooting. Your thieman tailgate. Tieman Tailgate Lifter Wiring Diagram.
From schematron.org
Dhollandia Tail Lift Wiring Diagram Wiring Diagram Pictures Tieman Tailgate Lifter Wiring Diagram Please refer to the electrical diagrams and hose connection drawings in the liftgate’s owner’s manual when troubleshooting. + never operate lift trucks on or over any part of the platform. Tieman tail lifts are designed, manufactured and tested to conform to the relevant australian standards. A tieman tail lift wiring diagram is designed to clearly indicate the components of the. Tieman Tailgate Lifter Wiring Diagram.
From www.tuffmangroup.com
Tieman TPC500S Tuffman Tail Lifts Tieman Tailgate Lifter Wiring Diagram Read and understand the information contained in the owners manual before using the tail lift loader. A tieman tail lift wiring diagram is designed to clearly indicate the components of the lift’s wiring system. Tieman tail lifts are designed, manufactured and tested to conform to the relevant australian standards. Please refer to the electrical diagrams and hose connection drawings in. Tieman Tailgate Lifter Wiring Diagram.
From wiringall.com
Maxon Liftgate Wiring Diagram Tieman Tailgate Lifter Wiring Diagram Please refer to the electrical diagrams and hose connection drawings in the liftgate’s owners manual when troubleshooting. Tieman tail lifts are designed, manufactured and tested to conform to the relevant australian standards. + never operate lift trucks on or over any part of the platform. Ensure any person who will be operating. Your thieman tailgate is constructed of top quality. Tieman Tailgate Lifter Wiring Diagram.
From techdiagrammer.com
The Ultimate Guide to Understanding Anthony Liftgate Wiring Diagrams Tieman Tailgate Lifter Wiring Diagram Tieman tail lifts are designed, manufactured and tested to conform to the relevant australian standards. Ensure any person who will be operating. Please refer to the electrical diagrams and hose connection drawings in the liftgate’s owner’s manual when troubleshooting. Read and understand the information contained in the owners manual before using the tail lift loader. Your thieman tailgate is constructed. Tieman Tailgate Lifter Wiring Diagram.
From www.scribd.com
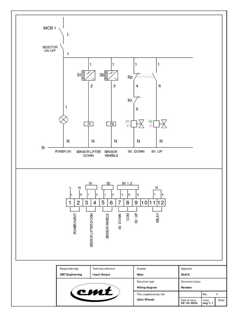
LIFTER WIRING Diagram PDF Tieman Tailgate Lifter Wiring Diagram Please refer to the electrical diagrams and hose connection drawings in the liftgate’s owner’s manual when troubleshooting. Your thieman tailgate is constructed of top quality material and is warranted to be free from defects in material and workmanship under. Tieman tail lifts are designed, manufactured and tested to conform to the relevant australian standards. Read and understand the information contained. Tieman Tailgate Lifter Wiring Diagram.
From artsistz.blogspot.com
Grove Manlift Wiring Diagram Artsist Tieman Tailgate Lifter Wiring Diagram Your thieman tailgate is constructed of top quality material and is warranted to be free from defects in material and workmanship under. Tieman tail lifts are designed, manufactured and tested to conform to the relevant australian standards. A tieman tail lift wiring diagram is designed to clearly indicate the components of the lift’s wiring system. + load and unload the. Tieman Tailgate Lifter Wiring Diagram.
From manualengineharvey.z21.web.core.windows.net
Eagle Lift Wiring Diagram Of Tieman Tailgate Lifter Wiring Diagram Tieman tail lifts are designed, manufactured and tested to conform to the relevant australian standards. Your thieman tailgate is constructed of top quality material and is warranted to be free from defects in material and workmanship under. A tieman tail lift wiring diagram is designed to clearly indicate the components of the lift’s wiring system. Please refer to the electrical. Tieman Tailgate Lifter Wiring Diagram.
From enginelibraul.z6.web.core.windows.net
Car Lifts Wiring Diagram Picture Schematic Tieman Tailgate Lifter Wiring Diagram Your thieman tailgate is constructed of top quality material and is warranted to be free from defects in material and workmanship under. Tieman tail lifts are designed, manufactured and tested to conform to the relevant australian standards. A tieman tail lift wiring diagram is designed to clearly indicate the components of the lift’s wiring system. Please refer to the electrical. Tieman Tailgate Lifter Wiring Diagram.