Reductant Pressure Sensor Circuit Low . Check the wiring harness and connectors for damage or corrosion. It is a diagnostic trouble code (dtc) that indicates a. To fix this issue, you should visually. What does p204c trouble code mean? If you see the engine light on or the service engine soon warning light, it could be due to the p204a fault code. The exact repair steps may vary depending on the year, make, model, and powertrain configuration. Reductant pressure sensor circuit low code indicates that the pressure sensor in the reductant system is reporting a. If your engine light is on and you have a p204b code, it may be due to a faulty reductant pump and sensor assembly or a poor electrical connection. This code is caused by a faulty reductant pressure sensor, an open or shorted reductant pressure sensor harness, or a poor electrical connection in the reductant pressure sensor circuit. Inspect the components and connector pins for any signs of damage. A stored code p204c indicates that the powertrain. Ford code p204c is an error code for a vehicle’s reductant pressure sensor circuit. How to easily diagnose, repair, and info on causes of a p204c trouble code that indicates a detected low electrical value in the reductant pressure sensor. P204c indicates a problem with the reductant pressure sensor circuit, signaling that the sensor’s output is lower than what the vehicle’s.
from www.ziptuning.com
If your engine light is on and you have a p204b code, it may be due to a faulty reductant pump and sensor assembly or a poor electrical connection. P204c indicates a problem with the reductant pressure sensor circuit, signaling that the sensor’s output is lower than what the vehicle’s. If you see the engine light on or the service engine soon warning light, it could be due to the p204a fault code. The exact repair steps may vary depending on the year, make, model, and powertrain configuration. Inspect the components and connector pins for any signs of damage. To fix this issue, you should visually. How to easily diagnose, repair, and info on causes of a p204c trouble code that indicates a detected low electrical value in the reductant pressure sensor. A stored code p204c indicates that the powertrain. Check the wiring harness and connectors for damage or corrosion. Ford code p204c is an error code for a vehicle’s reductant pressure sensor circuit.
P20B5 Reductant Pressure Too Low
Reductant Pressure Sensor Circuit Low Check the wiring harness and connectors for damage or corrosion. Reductant pressure sensor circuit low code indicates that the pressure sensor in the reductant system is reporting a. This code is caused by a faulty reductant pressure sensor, an open or shorted reductant pressure sensor harness, or a poor electrical connection in the reductant pressure sensor circuit. The exact repair steps may vary depending on the year, make, model, and powertrain configuration. If your engine light is on and you have a p204b code, it may be due to a faulty reductant pump and sensor assembly or a poor electrical connection. How to easily diagnose, repair, and info on causes of a p204c trouble code that indicates a detected low electrical value in the reductant pressure sensor. It is a diagnostic trouble code (dtc) that indicates a. Check the wiring harness and connectors for damage or corrosion. If you see the engine light on or the service engine soon warning light, it could be due to the p204a fault code. Inspect the components and connector pins for any signs of damage. To fix this issue, you should visually. What does p204c trouble code mean? A stored code p204c indicates that the powertrain. Ford code p204c is an error code for a vehicle’s reductant pressure sensor circuit. P204c indicates a problem with the reductant pressure sensor circuit, signaling that the sensor’s output is lower than what the vehicle’s.
From www.youtube.com
diagnosis codes p204A Reductant pressures sensor circuit YouTube Reductant Pressure Sensor Circuit Low Inspect the components and connector pins for any signs of damage. What does p204c trouble code mean? If you see the engine light on or the service engine soon warning light, it could be due to the p204a fault code. Reductant pressure sensor circuit low code indicates that the pressure sensor in the reductant system is reporting a. How to. Reductant Pressure Sensor Circuit Low.
From www.youtube.com
P20E8 FORD Reductant Pressure Too Low Reductant pressure too low Ford Reductant Pressure Sensor Circuit Low This code is caused by a faulty reductant pressure sensor, an open or shorted reductant pressure sensor harness, or a poor electrical connection in the reductant pressure sensor circuit. A stored code p204c indicates that the powertrain. If your engine light is on and you have a p204b code, it may be due to a faulty reductant pump and sensor. Reductant Pressure Sensor Circuit Low.
From mitsubishitechinfo.com
13DTC P2228 Barometric Pressure Circuit Low Input Reductant Pressure Sensor Circuit Low Ford code p204c is an error code for a vehicle’s reductant pressure sensor circuit. To fix this issue, you should visually. This code is caused by a faulty reductant pressure sensor, an open or shorted reductant pressure sensor harness, or a poor electrical connection in the reductant pressure sensor circuit. If you see the engine light on or the service. Reductant Pressure Sensor Circuit Low.
From www.ziptuning.com
P144A DPF Differential Pressure Sensor Circuit Low Reductant Pressure Sensor Circuit Low Reductant pressure sensor circuit low code indicates that the pressure sensor in the reductant system is reporting a. Ford code p204c is an error code for a vehicle’s reductant pressure sensor circuit. This code is caused by a faulty reductant pressure sensor, an open or shorted reductant pressure sensor harness, or a poor electrical connection in the reductant pressure sensor. Reductant Pressure Sensor Circuit Low.
From www.ziptuning.com
P20B3 Reductant Pressure Sensor Circuit Short to GND Reductant Pressure Sensor Circuit Low P204c indicates a problem with the reductant pressure sensor circuit, signaling that the sensor’s output is lower than what the vehicle’s. It is a diagnostic trouble code (dtc) that indicates a. Inspect the components and connector pins for any signs of damage. This code is caused by a faulty reductant pressure sensor, an open or shorted reductant pressure sensor harness,. Reductant Pressure Sensor Circuit Low.
From www.justanswer.com
2017 duramax l5p reductant pressure too low closed loop code. I have Reductant Pressure Sensor Circuit Low P204c indicates a problem with the reductant pressure sensor circuit, signaling that the sensor’s output is lower than what the vehicle’s. Reductant pressure sensor circuit low code indicates that the pressure sensor in the reductant system is reporting a. Check the wiring harness and connectors for damage or corrosion. The exact repair steps may vary depending on the year, make,. Reductant Pressure Sensor Circuit Low.
From www.ziptuning.com
P20B7 Reductant Injection Valve Circuit Low Reductant Pressure Sensor Circuit Low How to easily diagnose, repair, and info on causes of a p204c trouble code that indicates a detected low electrical value in the reductant pressure sensor. If you see the engine light on or the service engine soon warning light, it could be due to the p204a fault code. Ford code p204c is an error code for a vehicle’s reductant. Reductant Pressure Sensor Circuit Low.
From www.justanswer.com
How to fix code p2285 Injection control pressure sensor circuit low? Reductant Pressure Sensor Circuit Low If your engine light is on and you have a p204b code, it may be due to a faulty reductant pump and sensor assembly or a poor electrical connection. A stored code p204c indicates that the powertrain. Check the wiring harness and connectors for damage or corrosion. What does p204c trouble code mean? It is a diagnostic trouble code (dtc). Reductant Pressure Sensor Circuit Low.
From www.researchgate.net
Pressure sensor circuit. Download Scientific Diagram Reductant Pressure Sensor Circuit Low The exact repair steps may vary depending on the year, make, model, and powertrain configuration. What does p204c trouble code mean? It is a diagnostic trouble code (dtc) that indicates a. To fix this issue, you should visually. This code is caused by a faulty reductant pressure sensor, an open or shorted reductant pressure sensor harness, or a poor electrical. Reductant Pressure Sensor Circuit Low.
From www.obd-codes.com
P202B Reductant Tank Heater Control Circuit Low Reductant Pressure Sensor Circuit Low This code is caused by a faulty reductant pressure sensor, an open or shorted reductant pressure sensor harness, or a poor electrical connection in the reductant pressure sensor circuit. To fix this issue, you should visually. What does p204c trouble code mean? How to easily diagnose, repair, and info on causes of a p204c trouble code that indicates a detected. Reductant Pressure Sensor Circuit Low.
From www.gadgetronicx.com
Pressure sensor circuit without using Microcontroller Gadgetronicx Reductant Pressure Sensor Circuit Low If your engine light is on and you have a p204b code, it may be due to a faulty reductant pump and sensor assembly or a poor electrical connection. The exact repair steps may vary depending on the year, make, model, and powertrain configuration. A stored code p204c indicates that the powertrain. If you see the engine light on or. Reductant Pressure Sensor Circuit Low.
From www.avnet.com
Absolute Pressure Sensors The Design Engineer's Guide Abacus Reductant Pressure Sensor Circuit Low It is a diagnostic trouble code (dtc) that indicates a. Ford code p204c is an error code for a vehicle’s reductant pressure sensor circuit. P204c indicates a problem with the reductant pressure sensor circuit, signaling that the sensor’s output is lower than what the vehicle’s. The exact repair steps may vary depending on the year, make, model, and powertrain configuration.. Reductant Pressure Sensor Circuit Low.
From www.circuitdiagram.co
Blood Pressure Sensor Circuit Diagram Using Arduino Circuit Diagram Reductant Pressure Sensor Circuit Low P204c indicates a problem with the reductant pressure sensor circuit, signaling that the sensor’s output is lower than what the vehicle’s. To fix this issue, you should visually. If your engine light is on and you have a p204b code, it may be due to a faulty reductant pump and sensor assembly or a poor electrical connection. This code is. Reductant Pressure Sensor Circuit Low.
From repairmachineberoweimemi.z22.web.core.windows.net
P018c Fuel Pressure Sensor B Circuit Low Reductant Pressure Sensor Circuit Low Ford code p204c is an error code for a vehicle’s reductant pressure sensor circuit. If your engine light is on and you have a p204b code, it may be due to a faulty reductant pump and sensor assembly or a poor electrical connection. Inspect the components and connector pins for any signs of damage. The exact repair steps may vary. Reductant Pressure Sensor Circuit Low.
From wireenginepaul.z19.web.core.windows.net
Circuit Diagram Of Air Pressure Sensor Reductant Pressure Sensor Circuit Low P204c indicates a problem with the reductant pressure sensor circuit, signaling that the sensor’s output is lower than what the vehicle’s. How to easily diagnose, repair, and info on causes of a p204c trouble code that indicates a detected low electrical value in the reductant pressure sensor. Reductant pressure sensor circuit low code indicates that the pressure sensor in the. Reductant Pressure Sensor Circuit Low.
From pressuresensorcircuitblogh.blogspot.com
pressure sensor circuit Reductant Pressure Sensor Circuit Low What does p204c trouble code mean? Check the wiring harness and connectors for damage or corrosion. A stored code p204c indicates that the powertrain. The exact repair steps may vary depending on the year, make, model, and powertrain configuration. If you see the engine light on or the service engine soon warning light, it could be due to the p204a. Reductant Pressure Sensor Circuit Low.
From faq.out-club.ru
Code No. P0107 Manifold Absolute Pressure Sensor Circuit Low Input Reductant Pressure Sensor Circuit Low Ford code p204c is an error code for a vehicle’s reductant pressure sensor circuit. If your engine light is on and you have a p204b code, it may be due to a faulty reductant pump and sensor assembly or a poor electrical connection. This code is caused by a faulty reductant pressure sensor, an open or shorted reductant pressure sensor. Reductant Pressure Sensor Circuit Low.
From www.researchgate.net
(a) Circuit diagram of pressure sensors, (b) Actual pressure sensor Reductant Pressure Sensor Circuit Low How to easily diagnose, repair, and info on causes of a p204c trouble code that indicates a detected low electrical value in the reductant pressure sensor. A stored code p204c indicates that the powertrain. If you see the engine light on or the service engine soon warning light, it could be due to the p204a fault code. If your engine. Reductant Pressure Sensor Circuit Low.
From amolyatbmqworkshopfix.z13.web.core.windows.net
Reductant Pressure Too Low Reductant Pressure Sensor Circuit Low The exact repair steps may vary depending on the year, make, model, and powertrain configuration. Ford code p204c is an error code for a vehicle’s reductant pressure sensor circuit. Inspect the components and connector pins for any signs of damage. How to easily diagnose, repair, and info on causes of a p204c trouble code that indicates a detected low electrical. Reductant Pressure Sensor Circuit Low.
From www.youtube.com
RAM 2500 Cummins DTC P0934 Line Pressure sensor Circuit Low YouTube Reductant Pressure Sensor Circuit Low If your engine light is on and you have a p204b code, it may be due to a faulty reductant pump and sensor assembly or a poor electrical connection. What does p204c trouble code mean? Check the wiring harness and connectors for damage or corrosion. If you see the engine light on or the service engine soon warning light, it. Reductant Pressure Sensor Circuit Low.
From www.justanswer.com
How to fix code p2285 Injection control pressure sensor circuit low? Reductant Pressure Sensor Circuit Low What does p204c trouble code mean? A stored code p204c indicates that the powertrain. Reductant pressure sensor circuit low code indicates that the pressure sensor in the reductant system is reporting a. It is a diagnostic trouble code (dtc) that indicates a. This code is caused by a faulty reductant pressure sensor, an open or shorted reductant pressure sensor harness,. Reductant Pressure Sensor Circuit Low.
From toshiba.semicon-storage.com
Atmospheric pressure sensor circuit Toshiba Electronic Devices Reductant Pressure Sensor Circuit Low Inspect the components and connector pins for any signs of damage. If your engine light is on and you have a p204b code, it may be due to a faulty reductant pump and sensor assembly or a poor electrical connection. To fix this issue, you should visually. What does p204c trouble code mean? If you see the engine light on. Reductant Pressure Sensor Circuit Low.
From carmodnerd.com
[SOLVED] P204C Code Low Reductant Pressure Sensor Quick Fix Guide Reductant Pressure Sensor Circuit Low This code is caused by a faulty reductant pressure sensor, an open or shorted reductant pressure sensor harness, or a poor electrical connection in the reductant pressure sensor circuit. A stored code p204c indicates that the powertrain. It is a diagnostic trouble code (dtc) that indicates a. The exact repair steps may vary depending on the year, make, model, and. Reductant Pressure Sensor Circuit Low.
From www.scribd.com
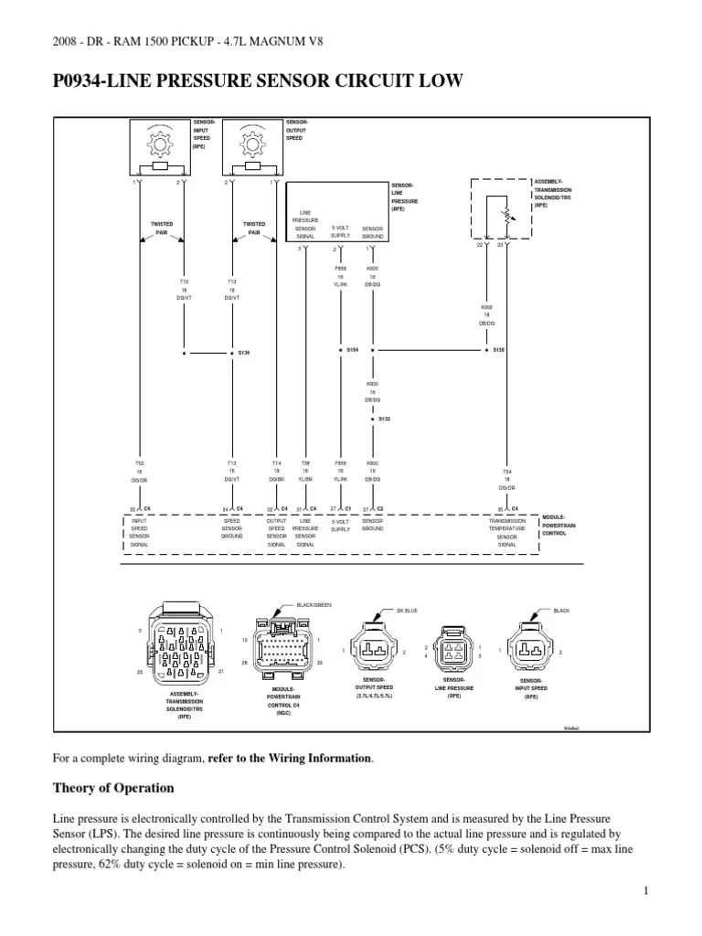
P0934Line Pressure Sensor Circuit Low Theory of Operation PDF Reductant Pressure Sensor Circuit Low What does p204c trouble code mean? A stored code p204c indicates that the powertrain. It is a diagnostic trouble code (dtc) that indicates a. The exact repair steps may vary depending on the year, make, model, and powertrain configuration. To fix this issue, you should visually. If you see the engine light on or the service engine soon warning light,. Reductant Pressure Sensor Circuit Low.
From www.iqsdirectory.com
Air Pressure Switch What Is It? How Does It Work? Reductant Pressure Sensor Circuit Low Ford code p204c is an error code for a vehicle’s reductant pressure sensor circuit. The exact repair steps may vary depending on the year, make, model, and powertrain configuration. P204c indicates a problem with the reductant pressure sensor circuit, signaling that the sensor’s output is lower than what the vehicle’s. Reductant pressure sensor circuit low code indicates that the pressure. Reductant Pressure Sensor Circuit Low.
From instrumentationtools.com
Differential Capacitance Pressure Sensor Circuit Reductant Pressure Sensor Circuit Low It is a diagnostic trouble code (dtc) that indicates a. What does p204c trouble code mean? Inspect the components and connector pins for any signs of damage. How to easily diagnose, repair, and info on causes of a p204c trouble code that indicates a detected low electrical value in the reductant pressure sensor. The exact repair steps may vary depending. Reductant Pressure Sensor Circuit Low.
From www.ziptuning.com
P20B3 Reductant Pressure Sensor Circuit Short to GND Reductant Pressure Sensor Circuit Low This code is caused by a faulty reductant pressure sensor, an open or shorted reductant pressure sensor harness, or a poor electrical connection in the reductant pressure sensor circuit. To fix this issue, you should visually. A stored code p204c indicates that the powertrain. What does p204c trouble code mean? Check the wiring harness and connectors for damage or corrosion.. Reductant Pressure Sensor Circuit Low.
From projectiot123.com
mpx4115a pressure sensor circuit arduino specification pinout Reductant Pressure Sensor Circuit Low It is a diagnostic trouble code (dtc) that indicates a. This code is caused by a faulty reductant pressure sensor, an open or shorted reductant pressure sensor harness, or a poor electrical connection in the reductant pressure sensor circuit. A stored code p204c indicates that the powertrain. If your engine light is on and you have a p204b code, it. Reductant Pressure Sensor Circuit Low.
From www.e-gizmo.net
PRESSURE Gauge Pressure Sensor Reductant Pressure Sensor Circuit Low If you see the engine light on or the service engine soon warning light, it could be due to the p204a fault code. Check the wiring harness and connectors for damage or corrosion. Inspect the components and connector pins for any signs of damage. To fix this issue, you should visually. Reductant pressure sensor circuit low code indicates that the. Reductant Pressure Sensor Circuit Low.
From www.carparts.com
P0532 Code A/C Refrigerant Pressure Sensor “A” Circuit Low In The Reductant Pressure Sensor Circuit Low If your engine light is on and you have a p204b code, it may be due to a faulty reductant pump and sensor assembly or a poor electrical connection. This code is caused by a faulty reductant pressure sensor, an open or shorted reductant pressure sensor harness, or a poor electrical connection in the reductant pressure sensor circuit. The exact. Reductant Pressure Sensor Circuit Low.
From www.circuitdiagram.co
pressure sensor circuit diagram Circuit Diagram Reductant Pressure Sensor Circuit Low This code is caused by a faulty reductant pressure sensor, an open or shorted reductant pressure sensor harness, or a poor electrical connection in the reductant pressure sensor circuit. Check the wiring harness and connectors for damage or corrosion. To fix this issue, you should visually. If you see the engine light on or the service engine soon warning light,. Reductant Pressure Sensor Circuit Low.
From www.justanswer.com
How to fix code p2285 Injection control pressure sensor circuit low? Reductant Pressure Sensor Circuit Low What does p204c trouble code mean? A stored code p204c indicates that the powertrain. If you see the engine light on or the service engine soon warning light, it could be due to the p204a fault code. Reductant pressure sensor circuit low code indicates that the pressure sensor in the reductant system is reporting a. Check the wiring harness and. Reductant Pressure Sensor Circuit Low.
From www.2carpros.com
Code P20E8 Reductant Pressure Too Low Reductant Pressure Sensor Circuit Low Check the wiring harness and connectors for damage or corrosion. To fix this issue, you should visually. Inspect the components and connector pins for any signs of damage. This code is caused by a faulty reductant pressure sensor, an open or shorted reductant pressure sensor harness, or a poor electrical connection in the reductant pressure sensor circuit. The exact repair. Reductant Pressure Sensor Circuit Low.
From www.youtube.com
Causes and Fixes P0107 Code Manifold Absolute Pressure / Barometric Reductant Pressure Sensor Circuit Low Ford code p204c is an error code for a vehicle’s reductant pressure sensor circuit. If your engine light is on and you have a p204b code, it may be due to a faulty reductant pump and sensor assembly or a poor electrical connection. Check the wiring harness and connectors for damage or corrosion. Reductant pressure sensor circuit low code indicates. Reductant Pressure Sensor Circuit Low.
From www.ziptuning.com
P20B5 Reductant Pressure Too Low Reductant Pressure Sensor Circuit Low Inspect the components and connector pins for any signs of damage. To fix this issue, you should visually. Ford code p204c is an error code for a vehicle’s reductant pressure sensor circuit. Check the wiring harness and connectors for damage or corrosion. If you see the engine light on or the service engine soon warning light, it could be due. Reductant Pressure Sensor Circuit Low.