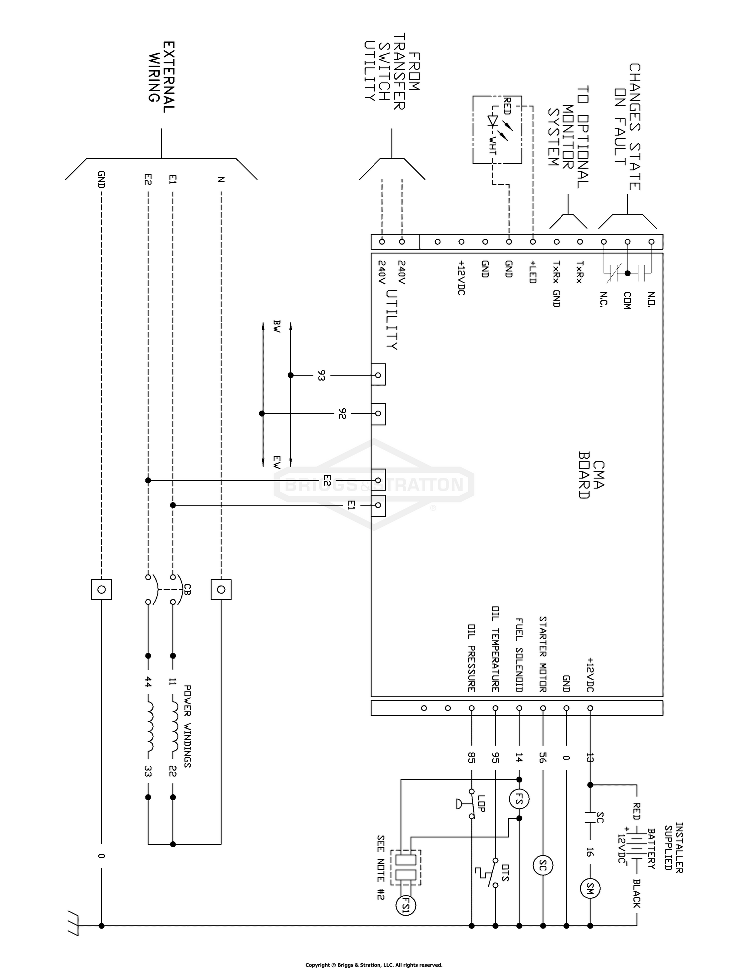
Emergency Generator Wiring Diagram . Learn how to wire a backup generator to your house for emergency preparedness. Standby generators automatically activate when the electricity goes out, making sure your essential appliances and systems keep running without skipping a beat. A generator transfer switch is the legal and proper way to power your home with an emergency generator. There are three main types:. The wiring diagram will show you how to connect the transfer switch to the main breaker panel using specific wires and cables. By using the following basic electrical wiring installation diagrams for generator connection, you may restore an. How to connect a generator to home without a transfer switch in an emergency. Connection of a generator to an electrical system normally supplied by an electric utility shall be by means of suitable transfer equipment so as to.
from wiring.hpricorpcom.com
Connection of a generator to an electrical system normally supplied by an electric utility shall be by means of suitable transfer equipment so as to. Standby generators automatically activate when the electricity goes out, making sure your essential appliances and systems keep running without skipping a beat. By using the following basic electrical wiring installation diagrams for generator connection, you may restore an. How to connect a generator to home without a transfer switch in an emergency. Learn how to wire a backup generator to your house for emergency preparedness. There are three main types:. A generator transfer switch is the legal and proper way to power your home with an emergency generator. The wiring diagram will show you how to connect the transfer switch to the main breaker panel using specific wires and cables.
typical emergency generator wiring diagram Wiring Diagram and Schematic
Emergency Generator Wiring Diagram Connection of a generator to an electrical system normally supplied by an electric utility shall be by means of suitable transfer equipment so as to. By using the following basic electrical wiring installation diagrams for generator connection, you may restore an. A generator transfer switch is the legal and proper way to power your home with an emergency generator. How to connect a generator to home without a transfer switch in an emergency. Learn how to wire a backup generator to your house for emergency preparedness. The wiring diagram will show you how to connect the transfer switch to the main breaker panel using specific wires and cables. There are three main types:. Connection of a generator to an electrical system normally supplied by an electric utility shall be by means of suitable transfer equipment so as to. Standby generators automatically activate when the electricity goes out, making sure your essential appliances and systems keep running without skipping a beat.
From www.pinterest.com
Emergency Generator Wiring Diagram in 2021 Electrical circuit diagram, Types of electrical Emergency Generator Wiring Diagram A generator transfer switch is the legal and proper way to power your home with an emergency generator. Connection of a generator to an electrical system normally supplied by an electric utility shall be by means of suitable transfer equipment so as to. Learn how to wire a backup generator to your house for emergency preparedness. Standby generators automatically activate. Emergency Generator Wiring Diagram.
From www.wiringdigital.com
Wiring Diagram For Emergency Generator Wiring Digital and Schematic Emergency Generator Wiring Diagram There are three main types:. Learn how to wire a backup generator to your house for emergency preparedness. Connection of a generator to an electrical system normally supplied by an electric utility shall be by means of suitable transfer equipment so as to. Standby generators automatically activate when the electricity goes out, making sure your essential appliances and systems keep. Emergency Generator Wiring Diagram.
From www.wiringboards.com
Wiring Diagram For Emergency Generator Wiring Boards Emergency Generator Wiring Diagram A generator transfer switch is the legal and proper way to power your home with an emergency generator. Learn how to wire a backup generator to your house for emergency preparedness. Standby generators automatically activate when the electricity goes out, making sure your essential appliances and systems keep running without skipping a beat. There are three main types:. How to. Emergency Generator Wiring Diagram.
From www.caretxdigital.com
Wiring Diagram For Emergency Generator Wiring Diagram and Schematics Emergency Generator Wiring Diagram Learn how to wire a backup generator to your house for emergency preparedness. A generator transfer switch is the legal and proper way to power your home with an emergency generator. How to connect a generator to home without a transfer switch in an emergency. By using the following basic electrical wiring installation diagrams for generator connection, you may restore. Emergency Generator Wiring Diagram.
From www.smarts4k.com
Typical Emergency Generator Wiring Diagram Search Best 4K Wallpapers Emergency Generator Wiring Diagram The wiring diagram will show you how to connect the transfer switch to the main breaker panel using specific wires and cables. How to connect a generator to home without a transfer switch in an emergency. Standby generators automatically activate when the electricity goes out, making sure your essential appliances and systems keep running without skipping a beat. By using. Emergency Generator Wiring Diagram.
From wirelistherman.z19.web.core.windows.net
Wiring Diagram For Emergency Generator Emergency Generator Wiring Diagram Learn how to wire a backup generator to your house for emergency preparedness. How to connect a generator to home without a transfer switch in an emergency. Connection of a generator to an electrical system normally supplied by an electric utility shall be by means of suitable transfer equipment so as to. The wiring diagram will show you how to. Emergency Generator Wiring Diagram.
From www.wiringdigital.com
Wiring Diagram For Emergency Generator Wiring Digital and Schematic Emergency Generator Wiring Diagram Learn how to wire a backup generator to your house for emergency preparedness. There are three main types:. By using the following basic electrical wiring installation diagrams for generator connection, you may restore an. The wiring diagram will show you how to connect the transfer switch to the main breaker panel using specific wires and cables. Connection of a generator. Emergency Generator Wiring Diagram.
From www.wiringdigital.com
Wiring Diagram For Emergency Generator » Wiring Digital And Schematic Emergency Generator Wiring Diagram Standby generators automatically activate when the electricity goes out, making sure your essential appliances and systems keep running without skipping a beat. A generator transfer switch is the legal and proper way to power your home with an emergency generator. The wiring diagram will show you how to connect the transfer switch to the main breaker panel using specific wires. Emergency Generator Wiring Diagram.
From wiringlibdorgan.z19.web.core.windows.net
Home Emergency Generator Wiring Schematics Emergency Generator Wiring Diagram Learn how to wire a backup generator to your house for emergency preparedness. A generator transfer switch is the legal and proper way to power your home with an emergency generator. The wiring diagram will show you how to connect the transfer switch to the main breaker panel using specific wires and cables. By using the following basic electrical wiring. Emergency Generator Wiring Diagram.
From www.pinterest.com
How to Connect a Portable Generator to the Home? NEC and IEC Transfer switch, Portable Emergency Generator Wiring Diagram Learn how to wire a backup generator to your house for emergency preparedness. Standby generators automatically activate when the electricity goes out, making sure your essential appliances and systems keep running without skipping a beat. A generator transfer switch is the legal and proper way to power your home with an emergency generator. How to connect a generator to home. Emergency Generator Wiring Diagram.
From fixdiagrammarshall.z19.web.core.windows.net
Emergency Generator Wiring Diagram Emergency Generator Wiring Diagram By using the following basic electrical wiring installation diagrams for generator connection, you may restore an. A generator transfer switch is the legal and proper way to power your home with an emergency generator. There are three main types:. Learn how to wire a backup generator to your house for emergency preparedness. Connection of a generator to an electrical system. Emergency Generator Wiring Diagram.
From www.caretxdigital.com
Wiring Diagram For Emergency Generator Wiring Diagram and Schematics Emergency Generator Wiring Diagram Standby generators automatically activate when the electricity goes out, making sure your essential appliances and systems keep running without skipping a beat. A generator transfer switch is the legal and proper way to power your home with an emergency generator. By using the following basic electrical wiring installation diagrams for generator connection, you may restore an. Connection of a generator. Emergency Generator Wiring Diagram.
From guidepartdorie.z21.web.core.windows.net
Emergency Generator Circuit Diagram Emergency Generator Wiring Diagram A generator transfer switch is the legal and proper way to power your home with an emergency generator. Connection of a generator to an electrical system normally supplied by an electric utility shall be by means of suitable transfer equipment so as to. Learn how to wire a backup generator to your house for emergency preparedness. By using the following. Emergency Generator Wiring Diagram.
From fixenginenumbers.z6.web.core.windows.net
Emergency Generator Transfer Switch Wiring Emergency Generator Wiring Diagram Connection of a generator to an electrical system normally supplied by an electric utility shall be by means of suitable transfer equipment so as to. The wiring diagram will show you how to connect the transfer switch to the main breaker panel using specific wires and cables. How to connect a generator to home without a transfer switch in an. Emergency Generator Wiring Diagram.
From www.pinterest.com
Electrical Wiring Colours, Home Electrical Wiring, Electrical Circuit Diagram, Electrical Emergency Generator Wiring Diagram By using the following basic electrical wiring installation diagrams for generator connection, you may restore an. The wiring diagram will show you how to connect the transfer switch to the main breaker panel using specific wires and cables. There are three main types:. Learn how to wire a backup generator to your house for emergency preparedness. Connection of a generator. Emergency Generator Wiring Diagram.
From wiring.hpricorpcom.com
typical emergency generator wiring diagram Wiring Diagram and Schematic Emergency Generator Wiring Diagram By using the following basic electrical wiring installation diagrams for generator connection, you may restore an. Learn how to wire a backup generator to your house for emergency preparedness. The wiring diagram will show you how to connect the transfer switch to the main breaker panel using specific wires and cables. How to connect a generator to home without a. Emergency Generator Wiring Diagram.
From www.electricaltechnology.org
How to Connect a Portable Generator to the Home? NEC and IEC Emergency Generator Wiring Diagram Learn how to wire a backup generator to your house for emergency preparedness. How to connect a generator to home without a transfer switch in an emergency. The wiring diagram will show you how to connect the transfer switch to the main breaker panel using specific wires and cables. Connection of a generator to an electrical system normally supplied by. Emergency Generator Wiring Diagram.
From www.youtube.com
Generator EMERGENCY STOP, wiring connection, troubleshooting lets simplify YouTube Emergency Generator Wiring Diagram There are three main types:. Connection of a generator to an electrical system normally supplied by an electric utility shall be by means of suitable transfer equipment so as to. The wiring diagram will show you how to connect the transfer switch to the main breaker panel using specific wires and cables. Learn how to wire a backup generator to. Emergency Generator Wiring Diagram.
From www.wiringdigital.com
Wiring Diagram For Emergency Generator Wiring Digital and Schematic Emergency Generator Wiring Diagram The wiring diagram will show you how to connect the transfer switch to the main breaker panel using specific wires and cables. Standby generators automatically activate when the electricity goes out, making sure your essential appliances and systems keep running without skipping a beat. By using the following basic electrical wiring installation diagrams for generator connection, you may restore an.. Emergency Generator Wiring Diagram.
From www.electricaltechnology.org
How to Connect a Portable Generator to the Home? NEC and IEC Emergency Generator Wiring Diagram Standby generators automatically activate when the electricity goes out, making sure your essential appliances and systems keep running without skipping a beat. The wiring diagram will show you how to connect the transfer switch to the main breaker panel using specific wires and cables. There are three main types:. By using the following basic electrical wiring installation diagrams for generator. Emergency Generator Wiring Diagram.
From elecschem.com
Wiring Diagram for an Emergency Generator Emergency Generator Wiring Diagram Learn how to wire a backup generator to your house for emergency preparedness. Connection of a generator to an electrical system normally supplied by an electric utility shall be by means of suitable transfer equipment so as to. How to connect a generator to home without a transfer switch in an emergency. There are three main types:. By using the. Emergency Generator Wiring Diagram.
From www.pinterest.es
How to Connect a Portable Generator to the Home? NEC and IEC Portable generator, Emergency Emergency Generator Wiring Diagram Standby generators automatically activate when the electricity goes out, making sure your essential appliances and systems keep running without skipping a beat. There are three main types:. Learn how to wire a backup generator to your house for emergency preparedness. By using the following basic electrical wiring installation diagrams for generator connection, you may restore an. How to connect a. Emergency Generator Wiring Diagram.
From wiringdiagram.2bitboer.com
Wiring Diagrams For Ats To Generator Wiring Diagram Emergency Generator Wiring Diagram Learn how to wire a backup generator to your house for emergency preparedness. How to connect a generator to home without a transfer switch in an emergency. A generator transfer switch is the legal and proper way to power your home with an emergency generator. There are three main types:. Standby generators automatically activate when the electricity goes out, making. Emergency Generator Wiring Diagram.
From galvinconanstuart.blogspot.com
Ats Wiring Diagram For Standby Generator General Wiring Diagram Emergency Generator Wiring Diagram The wiring diagram will show you how to connect the transfer switch to the main breaker panel using specific wires and cables. How to connect a generator to home without a transfer switch in an emergency. A generator transfer switch is the legal and proper way to power your home with an emergency generator. Learn how to wire a backup. Emergency Generator Wiring Diagram.
From mavink.com
Emergency Generator One Line Diagram Emergency Generator Wiring Diagram By using the following basic electrical wiring installation diagrams for generator connection, you may restore an. There are three main types:. The wiring diagram will show you how to connect the transfer switch to the main breaker panel using specific wires and cables. Learn how to wire a backup generator to your house for emergency preparedness. How to connect a. Emergency Generator Wiring Diagram.
From www.caretxdigital.com
Wiring Diagram For Emergency Generator Wiring Diagram and Schematics Emergency Generator Wiring Diagram Learn how to wire a backup generator to your house for emergency preparedness. The wiring diagram will show you how to connect the transfer switch to the main breaker panel using specific wires and cables. A generator transfer switch is the legal and proper way to power your home with an emergency generator. There are three main types:. By using. Emergency Generator Wiring Diagram.
From www.wiringdigital.com
Electric Wiring Diagram Generator Wiring Digital and Schematic Emergency Generator Wiring Diagram Standby generators automatically activate when the electricity goes out, making sure your essential appliances and systems keep running without skipping a beat. Connection of a generator to an electrical system normally supplied by an electric utility shall be by means of suitable transfer equipment so as to. How to connect a generator to home without a transfer switch in an. Emergency Generator Wiring Diagram.
From www.electricaltechnology.org
How to Connect a Portable Generator to the Home? NEC and IEC Emergency Generator Wiring Diagram Connection of a generator to an electrical system normally supplied by an electric utility shall be by means of suitable transfer equipment so as to. How to connect a generator to home without a transfer switch in an emergency. Learn how to wire a backup generator to your house for emergency preparedness. The wiring diagram will show you how to. Emergency Generator Wiring Diagram.
From prsteyer.blogspot.com
Wiring Diagram For Emergency Generator Emergency Generator Wiring Diagram Connection of a generator to an electrical system normally supplied by an electric utility shall be by means of suitable transfer equipment so as to. How to connect a generator to home without a transfer switch in an emergency. There are three main types:. Learn how to wire a backup generator to your house for emergency preparedness. Standby generators automatically. Emergency Generator Wiring Diagram.
From prsteyer.blogspot.com
Wiring Diagram For Emergency Generator Emergency Generator Wiring Diagram The wiring diagram will show you how to connect the transfer switch to the main breaker panel using specific wires and cables. Learn how to wire a backup generator to your house for emergency preparedness. There are three main types:. Connection of a generator to an electrical system normally supplied by an electric utility shall be by means of suitable. Emergency Generator Wiring Diagram.
From wiringpartaubrey.z6.web.core.windows.net
Emergency Generator Circuit Diagram Emergency Generator Wiring Diagram There are three main types:. Learn how to wire a backup generator to your house for emergency preparedness. Connection of a generator to an electrical system normally supplied by an electric utility shall be by means of suitable transfer equipment so as to. By using the following basic electrical wiring installation diagrams for generator connection, you may restore an. The. Emergency Generator Wiring Diagram.
From wiringdiagram.2bitboer.com
Wiring Diagram For Emergency Generator Wiring Diagram Emergency Generator Wiring Diagram Connection of a generator to an electrical system normally supplied by an electric utility shall be by means of suitable transfer equipment so as to. A generator transfer switch is the legal and proper way to power your home with an emergency generator. The wiring diagram will show you how to connect the transfer switch to the main breaker panel. Emergency Generator Wiring Diagram.
From www.vrogue.co
Typical Emergency Generator Wiring Diagram Wiring Dia vrogue.co Emergency Generator Wiring Diagram There are three main types:. How to connect a generator to home without a transfer switch in an emergency. Learn how to wire a backup generator to your house for emergency preparedness. Connection of a generator to an electrical system normally supplied by an electric utility shall be by means of suitable transfer equipment so as to. The wiring diagram. Emergency Generator Wiring Diagram.
From www.wiringdigital.com
Wiring Diagram For Emergency Generator Wiring Digital and Schematic Emergency Generator Wiring Diagram A generator transfer switch is the legal and proper way to power your home with an emergency generator. The wiring diagram will show you how to connect the transfer switch to the main breaker panel using specific wires and cables. Learn how to wire a backup generator to your house for emergency preparedness. How to connect a generator to home. Emergency Generator Wiring Diagram.
From wiringlibjacqueline.z13.web.core.windows.net
Emergency Switch Wiring Diagram Emergency Generator Wiring Diagram By using the following basic electrical wiring installation diagrams for generator connection, you may restore an. There are three main types:. Learn how to wire a backup generator to your house for emergency preparedness. Standby generators automatically activate when the electricity goes out, making sure your essential appliances and systems keep running without skipping a beat. A generator transfer switch. Emergency Generator Wiring Diagram.