Is Camshaft Gm . I see a lot of cam threads with general suggestions such as duntov cam or l79 cam, usually without real info on specs. See graphs and charts to. Learn how to select a camshaft for your engine based on rpm range, cam specs, lifter type, and lobe profile. To help you determine when this part might be bad, we’ve listed down the common signs of a bad camshaft. As each engine model comes with a specific camshaft, proper identification is key to finding the right one. Learn how to identify gm camshaft identification numbers by visually inspecting the component, examining the model prefix, grind number, and exhaust number. Learn how to decipher the terms and numbers on a camshaft timing card, such as lobe lift, rocker ratio, duration, and advertised. I spent a little time compiling a few factory cam specs for reference to see how they stack up. See dyno results, specs, and pros and cons of l33 and other ls cams. The camshaft can spin out of time due to failed belts, gears, sheared pins or keys, or stretched/failed chains and chain hardware, as well as problems with cam phasers used for variable cam timing. Our guide will help you understand camshaft fundamentals, including two major types of camshafts and how to choose a camshaft.
from paceperformance.com
As each engine model comes with a specific camshaft, proper identification is key to finding the right one. I spent a little time compiling a few factory cam specs for reference to see how they stack up. I see a lot of cam threads with general suggestions such as duntov cam or l79 cam, usually without real info on specs. Our guide will help you understand camshaft fundamentals, including two major types of camshafts and how to choose a camshaft. See graphs and charts to. The camshaft can spin out of time due to failed belts, gears, sheared pins or keys, or stretched/failed chains and chain hardware, as well as problems with cam phasers used for variable cam timing. See dyno results, specs, and pros and cons of l33 and other ls cams. Learn how to select a camshaft for your engine based on rpm range, cam specs, lifter type, and lobe profile. Learn how to identify gm camshaft identification numbers by visually inspecting the component, examining the model prefix, grind number, and exhaust number. To help you determine when this part might be bad, we’ve listed down the common signs of a bad camshaft.
GM (General Motors) 19210722 Big Block Chevy Roller Camshaft 572 /
Is Camshaft Gm See graphs and charts to. I spent a little time compiling a few factory cam specs for reference to see how they stack up. The camshaft can spin out of time due to failed belts, gears, sheared pins or keys, or stretched/failed chains and chain hardware, as well as problems with cam phasers used for variable cam timing. See dyno results, specs, and pros and cons of l33 and other ls cams. Learn how to identify gm camshaft identification numbers by visually inspecting the component, examining the model prefix, grind number, and exhaust number. As each engine model comes with a specific camshaft, proper identification is key to finding the right one. Learn how to decipher the terms and numbers on a camshaft timing card, such as lobe lift, rocker ratio, duration, and advertised. See graphs and charts to. To help you determine when this part might be bad, we’ve listed down the common signs of a bad camshaft. Our guide will help you understand camshaft fundamentals, including two major types of camshafts and how to choose a camshaft. Learn how to select a camshaft for your engine based on rpm range, cam specs, lifter type, and lobe profile. I see a lot of cam threads with general suggestions such as duntov cam or l79 cam, usually without real info on specs.
From autocareaids.com
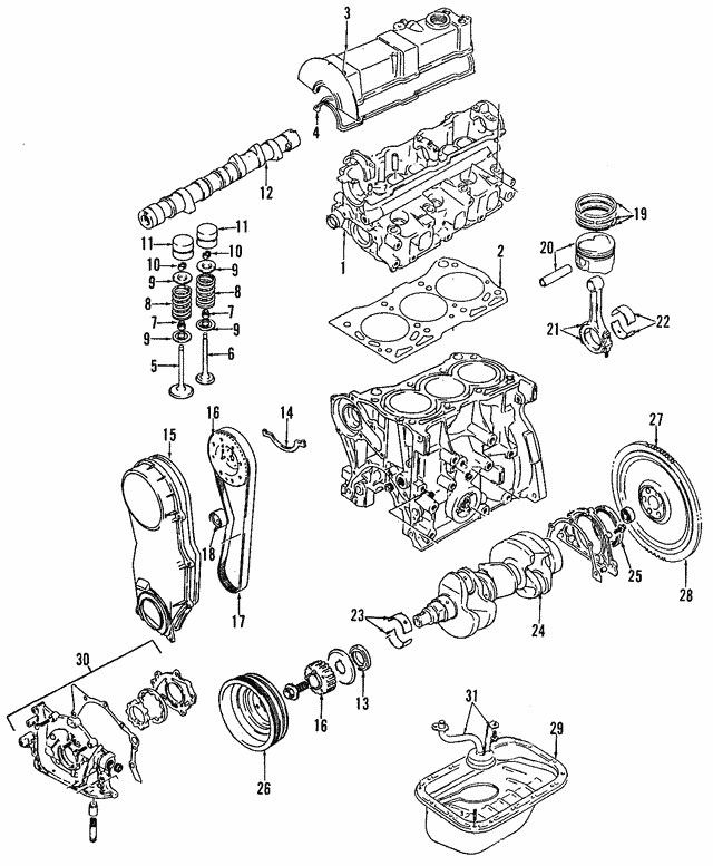
Crankshaft Vs Camshaft Fully Compared Is Camshaft Gm I spent a little time compiling a few factory cam specs for reference to see how they stack up. Learn how to decipher the terms and numbers on a camshaft timing card, such as lobe lift, rocker ratio, duration, and advertised. See graphs and charts to. Learn how to identify gm camshaft identification numbers by visually inspecting the component, examining. Is Camshaft Gm.
From bpi.ebasicpower.com
Camshaft GM 4.3L 262 Vortec use with Balance Shaft Left Hand Mercruiser Is Camshaft Gm See graphs and charts to. I see a lot of cam threads with general suggestions such as duntov cam or l79 cam, usually without real info on specs. Learn how to select a camshaft for your engine based on rpm range, cam specs, lifter type, and lobe profile. Our guide will help you understand camshaft fundamentals, including two major types. Is Camshaft Gm.
From www.carid.com
ACDelco® Genuine GM Parts™ Camshaft Is Camshaft Gm To help you determine when this part might be bad, we’ve listed down the common signs of a bad camshaft. I see a lot of cam threads with general suggestions such as duntov cam or l79 cam, usually without real info on specs. The camshaft can spin out of time due to failed belts, gears, sheared pins or keys, or. Is Camshaft Gm.
From tristarracingproducts.com
GM Camshafts Tristar Racing Products Is Camshaft Gm See graphs and charts to. I see a lot of cam threads with general suggestions such as duntov cam or l79 cam, usually without real info on specs. Learn how to select a camshaft for your engine based on rpm range, cam specs, lifter type, and lobe profile. Learn how to identify gm camshaft identification numbers by visually inspecting the. Is Camshaft Gm.
From www.matfoundrygroup.com
What is a Camshaft and How Does it Work? Is Camshaft Gm See dyno results, specs, and pros and cons of l33 and other ls cams. Learn how to identify gm camshaft identification numbers by visually inspecting the component, examining the model prefix, grind number, and exhaust number. As each engine model comes with a specific camshaft, proper identification is key to finding the right one. I spent a little time compiling. Is Camshaft Gm.
From www.enginelabs.com
Camshaft 101 The History And Substance Of Camshafts EngineLabs Is Camshaft Gm Learn how to select a camshaft for your engine based on rpm range, cam specs, lifter type, and lobe profile. As each engine model comes with a specific camshaft, proper identification is key to finding the right one. I spent a little time compiling a few factory cam specs for reference to see how they stack up. See graphs and. Is Camshaft Gm.
From www.marineparts.eu
Camshaft GM 4.3L, marineparts.eu Is Camshaft Gm Learn how to select a camshaft for your engine based on rpm range, cam specs, lifter type, and lobe profile. Learn how to decipher the terms and numbers on a camshaft timing card, such as lobe lift, rocker ratio, duration, and advertised. I see a lot of cam threads with general suggestions such as duntov cam or l79 cam, usually. Is Camshaft Gm.
From www.theengineerspost.com
Camshaft Definition, Parts and Function with [Diagram & PDF] Is Camshaft Gm Learn how to identify gm camshaft identification numbers by visually inspecting the component, examining the model prefix, grind number, and exhaust number. I spent a little time compiling a few factory cam specs for reference to see how they stack up. See dyno results, specs, and pros and cons of l33 and other ls cams. To help you determine when. Is Camshaft Gm.
From www.youtube.com
Small Block Chevy SBC Camshaft Identification? zeketheantiquefreak Is Camshaft Gm See dyno results, specs, and pros and cons of l33 and other ls cams. Learn how to select a camshaft for your engine based on rpm range, cam specs, lifter type, and lobe profile. Our guide will help you understand camshaft fundamentals, including two major types of camshafts and how to choose a camshaft. As each engine model comes with. Is Camshaft Gm.
From www.ebay.com
What Is a Camshaft Position Sensor? eBay Motors Blog Is Camshaft Gm See dyno results, specs, and pros and cons of l33 and other ls cams. I see a lot of cam threads with general suggestions such as duntov cam or l79 cam, usually without real info on specs. As each engine model comes with a specific camshaft, proper identification is key to finding the right one. The camshaft can spin out. Is Camshaft Gm.
From www.onallcylinders.com
Camshaft FAQs What is Lobe Separation? What are Intake and Exhaust Is Camshaft Gm As each engine model comes with a specific camshaft, proper identification is key to finding the right one. I see a lot of cam threads with general suggestions such as duntov cam or l79 cam, usually without real info on specs. See dyno results, specs, and pros and cons of l33 and other ls cams. Learn how to identify gm. Is Camshaft Gm.
From www.bishopenginereplacementparts.com
GM Chevrolet LS1 LQ4 LQ9 LS Camshaft Genuine OEM 12561721 Is Camshaft Gm Learn how to select a camshaft for your engine based on rpm range, cam specs, lifter type, and lobe profile. See dyno results, specs, and pros and cons of l33 and other ls cams. To help you determine when this part might be bad, we’ve listed down the common signs of a bad camshaft. As each engine model comes with. Is Camshaft Gm.
From www.onallcylinders.com
Comparing Camshafts A History of Camshaft Specs and Choosing the Right Is Camshaft Gm Our guide will help you understand camshaft fundamentals, including two major types of camshafts and how to choose a camshaft. I spent a little time compiling a few factory cam specs for reference to see how they stack up. To help you determine when this part might be bad, we’ve listed down the common signs of a bad camshaft. See. Is Camshaft Gm.
From www.gmpartsdirect.com
Camshaft GM (91173039) Is Camshaft Gm See dyno results, specs, and pros and cons of l33 and other ls cams. To help you determine when this part might be bad, we’ve listed down the common signs of a bad camshaft. Our guide will help you understand camshaft fundamentals, including two major types of camshafts and how to choose a camshaft. As each engine model comes with. Is Camshaft Gm.
From pautomotivemechanics.blogspot.com
Automotive Mechanics Camshafts Is Camshaft Gm The camshaft can spin out of time due to failed belts, gears, sheared pins or keys, or stretched/failed chains and chain hardware, as well as problems with cam phasers used for variable cam timing. Learn how to identify gm camshaft identification numbers by visually inspecting the component, examining the model prefix, grind number, and exhaust number. To help you determine. Is Camshaft Gm.
From www.onallcylinders.com
How to Read a Cam Card to Understand Camshaft Specs Is Camshaft Gm Learn how to decipher the terms and numbers on a camshaft timing card, such as lobe lift, rocker ratio, duration, and advertised. See graphs and charts to. Learn how to select a camshaft for your engine based on rpm range, cam specs, lifter type, and lobe profile. Our guide will help you understand camshaft fundamentals, including two major types of. Is Camshaft Gm.
From www.off-road.com
COMP Cams amp reg Introduces Three New XFI amp trade Truck Camshafts Is Camshaft Gm Learn how to decipher the terms and numbers on a camshaft timing card, such as lobe lift, rocker ratio, duration, and advertised. Our guide will help you understand camshaft fundamentals, including two major types of camshafts and how to choose a camshaft. I spent a little time compiling a few factory cam specs for reference to see how they stack. Is Camshaft Gm.
From www.enginelabs.com
COMP Cams Releases LST Camshafts For GM 6.6L Duramax Diesels Is Camshaft Gm See graphs and charts to. I spent a little time compiling a few factory cam specs for reference to see how they stack up. The camshaft can spin out of time due to failed belts, gears, sheared pins or keys, or stretched/failed chains and chain hardware, as well as problems with cam phasers used for variable cam timing. Learn how. Is Camshaft Gm.
From www.cruzetalk.com
What is the name of the Camshaft part? Is Camshaft Gm Learn how to identify gm camshaft identification numbers by visually inspecting the component, examining the model prefix, grind number, and exhaust number. See dyno results, specs, and pros and cons of l33 and other ls cams. Our guide will help you understand camshaft fundamentals, including two major types of camshafts and how to choose a camshaft. Learn how to decipher. Is Camshaft Gm.
From www.autospost.com
P0014 Pontiac Exhaust Camshaft Position System Autos Post Is Camshaft Gm See graphs and charts to. I spent a little time compiling a few factory cam specs for reference to see how they stack up. See dyno results, specs, and pros and cons of l33 and other ls cams. To help you determine when this part might be bad, we’ve listed down the common signs of a bad camshaft. Learn how. Is Camshaft Gm.
From www.carblogindia.com
Camshafts And Valves Working And Classification! » Car Blog India Is Camshaft Gm As each engine model comes with a specific camshaft, proper identification is key to finding the right one. Learn how to identify gm camshaft identification numbers by visually inspecting the component, examining the model prefix, grind number, and exhaust number. Our guide will help you understand camshaft fundamentals, including two major types of camshafts and how to choose a camshaft.. Is Camshaft Gm.
From garage.grumpysperformance.com
New Camshaft Selection Chart Grumpys Performance Garage Is Camshaft Gm See graphs and charts to. Our guide will help you understand camshaft fundamentals, including two major types of camshafts and how to choose a camshaft. Learn how to decipher the terms and numbers on a camshaft timing card, such as lobe lift, rocker ratio, duration, and advertised. I spent a little time compiling a few factory cam specs for reference. Is Camshaft Gm.
From www.youtube.com
Performance camshafts explained YouTube Is Camshaft Gm See dyno results, specs, and pros and cons of l33 and other ls cams. The camshaft can spin out of time due to failed belts, gears, sheared pins or keys, or stretched/failed chains and chain hardware, as well as problems with cam phasers used for variable cam timing. Learn how to identify gm camshaft identification numbers by visually inspecting the. Is Camshaft Gm.
From www.thoughtco.com
What Does a Camshaft Do? How It Affects the Engine Is Camshaft Gm To help you determine when this part might be bad, we’ve listed down the common signs of a bad camshaft. Learn how to select a camshaft for your engine based on rpm range, cam specs, lifter type, and lobe profile. I spent a little time compiling a few factory cam specs for reference to see how they stack up. Learn. Is Camshaft Gm.
From www.emanualonline.com
Camshaft 101 The Complete Guide Blog Is Camshaft Gm As each engine model comes with a specific camshaft, proper identification is key to finding the right one. To help you determine when this part might be bad, we’ve listed down the common signs of a bad camshaft. I spent a little time compiling a few factory cam specs for reference to see how they stack up. Learn how to. Is Camshaft Gm.
From barkerengines.com
COMP Cams 5442611 XFI RPM HiLift Hydraulic Roller Camshaft GM Gen Is Camshaft Gm Learn how to identify gm camshaft identification numbers by visually inspecting the component, examining the model prefix, grind number, and exhaust number. As each engine model comes with a specific camshaft, proper identification is key to finding the right one. Learn how to decipher the terms and numbers on a camshaft timing card, such as lobe lift, rocker ratio, duration,. Is Camshaft Gm.
From wowmusclecars.com
The Chevrolet Big Block Camshaft Part Numbers Is Camshaft Gm Learn how to select a camshaft for your engine based on rpm range, cam specs, lifter type, and lobe profile. The camshaft can spin out of time due to failed belts, gears, sheared pins or keys, or stretched/failed chains and chain hardware, as well as problems with cam phasers used for variable cam timing. Learn how to decipher the terms. Is Camshaft Gm.
From www.enginelabs.com
Looking Back At The Famous Duntov SmallBlock Chevrolet Camshaft Is Camshaft Gm See dyno results, specs, and pros and cons of l33 and other ls cams. I spent a little time compiling a few factory cam specs for reference to see how they stack up. The camshaft can spin out of time due to failed belts, gears, sheared pins or keys, or stretched/failed chains and chain hardware, as well as problems with. Is Camshaft Gm.
From www.onallcylinders.com
How to Read a Cam Card to Understand Camshaft Specs Is Camshaft Gm I see a lot of cam threads with general suggestions such as duntov cam or l79 cam, usually without real info on specs. Learn how to select a camshaft for your engine based on rpm range, cam specs, lifter type, and lobe profile. Our guide will help you understand camshaft fundamentals, including two major types of camshafts and how to. Is Camshaft Gm.
From www.holley.com
How To Install A Camshaft In An LS Engine Holley Motor Life Is Camshaft Gm Learn how to identify gm camshaft identification numbers by visually inspecting the component, examining the model prefix, grind number, and exhaust number. Our guide will help you understand camshaft fundamentals, including two major types of camshafts and how to choose a camshaft. The camshaft can spin out of time due to failed belts, gears, sheared pins or keys, or stretched/failed. Is Camshaft Gm.
From www.marineparts.eu
Camshaft GM 4.3L, marineparts.eu Is Camshaft Gm Learn how to select a camshaft for your engine based on rpm range, cam specs, lifter type, and lobe profile. Our guide will help you understand camshaft fundamentals, including two major types of camshafts and how to choose a camshaft. Learn how to decipher the terms and numbers on a camshaft timing card, such as lobe lift, rocker ratio, duration,. Is Camshaft Gm.
From www.enginelabs.com
Lunati Explains Camshaft Profile Terms EngineLabs Is Camshaft Gm To help you determine when this part might be bad, we’ve listed down the common signs of a bad camshaft. I spent a little time compiling a few factory cam specs for reference to see how they stack up. The camshaft can spin out of time due to failed belts, gears, sheared pins or keys, or stretched/failed chains and chain. Is Camshaft Gm.
From www.chevyhhr.net
Location of Camshaft sensor? Chevy HHR Network Is Camshaft Gm The camshaft can spin out of time due to failed belts, gears, sheared pins or keys, or stretched/failed chains and chain hardware, as well as problems with cam phasers used for variable cam timing. Our guide will help you understand camshaft fundamentals, including two major types of camshafts and how to choose a camshaft. I spent a little time compiling. Is Camshaft Gm.
From paceperformance.com
GM (General Motors) 19210722 Big Block Chevy Roller Camshaft 572 / Is Camshaft Gm See graphs and charts to. Learn how to select a camshaft for your engine based on rpm range, cam specs, lifter type, and lobe profile. Learn how to identify gm camshaft identification numbers by visually inspecting the component, examining the model prefix, grind number, and exhaust number. To help you determine when this part might be bad, we’ve listed down. Is Camshaft Gm.
From autotroop.com
5 Best Camshafts for Stock 350 Chevy [With Buying Guide] AutoTroop Is Camshaft Gm See dyno results, specs, and pros and cons of l33 and other ls cams. I spent a little time compiling a few factory cam specs for reference to see how they stack up. Learn how to select a camshaft for your engine based on rpm range, cam specs, lifter type, and lobe profile. The camshaft can spin out of time. Is Camshaft Gm.