Standby Power Supply Circuit . Article 701 covers the installation, operation, and maintenance of legally required standby systems consisting of circuits and equipment intended. (1) the alternate power supply has capacity to handle all connected loads. (2) there's automatic selective load pickup and load shedding to. The most basic arrangement for an emergency or standby power system is shown. Standby power supplies are generally intended to provide mains power at a specified voltage and frequency. Strictly speaking, emergency systems supply circuits legally designated as being essential for safety to life and property. An uninterruptible power supply (ups) is defined as a piece of electrical equipment which can be used as an immediate power source to the connected load when there is a.
from electro-medical.blogspot.com
Strictly speaking, emergency systems supply circuits legally designated as being essential for safety to life and property. Article 701 covers the installation, operation, and maintenance of legally required standby systems consisting of circuits and equipment intended. (2) there's automatic selective load pickup and load shedding to. Standby power supplies are generally intended to provide mains power at a specified voltage and frequency. An uninterruptible power supply (ups) is defined as a piece of electrical equipment which can be used as an immediate power source to the connected load when there is a. The most basic arrangement for an emergency or standby power system is shown. (1) the alternate power supply has capacity to handle all connected loads.
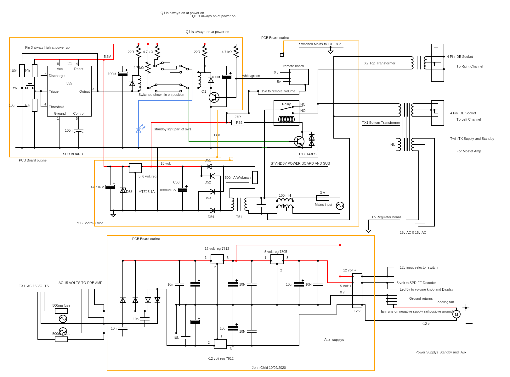
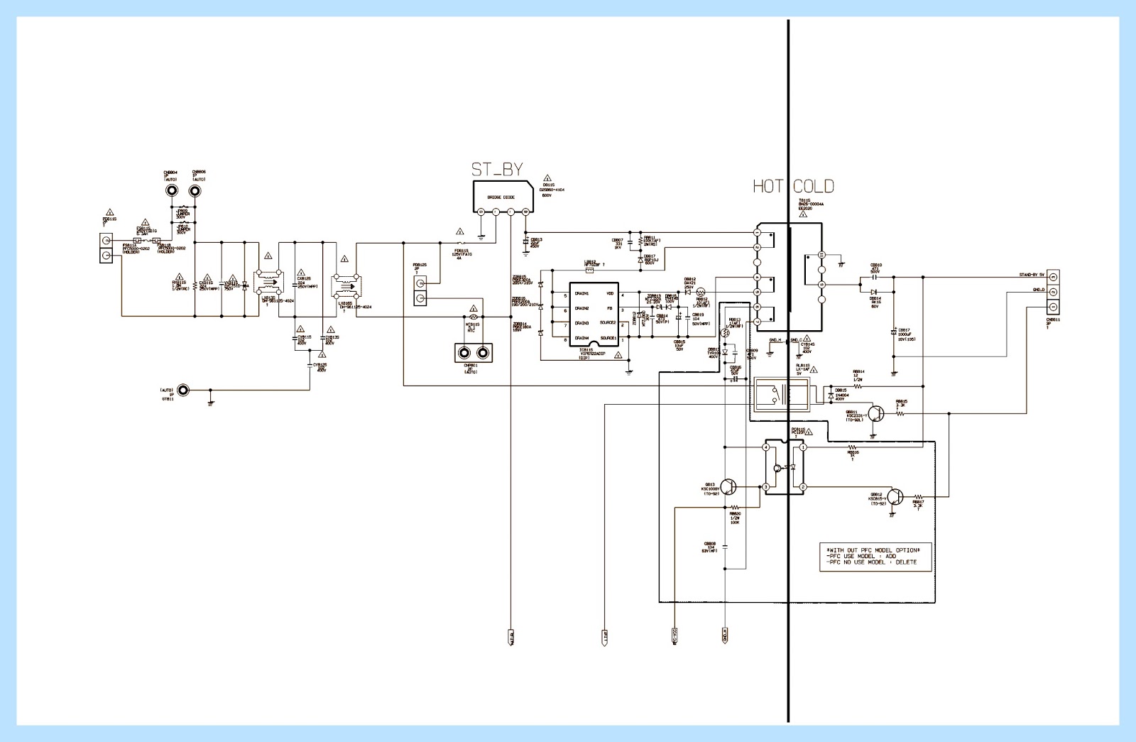
ELECTRONIC EQUIPMENT REPAIR CENTRE SAMSUNG LE26M51B LE32M61B
Standby Power Supply Circuit (1) the alternate power supply has capacity to handle all connected loads. (2) there's automatic selective load pickup and load shedding to. (1) the alternate power supply has capacity to handle all connected loads. The most basic arrangement for an emergency or standby power system is shown. Standby power supplies are generally intended to provide mains power at a specified voltage and frequency. Article 701 covers the installation, operation, and maintenance of legally required standby systems consisting of circuits and equipment intended. An uninterruptible power supply (ups) is defined as a piece of electrical equipment which can be used as an immediate power source to the connected load when there is a. Strictly speaking, emergency systems supply circuits legally designated as being essential for safety to life and property.
From electrical-engineering-portal.com
The essentials of standby power systems you SHOULD install before the Standby Power Supply Circuit An uninterruptible power supply (ups) is defined as a piece of electrical equipment which can be used as an immediate power source to the connected load when there is a. Standby power supplies are generally intended to provide mains power at a specified voltage and frequency. Strictly speaking, emergency systems supply circuits legally designated as being essential for safety to. Standby Power Supply Circuit.
From electro-medical.blogspot.com
ELECTRONIC EQUIPMENT REPAIR CENTRE SAMSUNG LE26M51B LE32M61B Standby Power Supply Circuit (2) there's automatic selective load pickup and load shedding to. An uninterruptible power supply (ups) is defined as a piece of electrical equipment which can be used as an immediate power source to the connected load when there is a. Standby power supplies are generally intended to provide mains power at a specified voltage and frequency. Article 701 covers the. Standby Power Supply Circuit.
From www.electronicsrepairmadeasy.com
electronics repair made easy Understanding the standby circuit in LED Standby Power Supply Circuit Standby power supplies are generally intended to provide mains power at a specified voltage and frequency. Article 701 covers the installation, operation, and maintenance of legally required standby systems consisting of circuits and equipment intended. The most basic arrangement for an emergency or standby power system is shown. (1) the alternate power supply has capacity to handle all connected loads.. Standby Power Supply Circuit.
From www.embedded.com
Minimizing device standby power Standby Power Supply Circuit An uninterruptible power supply (ups) is defined as a piece of electrical equipment which can be used as an immediate power source to the connected load when there is a. Article 701 covers the installation, operation, and maintenance of legally required standby systems consisting of circuits and equipment intended. Standby power supplies are generally intended to provide mains power at. Standby Power Supply Circuit.
From electrical-engineering-portal.com
Single line diagrams of emergency and standby power systems with Standby Power Supply Circuit Standby power supplies are generally intended to provide mains power at a specified voltage and frequency. The most basic arrangement for an emergency or standby power system is shown. An uninterruptible power supply (ups) is defined as a piece of electrical equipment which can be used as an immediate power source to the connected load when there is a. Article. Standby Power Supply Circuit.
From wiringblogs.blogspot.com
Power Supply Circuit with Emergency Backup Wiring schema blogs Standby Power Supply Circuit (1) the alternate power supply has capacity to handle all connected loads. (2) there's automatic selective load pickup and load shedding to. The most basic arrangement for an emergency or standby power system is shown. Strictly speaking, emergency systems supply circuits legally designated as being essential for safety to life and property. Article 701 covers the installation, operation, and maintenance. Standby Power Supply Circuit.
From electrical-engineering-portal.com
Typical power supply schemes for standby and production generator sets Standby Power Supply Circuit Article 701 covers the installation, operation, and maintenance of legally required standby systems consisting of circuits and equipment intended. (1) the alternate power supply has capacity to handle all connected loads. An uninterruptible power supply (ups) is defined as a piece of electrical equipment which can be used as an immediate power source to the connected load when there is. Standby Power Supply Circuit.
From www.wellpcb.com
Battery Backup Circuit A Comprehensive Guide in Making One Standby Power Supply Circuit An uninterruptible power supply (ups) is defined as a piece of electrical equipment which can be used as an immediate power source to the connected load when there is a. (2) there's automatic selective load pickup and load shedding to. Strictly speaking, emergency systems supply circuits legally designated as being essential for safety to life and property. Article 701 covers. Standby Power Supply Circuit.
From electrical-engineering-portal.com
16 power correction devices available to install and really improve the Standby Power Supply Circuit An uninterruptible power supply (ups) is defined as a piece of electrical equipment which can be used as an immediate power source to the connected load when there is a. Strictly speaking, emergency systems supply circuits legally designated as being essential for safety to life and property. Article 701 covers the installation, operation, and maintenance of legally required standby systems. Standby Power Supply Circuit.
From www.seekic.com
LOW_STANDBY_POWER Power_Supply_Circuit Circuit Diagram Standby Power Supply Circuit Article 701 covers the installation, operation, and maintenance of legally required standby systems consisting of circuits and equipment intended. (2) there's automatic selective load pickup and load shedding to. The most basic arrangement for an emergency or standby power system is shown. Strictly speaking, emergency systems supply circuits legally designated as being essential for safety to life and property. (1). Standby Power Supply Circuit.
From electrical-engineering-portal.com
The essentials of standby power systems you SHOULD install before the Standby Power Supply Circuit (1) the alternate power supply has capacity to handle all connected loads. (2) there's automatic selective load pickup and load shedding to. An uninterruptible power supply (ups) is defined as a piece of electrical equipment which can be used as an immediate power source to the connected load when there is a. The most basic arrangement for an emergency or. Standby Power Supply Circuit.
From fydq.com.cn
MD Standby Power Supply (Outdoor) what is cable UPS and broadband UPS Standby Power Supply Circuit Article 701 covers the installation, operation, and maintenance of legally required standby systems consisting of circuits and equipment intended. Standby power supplies are generally intended to provide mains power at a specified voltage and frequency. Strictly speaking, emergency systems supply circuits legally designated as being essential for safety to life and property. (2) there's automatic selective load pickup and load. Standby Power Supply Circuit.
From commons.wikimedia.org
FileStandby UPS Diagram.png Standby Power Supply Circuit Strictly speaking, emergency systems supply circuits legally designated as being essential for safety to life and property. An uninterruptible power supply (ups) is defined as a piece of electrical equipment which can be used as an immediate power source to the connected load when there is a. (2) there's automatic selective load pickup and load shedding to. The most basic. Standby Power Supply Circuit.
From electrical-engineering-portal.com
Single line diagrams of emergency and standby power systems with Standby Power Supply Circuit Standby power supplies are generally intended to provide mains power at a specified voltage and frequency. An uninterruptible power supply (ups) is defined as a piece of electrical equipment which can be used as an immediate power source to the connected load when there is a. The most basic arrangement for an emergency or standby power system is shown. (2). Standby Power Supply Circuit.
From electrical-engineering-portal.com
The essentials of standby power systems you SHOULD install before the Standby Power Supply Circuit Article 701 covers the installation, operation, and maintenance of legally required standby systems consisting of circuits and equipment intended. Standby power supplies are generally intended to provide mains power at a specified voltage and frequency. (1) the alternate power supply has capacity to handle all connected loads. Strictly speaking, emergency systems supply circuits legally designated as being essential for safety. Standby Power Supply Circuit.
From eureka.patsnap.com
Directcurrent mainstandby power supply switching circuit Eureka Standby Power Supply Circuit The most basic arrangement for an emergency or standby power system is shown. (2) there's automatic selective load pickup and load shedding to. Strictly speaking, emergency systems supply circuits legally designated as being essential for safety to life and property. Standby power supplies are generally intended to provide mains power at a specified voltage and frequency. An uninterruptible power supply. Standby Power Supply Circuit.
From e2e.ti.com
Get smarter about ‘zero’ standby power in your next appliance design Standby Power Supply Circuit Strictly speaking, emergency systems supply circuits legally designated as being essential for safety to life and property. Standby power supplies are generally intended to provide mains power at a specified voltage and frequency. An uninterruptible power supply (ups) is defined as a piece of electrical equipment which can be used as an immediate power source to the connected load when. Standby Power Supply Circuit.
From electrical-engineering-portal.com
Single line diagrams of emergency and standby power systems with Standby Power Supply Circuit An uninterruptible power supply (ups) is defined as a piece of electrical equipment which can be used as an immediate power source to the connected load when there is a. Article 701 covers the installation, operation, and maintenance of legally required standby systems consisting of circuits and equipment intended. The most basic arrangement for an emergency or standby power system. Standby Power Supply Circuit.
From e2e.ti.com
Get smarter about ‘zero’ standby power in your next appliance design Standby Power Supply Circuit The most basic arrangement for an emergency or standby power system is shown. Article 701 covers the installation, operation, and maintenance of legally required standby systems consisting of circuits and equipment intended. Standby power supplies are generally intended to provide mains power at a specified voltage and frequency. (1) the alternate power supply has capacity to handle all connected loads.. Standby Power Supply Circuit.
From www.hifi-forum.de
Yamaha RXA3050 RXV3079 schematic detail standby power supply Standby Power Supply Circuit An uninterruptible power supply (ups) is defined as a piece of electrical equipment which can be used as an immediate power source to the connected load when there is a. Strictly speaking, emergency systems supply circuits legally designated as being essential for safety to life and property. (1) the alternate power supply has capacity to handle all connected loads. (2). Standby Power Supply Circuit.
From fixfixbauer.z19.web.core.windows.net
Wiring For Standby Generator Standby Power Supply Circuit (2) there's automatic selective load pickup and load shedding to. Standby power supplies are generally intended to provide mains power at a specified voltage and frequency. Article 701 covers the installation, operation, and maintenance of legally required standby systems consisting of circuits and equipment intended. (1) the alternate power supply has capacity to handle all connected loads. Strictly speaking, emergency. Standby Power Supply Circuit.
From electrical-engineering-portal.com
Typical power supply schemes for standby and production generator sets Standby Power Supply Circuit Article 701 covers the installation, operation, and maintenance of legally required standby systems consisting of circuits and equipment intended. Standby power supplies are generally intended to provide mains power at a specified voltage and frequency. (2) there's automatic selective load pickup and load shedding to. Strictly speaking, emergency systems supply circuits legally designated as being essential for safety to life. Standby Power Supply Circuit.
From eureka.patsnap.com
Directcurrent mainstandby power supply switching circuit Eureka Standby Power Supply Circuit (1) the alternate power supply has capacity to handle all connected loads. Standby power supplies are generally intended to provide mains power at a specified voltage and frequency. Article 701 covers the installation, operation, and maintenance of legally required standby systems consisting of circuits and equipment intended. An uninterruptible power supply (ups) is defined as a piece of electrical equipment. Standby Power Supply Circuit.
From www.righto.com
Teardown of a PC power supply Standby Power Supply Circuit The most basic arrangement for an emergency or standby power system is shown. Strictly speaking, emergency systems supply circuits legally designated as being essential for safety to life and property. (2) there's automatic selective load pickup and load shedding to. (1) the alternate power supply has capacity to handle all connected loads. An uninterruptible power supply (ups) is defined as. Standby Power Supply Circuit.
From wiring.hpricorpcom.com
Wiring Diagram For Generac Standby Generator Wiring Diagram and Schematic Standby Power Supply Circuit Article 701 covers the installation, operation, and maintenance of legally required standby systems consisting of circuits and equipment intended. The most basic arrangement for an emergency or standby power system is shown. Standby power supplies are generally intended to provide mains power at a specified voltage and frequency. Strictly speaking, emergency systems supply circuits legally designated as being essential for. Standby Power Supply Circuit.
From lessonmagicpullorum.z13.web.core.windows.net
Uninterruptible Power Supply Circuit Diagram Standby Power Supply Circuit Strictly speaking, emergency systems supply circuits legally designated as being essential for safety to life and property. Article 701 covers the installation, operation, and maintenance of legally required standby systems consisting of circuits and equipment intended. (2) there's automatic selective load pickup and load shedding to. An uninterruptible power supply (ups) is defined as a piece of electrical equipment which. Standby Power Supply Circuit.
From www.seekic.com
5_V_SUPPLY_INCLUDING_STABILIZED_MOMENTARY_BACKUP Power_Supply_Circuit Standby Power Supply Circuit Standby power supplies are generally intended to provide mains power at a specified voltage and frequency. An uninterruptible power supply (ups) is defined as a piece of electrical equipment which can be used as an immediate power source to the connected load when there is a. Strictly speaking, emergency systems supply circuits legally designated as being essential for safety to. Standby Power Supply Circuit.
From circuitfixsam.z21.web.core.windows.net
Atx Power Supply Schematic Diagram Standby Power Supply Circuit (2) there's automatic selective load pickup and load shedding to. Strictly speaking, emergency systems supply circuits legally designated as being essential for safety to life and property. The most basic arrangement for an emergency or standby power system is shown. (1) the alternate power supply has capacity to handle all connected loads. Standby power supplies are generally intended to provide. Standby Power Supply Circuit.
From manualdatametrists.z21.web.core.windows.net
Uninterruptible Power Supply Circuit Diagram Standby Power Supply Circuit (1) the alternate power supply has capacity to handle all connected loads. An uninterruptible power supply (ups) is defined as a piece of electrical equipment which can be used as an immediate power source to the connected load when there is a. The most basic arrangement for an emergency or standby power system is shown. (2) there's automatic selective load. Standby Power Supply Circuit.
From www.keyesweb.com
Keyes North Atlantic, Inc. Electrical and Mechanical Contractors Standby Power Supply Circuit (1) the alternate power supply has capacity to handle all connected loads. Strictly speaking, emergency systems supply circuits legally designated as being essential for safety to life and property. Article 701 covers the installation, operation, and maintenance of legally required standby systems consisting of circuits and equipment intended. The most basic arrangement for an emergency or standby power system is. Standby Power Supply Circuit.
From www.circuit-diagram.org
Standby Power Supply Circuits Circuit Diagram Standby Power Supply Circuit (2) there's automatic selective load pickup and load shedding to. Standby power supplies are generally intended to provide mains power at a specified voltage and frequency. The most basic arrangement for an emergency or standby power system is shown. Article 701 covers the installation, operation, and maintenance of legally required standby systems consisting of circuits and equipment intended. Strictly speaking,. Standby Power Supply Circuit.
From electrical-engineering-portal.com
Single line diagrams of emergency and standby power systems with Standby Power Supply Circuit Standby power supplies are generally intended to provide mains power at a specified voltage and frequency. An uninterruptible power supply (ups) is defined as a piece of electrical equipment which can be used as an immediate power source to the connected load when there is a. The most basic arrangement for an emergency or standby power system is shown. Strictly. Standby Power Supply Circuit.
From www.righto.com
Teardown of a PC power supply Standby Power Supply Circuit Strictly speaking, emergency systems supply circuits legally designated as being essential for safety to life and property. (1) the alternate power supply has capacity to handle all connected loads. An uninterruptible power supply (ups) is defined as a piece of electrical equipment which can be used as an immediate power source to the connected load when there is a. Standby. Standby Power Supply Circuit.
From www.eeweb.com
20 W Standby Power Supply Reference Design EE Standby Power Supply Circuit (1) the alternate power supply has capacity to handle all connected loads. An uninterruptible power supply (ups) is defined as a piece of electrical equipment which can be used as an immediate power source to the connected load when there is a. Article 701 covers the installation, operation, and maintenance of legally required standby systems consisting of circuits and equipment. Standby Power Supply Circuit.
From electrical-engineering-portal.com
How standby generators work and how to dimension them? EEP Standby Power Supply Circuit The most basic arrangement for an emergency or standby power system is shown. Strictly speaking, emergency systems supply circuits legally designated as being essential for safety to life and property. (2) there's automatic selective load pickup and load shedding to. (1) the alternate power supply has capacity to handle all connected loads. Standby power supplies are generally intended to provide. Standby Power Supply Circuit.