Seat Belt Warning Circuit . it has been known by seat belt designers as being the most reliable way to detect if the seat belt has been. If the light persists, have a mechanic diagnose the issue promptly. there are two critical sensors associated with the seat belt and warning lights. seat belt reminder (sbr) systems are effective in avoiding deaths and injuries in traffic accidents. Friday, november 13th at 11:59 pm for a minor. ni multisim live lets you create, share, collaborate, and discover circuits and electronics online with spice simulation. The first sensor is in the seat belt itself, and it detects whether the seat. The seatbelt sensor of your car works as a warning mechanism. when your seat belt warning light appears, it means a seat belt is unfastened. Confirm all passengers are securely buckled up to avoid the warning light. However, a fault in this sensor can cause it to function when you are actually wearing your seatbelt. It could be triggered by heavy objects on the front passenger seat or a malfunctioning sensor. Why my seatbelt light stays on even after i wear the seatbelt? 1.2.1 seatbelt circuit design virtual ed.
from rennlist.com
it has been known by seat belt designers as being the most reliable way to detect if the seat belt has been. Friday, november 13th at 11:59 pm for a minor. It could be triggered by heavy objects on the front passenger seat or a malfunctioning sensor. seat belt reminder (sbr) systems are effective in avoiding deaths and injuries in traffic accidents. However, a fault in this sensor can cause it to function when you are actually wearing your seatbelt. Why my seatbelt light stays on even after i wear the seatbelt? If the light persists, have a mechanic diagnose the issue promptly. Confirm all passengers are securely buckled up to avoid the warning light. ni multisim live lets you create, share, collaborate, and discover circuits and electronics online with spice simulation. when your seat belt warning light appears, it means a seat belt is unfastened.
Seat Belt Warning Light Wiring Rennlist Porsche Discussion Forums
Seat Belt Warning Circuit there are two critical sensors associated with the seat belt and warning lights. The seatbelt sensor of your car works as a warning mechanism. If the light persists, have a mechanic diagnose the issue promptly. when your seat belt warning light appears, it means a seat belt is unfastened. there are two critical sensors associated with the seat belt and warning lights. However, a fault in this sensor can cause it to function when you are actually wearing your seatbelt. it has been known by seat belt designers as being the most reliable way to detect if the seat belt has been. 1.2.1 seatbelt circuit design virtual ed. Confirm all passengers are securely buckled up to avoid the warning light. It could be triggered by heavy objects on the front passenger seat or a malfunctioning sensor. ni multisim live lets you create, share, collaborate, and discover circuits and electronics online with spice simulation. seat belt reminder (sbr) systems are effective in avoiding deaths and injuries in traffic accidents. The first sensor is in the seat belt itself, and it detects whether the seat. Friday, november 13th at 11:59 pm for a minor. Why my seatbelt light stays on even after i wear the seatbelt?
From www.autozone.com
Repair Guides Seat Belt Warning System (2003) Seat Belt Warning Seat Belt Warning Circuit The first sensor is in the seat belt itself, and it detects whether the seat. there are two critical sensors associated with the seat belt and warning lights. However, a fault in this sensor can cause it to function when you are actually wearing your seatbelt. when your seat belt warning light appears, it means a seat belt. Seat Belt Warning Circuit.
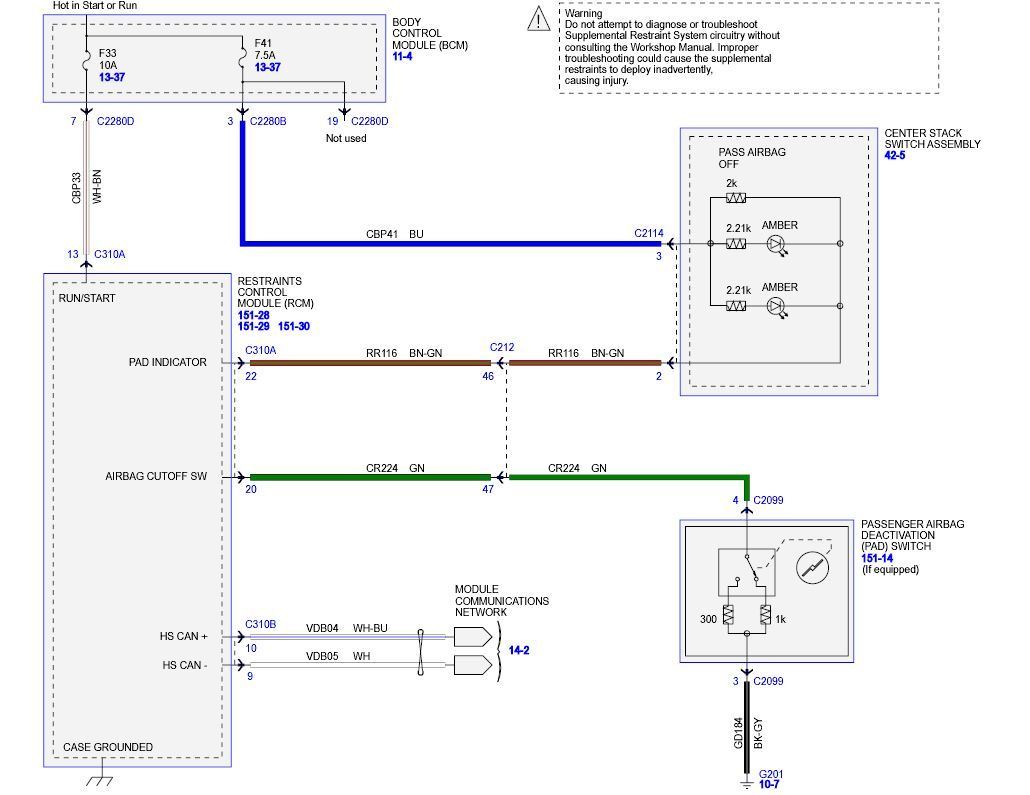
From www.hexorcism.com
SEAT BELT WARNING ALARM 2016 ND Shop Manual Seat Belt Warning Circuit Confirm all passengers are securely buckled up to avoid the warning light. The first sensor is in the seat belt itself, and it detects whether the seat. ni multisim live lets you create, share, collaborate, and discover circuits and electronics online with spice simulation. Friday, november 13th at 11:59 pm for a minor. 1.2.1 seatbelt circuit design virtual. Seat Belt Warning Circuit.
From www.wikihow.com
How to Disable a Seat Belt Alarm 6 Steps (with Pictures) Seat Belt Warning Circuit The seatbelt sensor of your car works as a warning mechanism. The first sensor is in the seat belt itself, and it detects whether the seat. seat belt reminder (sbr) systems are effective in avoiding deaths and injuries in traffic accidents. 1.2.1 seatbelt circuit design virtual ed. ni multisim live lets you create, share, collaborate, and discover. Seat Belt Warning Circuit.
From studylib.net
SEAT BELT WARNING SYSTEM 1. General 2. Wiring Diagram Seat Belt Warning Circuit The seatbelt sensor of your car works as a warning mechanism. seat belt reminder (sbr) systems are effective in avoiding deaths and injuries in traffic accidents. However, a fault in this sensor can cause it to function when you are actually wearing your seatbelt. ni multisim live lets you create, share, collaborate, and discover circuits and electronics online. Seat Belt Warning Circuit.
From saabwisonline.com
Seatbelt warning 93 2008 SAAB Information System Online Seat Belt Warning Circuit However, a fault in this sensor can cause it to function when you are actually wearing your seatbelt. It could be triggered by heavy objects on the front passenger seat or a malfunctioning sensor. there are two critical sensors associated with the seat belt and warning lights. ni multisim live lets you create, share, collaborate, and discover circuits. Seat Belt Warning Circuit.
From www.scribd.com
Seat Belt Warning PDF Switch Steering Seat Belt Warning Circuit Confirm all passengers are securely buckled up to avoid the warning light. seat belt reminder (sbr) systems are effective in avoiding deaths and injuries in traffic accidents. there are two critical sensors associated with the seat belt and warning lights. 1.2.1 seatbelt circuit design virtual ed. ni multisim live lets you create, share, collaborate, and discover. Seat Belt Warning Circuit.
From studylib.net
SEAT BELT WARNING SYSTEM Seat Belt Warning Circuit there are two critical sensors associated with the seat belt and warning lights. If the light persists, have a mechanic diagnose the issue promptly. 1.2.1 seatbelt circuit design virtual ed. ni multisim live lets you create, share, collaborate, and discover circuits and electronics online with spice simulation. The first sensor is in the seat belt itself, and. Seat Belt Warning Circuit.
From www.2carpros.com
Rear Seat Belt Warning Lights When I Start Up the Car the 3 Rear Seat Belt Warning Circuit It could be triggered by heavy objects on the front passenger seat or a malfunctioning sensor. Why my seatbelt light stays on even after i wear the seatbelt? 1.2.1 seatbelt circuit design virtual ed. However, a fault in this sensor can cause it to function when you are actually wearing your seatbelt. The seatbelt sensor of your car works. Seat Belt Warning Circuit.
From www.autozone.com
Repair Guides Restraint System (2002) Seat Belt Warning System Seat Belt Warning Circuit The seatbelt sensor of your car works as a warning mechanism. The first sensor is in the seat belt itself, and it detects whether the seat. when your seat belt warning light appears, it means a seat belt is unfastened. it has been known by seat belt designers as being the most reliable way to detect if the. Seat Belt Warning Circuit.
From store.tracyperf.com
6871 Seat Belt Warning Module Tracy Performance Corvette Sales Seat Belt Warning Circuit Friday, november 13th at 11:59 pm for a minor. 1.2.1 seatbelt circuit design virtual ed. there are two critical sensors associated with the seat belt and warning lights. The seatbelt sensor of your car works as a warning mechanism. when your seat belt warning light appears, it means a seat belt is unfastened. It could be triggered. Seat Belt Warning Circuit.
From www.trav4.net
Toyota RAV4 (XA40) 20132018 Service Manual Seat belt warning system Seat Belt Warning Circuit there are two critical sensors associated with the seat belt and warning lights. If the light persists, have a mechanic diagnose the issue promptly. Confirm all passengers are securely buckled up to avoid the warning light. However, a fault in this sensor can cause it to function when you are actually wearing your seatbelt. The first sensor is in. Seat Belt Warning Circuit.
From www.corvetteforum.com
Seat belt warning light circuit board 1971 CorvetteForum Seat Belt Warning Circuit seat belt reminder (sbr) systems are effective in avoiding deaths and injuries in traffic accidents. Friday, november 13th at 11:59 pm for a minor. It could be triggered by heavy objects on the front passenger seat or a malfunctioning sensor. Confirm all passengers are securely buckled up to avoid the warning light. Why my seatbelt light stays on even. Seat Belt Warning Circuit.
From rennlist.com
Seat Belt Warning Light Wiring Rennlist Porsche Discussion Forums Seat Belt Warning Circuit Friday, november 13th at 11:59 pm for a minor. If the light persists, have a mechanic diagnose the issue promptly. when your seat belt warning light appears, it means a seat belt is unfastened. The first sensor is in the seat belt itself, and it detects whether the seat. Confirm all passengers are securely buckled up to avoid the. Seat Belt Warning Circuit.
From www.hexorcism.com
SEAT BELT WARNING ALARM 2016 ND Shop Manual Seat Belt Warning Circuit If the light persists, have a mechanic diagnose the issue promptly. Confirm all passengers are securely buckled up to avoid the warning light. when your seat belt warning light appears, it means a seat belt is unfastened. Why my seatbelt light stays on even after i wear the seatbelt? ni multisim live lets you create, share, collaborate, and. Seat Belt Warning Circuit.
From www.ford-trucks.com
Passenger seat belt warning in 2012 F350 Ford Truck Enthusiasts Forums Seat Belt Warning Circuit there are two critical sensors associated with the seat belt and warning lights. However, a fault in this sensor can cause it to function when you are actually wearing your seatbelt. Friday, november 13th at 11:59 pm for a minor. ni multisim live lets you create, share, collaborate, and discover circuits and electronics online with spice simulation. . Seat Belt Warning Circuit.
From studylib.net
seat belt warning system Seat Belt Warning Circuit there are two critical sensors associated with the seat belt and warning lights. Friday, november 13th at 11:59 pm for a minor. ni multisim live lets you create, share, collaborate, and discover circuits and electronics online with spice simulation. The seatbelt sensor of your car works as a warning mechanism. seat belt reminder (sbr) systems are effective. Seat Belt Warning Circuit.
From www.safetyrestore.com
How seat belt sensor works Seat Belt Warning Circuit It could be triggered by heavy objects on the front passenger seat or a malfunctioning sensor. The first sensor is in the seat belt itself, and it detects whether the seat. The seatbelt sensor of your car works as a warning mechanism. If the light persists, have a mechanic diagnose the issue promptly. seat belt reminder (sbr) systems are. Seat Belt Warning Circuit.
From lynspira.blogspot.com
Inspira / Lancer Mod Guide Passenger Seat Belt Warning Sign Seat Belt Warning Circuit when your seat belt warning light appears, it means a seat belt is unfastened. However, a fault in this sensor can cause it to function when you are actually wearing your seatbelt. Why my seatbelt light stays on even after i wear the seatbelt? ni multisim live lets you create, share, collaborate, and discover circuits and electronics online. Seat Belt Warning Circuit.
From www.justanswer.com
How do I disconnect the seat belt warning beeper, signal or relay I Seat Belt Warning Circuit ni multisim live lets you create, share, collaborate, and discover circuits and electronics online with spice simulation. The first sensor is in the seat belt itself, and it detects whether the seat. Friday, november 13th at 11:59 pm for a minor. seat belt reminder (sbr) systems are effective in avoiding deaths and injuries in traffic accidents. The seatbelt. Seat Belt Warning Circuit.
From www.team-bhp.com
seat belt warning, how..? TeamBHP Seat Belt Warning Circuit Friday, november 13th at 11:59 pm for a minor. The seatbelt sensor of your car works as a warning mechanism. However, a fault in this sensor can cause it to function when you are actually wearing your seatbelt. it has been known by seat belt designers as being the most reliable way to detect if the seat belt has. Seat Belt Warning Circuit.
From www.2carpros.com
Rear Seat Belt Warning Lights When I Start Up the Car the 3 Rear Seat Belt Warning Circuit Confirm all passengers are securely buckled up to avoid the warning light. It could be triggered by heavy objects on the front passenger seat or a malfunctioning sensor. when your seat belt warning light appears, it means a seat belt is unfastened. If the light persists, have a mechanic diagnose the issue promptly. 1.2.1 seatbelt circuit design virtual. Seat Belt Warning Circuit.
From www.haleproducts.com
Seat Belt Warning Module (sbw) Hale Products Seat Belt Warning Circuit Confirm all passengers are securely buckled up to avoid the warning light. Friday, november 13th at 11:59 pm for a minor. If the light persists, have a mechanic diagnose the issue promptly. there are two critical sensors associated with the seat belt and warning lights. The seatbelt sensor of your car works as a warning mechanism. 1.2.1 seatbelt. Seat Belt Warning Circuit.
From www.autozone.com
Repair Guides Seat Belt Warning System (2004) Seat Belt Warning Seat Belt Warning Circuit when your seat belt warning light appears, it means a seat belt is unfastened. Confirm all passengers are securely buckled up to avoid the warning light. It could be triggered by heavy objects on the front passenger seat or a malfunctioning sensor. there are two critical sensors associated with the seat belt and warning lights. it has. Seat Belt Warning Circuit.
From www.chevelles.com
72 seat belt warning system installation??? Chevelle Tech Seat Belt Warning Circuit If the light persists, have a mechanic diagnose the issue promptly. it has been known by seat belt designers as being the most reliable way to detect if the seat belt has been. 1.2.1 seatbelt circuit design virtual ed. However, a fault in this sensor can cause it to function when you are actually wearing your seatbelt. Why. Seat Belt Warning Circuit.
From www.toyaris4.com
Toyota Yaris System Diagram Seat Belt Warning System Seat Belt Warning Circuit seat belt reminder (sbr) systems are effective in avoiding deaths and injuries in traffic accidents. Why my seatbelt light stays on even after i wear the seatbelt? when your seat belt warning light appears, it means a seat belt is unfastened. Confirm all passengers are securely buckled up to avoid the warning light. It could be triggered by. Seat Belt Warning Circuit.
From uchanics.ca
Seat Belt Warning Light Service and Guide What is it and What to Do Seat Belt Warning Circuit Confirm all passengers are securely buckled up to avoid the warning light. The first sensor is in the seat belt itself, and it detects whether the seat. It could be triggered by heavy objects on the front passenger seat or a malfunctioning sensor. ni multisim live lets you create, share, collaborate, and discover circuits and electronics online with spice. Seat Belt Warning Circuit.
From www.corvetteforum.com
Seat belt warning light circuit board 1971 CorvetteForum Seat Belt Warning Circuit it has been known by seat belt designers as being the most reliable way to detect if the seat belt has been. there are two critical sensors associated with the seat belt and warning lights. when your seat belt warning light appears, it means a seat belt is unfastened. The first sensor is in the seat belt. Seat Belt Warning Circuit.
From www.autozone.com
Repair Guides Seat Belt Warning System (2004) Seat Belt Warning Seat Belt Warning Circuit ni multisim live lets you create, share, collaborate, and discover circuits and electronics online with spice simulation. However, a fault in this sensor can cause it to function when you are actually wearing your seatbelt. Friday, november 13th at 11:59 pm for a minor. The first sensor is in the seat belt itself, and it detects whether the seat.. Seat Belt Warning Circuit.
From www.sulegacy.com
Subaru Legacy Service Manual Seat belt warning system wiring diagram Seat Belt Warning Circuit However, a fault in this sensor can cause it to function when you are actually wearing your seatbelt. 1.2.1 seatbelt circuit design virtual ed. The seatbelt sensor of your car works as a warning mechanism. when your seat belt warning light appears, it means a seat belt is unfastened. It could be triggered by heavy objects on the. Seat Belt Warning Circuit.
From lynspira.blogspot.com
Inspira / Lancer Mod Guide Passenger Seat Belt Warning Sign Seat Belt Warning Circuit Confirm all passengers are securely buckled up to avoid the warning light. If the light persists, have a mechanic diagnose the issue promptly. there are two critical sensors associated with the seat belt and warning lights. ni multisim live lets you create, share, collaborate, and discover circuits and electronics online with spice simulation. Why my seatbelt light stays. Seat Belt Warning Circuit.
From www.corvetteforum.com
seat belt warning system CorvetteForum Chevrolet Corvette Forum Seat Belt Warning Circuit there are two critical sensors associated with the seat belt and warning lights. It could be triggered by heavy objects on the front passenger seat or a malfunctioning sensor. 1.2.1 seatbelt circuit design virtual ed. it has been known by seat belt designers as being the most reliable way to detect if the seat belt has been.. Seat Belt Warning Circuit.
From www.apttony.co.uk
electrical circuits Seat Belt Warning Circuit The first sensor is in the seat belt itself, and it detects whether the seat. there are two critical sensors associated with the seat belt and warning lights. seat belt reminder (sbr) systems are effective in avoiding deaths and injuries in traffic accidents. 1.2.1 seatbelt circuit design virtual ed. Confirm all passengers are securely buckled up to. Seat Belt Warning Circuit.
From www.autozone.com
Repair Guides Seat Belt Warning System (2005) Seat Belt Warning Seat Belt Warning Circuit ni multisim live lets you create, share, collaborate, and discover circuits and electronics online with spice simulation. there are two critical sensors associated with the seat belt and warning lights. seat belt reminder (sbr) systems are effective in avoiding deaths and injuries in traffic accidents. it has been known by seat belt designers as being the. Seat Belt Warning Circuit.
From www.fundacionmapfre.org
Seat belt warning for all seats Fundación MAPFRE Seat Belt Warning Circuit It could be triggered by heavy objects on the front passenger seat or a malfunctioning sensor. Why my seatbelt light stays on even after i wear the seatbelt? Friday, november 13th at 11:59 pm for a minor. it has been known by seat belt designers as being the most reliable way to detect if the seat belt has been.. Seat Belt Warning Circuit.
From limitorque-wiring-diagram7.blogspot.com
Wiring Diagram Seat Belt Reminder / What Causes An Alarm To Sound When Seat Belt Warning Circuit The seatbelt sensor of your car works as a warning mechanism. Why my seatbelt light stays on even after i wear the seatbelt? Friday, november 13th at 11:59 pm for a minor. The first sensor is in the seat belt itself, and it detects whether the seat. 1.2.1 seatbelt circuit design virtual ed. However, a fault in this sensor. Seat Belt Warning Circuit.